CAPÍTULO XII
Elementos estructurales
Artículo 52º. Elementos estructurales de hormigón en masa
52.1 Ámbito de aplicación
Se considerarán elementos estructurales de hormigón en masa los construidos con hormigón sin armaduras, y los que tienen armaduras sólo para reducir los efectos de la fisuración, generalmente en forma de mallas junto a los paramentos.
No es aplicable este capítulo, salvo con carácter subsidiario, a aquellos elementos estructurales de hormigón en masa, que tengan su normativa especifica.
52.2 Hormigones utilizables
Para elementos de hormigón en masa se podrán utilizar los hormigones definidos en 39.2.
52.3 Acciones de cálculo
Las acciones de cálculo combinadas aplicables en los Estados Límite Últimos son las indicadas en el Artículo 13º.
52.4 Cálculo de secciones a compresión
En una sección de un elemento de hormigón en masa en la que actúa solamente un esfuerzo normal de compresión, con valor de cálculo Nd (positivo), aplicado en un punto G, con excentricidad de componentes (ex , ey), respecto a un sistema de ejes cobaricéntricos (caso a; figura 52.4.a), se considerará Nd aplicado en el punto virtual G1(e1x , e1y ), que será el que resulte más desfavorable de los dos siguientes:
G1x (ex+exa , ey) ó G1y (ex , ey +eya)
donde:
2 cm.
2 cm.

Figura 52.4.a
La tensión resultante
sd se calcula admitiendo una distribución uniforme de tensiones en una parte de la sección, denominada sección eficaz, de área Ae (caso b; figura 52.4.a), delimitada por una recta secante y cuyo baricentro coincide con el punto de aplicación virtual G1 del esfuerzo normal y considerando inactiva el resto de la sección.La condición de seguridad es:

52.5 Cálculo de secciones a compresión y esfuerzo cortante
En una sección de un elemento de hormigón en masa en la que actúa un esfuerzo oblicuo de compresión, con componentes en valor de cálculo
Nd y Vd (positivas) aplicado en el punto G, se determina el punto de aplicación virtual G1 y el área eficaz Ae como en 52.4. Las condiciones de seguridad son:
52.6 Consideración de la esbeltez
En un elemento de hormigón en masa sometido a compresión, con o sin esfuerzo cortante, los efectos de primer orden que produce
Nd se incrementan con efectos de segundo orden a causa de su esbeltez (52.6.3). Para tenerlos en cuenta se considerará Nd actuando en un punto G2 que resulta de desplazar G1 (52.4) una excentricidad ficticia definida en 52.6.4.52.6.1 Anchura virtual
Como anchura virtual
bv, de la sección de un elemento se tomará: bv=2c, siendo c la mínima distancia del baricentro de la sección (figura 52.6.1) a una recta rasante a su perímetro.

Figura 52.6.1
52.6.2 Longitud de pandeo
Como longitud de pandeo
l0 de un elemento se toma: l0 =bl. siendo l la altura del elemento entre base y coronación, y b=b0 z el factor de esbeltez, con b0=1 en elementos con coronación arriostrada horizontalmente y b0=2 en elementos con coronación sin arriostrar. El factor z tiene en cuenta el efecto del arriostramiento por muros transversales, siendo:
donde:
52.6.3 Esbeltez
La esbeltez l de un elemento de hormigón en masa se determina por la expresión:

52.6.4 Excentricidad ficticia
El efecto de pandeo de un elemento con esbeltez l se considera equivalente al que se produce por la adición de una excentricidad ficticia ea en dirección del eje y paralelo a la anchura virtual bv de la sección de valor:

donde:
-

- Elementos con coronación no arriostrada: el valor de
e1y en la base,El elemento se calcula en la abscisa z0 con excentricidad de componentes (e1x , e1 + ea) y en cada extremo con su correspondiente excentricidad (e1x , e1y).

Figura 52.6.4
Artículo 53° Forjados
Los forjados de hormigón armado y pretensado se regirán por la vigente Instrucción para el Proyecto y la Ejecución de Forjados Unidireccionales de Hormigón Armado o Pretensado, debiendo cumplir, en lo que no se oponga a ello, los preceptos de esta Instrucción.
Artículo 54º Vigas
Las vigas sometidas a flexión se calcularán de acuerdo con el Artículo 42º o las fórmulas simplificadas del Anejo 8, a partir de los valores de cálculo de las resistencias de los materiales (Artículo 15º) y de los valores mayorados de las acciones combinadas (Artículo 13º). Si la flexión está combinada con esfuerzo cortante, se calculará la pieza frente a este último esfuerzo con arreglo al Artículo 44º y con arreglo al Artículo 45º si existe, además, torsión. Para piezas compuestas se comprobará el Estado Límite de Rasante (Artículo 47º).
Asimismo se comprobarán los Estados Límite de Fisuración, Deformación y Vibraciones, cuando sea necesario, según los Artículos 49º, 50º y 51º, respectivamente.
Cuando se trate de vigas en
T o de formas especiales, se tendrá presente el apartado 18.2.1.La disposición de armaduras se ajustará a lo prescrito en los Artículos 66, para las armaduras pasivas, y 67º, para las armaduras activas.
Artículo 55º Soportes
Los soportes se calcularán, frente a solicitaciones normales, de acuerdo con el Artículo 42º o las fórmulas simplificadas del Anejo 8, a partir de los valores de cálculo de las resistencias de los materiales (Artículo 15º) y de los valores mayorados de las acciones combinadas (Artículo 11º). Cuando la esbeltez del soporte sea apreciable, se comprobará el Estado Límite de Inestabilidad (Artículo 43º). Si existe esfuerzo cortante, se calculará la pieza frente a dicho esfuerzo con arreglo al Artículo 44º y con arreglo al Artículo 45º si existe, además, torsión.
Cuando sea necesario se comprobará el Estado Límite de Fisuración de acuerdo con el Artículo 49º.
Los soportes ejecutados en obra deberán tener su dimensión mínima mayor o igual a 25 cm.
La disposición de armaduras se ajustará a lo prescrito en los Artículos 66º, para las armaduras pasivas, y 67º, para las armaduras activas.
La armadura principal estará formada, al menos, por cuatro barras, en el caso de secciones rectangulares y por seis barras en el caso de secciones circulares siendo la separación entre dos consecutivas de 35 cm como máximo. El diámetro de la barra comprimida más delgada no será inferior a 12 mm. Además, tales barras irán sujetas por cercos o estribos con las separaciones máximas y diámetros mínimos de la armadura transversal que se indican en 42.3.1.
En soportes circulares los estribos podrán ser circulares o adoptar una distribución helicoidal.
Artículo 56º Placas o losas
56.1 Placas o losas sobre apoyos continuos.
Este Artículo se refiere a placas o losas planas de hormigón armado y pretensado sustentadas sobre apoyos continuos.
Salvo justificación en contrario, el canto total de la placa o losa no será inferior a
l/40 u 8 cm, siendo l la luz correspondiente al vano más pequeño.Para el análisis estructural deben seguirse las indicaciones del Artículo 22º.
Para la comprobación de los distintos Estados Límite se estudiarán las diferentes combinaciones de acciones ponderadas, de acuerdo con los criterios expuestos en el Artículo 13º
Se comprobará el Estado Límite Último de Agotamiento por tensiones normales de acuerdo con el Artículo 42º, considerando un esfuerzo de flexión equivalente que tenga en cuenta el efecto producido por los momentos flectores y torsores existentes en cada punto de la losa.
Se comprobará el Estado Límite de Cortante de acuerdo con las indicaciones del Artículo 44º.
Asimismo, siempre que sea necesario, se comprobarán los Estados Límite de Fisuración, Deformación y Vibraciones, de acuerdo con los Artículos 49º, 50º y 51º, respectivamente.
La disposición de armaduras se ajustará a lo prescrito en los Artículos 66º, para las armaduras pasivas, y 67º para las armaduras activas.
Para losas rectangulares apoyadas en dos bordes se dispondrá, en cualquier caso, una armadura transversal paralela a la dirección de los apoyos calculada para absorber un momento igual al 20% del momento principal.
56.2 Placas o losas sobre apoyos aislados
Este Artículo se refiere a las estructuras constituidas por placas macizas o aligeradas con nervios en dos direcciones perpendiculares, de hormigón armado, que no poseen, en general, vigas para transmitir las cargas a los apoyos y descansan directamente sobre soportes con o sin capitel.
Salvo justificación especial, en el caso de placas de hormigón armado, el canto total de la placa no será inferior a los valores siguientes:
- Placas macizas de espesor constante
- Placas aligeradas de espesor constante
L/28siendo
L la mayor dimensión del recuadro.La separación entre ejes de nervios no superará los 100 cm y el espesor de la capa superior no será inferior a 5 cm y deberá disponerse en la misma una armadura de reparto en malla.
Para el análisis estructural deben seguirse las indicaciones dei Artículo 22º.
Para la comprobación de los distintos Estados Límite se estudiarán las diferentes combinaciones de acciones ponderadas, de acuerdo con los criterios expuestos en el Artículo 13º.
Se comprobará el Estado Límite Último de Agotamiento frente a tensiones normales de acuerdo con el Artículo 42º, considerando un esfuerzo de flexión equivalente que tenga en cuenta el efecto producido por los momentos flectores y torsores existentes en cada punto de la losa.
Se comprobará el Estado Límite de Agotamiento frente a cortante de acuerdo con las indicaciones del Artículo 44º. En particular deberán ser comprobados los nervios en su entrega al ábaco y los elementos de borde, vigas o zunchos.
Se comprobará el Estado Límite de Agotamiento por torsión en vigas y zunchos de borde de acuerdo con las indicaciones del Artículo 45º.
Se comprobará el Estado Límite de Punzonamiento de acuerdo con las indicaciones del Artículo 46º.
Asimismo, siempre que sea necesario, se comprobarán los Estados Límite de fisuración, Deformación y Vibraciones, de acuerdo con los Artículos 49º, 50º y 51º, respectivamente.
La disposición de armaduras se ajustará a lo prescrito en el Artículo 66º, para armaduras pasivas.
Articulo 57° Muros
Los muros sometidos a flexión se calcularán de acuerdo con el Artículo 42º o las fórmulas simplificadas del Anejo 8, a partir de los valores de cálculo de la resistencia de los materiales y los valores mayorados de las acciones combinadas (Artículo 13º). Si la flexión está combinada con esfuerzo cortante, se calculará la pieza frente a este esfuerzo con arreglo al Artículo 44º.
Asimismo se comprobará el Estado Límite de Fisuración, cuando sea necesario, de acuerdo con el Artículo 49º.
La disposición de armaduras se ajustará a lo prescrito en los Artículos 66º, para las armaduras pasivas, y 67º, para las armaduras activas.
Artículo 58º Láminas
Salvo justificación en contrario, no se construirán láminas con espesores de hormigón menores que los siguientes:
- Láminas plegadas: 9 cm.
- Láminas de simple curvatura: 7 cm.
- Láminas de doble curvatura: 5 cm.
Salvo justificación especial, se cumplirán las siguientes disposiciones:
a) Las armaduras de la lámina se colocarán en oposición rigurosamente simétrica, respecto a la superficie media de la misma.
b) La cuantía mecánica en cualquier sección de la lámina cumplirá la limitación:

en la que
fcd es la resistencia de cálculo del hormigón a compresión, expresada en N/mm2.c) La distancia entre armaduras principales no será superior a:
- Tres veces el espesor de la lámina, si se dispone una malla en la superficie media.
- Cinco veces el espesor de la lámina, si se disponen mallas Junto a los dos paramentos.
d) Los recubrimientos de las armaduras cumplirán las condiciones generales exigidas en 37.2.4.
Para el análisis estructural de láminas deben seguirse las indicaciones del Artículo 23º.
Para la comprobación de los distintos Estados Límite se estudiarán las diferentes combinaciones de acciones ponderadas de acuerdo con los criterios expuestos en el Artículo13º.
Se comprobará el Estado Límite Último de tensiones normales de acuerdo con el Artículo 42º, teniendo en cuenta los esfuerzos axiles y un esfuerzo de flexión biaxial, en cada punto de la lámina.
Se comprobará el Estado Límite de Cortante de acuerdo con las indicaciones del Artículo 44º.
Se comprobará el Estado Límite de Punzonamiento de acuerdo con las indicaciones del Artículo 46º.
Asimismo, siempre que sea necesario, se comprobará el Estado Límite de Fisuración de acuerdo con el Artículo 49º.
La disposición de armaduras se ajustará a lo prescrito en los Artículos 66º, para las armaduras pasivas, y 67º, para las armaduras activas.
Artículo 59º Elementos de cimentación
59.1 Generalidades
Las disposiciones del presente Artículo son de aplicación directa en el caso de zapatas y encepados que cimientan soportes aislados o lineales, aunque su filosofía general puede ser aplicada a elementos combinados de cimentación.
El presente Artículo recoge también el caso de elementos de cimentación continuos para varios soportes (cosas de cimentación).
Por último se incluyen también las vigas de atado, pilotes y zapatas de hormigón en masa.
59.2 Clasificación de las cementaciones de hormigón estructural
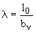
Los encepados y zapatas de cimentación pueden clasificarse en rígidos y flexibles.

Figura 59.2.a

Figura 59.2.b
59.2.1 Cimentaciones rígidas
Dentro del grupo de cimentaciones rígidas se encuentran:
- Los encepados cuyo vuelo v en la dirección principal de mayor vuelo es menor que 2h. (figura 59.2.a).
- Las zapatas cuyo vuelo v en la dirección principal de mayor vuelo es menor que 2h. (figura 59.2.b).
- Los pozos de cimentación.
- Los elementos masivos de cimentación: contrapesos, muros masivos de gravedad, etc.
En las cementaciones de tipo rígido, la distribución de deformaciones es no lineal a nivel de sección, y por tanto, el método general de análisis más adecuado es el de bielas y tirantes, indicado en los Artículos 24º y 40º.
59.2.2 Cimentaciones flexibles
Dentro del grupo de cimentaciones flexibles se encuentran:
- Los encepados cuyo vuelo v en la dirección principal de mayor vuelo es mayor que 2h. (figura 59.2.a).
- Las zapatas cuyo vuelo v en la dirección principal de mayor vuelo es mayor que 2h. (figura 59.2.b).
- Las losas de cimentación.
En las cimentaciones de tipo flexible la distribución de deformaciones a nivel de sección puede considerarse lineal, y es de aplicación la teoría general de flexión.
59.2.3 Otros elementos de cimentación
Se incluyen aquí las vigas de atado que se desarrollan en el apartado 59.5, los pilotes, que se desarrollan en el apartado 59.6, y las zapatas de hormigón en masa, que se desarrollan en el apartado 59.7.
59.3 Criterios generales de proyecto
Los elementos de cimentación se dimensionarán para resistir las cargas actuantes y las reacciones inducidas. Para ello será preciso que las solicitaciones actuantes sobre el elemento de cimentación se transmitan íntegramente al terreno o a los pilotes en que se apoya.
Para la definición de las dimensiones de la cimentación y la comprobación de las tensiones del terreno o las reacciones de los pilotes, se considerarán las combinaciones pésimas transmitidas por la estructura, teniendo en cuenta los efectos de segundo orden en el caso de soportes esbeltos, el peso propio del elemento de cimentación y el del terreno que gravita sobre él, todos ellos con sus valores característicos.
Para la comprobación de los distintos Estados Límite Últimos del elemento de cimentación, se considerarán los efectos de las tensiones del terreno o reacciones de los pilotes, obtenidos para los esfuerzos transmitidos por la estructura para las combinaciones pésimas mayoradas, teniendo en cuenta los efectos de segundo orden en el caso de soportes esbeltos, y la acción mayorada del peso propio de la cimentación, cuando sea necesario, y el del terreno que gravita sobre ésta.
59 4 Comprobación de elementos y dimensionamiento de la armadura
59.4.1 Cimentaciones rígidas
En este tipo de elementos no es aplicable la teoría general de flexión y es necesario definir un modelo de bielas y tirantes, de acuerdo con los criterios indicados en el Artículo 24º, y dimensionar la armadura y comprobar las condiciones en el hormigón, de acuerdo con los requisitos establecidos en el Artículo 40º.
Para cada caso debe plantearse un modelo que permita establecer el equilibrio entre las acciones exteriores que transmite la estructura, las debidas al peso de tierra existente sobre las zapatas, encepados, etc.; y las tensiones del terreno o reacciones de los pilotes.
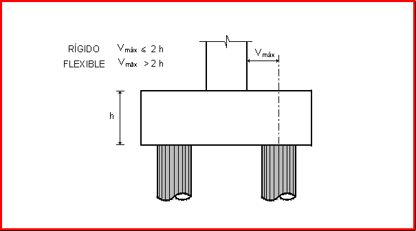
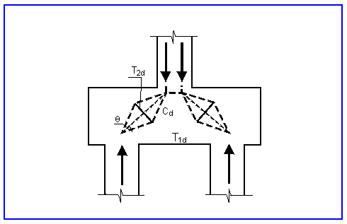
59.4.1.1 Zapatas rígidas
Para zapatas rectangulares sometidas a flexocompresión recta, siempre que se pueda despreciar el efecto del peso de la zapata y de las tierras situadas sobre ésta, el modelo a utilizar es el representado en la figura 59.4.1.1.a.

Figura 59.4.1.1.a
La armadura principal se obtendrá para resistir la tracción
T0 indicada en el modelo, que resulta:
con
fyd
400 N/mm2 (40.2)
y siendo el significado de las variables el representado en la figura 59.4.1.1.a y las tensiones
s1d y s2d las obtenidas teniendo en cuenta sólo las cargas transmitidas por la estructura Esta armadura se dispondrá, sin reducción de sección, en toda la longitud de la zapata y se anclará según los criterios establecidos en el Artículo 66º. El anclaje mediante barras transversales soldadas es especialmente recomendable en este caso.La comprobación de la resistencia de los nudos del modelo no es, en general, necesaria si la resistencia característica del hormigón de los pilares es igual a la resistencia característica del hormigón de la zapata. En el resto de casos debe realizarse la comprobación del apartado 40.4.
Por otra parte, la comprobación de los nudos supone implícitamente la comprobación de las bielas.
59.4.1.2 Encepados rígidos
La armadura necesaria se determinará a partir de las tracciones de los tirantes del modelo adoptado para cada encepado. Para los casos más frecuentes, en los apartados siguientes, se indican distintos modelos y las expresiones que permiten determinar las armaduras.
La comprobación de la resistencia del hormigón en nudos no es, en general, necesaria si los pilotes son hormigonados in situ y si éstos y los pilares son de un hormigón con una resistencia característica igual a la resistencia característica del hormigón del encepado. En el resto de casos hay que realizar la comprobación del apartado 40.4.
Por otra parte, la comprobación de los nudos supone implícitamente la comprobación de las bielas.
59.4.1.2.1 Encepados sobre dos pilotes
59.4.1.2.1.1 Armadura principal
La armadura se proyectará para resistir la tracción de cálculo
Td de la figura 59.4.1.2.1.1.a, que puede tomarse como:
con
fyd
400 N/mm² (40.2) y donde Nd corresponde al axil de cálculo del pilote más cargado.
La armadura inferior se colocará, sin reducir su sección, en toda la longitud del encepado. Esta armadura se anclará, por prolongación recta o en ángulo recto, o mediante barras transversales soldadas, a partir de planos verticales que pasen por el eje de cada pilote (figura 59.4.1.2.1.1.b).

Figura 59.4.1.2.1.1.a

Figura 59.4.1.2.1.1.b
59.4.1.2.1.2 Armadura secundaria
En los encepados sobre dos pilotes, la armadura secundaria consistirá en:
- Una armadura longitudinal dispuesta en la cara superior del encepado y extendida, sin escalonar, en toda la longitud del mismo. Su capacidad mecánica no será inferior a 1/10 de la capacidad mecánica de la armadura inferior.
- Una armadura horizontal y vertical dispuesta en retícula en las caras laterales. La armadura vertical consistirá en cercos cerrados que aten a la armadura longitudinal superior e inferior. La armadura horizontal consistirá en cercos cerrados que aten a la armadura vertical antes descrita (figura 59.4.1.2.1.2.a). La cuantía de estas armaduras, referida al área de la sección de hormigón perpendicular a su dirección, será, como mínimo, del 4%o. Si el ancho supera a la mitad del canto, la sección de referencia se toma con un ancho igual a la mitad del canto.

Figura 59.4.1.2.1.2.a
Con una concentración elevada de armadura es conveniente aproximar más, en la zona de anclaje de la armadura principal, los cercos verticales que se describen en este apartado, a fin de garantizar el zunchado de la armadura principal en la zona de anclaje (figura 59.4.1.2.1.2.b).

Figura 59.4.1.2.1.2.b
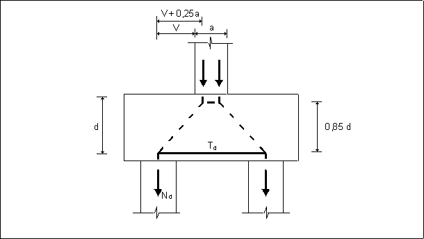
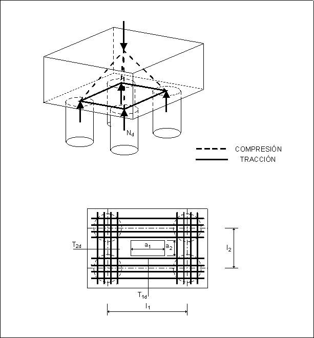
59.4.1.2.2 Encepados sobre varios pilotes
La armadura correspondiente a encepados sobre varios pilotes puede clasificarse en:
- Armadura principal:
Se sitúa en bandas sobre los pilotes (ver figura 59.4.1.2.2.a). Se define como banda o faja una zona cuyo eje es la línea que une los centros de los pilotes, y cuyo ancho es igual al diámetro del pilote más dos veces la distancia entre la cara superior del pilote y el centro de gravedad de Ia armadura del tirante (ver figura 59.4.1.2.2.b).

Figura 59.4.1.2.2.a

Figura 59.4.1.2.2.b
- Armadura secundaria:
Se sitúa entre las bandas (ver 59.4.1.2.2.1)
- Armadura secundaria vertical:
Se sitúa a modo de cercos, atando la armadura principal de bandas (ver 59.4.1.2.2.2).
59.4.1.2.2.1 Armadura principal y secundaria horizontal
La armadura principal inferior se colocará en bandas o fajas sobre los pilotes. Esta armadura se dispondrá de tal forma que se consiga un anclaje de la misma a partir de un plano vertical que pase por el eje de cada pilote.
Se dispondrá, además, una armadura secundaria en retícula cuya capacidad mecánica en cada sentido no será inferior a 1/4 de la capacidad mecánica de las bandas o fajas.
En el caso de encepados sobre tres pilotes colocados según los vértices de un triángulo equilátero, con el pilar situado en el baricentro del triángulo, la armadura principal entre cada pareja de pilotes puede obtenerse a partir de la tracción Td dada por la expresión:

con
fyd
400 N/mm2 (40.2) y donde:

Figura 59.4.1.2.2.1.a
En el caso de encepados de cuatro pilotes con el pilar situado en el centro del rectángulo o cuadrado, la tracción correspondiente a cada banda puede obtenerse a partir de las expresiones siguientes:


fyd
2 y donde
Nd - Axil del pilote más cargado (figura 59.4.1.2.2.1.b).
d - Canto útil del encepado (figura 59.4.1.2.2.1.b).

Figura 59.4.1.2.2.1.b
En el caso de cimentaciones continuas sobre un encepado lineal, la armadura principal se situará perpendicularmente al muro, calculada con la expresión del apartado 59.4.1.2.1, mientras que en la dirección paralela al muro, el encepado y el muro se calcularán como viga (que en general será de gran canto) soportada por los pilotes (figura 59.4.1.2.2.1.c).

Figura 59.4.1.2.2.1.c
59.4.1.2.2.2 Armadura secundaria vertical
Con cargas portantes apreciables es conveniente disponer una armadura secundaria vertical como consecuencia de la dispersión del campo de compresiones.
La armadura secundaria vertical, figura 59.1.1.2.2.2, tendrá una capacidad mecánica total no inferior al valor
Nd/1,5n, con n ³ 3, siendo:Nd - axil de cálculo del soporte
n - número de pilotes

Figura 59.4.1.2.2.2
59.4.2 Cimentaciones flexibles
En este tipo de cimentaciones es de aplicación la teoría general de flexión.
59.4.2.1 Zapatas y encepados flexibles
Salvo que se realice un estudio preciso de interacción suelo - cimiento, se podrán utilizar los criterios simplificados que se describen a continuación.
59.4.2.1.1 Cálculo a flexión
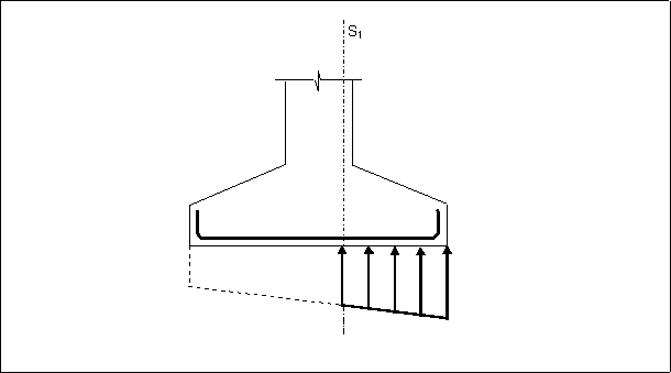
59.4.2.1.1.1 Sección de referencia S1
La sección de referencia que se considerará para el cálculo a flexión, se define como a continuación se indica: es plana, perpendicular a la base de la zapata o encepado y tiene en cuenta la sección total de la zapata o encepado. Es paralela a la cara del soporte o del muro y está situada detrás de dicha cara a una distancia igual a 0,15a, siendo a la dimensión del soporte o del muro medida ortogonalmente a la sección que se considera.
El canto útil de esta sección de referencia se tomará igual al canto útil de la sección paralela a la sección S1 situada en la cara del soporte o del muro (figura 59.4.21.1.1 a)
En todo lo anterior se supone que el soporte o el muro son elementos de hormigón. Si no fuera así, la magnitud 0,15a se sustituirá por:
- 0,25a, cuando se trate de muros de ladrillo o mampostería.
- La mitad de la distancia entre la cara del soporte y el borde de la placa de acero, cuando se trate de soportes metálicos sobre placas de reparto de acero.

Figuras 59.4.2.1.1.1.a
59.4.2.1.1.1.1 Cálculo del momento flector
El momento máximo que se considerará en el cálculo de las zapatas y encepados flexibles, es el que se produce en la sección de referencia S1 definida en el apartado anterior (figura 59.4.2.1.1.1.1).

Figura 59.4.2.1.1.1.1
59.4.2.1.1.1.2 Determinación de la armadura
La armadura necesaria en la sección de referencia se hallará con un cálculo hecho a flexión simple, de acuerdo con los principios generales de cálculo de secciones sometidas a solicitaciones normales que se indican en el Artículo 42º.
59.4.2.1.1.2 Disposición de armaduras.
En zapatas y encepados flexibles, corridos y trabajando en una sola dirección, y en elementos de cimentación cuadrados y trabajando en dos direcciones, la armadura se podrá distribuir uniformemente en todo el ancho de la cimentación.
En elementos de cimentación rectangulares, trabajando en dos direcciones, la armadura paralela al lado mayor de la cimentación, de longitud a', se podrá distribuir uniformemente en todo el ancho b' de la base de la cimentación. La armadura paralela al lado menor b' se deberá colocar de tal forma que una fracción del área total As igual a 2b'/(a'+b') se coloque uniformemente distribuida en una banda central, coaxial con el soporte, de anchura igual a b'. El resto de la armadura se repartirá uniformemente en las dos bandas laterales resultantes.
Este ancho de la banda b' no será inferior a a+2h, donde:
a - Lado del soporte o del muro paralelo al lado mayor de la base de la cimentación.
h - Canto total de la cimentación.
Si b' fuese menor que a+2h, se sustituirá b' por a+2h (figura 59.4.2.1.1.2.a).

Figura 59.4.2.1.1.2.a
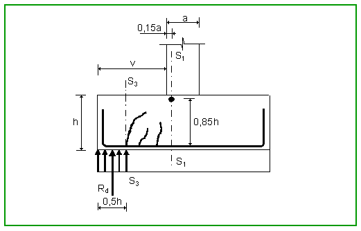
La armadura calculada según 59.4.2.1.1.1.2 deberá estar anclada según el más desfavorable de los dos criterios siguientes:
- La armadura estará anclada según las condiciones del Artículo 66º. desde una sección S2 situada a un canto útil de la sección de referencia S1
- La armadura se anclará a partir de la sección
S3 (figura 59.4.2.1.1.2.b), para una fuerza:


Figura 59.4.2.1.1.2.b
59.4.2.1.2 Cálculo a tensiones tangenciales
La resistencia a tensiones tangenciales en las zapatas y encepados flexibles, en la proximidad de cargas o reacciones concentradas (soportes y pilotes), se comprobará a cortante como elemento lineal y a punzonamiento.
59.4.2.1.2.1 cálculo a cortante
En este caso la zapata o encepado se debe comprobar a cortante de acuerdo con lo establecido en el Artículo 44º en la sección de referencia
S2.La sección de referencia
S2 se situará a una distancia igual al canto útil, contada a partir de la cara del soporte, muro, pedestal o a partir del punto medio de la cara del soporte y el borde de la placa de acero, cuando se trata de soportes metálicos sobre placas de reparto de acero. Esta sección de referencia es plana, perpendicular a la base de la zapata o encepado y tiene en cuenta la sección total de dicho elemento de cimentación.59.4.2.1.2.2 Cálculo a punzonamiento
Se comprobará este Estado Límite según el Artículo 46º.
59.4.2.1.3 Comprobación a fisuración
Siempre que sea necesario, se comprobará el Estado Límite de Fisuración de acuerdo con el Artículo 49º.
59.4.2.2 Losas de cimentación
Este apartado se refiere a elementos superficiales (losas) de hormigón armado o pretensado para la cimentación de varios soportes.
Para la obtención de esfuerzos pueden utilizarse los modelos que se describen en el Artículo 22º.
Para la comprobación de los distintos Estados Límite se estudiarán las diferentes combinaciones de acciones ponderadas de acuerdo con los criterios expuestos en el Artículo 13º.
Se comprobará el Estado Límite Ultimo de tensiones normales de acuerdo con el Artículo 42º considerando un esfuerzo de flexión equivalente que tenga en cuenta el efecto producido por los momentos flectores y torsores existentes en cada punto de la losa
Se comprobará el Estado Límite de Agotamiento frente a cortante de acuerdo con las indicaciones del Artículo 44º.
Se comprobará el Estado Límite de Punzonamiento de acuerdo con las indicaciones del Artículo 46º.
Asimismo, siempre que sea necesario, se comprobará el Estado Límite de Fisuración, de acuerdo con el Artículo 49º.
La disposición de armaduras se ajustará a lo prescrito en los Artículos 66º. para las armaduras pasivas, y 67º para las armaduras activas.
59.5 Vigas de centrado y atado
Las vigas centradoras son elementos lineales que pueden utilizarse para resistir excentricidades de construcción o momentos en cabeza de los pilotes, en el caso de encepados de uno o dos pilotes, cuando éstos no tengan capacidad resistente específica para estas acciones, o en zapatas excéntricas.
Las vigas de atado son elementos lineales de unión de cimentaciones superficiales o profundas, necesarias especialmente para cimentaciones en zonas sísmicas.
En general estos elementos cumplirán los requisitos indicados para vigas en el Artículo 54º.
59.6 Pilotes:
La comprobación de un pilote es análoga a la de un soporte, Artículo 55º. en que el terreno impide, al menos parcialmente, el pandeo.
Se considerará, en cualquier caso, una excentricidad mínima definida de acuerdo con las tolerancias.
Para el dimensionamiento de los pilotes hormigonados in situ, sin camisa de chapa, se utilizará un diámetro de cálculo
dcal, igual a 0,95 veces el diámetro nominal del pilote, dnom, cumpliendo con las siguientes condiciones:dnom - 50 mm £ dcal = 0,95dnom £ dnom - 20mm
59.7 Zapatas de hormigón en masa
El canto y el ancho de una zapata de hormigón en masa, apoyada sobre el terreno, vendrán determinados de forma que no se sobrepasen los valores de las resistencias virtuales de cálculo del hormigón a tracción y a esfuerzo cortante
La sección de referencia S1, que se considerará para el cálculo a flexión, se define como a continuación se indica:
Es plana, perpendicular a la base de la zapata y tienen cuenta la sección total de la zapata. Es paralela a la cara del soporte o del muro y está situada detrás de dicha cara a una distancia igual a 0,15a, siendo a la dimensión del soporte o del muro medido ortogonalmente a la sección que se considera. El canto total h de esta sección de referencia se tomará igual al canto total de la sección paralela a la sección S1 situada en la cara del soporte o del muro. En todo lo anterior se supone que el soporte o el muro es un elemento de hormigón; si no fuera así la magnitud 0,15a se sustituirá por:
- 0,25a, cuando se trate de muros de mampostería
- La mitad de la distancia entre la cara de la columna y el borde de la placa de acero, cuando se trate de soportes metálicos sobre placas de apoyo de acero.
La sección de referencia que se considerará para el cálculo a cortante, se situará a una distancia igual al canto contada a partir de la cara del soporte, moro, pedestal o a partir del punto medio entre la cara de la columna y el borde de la placa de acero, cuando se trate de soportes metálicos sobre placas de reparto de acero. Esta sección de referencia es plana, perpendicular a la base de la zapata y tiene en cuenta la sección total de dicha zapata.
La sección de referencia que se considerará para el cálculo a punzonamiento será perpendicular a la base de la zapata y estará definida de forma que su perímetro sea mínimo y no esté situada más cerca que la mitad del canto total de la zapata, del perímetro del soporte, muro o pedestal.
El momento flector mayorado y el esfuerzo cortante mayorado, en la correspondiente sección de referencia, han de producir unas tensiones de tracción por flexión y unas tensiones tangenciales medias cuyo valor ha de ser inferior a la resistencia virtual de cálculo del hormigón a flexotracción y a esfuerzo cortante.
El cálculo a flexión se hará en la hipótesis de un estado de tensión y deformación plana y en el supuesto de integridad total de la sección, es decir, en un hormigón sin fisurar.
Se comprobará la zapata a esfuerzo cortante y a punzonamiento, en las secciones de referencia antes definidas, estando regida la resistencia a cortante por la condición más restrictiva.
Se tomará como resistencia de cálculo del hormigón a tracción y a esfuerzo cortante el valor fct,d dado en el Artículo 52º.
A efectos de la comprobación a punzonamiento se tomará el valor 2fct,d.
59.8 Dimensiones y armaduras mínimas de zapatas, encepados y losas de cimentación
59.8.1 Cantos y dimensiones mínimos
El canto mínimo en el borde de las zapatas de hormigón en masa no será inferior a 35 cm.
El canto total mínimo en el borde de los elementos de cimentación de hormigón armado no será inferior a 25 cm si se apoyan sobre el terreno, ni a 40 cm si se trata de encepados sobre pilotes. Además, en éste último caso el espesor no será, en ningún punto, inferior al diámetro del pilote.
La distancia existente entre cualquier punto del perímetro del pilote y el contorno exterior de la base del encepado no será inferior a 25 cm.
59.8.2 Disposición de armadura
La armadura longitudinal debe satisfacer lo establecido en el Artículo 42º. La cuantía mínima se refiere a la suma de la armadura de la cara inferior, de la cara superior y de las paredes laterales, en la dirección considerada.
La armadura dispuesta en las caras superior, inferior y laterales no distará más de 30 cm.
59.8.3 Armadura mínima vertical
En las zapatas y encepados flexibles no será preciso disponer armadura transversal, siempre que no sea necesaria por el cálculo y se ejecuten sin discontinuidad en el hormigonado.
Si la zapata o el encepado se comporta esencialmente como una viga ancha y se calcula como elemento lineal, de acuerdo con 59.4.2.1.2.1, la armadura transversal deberá cumplir con lo establecido en el Artículo 44º.
Si la zapata o el encepado se comporta esencialmente actuando en dos direcciones y se calcula a punzonamiento, de acuerdo con 59.4.2.1.2.2, la armadura transversal deberá cumplir con lo establecido en el Artículo 46º.
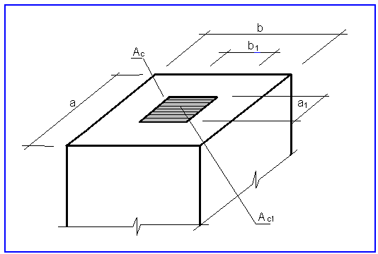
Artículo 60º. Cargas concentradas sobre macizos
60.1 Generalidades
Una carga concentrada aplicada sobre un macizo constituye una región D.
Por tratarse de una región D, el método general de análisis es el indicado en el Artículo 24º. Las comprobaciones de bielas, tirantes y nudos así como las propiedades de los materiales a considerar serán las indicadas en el Artículo 40º.
El modelo de celosía equivalente, en el caso de carga centrada de la figura 60.1.a, es el indicado en la figura 60.1.b.

Figura 60.1.a

Figura 60.1.b
60.2 Comprobación de nudos y bielas
La fuerza máxima de compresión que puede actuar en Estado Límite Último sobre una superficie restringida, figura 60.1.a, de área Ac1, situada concéntrica y homotéticamente sobre otra área Ac , supuesta plana, puede ser calculada por la fórmula:
Nd £ Ac1 f3cd

siempre y cuando el elemento sobre el que actúe la carga no presente hueco internos y que su espesor
h sea h ³ 2Ac/u, siendo u el perímetro de AcSi las dos superficies Ac y Ac1 no tienen el mismo centro de gravedad, se sustituirá el contorno de Ac por un contorno interior, homotético de Ac1 y limitando un área A'c que tenga su centro de gravedad en el punto de aplicación del esfuerzo N, aplicando a las áreas Ac1 y A'c las fórmulas arriba indicadas.
60.3 Armaduras transversales
Los tirantes
Td indicados en la figura 60.1.b se dimensionarán para la tracción de cálculo indicada en las siguientes expresiones.
en sentido paralelo a
a, y
en sentido paralelo a
b, con fyd
400 N/mm2 (40.2)
60.4 Criterios de disposición de armadura
Las armaduras correspondientes deberán disponerse en una distancia comprendida entre
0,1a y a y 0,1b y b, respectivamente. Estas distancias se medirán perpendicularmente a la superficie Ac.Será preferible el empleo de cercos que mejoren el confinamiento del hormigón.
Artículo 61º. Zonas de anclaje
El anclaje de las armaduras activas constituye una región D en la que la distribución de deformaciones es no lineal a nivel sección. Es, por tanto, de aplicación para su estudio el método general de los Artículos 24º y 40º o el resultado de estudios experimentales.
Si se trata de piezas, tales como vigas, en cuyos extremos pueden combinarse los esfuerzos debidos a los anclajes y los producidos por las reacciones de apoyo y esfuerzo cortante, es necesario considerar dicha combinación teniendo en cuenta además que, en el caso de armaduras pretesas, el pretensado produce el efecto total solamente a partir de la longitud de transmisión.
Artículo 62º. Vigas de gran canto
62.1 Generalidades
Se consideran como vigas de gran canto las vigas rectas generalmente de sección constante y cuya relación entre la luz, l, y el canto total h, es inferior a 2, en vigas simplemente apoyadas, ó a 2,5 en vigas continuas.
En las vigas de gran canto, se considerará como luz de un vano:
- La distancia entre ejes de apoyos, si esta distancia no sobrepasa en más de un 15 por ciento a la distancia libre entre paramentos de apoyos.
-1,15 veces la luz libre en caso contrario.
En este tipo de elementos no son de aplicación las hipótesis de Bernoulli-Navier, debiendo utilizarse para su proyecto el método indicado por los Artículos 24º y 40º.
62.2 Anchura mínima
La anchura mínima está limitada por el valor máximo de la compresión de los nudos y bielas según los criterios expresados en el Artículo 40º. El posible pandeo fuera de su plano de los campos de compresiones deberá analizarse, cuando sea necesario, según el Artículo 43º.
62.3 Vigas de gran canto simplemente apoyadas
62.3.1 Dimensionamiento de la armadura
En el caso de carga uniformemente distribuida aplicada en la cara superior, el modelo es el indicado en la figura 62.3.1.a y la armadura principal se calculará tomando como posición del brazo mecánico (z =0,6 l), y para una fuerza de tracción igual a:
Td = 0,2pd l = 0,4Rd= As fyd,
con
fyd
400 N/mm2 (40.2).
La comprobación del nudo de apoyo se realizará de acuerdo con el modelo de la figura 62.3.1.b.

Figura 62.3.1.a

Figura 62.3.1.b
Además de la armadura principal correspondiente a Td se dispondrá una armadura mínima de 0,1% de cuantía en cada dirección y cada cara del elemento.
Se prestará especial atención al anclaje de la armadura principal (ver figura 62.3.1.c), que deberá tener una longitud de anclaje desde el eje del apoyo hacia el extremo de la pieza.

Figura 62.3.1.c
Si fuese necesario, se dispondrá una armadura adicional en apoyos según el Artículo 60º.
62.3.2 Comprobación de nudos y bielas
Para realizar la comprobación de nudos y bielas, basta con comprobar que la tensión en el hormigón en el nudo de apoyo sea:

donde:
f2cd= 0,70 fcd
62.4 Vigas de gran canto continuas
En el caso de carga uniformemente distribuida aplicada en la cara superior, el modelo es el indicado en las figuras 62.4.a y b.

Figura 62.4.a

Figura 62.4.b
62.4.1 Dimensionamiento de la armadura
Según los modelos anteriores, la armadura en la zona de apoyos intermedios se proyectará para una fuerza de tracción:
T2d = 0,20pd l = As fyd,
con
fyd
400 N/mm2 (40.2).
La armadura inferior de vanos extremos se proyectará para una fuerza igual a:
T1d = 0,16pd l = As fyd,
con
fyd
400 N/mm2 (40.2).
La armadura inferior de vanos intermedios se proyectará para una fuerza igual a:
T1d = 0,09pd l = As fyd,
con
fyd
400 N/mm2 (40.2).
Además de la armadura principal indicada en el párrafo anterior, se dispondrá una armadura mínima de 0,1% de cuantía en cada dirección y cada cara del elemento.
En los apoyos extremos se prestará especial cuidado al anclaje de la armadura (ver figura 62.3.1.c), que deberá tener una longitud de anclaje desde el eje de apoyo hacia el extremo de la pieza.
Si fuese necesario se dispondrá una armadura adicional en apoyo según el Artículo 60º.
62.4.2 Comprobación de nudos y bielas
La comprobación de nudos y bielas se satisface si se comprueba la compresión localizada en apoyos.


donde:
f2cd=0,70 fcd

Figura 62.4.2
Artículo 63° Ménsulas cortas
63.1 Definición
Se definen como ménsulas cortas aquellas ménsulas cuya distancia a, entre la línea de acción de la carga vertical principal y la sección adyacente al soporte, es menor o igual que el canto útil d, en dicha sección (figura 63.1).
El canto útil d1 medido en el borde exterior del área donde se aplica la carga, será igual o mayor que 0,5d.

Figura 63.1
63.2 Comprobación del elemento y dimensionamiento de las armaduras
Por tratarse de una región D, el método general de análisis será el indicado en el Artículo 24º.
Las comprobaciones de bielas, tirantes y nudos y las propiedades de los materiales a considerar serán las indicadas en el Artículo 40º.
63.2.1. Comprobación de nudos y bielas y diseño de la armadura
El modelo de celosía equivalente podrá ser el indicado en la figura 63.2.
El ángulo q de inclinación de las compresiones oblicuas (bielas) puede tener los siguientes valores:
|
cotg q = 1,4 si se hormigona la ménsula monolíticamente con el pilar |
|
cotg q = 1,0 si se hormigona la ménsula sobre el hormigón del pilar endurecido |
|
cotg q = 0,6 para el caso anterior, pero con rugosidad débil de la superficie del hormigón endurecido. |
El canto útil d de la ménsula (figuras 63.1 y 63.2) cumplirá la condición

63.2.1.1 Dimensionamiento de la armadura
La armadura principal
As (figura 63.2.1.1 ) se dimensionará para una tracción de cálculo:T1d = Fvd tgq + Fhd = As fyd,
con
fyd
400 N/mm2 (40.2).

Figura 63.2.1.1
Se dispondrán cercos horizontales (Ase) uniformemente distribuidos para absorber una tracción total.
T2d = 0,20 Fvd = Ase fyd,
con
fyd
400 N/mm2 (40.2).
63.2.1.2 Comprobación de nudos y bielas
Cumpliendo las condiciones geométricas de 63.2.1 basta con comprobar la compresión localizada en el apoyo (nudo 1, figura 63.2).

donde:
f1cd = 0,7 fcd
63.2.1.3 Anclaje de las armaduras
Tanto la armadura principal como las armaduras secundarias deberán estar convenientemente ancladas en el extremo de la ménsula
63.3 Cargas colgadas
Si una ménsula corta esta sometida a una carga colgada por medio de una viga, (figura 63.3.a) deberán estudiarse distintos sistemas de biela-tirante según los Artículos 24º y 40º
En cualquier caso, deberá disponerse una armadura horizontal próxima a la cara superior de la ménsula.
Artículo 64º. Elementos con empuje al vacío
En aquellos elementos en los que se produce un cambio en la dirección de las fuerzas debido a la geometría de, elemento, pueden aparecer tracciones transversales que es necesario absorber con armadura para evitar la rotura del recubrimiento (ver figura 64).

Figura 64
El diseño de la armadura de atado puede realizarse, en términos generales, a partir de las indicaciones de los Artículos 24º y 40º.