CAPÍTULO X
Cálculos relativos a los Estados Límite Últimos
Artículo 41º Estado Límite de Equilibrio
Habrá que comprobar que, bajo la hipótesis de carga más desfavorable, no se sobrepasan los límites de equilibrio (vuelco, deslizamiento, etc.), aplicando los métodos de la Mecánica Racional y teniendo en cuenta las condiciones reales de las sustentaciones.
Ed,estab ³ Ed,desestab
Ed,estab - Valor de cálculo de los efectos de las acciones estabilizadoras.
Ed,desestab - Valor de cálculo de los efectos de las acciones desestabilizadoras.
Artículo 42º Estado Límite de Agotamiento frente a solicitaciones normales
42.1 Principios generales de cálculo
42.1.1 Definición de la sección
42.1.1.1 Dimensiones de la sección
Para la obtención de la capacidad resistente de una sección, ésta se considerará con sus dimensiones reales en la fase de construcción - o de servicio- analizada, excepto en piezas de sección en T, l o similares, para las que se tendrán en cuenta las anchuras eficaces indicadas en 18.2.1.
42.1.1.2 Sección resistente
A efectos de cálculos correspondientes a los Estados Límite de Agotamiento frente a solicitaciones normales, la sección resistente de hormigón se obtiene de las dimensiones de la pieza y cumpliendo con los criterios de 40.3.5.
42.1.2 Hipótesis básicas
El cálculo de la capacidad resistente última de las secciones se efectuará a partir de las hipótesis generales siguientes:
a) El agotamiento se caracteriza por el valor de la deformación en determinadas fibras de la sección, definidas por los dominios de deformación de agotamiento detallados en 42.1.3.
b) Las deformaciones del hormigón siguen una ley plana. Esta hipótesis es válida para piezas en las que la relación entre la distancia entre puntos de momento nulo y el canto total, es superior a 2.
c) Las deformaciones es, de las armaduras pasivas se mantienen iguales a las del hormigón que las envuelve. Las deformaciones totales de las armaduras activas adherentes deben considerar, además de la deformación que se produce en la fibra correspondiente en el plano de deformación de agotamiento (e0), la deformación producida por el pretensado y la deformación de descompresión (figura 42.1.2) según se define a continuación:
De
p = ecp + ep0donde:
ecp - Deformación de descompresión del hormigón a nivel de la fibra de armadura considerada.
ep0 - Predeformación de la armadura activa debida a la acción del pretensado en la fase considerada, teniendo en cuenta las pérdidas que sé hayan producido.
d) El diagrama de cálculo tensión-deformación del hormigón es alguno de los que se definen en 39.5. No se considerará la resistencia del hormigón a tracción. El diagrama de cálculo tensión-deformación del acero de las armaduras pasivas, es el que se define en 38.4. El diagrama de cálculo tensión-deformación del acero de las armaduras activas, es el que se define en 38.7.
e) Se aplicarán a las resultantes de tensiones en la sección las ecuaciones generales de equilibrio de fuerzas y momentos. De esta forma podrá calcularse la capacidad resistente última mediante la integración de las tensiones en el hormigón y en las armaduras activas y pasivas.

Figura 42.1.2
42.1.3 Dominios de deformación
Las deformaciones Límite de las secciones, según la naturaleza de la solicitación, conducen a admitir los siguientes dominios (figura 42.1.3.):

Figura 42.1.3
Dominio 1:
Tracción simple o compuesta en donde toda la sección está en tracción. Las rectas de deformación giran alrededor del punto A correspondiente a un alargamiento del acero más traccionado del 10 por 1000.Dominio 2: Flexión simple o compuesta en donde el hormigón no alcanza la deformación de rotura por flexión. Las rectas de deformación , giran alrededor del punto A.
Dominio 3: Flexión simple o compuesta en donde las rectas de deformación giran alrededor del punto B correspondiente a la deformación de rotura por flexión del hormigón ecu= 3,5 por 1.000. El alargamiento de la armadura más traccionada está comprendido entre el 10 por 1.000 y eg , siendo eg , el alargamiento correspondiente al límite elástico del acero.
Dominio 4: Flexión simple o compuesta en donde las rectas de deformación giran alrededor del punto B. El alargamiento de la armadura más traccionada está comprendido entre eg , y 0.
Dominio 4a: Flexión compuesta en donde todas las armaduras están comprimidas y existe una pequeña zona de hormigón en tracción. Las rectas de deformación giran alrededor del punto B.
Dominio 5: Compresión simple o compuesta en donde ambos materiales trabajan a compresión. Las rectas de deformación giran alrededor del punto C definido por la recta correspondiente a la deformación de rotura del hormigón por compresión, ecu= 2 por 1.000.
42.1.4 Dimensionamiento o comprobación de secciones
A partir de las hipótesis básicas definidas en 42.1.2 es posible plantear las ecuaciones de equilibrio de la sección, que constituyen un sistema de ecuaciones no lineales.
En el caso de dimensionamiento, se conocen la forma y dimensiones de la sección de hormigón, la posición de la armadura, las características de los materiales y los esfuerzos de cálculo y son incógnitas el plano de deformación de agotamiento y la cuantía de armadura.
En el caso de comprobación, se conocen la forma y dimensiones de la sección de hormigón, la posición y cuantía de la armadura y las características de los materiales y son incógnitas el plano de deformación de agotamiento y los esfuerzos resistentes de la sección.
42.2 Casos particulares
42.2.1 Excentricidad mínima
En soportes y elementos de función análoga toda sección sometida a una solicitación normal exterior de compresión Nd debe ser capaz de resistir dicha compresión con una excentricidad mínima, debida a la incertidumbre en la posición del punto de aplicación del esfuerzo normal, igual al mayor de los valores:
h/20 y 2 cm
Dicha excentricidad debe ser contada a partir del centro de gravedad de la sección bruta y en la dirección más desfavorable de las direcciones principales y sólo en una de ellas.
42.2.2 Efecto de confinamiento del hormigón
El hormigón confinado en compresión mejora sus condiciones de resistencia y ductilidad, aspecto este último muy importante para garantizar un comportamiento estructural que permita aprovechar, de forma óptima, toda la capacidad resistente adicional de un elemento hiperestático.
El confinamiento de la zona comprimida de hormigón puede conseguirse con una adecuada cuantía de armadura transversal, convenientemente dispuesta y anclada.
42.2.3 Armaduras activas no adherentes
El incremento de tensión en las armaduras activas no adherentes depende del incremento de longitud del tendón entre los anclajes que, a su vez, depende de la deformación global de la estructura en Estado Límite Último.
42.3 Disposiciones relativas a las armaduras
42.3.1 Generalidades
Si existen armaduras pasivas en compresión, para poder tenerlas en cuenta en el cálculo será preciso que vayan sujetas por cercos o estribos, cuya separación st sea igual o inferior a quince veces el diámetro
min de la barra comprimida más delgada y cuyo diámetro
t, sea igual o superior a la cuarta parte de eg , eg ,siendo
max el diámetro de la armadura comprimida más gruesa. Si la separación st entre cercos es inferior a 15
min su diámetro
t, podrá disminuirse de tal forma que la relación entre la sección del cerco y la separación st, siga siendo la misma que cuando se adopta:
t = 1/4
max y st = 15
min
Para piezas comprimidas, en cualquier caso,
st debe ser inferior que la dimensión menor del elemento y no mayor que 30 cm.La armadura pasiva longitudinal resistente, o la de piel, habrá de quedar distribuida convenientemente para evitar que queden zonas de hormigón sin armaduras, de forma que la distancia entre dos barras longitudinales consecutivas (s) cumpla las siguientes limitaciones:
s £ 30 cm.
s £ tres veces el espesor bruto de la parte de la sección del elemento, alma o alas, en las que vayan situadas.
En zonas de solapo o de doblado de las barras puede ser necesario aumentar la armadura transversal.
42.3.2 Flexión simple o compuesta
En todos aquellos casos en los que el agotamiento de una sección se produzca por flexión simple o compuesta, la armadura resistente longitudinal traccionada deberá cumplir la siguiente limitación:

donde:
42.3.3 Compresión simple o compuesta
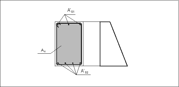
En las secciones sometidas a compresión simple o compuesta, las armaduras, principales en compresión A's1, y A's2 (ver figura 42.3.3) deberán cumplir las limitaciones siguientes:
A's1 fyc,d ³ 0,05 Nd A's1 fyc,d £ 0,5 fcd Ac
A's2 fyc,d ³ 0,05 Nd A's2 fyc,d £ 0,5 fcd Ac
donde:
400N/mm2 .

Figura 42.3.3
42.3.4 Tracción simple o compuesta
En el caso de secciones de hormigón sometidas a tracción simple o compuesta, provistas de dos armaduras principales, deberán cumplirse las siguientes limitaciones:

42.3.5 Cuantías geométricas mínimas
En la tabla 42.3.5 se indican los valores de las cuantías geométricas mínimas que, en cualquier caso, deben disponerse en los diferentes tipos de elementos estructurales, en función del acero utilizado, siempre que dichos valores resulten más exigentes que los señalados en 42.3.2, 42.3.3 y 42.3.4.
Tabla 42.3.5
Cuantías geométricas mínimas, en tanto por 1000, referidas a la sección total de hormigón
|
Tipo de elemento estructural |
Tipo de acero |
||
|
B 400 S |
B 500 S |
||
|
Pilares |
4,0 |
4,0 |
|
|
Losas (*) |
2,0 |
1,8 |
|
|
Vigas (**) |
3,3 |
2,8 |
|
|
Muros (***) |
Armadura horizontal |
4,0 |
3,2 |
|
Armadura vertical |
1,2 |
0,9 |
|
(*) Cuantía mínima de cada una de las armaduras, longitudinal y transversal repartida en las dos caras. Las losas apoyadas sobre el terreno requieren un estudio especial.
(**) Cuantía mínima correspondiente a la cara de tracción. Se recomienda disponer en la cara opuesta una armadura mínima igual al 30% de la consignada
(***) La cuantía mínima vertical es la correspondiente a la cara de tracción. Se recomienda disponer en la cara opuesta una armadura mínima igual a 30% de la consignada.
La armadura mínima horizontal deberá repartirse en ambas caras. Para muros vistos por ambas caras debe disponerse el 50% en cada cara. Para muros vistos por una sola cara podrán disponerse hasta 2/3 de la armadura total en la cara vista. En el caso en que se dispongan juntas verticales de contracción a distancias no superiores a 7,5 m, con la armadura horizontal interrumpida, las cuantías geométricas horizontales mínimas pueden reducirse a la mitad.
Artículo 43º Estado Límite de Inestabilidad
43.1 Generalidades
43.1.1 Campo de aplicación
Este Artículo concierne a la comprobación de soportes aislados, estructuras aporticadas y estructuras reticulares en general, en los que los efectos de segundo orden no pueden ser despreciados.
La aplicación de este artículo está limitada a los casos en que pueden despreciarse los efectos de torsión.
Esta Instrucción no cubre los casos en que la esbeltez mecánica ni de los soportes (ver definición en 43.1.2.) es superior a 200.
43.1.2 Definiciones
A los efectos de aplicación de este Artículo 43º se denominan:
- Estructuras intraslacionales aquellas cuyos nudos, bajo solicitaciones de cálculo, presentan desplazamientos transversales cuyos efectos pueden ser despreciados desde el punto de vista de la estabilidad del conjunto.
- Estructuras traslacionales aquellas cuyos nudos, bajo solicitaciones de cálculo, presentan desplazamientos transversales cuyos efectos no pueden ser despreciados desde el punto de vista de la estabilidad del conjunto.
- Soportes aislados, los soportes isostáticos, o los de pórticos en los que puede suponerse que la posición de los puntos donde se anula el momento de segundo orden no varia con el valor de la carga
- Esbeltez mecánica de un soporte de sección constante, el cociente entre la longitud de pandeo
- Esbeltez geométrica de un soporte de sección constante, el cociente entre la longitud de pandeo
lo del soporte y la dimensión (b ó h) de la sección que es paralela al plano de pandeo.43.2 Método general
La comprobación general de una estructura, teniendo en cuenta las no linealidades geométrica y mecánica, puede realizarse de acuerdo con los principios generales indicados en 21.3.4 y 21.3.5. Con esta comprobación se justifica que la estructura, para las distintas combinaciones de acciones posibles, no presenta condiciones de inestabilidad global ni local, a nivel de sus elementos constitutivos, ni resulta sobrepasada la capacidad resistente de las distintas secciones de dichos elementos.
Deben considerarse en el cálculo las incertidumbres asociadas a la predicción de los efectos de segundo orden y, en particular, los errores de dimensión e incertidumbres en la posición y línea de acción de las cargas axiales.
43.3 Comprobación de estructuras Intraslacionales
En las estructuras intraslacionales, el cálculo global de esfuerzos podrá hacerse según la teoría de primer orden. A partir de los esfuerzos así obtenidos, se efectuará una comprobación de los efectos de segundo orden de cada soparte considerado aisladamente, de acuerdo con 43.5.
43.4 Comprobación de estructuras traslacionales
Las estructuras traslacionales serán objeto de una comprobación de estabilidad de acuerdo con las bases generales de 43.2.
43.5 Comprobación de soportes aislados
Para soportes con esbeltez mecánica comprendida entre 100 y 200 se aplicará el método general establecido en 43.5.1.
Para soportes con esbeltez mecánica comprendida entre 35 y 100 puede aplicarse el método aproximado de 43.5.2 ó 43.5.3.
Para soportes con esbeltez mecánica inferior a 35 pueden despreciarse los efectos de segundo orden y, en consecuencia, no efectuar comprobación alguna en relación con el Estado Límite de inestabilidad.
43.5.1 Método general
En general la comprobación de soportes aislados se llevará a cabo de acuerdo con las bases de 43.2.
43.5.2 Método aproximado. Flexión compuesta recta
Para soportes de sección y armadura constante deberá dimensionarse la sección para una excentricidad total igual a la que se indica:
etot=ee+ea
e2

donde:
0,4e2 para soportes intraslacionales;e2 - Excentricidad de cálculo máxima de primer orden, tomada con signo positivo.
e1 - Excentricidad de cálculo mínima de primer orden, tomada con el signo que le corresponda.
l0 - Longitud de pandeo.
ic - Radio de giro de la sección de hormigón en la dirección considerada.
h - Canto total de la sección de hormigón:
ey - Deformación del acero para la tensión de cálculo fyd es decir,
e
y = fyd / Ese
- Parámetro auxiliar para tener en cuenta los efectos de la fluencia:
siendo
is, el radio de giro de las armaduras. Los valores de b y de is, se recogen en la Tabla 43.5.2 para las disposiciones de armaduras más frecuentes.Tabla 43.5.2
|
Disposición de armadura |
is2 |
b |
|
|
1/4 (d-d')2 |
1,0 |
|
|
1/12 (d-d')2 |
3,0 |
|
|
1/6 (d-d')2 |
1,5 |
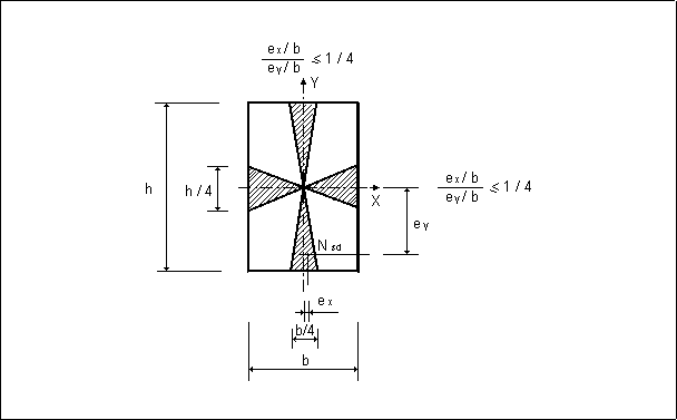
43.5.3 Método aproximado. Flexión compuesta esviada
Para elementos de sección rectangular y armadura constante se podrá realizar una comprobación separada, según los dos planos principales de simetría, si la excentricidad del axil se sitúa en la zona rayada de la figura 43.5.3.a. Esta situación se produce si se cumple alguna de las dos condiciones indicadas en la figura 43.5.3.a, donde
ex y ey son las excentricidades de cálculo en la dirección de los ejes x e y, respectivamente.

Figura 43.5.3.a
Cuando no se cumplen las condiciones anteriores, podrá comprobarse
el soporte esbelto si se cumple la siguiente condición:
donde:
Artículo 44º Estado Límite de Agotamiento frente a cortante
44.1 Consideraciones generales
Para el análisis de la capacidad resistente de las estructuras de hormigón frente a esfuerzos cortantes, se establece como método general de cálculo el de Bielas y Tirantes (Artículos 24º y 40º), que deberá utilizarse en todos aquellos elementos estructurales o partes de los mismos que, presentando estados planos de tensión o asimilables a tales, estén sometidos a solicitaciones tangentes según un plano conocido y no correspondan a los casos particulares tratados de forma explícita en esta Instrucción, tales como elementos lineales, placas y losas (44.2).
44.2 Resistencia a esfuerzo cortante de elementos lineales, placas y losas. Las prescripciones incluidas en los diferentes subapartados son de aplicación exclusivamente a elementos lineales sometidos a esfuerzos combinados de flexión, cortante y axil (compresión o tracción) y a placas o losas trabajando fundamentalmente en una dirección.
A los efectos de este Artículo se consideran elementos lineales aquellos cuya distancia entre puntos de momento nulo es igual o superior a dos veces su canto total y cuya anchura es igual o inferior a cinco veces dicho canto, pudiendo ser su directriz recta o curva. Se denominan placas o losas a los elementos superficiales planos, de sección llena o aligerada, cargados normalmente a su plano medio.
44.2.1 Definición de la sección de cálculo
Para los cálculos correspondientes al Estado Límite de Agotamiento por esfuerzo cortante, las secciones se considerarán con sus dimensiones reales en la fase analizada. Excepto en los casos en que se indique lo contrario, la sección resistente del hormigón se obtiene a partir de las dimensiones reales de la pieza, cumpliendo los criterios indicados en 40.3.5.
44.2.2 Esfuerzo cortante efectivo
Las comprobaciones relativas al Estado Límite de Agotamiento por esfuerzo cortante pueden llevarse a cabo a partir del esfuerzo cortante efectivo Vrd dado por la siguiente expresión:
Vrd = Vd + Vpd + Vcd
donde:
44.2.3 Comprobaciones que hay que realizar
El Estado Límite de Agotamiento por esfuerzo cortante se puede alcanzar, ya sea por agotarse la resistencia a compresión del alma, o por agotarse su resistencia a tracción. En consecuencia, es necesario comprobar que se cumple simultáneamente:
Vrd £ Vu1 ; Vrd £ Vu2
donde:
La comprobación del agotamiento por compresión oblicua en el alma Vrd £ Vu1, se realizaría en el borde del apoyo y no en su eje.
En piezas sin armadura de cortante no resulta necesaria la comprobación de agotamiento por compresión oblicua en el alma.
La comprobación correspondiente al agotamiento por tracción en el alma Vrd £ Vu2 se efectúa para una sección situada a una distancia de un canto útil del borde del apoyo directo.
44.2.3.1 Obtención de Vu1.
El esfuerzo cortante de agotamiento por compresión oblicua del alma se deduce de la siguiente expresión:

donde:
f1cd = 0,60 fcd
b0 - Anchura neta mínima del elemento, definida de acuerdo con 40.3.5.
K - Coeficiente de reducción por efecto del esfuerzo axil

donde:

Nd - Esfuerzo axil de cálculo (tracción positiva) incluyendo el pretensado con su valor de cálculo
Ac - Área total de la sección de hormigón
a - Ángulo de las armaduras con el eje de la pieza (figura 44.2.3.1.a).
q - Ángulo entre las bielas de compresión de hormigón y el eje de la pieza (figura 44.2.3.1.a). Se adoptará un valor que cumpla:
0,5 £ cotgq £ 2,0

Figura 44.2.3.1.a
44.2.3.2 Obtención de Vu2
44.2.3.2.1 Piezas sin armadura de cortante
El esfuerzo cortante de agotamiento por tracción en el alma vale

con
fck expresado en N/mm2, donde:
r
1 Cuantía geométrica de la armadura longitudinal traccionada, pasiva y activa adherente, anclada a una distancia igual o mayor que d a partir de la sección de estudio
44.2.3.2.2 Piezas con armadura de cortante
El esfuerzo cortante de agotamiento por tracción en el alma vale:
VU2 = Vcu + Vsu
donde:
Vsu = z sena(cotga + cotg q ) S Aa fya,d
donde:
Aa - Área por unidad de longitud de cada grupo de armaduras que forman un ángulo a con la directriz de la pieza (figura 44.2.3.1)
fya d - Resistencia de cálculo de la armadura Aa (40.2)
- Para armaduras pasivas fya d =ssd
- Para armaduras activas fya d =spd
z - Brazo mecánico. A falta de cálculos más precisos puede adoptarse el valor aproximado z=0,9d.
Vcu - Contribución del hormigón a la resistencia a esfuerzo cortante.

con
fck expresado en N/mm2, donde:

q
e - Ángulo de referencia de inclinación de las fisuras, deducido de la expresión:
fct,m - Resistencia media a tracción del hormigón (39.1) considerada como positiva
sxd ,syd - Tensiones normales de cálculo, a nivel del centro de gravedad de la sección, paralelas a la directriz de la pieza y al esfuerzo cortante Vd respectivamente. Las tensiones sxd y syd se obtendrán a partir de las acciones de cálculo, incluido el pretensado, de acuerdo con la Teoría de la Elasticidad y en el supuesto de hormigón no fisurado y considerando positivas las tensiones de tracción.
44.2.3.3 Casos especiales de carga
Cuando se somete una viga a una carga colgada, aplicada a un nivel tal que quede fuera de la cabeza de compresión de la viga, se dispondrán las oportunas armaduras transversales, armaduras de suspensión, convenientemente ancladas, para transferir el esfuerzo correspondiente a aquella cabeza de compresión.
Por otra parte, en las zonas extremas de las piezas pretensadas, y en especial en los casos de armaduras activas pretesas ancladas por adherencia, será necesario estudiar el efecto de la introducción progresiva de la fuerza de pretensado en la pieza, valorando esta fuerza en cada sección.
44.2.3.4 Disposiciones relativas a las armaduras
44.2.3.4.1 Armaduras transversales
La separación st, entre armaduras transversales (figura 44.2.3.1.a) deberá cumplir las condiciones siguientes para asegurar un adecuado confinamiento del hormigón sometido a compresión oblicua.
|
st |
si Vrd £ 1/5Vu1 |
|
st |
si 1/5 Vu1< Vrd |
|
st |
si Vrd > 2/3 Vu1 |
Si existe armadura de compresión y se tiene en cuenta en el cálculo, los cercos, o estribos cumplirán, además, las prescripciones del Artículo 42º.
Para un control eficaz, en piezas lineales, de la fisuración inclinada de alma debida a solicitaciones tangenciales, deberán respetarse las separaciones entre armaduras transversales indicadas en 49.3.
En general, los elementos lineales dispondrán de armadura transversal de forma efectiva.
En todos los casos, se prolongará la colocación de cercos o estribos en una longitud igual a medio canto de la pieza, más allá de la sección en la que teóricamente dejen de ser necesarios. En el caso de apoyos, los cercos o estribos se dispondrán hasta el borde de los mismos.
Las armaduras de cortante deben formar con el eje de la viga un ángulo comprendido entre 45° y 90°, inclinadas en el mismo sentido que la tensión principal de tracción producida por las cargas exteriores, al nivel del centro de gravedad de la sección de la viga supuesta no fisurada.
Las barras que constituyen la armadura transversal pueden ser activas o pasivas, pudiendo disponerse ambos tipos de forma aislada o en combinación.
La cuantía mínima de tales armaduras debe ser tal que se cumpla la relación:

Al menos un tercio de la armadura necesaria por cortante, y en todo caso la cuantía mínima indicada, se dispondrá en forma de estribos que formen un ángulo de 90º con el eje de la viga
44.2.3.4.2 Armaduras longitudinales
Las armaduras longitudinales de flexión deberán ser capaces de soportar un incremento de tracción respecto a la producida por
Md , igual a:
Esta prescripción se cumple de forma automática decalando la ley de momentos de cálculo
Md una magnitud igual a:
en el sentido más desfavorable (figura 44.2.3.4.2).
En el caso da no existir armadura de cortante, se tomará
Vsu=0 en las expresiones anteriores.

Figura 44.2.3.4.2
44.2.3.5 Rasante entre alas y alma de una viga
Para el cálculo de la armadura de unión entre alas y alma de las cabezas de vigas en
T, en I, en cajón o similares, se empleará en general el método de Bielas y Tirantes (Artículo 40º).Para la determinación del esfuerzo rasante puede suponerse una redistribución elástica en una zona de la viga de longitud a, (figura 44.2.3.5.a).

Figura 44.2.3.5.a
El esfuerzo rasante medio por unidad de longitud que debe ser resistido será:

donde:
En ausencia de cálculos más rigurosos deberá cumplirse:
Sd £ Su1
Sd £ Su2
donde:
Su1 = 0,5 f1cd h0
donde:
Su2 =Ssu
donde:
Ssu=Ap fyp,d
Ap - Armadura por unidad de longitud perpendicular al plano P (figuras 44.2.3.5.b y c).
fyp,d - Resistencia de cálculo de la armadura Ap:
fyP,d = ssd para armaduras pasivas.
fyP,d = spd para armaduras activas.
En el caso de rasante entre alas y alma combinado con flexión transversal, se calcularán las armaduras necesarias por ambos conceptos y se dispondrá la mayor de las dos.
Artículo 45º Estado Límite de Agotamiento por torsión en elementos lineales
45.1 Consideraciones generales
Las prescripciones incluidas en este artículo son de aplicación exclusivamente a elementos lineales sometidos a torsión pura o a esfuerzos combinados de torsión y flexión, cortante y axil.
A los efectos de este artículo se consideran elementos lineales aquellos cuya distancia entre puntos de momento nulo es igual o superior a dos veces y media su canto total y cuya anchura es igual o inferior a cuatro veces dicho canto, pudiendo ser su directriz recta o curva.
Los estados de flexión bidimensional (mx, my y mxy) en losas o placas se dimensionarán de acuerdo con el Artículo 42º, teniendo en cuenta las direcciones principales de los esfuerzos y las direcciones en que se disponga la armadura.
Cuando el equilibrio estático de una estructura dependa de la resistencia a torsión de uno o varios de los elementos de la misma, éstos deberán ser dimensionados y comprobados de acuerdo con el presente artículo. Cuando el equilibrio estático de la estructura no depende de la resistencia a torsión de uno o varios de los elementos de la misma solo será necesario comprobar este Estado Límite en aquellos elementos cuya rigidez a torsión haya sido considerada en el cálculo de esfuerzos.
Para evitar una excesiva fisuración en piezas lineales, deberán disponerse las armaduras mínimas indicadas en el Artículo 49º.
45.2 Torsión pura
45.2.1 Definición de la sección de cálculo
La resistencia a torsión de las secciones se calcula utilizando una sección cerrada de pared delgada. Así, las secciones macizas se sustituyen por secciones equivalentes de pared delgada las secciones de forma compleja, como secciones en T, se dividen en varias subsecciones, cada una de las cuales se modeliza como una sección equivalente de pared delgada y la resistencia total a torsión se calcula como la suma de las capacidades de las diferentes piezas. La división de la sección debe ser tal que maximice la rigidez calculada. En zonas cercanas a los apoyos no podrán considerarse como colaborantes a la rigidez a torsión de la sección aquellos elementos de la misma cuya transmisión de esfuerzas a los elementos de apoyo no pueda realizarse de forma directa.

Figura 45.2.1
El espesor eficaz
he, de la pared de la sección de cálculo (figura 45.2.1) será:
donde:
Puede utilizarse un valor de he, inferior a A/u, siempre que cumpla con las condiciones mínimas expresadas y que permita satisfacer las exigencias de compresión del hormigón establecidas en 45.2.2.1.
45.2.2 Comprobaciones que hay que realizar
El Estado Límite de Agotamiento por torsión puede alcanzarse, ya sea por agotarse la resistencia a compresión del hormigón o por agotarse la resistencia a tracción de las armaduras dispuestas. En consecuencia, es necesario comprobar que se cumple simultáneamente:
Td £ Tu1
Td £ Tu2
Td £ Tu3
donde:
Las armaduras de torsión se suponen constituidas por una armadura transversal formada por cercos cerrados situados en planos normales a la directriz de la pieza. La armadura longitudinal estará constituida por armadura pasiva o activa paralela a la directriz de la pieza, distribuida uniformemente con separaciones no superiores a 30 cm en el contorno exterior de la sección hueca eficaz o en una doble capa en el contorno exterior y en el interior de la sección hueca eficaz o real. Al menos se situará una barra longitudinal en cada esquina de la sección real para asegurar la transmisión a la armadura transversal de las fuerzas longitudinales ejercidas por las bielas de compresión.
45.2.2.1 Obtención de Tu1.
El esfuerzo torsor de agotamiento que pueden resistir las bielas comprimidas se deduce de la siguiente expresión:

donde:
f1cd = 0,60 fcd
a
- 1,20 si hay estribos únicamente a lo largo del perímetro exterior de la pieza;0,4 £ cotgq £ 2,5
Ae - Área encerrada por la línea media de la sección hueca eficaz de cálculo (figura 45.2.1).
45.2.2.2 Obtención de Tu2
El esfuerzo torsor que pueden resistir las armaduras transversales viene dado por:

donde:
-
fyt,d =ssd
- Para armaduras activas
fyt,d =spd
45.2.2.3 Obtención de
Tu3El esfuerzo torsor que pueden resistir las armaduras longitudinales se puede calcular mediante:

donde:
-
fyl,d =ssd
- Para armaduras activas
fyl,d =spd
ue - Perímetro de la línea media de la sección hueca eficaz de cálculo Ae. (figura 45.2.1).
45.2.2.4 Alabeo producido por la torsión
En general pueden ignorarse en el cálculo de las piezas lineales de hormigón las tensiones producidas por la coacción del alabeo torsional.
45.2.3 Disposiciones relativas a las armaduras
La separación longitudinal entre cercos de torsión st no excederá de

y deberá cumplir las condiciones siguientes para asegurar un adecuado confinamiento del hormigón sometido a compresión oblicua:
|
st £ 0,80 a |
si Td £ 1/5 Tu1 |
|
st £ 0,60 a |
si 1/5Tu1 < Td £ 2/3 Tu1 |
|
st £ 0,30 a |
si Td >2/3 Tu1 |
siendo a la menor dimensión de los lados que conforman el perímetro
ue
45.3 Interacción entre torsión y otros esfuerzos
45.3.1 Método general
Se utilizará el mismo procedimiento que en torsión pura (45.2.1) para definir una sección hueca eficaz de cálculo. Las tensiones normales y tangenciales producidas por los esfuerzos actuantes sobre esta sección se calculan a través de los métodos elásticos o plásticos convencionales.
Una vez halladas las tensiones, las armaduras necesarias en cualquier pared de la sección hueca eficaz de cálculo pueden determinarse mediante las fórmulas de distribución de tensión plana. También puede determinarse la tensión principal de compresión en el hormigón. Si las armaduras deducidas de este modo no fueran factibles o convenientes, pueden cambiarse en alguna zona las tensiones deducidas por un sistema de fuerzas estáticamente equivalentes y emplear éstas en el armado. Deberán, en este caso, comprobarse las consecuencias que dicho cambio provoca en las zonas singulares como huecos o extremos de las vigas.
Las tensiones principales de compresión
scd deducidas en el hormigón, en las distintas paredes de la sección hueca eficaz de cálculo, deben cumplir:s
cd £ a f1cddonde
a y f1cd son los definidos en 45.2.2.1 y 40.3, respectivamente.45.3.2 Métodos simplificados
45.3.2.1 Torsión combinada con flexión y axil
Las armaduras longitudinales necesarias para torsión y flexocompresión o flexotracción se calcularán por separado suponiendo la actuación de ambos tipos de esfuerzo de forma independiente. Las armaduras así calculadas se combinarán de acuerdo con las siguientes reglas:
a) En la zona traccionada debida a la flexión compuesta, las armaduras Iongitudinales por torsión se sumarán a las necesarias por flexión y esfuerzo axil.
b) En la zona comprimida debido a la flexión compuesta, si la capacidad mecánica de las armaduras de torsión a disponer es inferior al esfuerzo de compresión del hormigón debido a la flexión compuesta, no será necesario añadir armadura por torsión. En caso contrario se añadirá la diferencia entre ambos valores.
Por lo que respecta a las compresiones en el hormigón, deberá comprobarse que la tensión principal de compresión
scd en el punto crítico de la sección cumple:s
cd £ a f1cddonde
a y f1cd son los definidos en 45.2.2.1. 40.3, respectivamente.Para la determinación de
scd se empleará la tensión de compresión smd debida a la flexión compuesta en el punto considerado y la tensión tangencial de torsión en dicho punto calculada de acuerdo con:
La tensión principal de compresión será:

45.3.2.2 Torsión combinada con cortante
Los esfuerzos torsores y cortantes de cálculo concomitantes deberán satisfacer la siguiente condición para asegurar que no se producen compresiones excesivas en el hormigón:

donde:

b - Anchura del elemento, igual a la anchura total para sección maciza y a la suma de las anchuras de las almas para sección cajón.
Los cálculos para el dimensionamiento de los estribos se realizarán de forma independiente para la torsión de acuerdo con 45.2.2.2 y para el cortante con 44.2.3.2.2. En ambos cálculos, se utilizará el mismo ángulo q para las bielas de compresión. Las armaduras así calculadas se sumarán teniendo en cuenta que las de torsión deben disponerse en el perímetro exterior de la sección, lo cual no es preceptivo con las de cortante.
Artículo 46º Estado Límite de Punzonamiento
46.1 Consideraciones generales
La resistencia frente a los efectos transversales producidos por cargas concentradas (cargas o reacciones) actuando en losas sin armadura transversal se comprueba utilizando una tensión tangencial nominal en una superficie crítica concéntrica a la zona cargada.
El área critica se define a una distancia igual a 2d desde el perímetro del área cargada o del soporte, siendo d el canto útil de la losa.
46.2 Losas sin armadura de punzonamiento
No será necesaria armadura de punzonamiento si se verifica la siguiente condición:
t
sd £ trddonde:

Fsd,ef - Esfuerzo efectivo de punzonamiento de cálculo teniendo en cuenta el efecto del momento transferido entre losa y soporte.
Fsd,ef = b Fsd
b
- Coeficiente que tiene en cuenta los efectos de excentricidad de la carga. Cuando no existen momentos transferidos entre losa y soporte toma el valor 1,00. Simplificadamente, cuando existen momentos transferidos entre losa y soporte, b puede tomarse igual a 1,15 en soportes interiores, 1,40 en soportes de borde y 1,50 en soportes de esquina.
r
1 - Cuantía geométrica de armadura longitudinal dé la losa, calculada mediante:
siendo:
x
1+(200/d)1/2 con d en mm.46.3 Losas con armadura de punzonamiento
Cuando resulta necesaria armadura de punzonamiento deben realizarse dos comprobaciones: en la zona con armadura transversal, según 46.3.1, y en la zona adyacente siguiente sin armadura transversal, según 46.3.2.
46.3.1 Zona con armadura de punzonamiento
En la zona con armadura de punzonamiento se dimensionará la armadura teniendo en cuenta lo indicado en 44.3.2.2, considerando como valor de Aa, y b0 los valores siguientes:
bo = u1

donde:
46.3.2 Zona exterior a la armadura de punzonamiento
En la zona exterior a la armadura de punzonamiento es necesario comprobar que no se requiere dicha armadura.

donde:
A la distancia en la que se comprueba esta condición se supone que el efecto del momento transferido entre soporte y losa por tensiones tangenciales ha desaparecido, por tanto, Fsd,ef sólo tendrá en cuenta el efecto debido a la carga vertical Fsd.

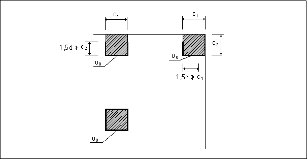
Figura 46.3.2 Disposición en planta de la armadura de punzonamiento
46.4 Resistencia máxima
En cualquier caso debe comprobarse que el esfuerzo máximo de punzonamiento cumple la limitación:

donde:
f1cd. = 0,30 fcd.
u0 - Perímetro de comprobación (figura 46.4). En soportes interiores, u0 es el perímetro de la sección transversal del soporte. Para soportes de borde:
u0 = c1+3d £ c1 + 2c2
donde
c1 y c2 son las dimensiones del soporte. Para soportes de esquina:u0 =3d £ c1 + c2

Figura 46.4 Perímetro crítico u0
46.5 Disposiciones relativas a las armaduras
La armadura de punzonamiento debe definirse de acuerdo con los siguientes criterios:
- La armadura de punzonamiento estará constituida por cercos, horquillas verticales o barras dobladas.
- Las disposiciones constructivas deberán cumplir las especificaciones de la figura 46.5.
- La armadura de punzonamiento debe anclarse a partir del centro de gravedad del bloque comprimido y por debajo de la armadura longitudinal de tracción. El anclaje de la armadura de punzonamiento debe estudiarse cuidadosamente, sobre todo en losas de poco espesor.

Figura 46.5 Tipología de armado de punzonamiento
Artículo 47º Estado Límite de Agotamiento por esfuerzo rasante en Juntas entre hormigones
47.1 Generalidades
El Estado Límite que se trata en este Artículo es el debido al esfuerzo rasante producido por la solicitación tangencial a la que se ve sometida una junta entre hormigones
47.2 Resistencia a esfuerzo rasante en Juntas entre hormigones
La tensión rasante que solicita la Junta en la sección debe cumplir:

donde:
400N/mm2) Los valores de b y m se definen en la Tabla 47.2.
Tabla 47.2
Valores de los coeficientes b y m en función del tipo de superficie
|
|
Tipo de superficie |
|
|
|
Rugosidad baja |
Rugosidad alta |
|
b |
0,2 |
0,4 |
|
m |
0,6 |
0,9 |
Para superficies rugosas, eficazmente engarzadas en cola de milano, se admite
b = 0,5.La contribución de la armadura de cosido a la resistencia a rasante de la Junta, en la sección de estudio, sólo será contabilizada si la cuantía geométrica de armadura transversal cumple:

Bajo solicitaciones de fatiga o de tipo dinámico los valores correspondientes a la contribución por cohesión entre hormigones (
b fct,d ) se reducirán en un 50%.Cuando existan tracciones normales a la superficie de contacto (por ejemplo, cargas colgadas en la cara inferior de una viga compuesta) la contribución por cohesión entre hormigones se considerará nula (
b fct,d=0)La capacidad resistente a esfuerzo rasante está obtenida bajo la hipótesis de un espesor medio mínimo del hormigón a cada lado de la junta de 50 mm, medido normalmente al plano de la junta, pudiéndose llegar localmente a un espesor mínimo de 30 mm.
47.3 Disposiciones relativas a las armaduras
Se define junta frágil como aquella cuya cuantía geométrica de armadura de cosido es inferior al valor dado en Artículo 47.2 para poder contabilizar la contribución de la armadura de cosido, y junta dúctil como aquella en la que la cuantía de armadura de cosido es superior a este valor.
En las juntas frágiles la distribución de la armadura de cosido debe hacerse proporcional a la ley de esfuerzos cortantes. En las juntas dúctiles se puede asumir la hipótesis de redistribución de tensiones a lo largo de la junta, aunque se aconseja también distribuir la armadura de cosido proporcionalmente a la ley de esfuerzos cortantes.
En el caso de piezas solicitadas a cargas dinámicas significativas, se dispondrá siempre armadura transversal de cosido en los voladizos y en los cuartos extremos de la luz.
Artículo 48º Estado Límite de Fatiga
48.1 Principios
En los elementos estructurales sometidos a acciones variables repetidas significativas puede ser necesario comprobar que el efecto de dichas acciones no compromete su seguridad durante el periodo de servicio previsto.
La seguridad de un elemento o detalle estructural frente a la fatiga queda asegurada si se cumple la condición general establecida en 8.1.2. La comprobación debe ser efectuada por separado para el hormigón y el acero.
En estructuras normales generalmente no suele ser necesaria la comprobación de este Estado Límite.
48.2 Comprobaciones a realizar
48.2.1 Hormigón
A los efectos de fatiga se limitarán los valores máximos de tensión de compresión, producidos, tanto por tensiones normales como por tensiones tangenciales (bielas comprimidas), debidas a las cargas permanentes y sobrecargas que producen fatiga.
Para elementos sometidos a cortante sin armadura transversal, se limitará asimismo la capacidad resistente debida al efecto de la fatiga.
Los valores máximos de tensiones de compresión y de capacidad resistente a cortante se definirán de acuerdo con la experimentación existente o, en su caso, con los criterios contrastados planteados en la bibliografía técnica.
48.2.2 Armaduras activas y pasivas
En ausencia de criterios más rigurosos, basados, por ejemplo, en la teoría de mecánica de fractura, la máxima variación de tensión,
Dssf debida a las sobrecargas que producen fatiga (13.2), deberá ser inferior que el Límite de fatiga, Dsd, definido en 38.10.Ds
sf £ Dsd