|
ANEJO 9 |
1 Alcance
En este anejo se definen las expresiones que permiten evaluar los distintos parámetros que rigen el comportamiento seccional, de secciones rectangulares y en T, en régimen lineal fisurado: profundidad de la fibra neutra X, estado de tensiones de las fibras de armadura ss1 y ss2 y del hormigón sc, deformaciones de las armaduras es1 y es2 y valores de rigidez.
Las expresiones de este anejo permiten determinar las tensiones en la armadura traccionada (ss, ssr) para la comprobación del Estado Límite de Fisuración (Articulo 49º) o evaluar la inercia fisurada (If) para la comprobación del Estado Límite de Deformaciones (Articulo 50º).
2 Hipótesis básicas
Las hipótesis adoptadas, para la determinación de las expresiones que se presentan, son las siguientes:
- El plano de deformaciones se mantiene plano después de la deformación
- Adherencia perfecta entre el hormigón y el acero.
- Comportamiento lineal para el hormigón comprimido.
s
c = Ec ec-
- Comportamiento lineal para los aceros, tanto en tracción como en compresión.
ss1 = Es es1
ss2 = Es es2
3 Sección rectangular
Para sección rectangular, los valores de los parámetros que definen el comportamiento seccional (figura A.9.1) son:
- Profundidad relativa de la fibra neutra


- Inercia fisurada

donde:




Figura A.9.1
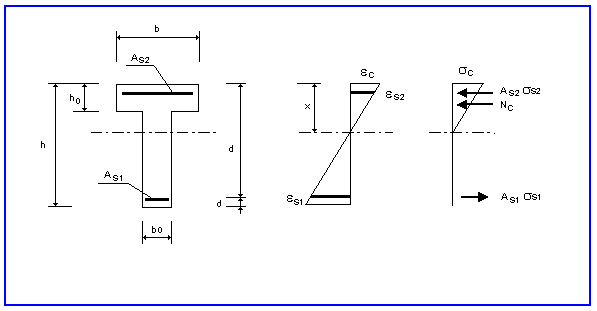
4 Sección en T
Para sección en
T, los valores de los parámetros que definen el comportamiento seccional (figura A.9.2) pueden obtenerse con las expresiones que se definen seguidamente.

Figura A.9.2






|
|
Los valores de
X/d e If, se determinarán con las expresiones del apartado 3 correspondientes a la sección rectangular, considerando como ancho de la sección el ancho de la cabeza comprimida.|
|
- Profundidad relativa de la fibra neutra

- Inercia fisurada


En el caso 1º, la posición de la fibra neutra de la sección fisurada está incluida en la cabeza de compresión y, consecuentemente, las expresiones para el cálculo de los parámetros que rigen el comportamiento seccional son las correspondientes a sección rectangular.
5 Curvatura y tensiones
La curvatura y las tensiones en el hormigón y en las distintas fibras de acero se obtienen con las expresiones siguientes:
- Curvatura

- Tensión de compresión en la fibra más comprimida del hormigón

- Tensión en las armaduras

