|
ANEJO 8 |
1 Alcance
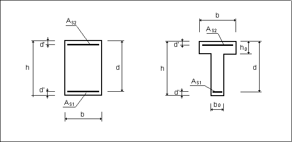
En este Anejo se presentan fórmulas simplificadas para el cálculo (dimensionamiento o comprobación) de secciones rectangulares o T sometidas a flexión simple o compuesta recta (ver figura A.8.1). Asimismo se propone un método simplificado de reducción a flexión compuesta recta de secciones sometidas a flexión esviada simple o compuesta.

Figura A.8.1
2 Hipótesis básicas y limitaciones
Las fórmulas que se presentan en los apartados siguientes se han deducido a partir de las hipótesis básicas expuestas en 42.1.2 adoptando un diagrama bilineal para el acero de la armadura pasiva y un diagrama rectangular para el hormigón comprimido, tal como se expone en 38.4 y en 39.5 respectivamente.
Asimismo se han tenido en cuenta los dominios de deformación de agotamiento, que identifican el Estado Límite Último de Agotamiento frente a solicitaciones normales, de acuerdo con los criterios expuestos en 42.1.3.
Tal como se define en 42.1.4, el cálculo de secciones (dimensionamiento y comprobación) consiste en la resolución de sistemas de ecuaciones no lineales. Para los casos simples contemplados en este Anejo, el procedimiento seguido para la obtención de las fórmulas propuestas consiste en identificar dominios de posiciones de fibra neutra, correspondientes a planos de deformación de agotamiento y, simplificando en algunos casos el comportamiento o el sistema de resolución, deducir las fórmulas expuestas.
La fórmulas expuestas son válidas para los distintos tipos de acero para armadura pasiva, permitidos en esta Instrucción (B 400 S y B 500 S) siempre que el recubrimiento de las armaduras de los paramentos superior e inferior sea el mismo y cumpla:

A continuación, se define el significado de algunas variables utilizadas en las fórmulas de los siguientes apartados.
U0 =0,85fcd b d


Las ecuaciones de equilibrio constituyen un sistema no lineal debido al comportamiento no lineal de los materiales (diagrama bilineal para el acero y rectangular para el hormigón comprimido, despreciando la capacidad resistente a tracción del hormigón) y la existencia de tres pivotes para la definición de los dominios de agotamiento.
En la figura A.8.2 se representa, en función de la posición de la fibra neutra X, para los distintos planos de agotamiento posibles, la evolución de la tensión de las capas de armadura As1 y As2 y la evolución del axil y del momento de la resultante del hormigón comprimido respecto a las fibras en las que se sitúan As1 y As2. La definición del momento de la resultante del bloque comprimido utiliza una fibra de referencia a profundidad y.
La figura y las fórmulas de este anejo han sido obtenidas considerando que la deformación del límite elástico del acero es ey=0,002, que constituye una simplificación razonable y un valor intermedio entre los correspondientes a los aceros disponibles y el coeficiente de minoración del acero definido en 15.3.

Figura A.8.2

Asimismo y con objeto de simplificar las expresiones obtenidas, se ha considerado como deformación del pivote 2, deformación máxima del hormigón comprimido, 0,0033 en lugar de 0,0035. Esta hipótesis tampoco afecta significativamente a los resultados obtenidos.
La expresión analítica de la tensión del acero en la capa
As2, en su evolución entre -fyd y fyd ,se ha linealizado. Esta simplificación conlleva la definición de unos delimitadores -0.5d' y 2,5d' que son aproximados y que, asimismo, conducen a resultados de precisión suficiente.De acuerdo con estas simplificaciones, las expresiones de las distintas variables de la figura A.8.2 son:
- Para
|
-1 |
- ¥ < X £ 0,625d |
|
|
0.625 < X £ h |
|
|
h < X |
- Para
ss2 (X)/fyd resulta|
-1 |
- ¥ < X £ -0,5d' |
|
|
-0,5 < X £ 2,5d' |
|
1 |
2,5d'<X |
En sección rectangular, para
Nc(X), resultante del bloque comprimido, resulta:|
0 |
- ¥ < X £ 0 |
|
0,68 fcd b X |
0<X £ 1,25h |
|
0,85 fcd b h |
1,25h < X |
y para
Mc(X,y), momento del bloque comprimido de hormigón respecto de una fibra genérica situada a una profundidad y, resulta:|
0 |
- ¥ <X £ 0 |
|
0,68 fcd b X(y-0,4X) |
0<X £ 1,25h |
|
0,85 fcd b h(y-0,5h) |
1,25h<X |
Las ecuaciones de equilibrio de fuerzas y momentos, de acuerdo con las expresiones precedentes, pueden escribirse como sigue (ver figura A.8.3):



Para el dimensionamiento,
N=Nd y son incógnitas X, Us1 y Us2. Para la comprobación, N=NU y son datos Us1 y Us2 e incógnitas X y Nu.De acuerdo con los argumentos expuestos, y con las simplificaciones que se indican a continuación:
- en las expresiones de Mc(X,d) se desprecia la variación de momento desde X=1,25 (d-d') hasta X= 1,25 h, (esta simplificación supone considerar horizontal el tramo PMS de la figura A.8.2);
- se considera nula la contribución de Mc(X,d') para valores de X £ 2,5d', (esta simplificación supone considerar horizontal el tramo 0-2,5d' de la figura A.8.2);
el sistema de ecuaciones de equilibrio se puede resolver de forma aproximada mediante fórmulas de cálculo directo para distintos rangos de X, dentro de los cuales el dimensionamiento o comprobación resulta un cálculo directo
3 Flexión simple en sección rectangular
3.1 Dimensionamiento
|
1º Md £ 0.375U0 d |


|
2º Md> 0.375 U0 d |


Las fórmulas propuestas suponen que la sección sólo dispondrá de armadura en el paramento comprimido si el momento de cálculo
Md es superior al momento límite 0,375U0 d, momento del bloque comprimido de hormigón respecto de la fibra donde se sitúa la armadura traccionada, para X=0,625 d, que supone una deformación en la fibra de acero ey=0,002.El caso 1º corresponde a situaciones de dimensionamiento donde 0<X £ 0,625d. En el caso 2º la posición de la fibra neutra, X=0,625 d, se mantiene constante.
3.2 Comprobación
|
1º Us1-Us2 < Uv |

|
2º Uv £ Us1-Us2 £ 0,5 U0 |

|
3º 0,5U0<Us1-Us2 |

donde:

En el caso 1º, la situación de la fibra neutra está comprendida entre
0<X<2,5d'. En el caso 2º, la situación de la fibra neutra está comprendida entre 2,5d' £ X £ 0,625d. En el caso 3º, la situación de la fibra neutra está comprendida entre 0,625d<X<d.
4 Flexión simple en sección en T
Para sección en T se adoptan las siguientes definiciones:
UTc = 0,85fcd b h0
UTa = 0,85fcd (b-b0)h0
4.1 Dimensionamiento
|
1º h0 ³ 0,5d |
El dimensionamiento se realizará según 3.1, considerando como ancho de la sección el ancho de la cabeza comprimida.
|
2º h0 < 0,5d |
|
2ºA Md £ UTc (d-0,5h0) |
Como en el caso 1º, el dimensionamiento se realiza según 3.1, considerando como ancho de la sección el ancho de la cabeza comprimida.
|
2ºB Md ³ UTc (d-0,5h0) |
En este caso el dimensionamiento se realizará según 3.1, empleando un momento de cálculo equivalente, tal como se define seguidamente:

considerando el ancho de alma como ancho de la sección y definiendo la capacidad mecánica de la armadura resultante como:

siendo
Us1 y Us2 las capacidades mecánicas resultantes del dimensionamiento y Ues1 y Ues2 los valores obtenidos según 3.1 para Med.En el caso 1º la profundidad del bloque comprimido siempre estará en la cabeza de la sección, sin involucrar al alma.
En el caso 2º pueden darse situaciones de dimensionamiento para las que el bloque comprimido también involucre al alma. En el caso 2ºA el bloque comprimido se situará sólo en la cabeza de la sección y, por lo tanto, pueden utilizarse las mismas expresiones que para el caso 1º. En el caso 2ºB el bloque comprimido involucra a parte del alma de la sección pero la contribución de las alas ya no varía con la posición de la fibra neutra por lo que es posible dimensionar la sección como si se tratase de una sección rectangular de ancho igual al del alma, utilizando un valor de momento y de capacidades mecánicas diferentes para tener en cuenta el efecto de las alas comprimidas.
4.2 Comprobación
Se definen las siguientes variables adimensionales:



donde:
ss2(1,25h0) Tensión de la armadura As2 para X = 1,25 h0
|
1º UTc+Us1 s1 + Us2 s2 ³ 0 |
La comprobación de la sección se realizará según 3.2, considerando como ancho de la sección el ancho de la cabeza comprimida.
|
2º UTc+Us1 s1 + Us2 s2 < 0 |
|
2ºA Us1-Us2 £ 0,425fcd b0 d+b UTa |
La comprobación de la sección se realizará según 3.2, considerando como ancho de la sección el ancho del alma y las capacidades mecánicas equivalentes de las armaduras que se definen a continuación:

El momento último resistido por la sección será:

siendo
Meu el momento obtenido según 3.2, considerando como ancho de la sección el ancho del alma y las capacidades mecánicas equivalentes Ues1 y Ues2.|
2ºB Us1-Us2 > 0,425fcd b0 d+b UTa |
La comprobación de la sección se realizará según 3.2, considerando como ancho de la sección el ancho del alma y las capacidades mecánicas equivalentes de las armaduras que se definen a continuación.

El momento último resistido por la sección será:

siendo
Meu el momento obtenido según 3.2 considerando como ancho de la sección el ancho del alma y las capacidades mecánicas equivalentes Ues1 y Ues2.En el caso 1º la profundidad del bloque comprimido siempre está contenida en la cabeza de la sección, sin involucrar al alma.
En el caso 2º el alma siempre esta involucrada en el bloque comprimido.
5 Flexión compuesta recta en sección rectangular, con Us1= Us2
5.1 Dimensionamiento
|
1º Nd< 0 |

|
2º 0 £ Nd £ 0,5U0 |

|
3º Nd> 0,5 U0 |

donde:



El caso 1º corresponde a situaciones de dimensionamiento con axiles de tracción y donde la posición de la fibra neutra varía entre
-0,5d' £ X £ 2,5d'. El axil de tracción tiene signo negativo.Los casos 2º y 3º corresponden a situaciones de dimensionamiento con axil de compresión y donde la posición de la fibra neutra es inferior o superior a 0,625d, respectivamente.
5.2 Comprobación
|
1º e0 <0 |

Mu = Nu e0
|
2º 0 £ e0 < (d+2d')/4 + 2s1(d-d')/U0 |

Mu = Nue0
donde:

m1= - 0,5U0 e0+(Us1+Us2) (d-d')/2 +0,125U0(d+2d')
m2= - (Us2+0,8U0)e0+Us2 (d-d')/2 +0,08U0 (d+5d')
|
3º e0 ³ (d+2d')/4 + 2Us1(d-d')/U0 |

Mu = Nu e0
El caso 1º corresponde a situaciones de comprobación con axiles de tracción y donde la posición de la fibra neutra varía entre - 0,5d' £ X £ 2,5d'.
Los casos 2º y 3º corresponden a situaciones de comprobación con axil de compresión y donde la posición de la fibra neutra es inferior o superior a 0,625d, respectivamente.
6 Flexión esviada simple o compuesta en sección rectangular
El método que se propone permite el cálculo de secciones rectangulares, con armadura en sus cuatro esquinas y armaduras iguales en las cuatro caras, mediante la reducción del problema a uno de flexión compuesta recta con una excentricidad ficticia, tal como se define seguidamente (figura A.8.4).

donde:

y
b se define en la Tabla A.8.1Tabla A.8.1
|
n =Nd/(b h fcd) |
0 |
0,1 |
0,2 |
0,3 |
0,4 |
0,5 |
0,6 |
0,7 |
³ 0,8 |
|
b |
0,5 |
0,6 |
0,7 |
0,8 |
0,9 |
0,8 |
0,7 |
0,6 |
0,5 |
Para cuantías grandes (
w > 0,6) los valores indicados para, b se aumentarán 0,1 y para valores pequeños de cuantía (w < 0,2) los valores de b se disminuirán en 0,1.

Figura A.8.4