|
MINISTERIO DE INDUSTRIA Y ENERGÍA |
INSTALACIONES INTERIORES O RECEPTORAS |
INSTRUCCIÓN MIE BT-021 |
ÍNDICE
1.PROTECCIÓN CONTRA CONTACTOS DIRECTOS.
2.PROTECCIÓN CONTRA CONTACTOS INDIRECTOS.
2.1 Separación de circuitos.
2.2 Empleo de pequeñas tensiones de seguridad.
2.3 Separación entre las partes activas y las masas accesibles por medio de
aislamientos deprotección.
2.4 Inaccesibilidad simultánea de elementos conductores y masas.
2.5 Recubrimiento de masas con aislamientos de protección.
2.6 Conexiones equipotenciales.
2.7 Puesta a tierra de las masas y dispositivos de corte por intensidad de defecto.
2.8 Empleo de interruptores diferenciales.
2.9 Dispositivos de corte por tensión de defecto.
2.10 Puesta a neutro de las masas y dispositivos de corte por intensidad de defecto.

1. PROTECCIÓN CONTRA CONTACTOS DIRECTOS.
Para considerar satisfecha en las instalaciones, la protección contra los contactos directos, se tomará una de las medidas siguientes:
a) Alejamiento de las partes activas de la instalación a una distancia tal del lugar donde las personas habitualmente se encuentran o circulan que sea imposible un contacto fortuito con las manos, o por la manipulación de objetos conductores, cuando éstos se utilicen habitualmente cerca de la instalación.
Se considerará zona alcanzable con la mano la que, medida a partir del punto donde la persona pueda estar situada, está a una distancia límite de 2,50 metros hacia arriba, 1,00 metros lateralmente y 1,00 metros hacia abajo. En la figura 1 se señala gráficamente esta zona.
b) Interposición de obstáculos que impidan todo contacto accidental con las partes activas de la instalación. Los obstáculos de protección deben estar fijados en forma segura y resistir a los esfuerzos mecánicos usuales que pueden presentarse en su función. Si los obstáculos son metálicos y deben ser considerados como masas, se aplicará una de las medidas de protección previstas contra los contactos indirectos.
c) Recubrimiento de las partes activas de la instalación por medio de un aislamiento apropiado, capaz de conservar sus propiedades con el tiempo, y que limite la corriente de contacto a un valor no superior a 1 miliamperio. La resistencia del cuerpo humano será considerada como de 2.500 ohmios.
Las pinturas, barnices, lacas y productos similares no serán considerados como aislamiento satisfactorio a estos efectos.
2. PROTECCIÓN CONTRA CONTACTOS INDIRECTOS
Para la elección de las medidas de protección contra contactos indirectos, se tendrá en cuenta la naturaleza de los locales o emplazamientos, las masas y los elementos conductores, la extensión e importancia de la instalación, etc., que obligarán en cada caso a adoptar la medida de protección más adecuada.
Por lo que se refiere a estas medidas de protección, se tendrá en cuenta:
a) Instalaciones con tensiones de hasta 250 voltios con relación a tierra:
- En general, con tensiones de hasta 50 voltios con relación a tierra en locales o emplazamientos secos y no conductores, o de 24 voltios en locales o emplazamientos húmedos o mojados, no es necesario establecer sistema de protección alguno.
- Con tensiones superiores a 50 voltios es necesario establecer sistemas de protección para instalaciones al aire libre; en locales con suelo conductor, como por ejemplo, de tierra, arena, piedra, cemento, baldosas, madera dura e incluso ciertos plásticos; en cocinas públicas o domésticas con instalaciones de agua o gas, aunque el suelo no sea conductor; en salas clínicas y, en general, en todo local que incluso teniendo el suelo no conductor quepa la posibilidad de tocar simultánea e involuntariamente elementos conductores puestos a tierra y masas de aparatos de utilización.
b) Instalaciones con tensiones superiores a 250 voltios con relación a tierra:
En estas instalaciones es necesario establecer sistemas de protección cualquiera que sea el local, naturaleza del suelo, particularidades del lugar, etc., de que se trate.
Las medidas de protección contra los contactos indirectos pueden ser de las clases siguientes:
Clase A
Esta medida consiste en tomar disposiciones destinadas a suprimir el riesgo mismo, haciendo que los contactos no sean peligrosos, o bien impidiendo los contactos simultáneos entre las masas y elementos conductores, entre los cuales pueda aparecer una diferencia de potencial peligrosa.
Los sistemas de protección de la Clase A, son los siguientes:
- Separación de circuitos.
- Empleo de pequeñas tensiones de seguridad.
- Separación entre las partes activas y las masas accesibles por medio de aislamientos de protección.
- Inaccesibilidad simultánea de elementos conductores y masas.
- Recubrimiento de las masas con aislamientos de protección.
- Conexiones equipotenciales.
Clase B
Esta medida consiste en la puesta a tierra directa o la puesta a neutro de las masas, asociándola a un dispositivo de corte automático, que origine la desconexión de la instalación defectuosa.
Los sistemas de protección de la Clase B, son los siguientes:
- Puesta a tierra de las masas y dispositivos de corte por intensidad de defecto.
- Puesta a tierra de las masas y dispositivo de corte por tensión de defecto.
- Puesta a neutro de las masas y dispositivo de corte por intensidad de defecto.
La aplicación de los sistemas de protección de la Clase A no es generalmente posible, sino de manera limitada y solamente para ciertos equipos, materiales o partes de una instalación.
2.1 Separación de circuitos
Este sistema de protección consiste en separar los circuitos de utilización de la fuente de energía por medio de transformadores o grupos convertidores, manteniendo aislados de tierra todos los conductores del circuito de utilización incluso el neutro. Requiere que se cumplan las condiciones siguientes:
- Los transformadores o grupos convertidores deberán llevar una toma de corriente fija para el circuito de utilización, desprovista de contacto para conductor de protección. Los transformadores y grupos convertidores podrán ser de la Clase I o II, llevando en ambos casos la marca y cumplirán en relación con su aislamiento, lo señalado en la Instrucción MI BT 035.
Las cubas o carcasas de los transformadores fijos y de los grupos convertidores, deberán estar provistos de un borne destinado a la conexión de conductor de protección. Los transformadores móviles deberán disponer del aislamiento de protección señalado en el apartado 2.3 de esta Instrucción.
- El circuito de utilización no tendrá ningún punto común con el circuito de alimentación ni con cualquier otro circuito distinto.
- Las masas del circuito de utilización no estarán unidas a tierra ni a las masas de aparatos conectados a otros circuitos. En cambio, las masas de los aparatos pertenecientes al mismo circuito de utilización que puedan ser tocadas simultáneamente, estarán unidas entre sí por un conductor de protección.
- El limite superior de la tensión de utilización y de la potencia en los transformadores de separación monofásicos, será de 250 voltios y 10 kilovoltiamperios, respectivamente. En otros transformadores estos valores límites serán de 440 voltios y 16 kilovoltiamperios.
- En los trabajos a efectuar dentro de recipientes metálicos, tales como calderas, tanques, etc., los transformadores o grupos convertidores se instalarán fuera de estos recipientes.
- El sistema de protección por separación de circuitos es aconsejable en las instalaciones a realizar en/o sobre calderas; andamiajes metálicos, cascos navales, etc., o sea, en condiciones de trabajo especialmente peligrosas por tratarse de locales o emplazamientos muy conductores. Este sistema de protección dispensa de tomar otros contra los contactos indirectos en el circuito de utilización.
2.2 Empleo de pequeñas tensiones de seguridad
Este sistema de protección consiste en la utilización de pequeñas tensiones de seguridad. Estas tensiones serán de 24 voltios, valor eficaz, para locales o emplazamientos húmedos o mojados, y 50 voltios en locales o emplazamientos secos. Requiere que se cumplan las condiciones siguientes:
- La tensión de seguridad será suministrada por transformadores, generadores o fuentes autónomas de energía, tales como baterías de pilas o acumuladores, que respondan a las normas UNE correspondientes para esa aplicación de los citados aparatos.
- El circuito de utilización no estará puesto a tierra, ni en unión eléctrica con circuitos de tensión más elevada, bien sea directamente o por intermedio de conductores de protección.
- No se efectuará transformación directa de alta tensión a la tensión de seguridad.
- Las prescripciones para la instalación de los circuitos de utilización que se fijan en la Instrucción MI BT 029.
El empleo de tensiones de seguridad es conveniente cuando se trate de instalaciones o de aparatos cuyas partes activas dispongan de aislamiento funcional y deban ser utilizadas en lugares muy conductores.
Este sistema de protección dispensa de tomar otros contra los contactos indirectos en el circuito de utilización.
2.3 Separación entre las partes activas y las masas accesibles por medio de aislamientos de protección
Este sistema de protección consiste en el empleo de materiales que dispongan de aislamientos de protección o reforzado entre sus partes activas y sus masas accesibles. Requiere que se cumplan las condiciones siguientes:
- Los materiales deben satisfacer las prescripciones señaladas para aparatos con aislamiento de la Clase II, según la Instrucción MI BT 031.
- Las partes metálicas accesibles de estos materiales no deben ser puestas a tierra.
La utilización exclusiva de estos materiales y aparatos en una instalación dispensa de tomar otras medidas de protección contra los contactos indirectos.
2.4 Inaccesibilidad simultánea de elementos conductores y masas
Este sistema de protección consiste en disponer las masas y los elementos conductores de tal manera que no sea posible, en circunstancias habituales, tocar simultánea o involuntariamente una masa y un elemento conductor. Para la aplicación de este sistema se tendrá en cuenta la forma y dimensiones de los objetos conductores que puedan ser manipulados usualmente en el local o emplazamiento de la instalación.
Los medios para conseguir la inaccesibilidad señalada pueden consistir en separar convenientemente las masas de los elementos conductores o bien en la interposición entre ellos de obstáculos aislantes.
La aplicación de este sistema de protección sólo es realizable prácticamente para las masas de equipos fijos o de aparatos amovibles utilizados en situación fija, por tanto, en general, habrá de emplearse este sistema simultáneamente con otros.
2.5 Recubrimiento de masas con aislamiento de protección
Este sistema de protección consiste en recubrir las masas con un aislamiento equivalente a un aislamiento de protección.
Al aplicar esta medida se tendrá en cuenta que las pinturas, barnices, lacas y productos similares, no tienen las cualidades requeridas para poder constituir tal aislamiento, a no se ser que las normas UNE que se refieren a estos productos, lo señalen específicamente.
El empleo de esta medida de protección dispensa de tomar otras contra los contactos indirectos.
2.6 Conexiones equipotenciales
Este sistema de protección consiste en unir todas las masas de la instalación a proteger, entre sí y a los elementos conductores simultáneamente accesibles, para evitar que puedan aparecer, en un momento dado, diferencias de potencial peligrosas, entre ambos.
Esta medida puede comprender también la unión de las conexiones equipotenciales a tierra, evitando así, igualmente, las diferencias de potencial que puedan presentarse entre las masas o elementos conductores y el suelo, lo que supondrá una medida de protección completa, pero solamente en el local donde es utilizada, ya que estas conexiones equipotenciales pueden dar lugar a poner bajo tensión elementos metálicos muy separados del lugar donde se haya producido un defecto a masa, alcanzando incluso a lugares desprovistos de instalación eléctrica.
En consecuencia, el empleo de esta medida de protección requiere el análisis previo, en cada caso, de las situaciones que puede crear su aplicación ya que será preciso, generalmente, insertar partes aisladas en los elementos conductores unidos eléctricamente a las masas, en particular, en raíles y conducciones metálicas diversas, para evitar la propagación de un defecto a masa, a otros lugares desprovistos de una medida de protección adecuada. Por consiguiente, si la red de tierra no se prolonga por los locales próximos, incluso para aquéllos donde no existan instalaciones eléctricas, es necesario asociar a la instalación eléctrica puesta a tierra con conexiones equipotenciales, un sistema de protección de la Clase B.
El empleo de las conexiones equipotenciales entre las masas y los elementos conductores no aislados de tierra, que puedan ser alcanzados simultáneamente, están indicadas para los locales o emplazamientos mojados, debiendo asociarse uno de los sistemas de protección de la Clase B.
2.7 Puesta a tierra de las masas y dispositivos de corte por intensidad de defecto
Este sistema de protección, consiste en la puesta a tierra de las masas, asociada a un dispositivo de corte automático sensible a la intensidad de defecto, que origine la desconexión de la instalación defectuosa. Requiere que se cumplan las condiciones siguientes:
a) En instalaciones en que el punto neutro esté unido directamente a tierra:
- La corriente a tierra producida por un solo defecto franco, debe hacer actuar el dispositivo de corte en un tiempo no superior a 5 segundos.
- Una masa cualquiera no puede permanecer en relación a una toma de tierra eléctricamente distinta, a un potencial superior, en valor eficaz, a:
|
24 voltios en los locales o emplazamientos conductores. |
|
50 voltios en los demás casos. |
- Todas las masas de una misma instalación deben estar unidas a la misma toma de tierra.
b) En instalaciones en que el punto neutro este aislado de tierra o unido a ella por intermedio de una impedancia que limite la corriente de defecto:
Se cumplirán las tres condiciones fijadas en a), si bien puede admitirse, cuando las condiciones de explotación lo exijan, que la primera condición no sea cumplida, siempre que, en cambio, se cumplan las siguientes:
- Un dispositivo de control debe señalar automáticamente la aparición de un solo defecto de aislamiento en la instalación.
- La segunda condición del apartado a) se cumplirá siempre, incluso en caso de un solo defecto franco de aislamiento.
- En caso de dos defectos de aislamiento simultáneos que afecten a fases distintas o a una fase y neutro, la separación de la instalación donde se presenten estos defectos ha de estar asegurada por un dispositivo de corte automático.
En las instalaciones en que el punto neutro de la red de alimentación esté directamente unido a tierra, pueden utilizarse como dispositivos de corte automático sensibles a la corriente de defecto, los interruptores de máxima y los cortacircuitos fusibles siempre y cuando sus características intensidad-tiempo produzcan la apertura del circuito antes de que puedan excederse las condiciones señaladas en el apartado a).
Esta condición exige que la impedancia de cierre de defecto tenga un valor extraordinariamente bajo y, por otra parte, el valor de la resistencia a tierra de las masas, debe ser tal que no origine para las corrientes de corte de los dispositivos utilizados, tensiones a tierra superiores a los valores señalados en la segunda condición del apartado a). En general, sólo es posible conseguir estas condiciones cuando en la red exista un gran número de tomas de tierra en el neutro y el terreno, por otra parte, sea buen conductor.
Pueden utilizarse igualmente como dispositivos de corte automáticos sensibles a la corriente de defecto los interruptores diferenciales a los que se refiere el apartado siguiente.
2.8 Empleo de interruptores diferenciales
En las instalaciones en que el valor de la impedancia de cierre de defecto a tierra sea tal que no puedan cumplirse las condiciones de corte señaladas en el apartado anterior, deberán utilizarse como dispositivos asociados de corte automático, los interruptores diferenciales. Estos aparatos provocan la apertura automática de la instalación cuando la suma vectorial de las intensidades que atraviesan los polos del aparato, alcanza un valor predeterminado.
El valor mínimo de la corriente de defecto, a partir del cual, el interruptor diferencial debe abrir automáticamente, en un tiempo conveniente, la instalación a proteger, determina la sensibilidad de funcionamiento del aparato.
La elección de la sensibilidad del interruptor diferencial que debe utilizarse en cada caso, viene determinada por la condición de que el valor de la resistencia a tierra de las masas, medida en cada punto de conexión de las mismas, debe cumplir la relación:
|
En locales o emplazamientos secos: |
|
|
En locales o emplazamientos húmedos o mojados: |
|
siendo
Is, el valor de la sensibilidad en amperios del interruptor a utilizar.De forma similar se emplean estos aparatos con el sistema de puesta a neutro de las masas a través de un conductor de protección de acuerdo con lo especificado en el apartado 2.10 de esta Instrucción.
Cuando el interruptor diferencial es de alta sensibilidad, esto es, cuando es del orden de los 30 mA, puede utilizarse en instalaciones existentes en las que no haya conductores de protección para la puesta a tierra o puesta a neutro de las masas.
Conviene destacar que los interruptores diferenciales de alta sensibilidad aportan una protección muy eficaz contra incendios, al limitar a potencias muy bajas las eventuales fugas de energía eléctrica por defecto de aislamiento.
2.9 Dispositivo de corte por tensión de defecto
Este sistema de protección consiste en el corte automático de la instalación en un tiempo lo más corto posible, a partir del momento en que aparezca una tensión peligrosa entre la masa y un punto de tierra que está a potencial cero. Este sistema comprende:
- Interruptor de protección con bobina de tensión.
- Conductor de protección.
- Dispositivo de control del sistema de protección.
- Toma de tierra auxiliar del interruptor.
- Conductor de tierra auxiliar.
La aplicación de este sistema de protección, no exige que las masas de una instalación deban estar unidas eléctricamente a tierra, ni que, por el contrario, deban estar aisladas de la misma. Requiere que se cumplan las condiciones siguientes:
- El interruptor deberá eliminar el defecto en un tiempo no superior a 5 segundos, mediante el corte de todos los conductores activos, cuando se alcance la tensión considerada como peligrosa.
- La bobina de tensión del interruptor se conectará entre la masa del aparato a proteger y una tierra auxiliar, con objeto de controlar la tensión que puede presentarse entre estas.
- El conductor de tierra auxiliar estará aislado, con relación al conductor de protección, de la masa del aparato a proteger, de las partes metálicas del edificio y de cualquier estructura en unión eléctrica con el aparato, con objeto de que la bobina de tensión no pueda quedar punteada. En consecuencia, el conductor de puesta a tierra auxiliar debe ser un conductor aislado.
- El conductor de protección no debe entrar en contacto con partes conductoras distintas de las masas de los aparatos eléctricos a proteger cuyos conductores de alimentación quedarán fuera de servicio, al actuar el interruptor en caso de defecto.
En todos los casos, el conductor de protección será un conductor aislado.
- Los conductores, tanto el de protección como el de puesta a tierra auxiliar, estarán protegidos contra posibles daños de tipo mecánico, por medio de un revestimiento protector adecuado.
- Cuando las masas de varios aparatos estén conectadas a un solo interruptor de protección, existiendo entre estos aparatos alguno unido a una buena toma de tierra, equivalente a una tierra de protección, la sección del conductor de protección debe ser, por lo menos, igual a la mitad de la sección correspondiente a los conductores de alimentación del aparato que los tenga de mayor sección.
- La toma de tierra auxiliar será eléctricamente distinta a cualquier otra toma de tierra. Como aun en el caso de no haberse conectado expresamente a tierra las masas a proteger, pueden encontrarse unidas eléctricamente a un elemento de la construcción y ésta a tierra, es necesario, en este caso, establecer la tierra auxiliar a una distancia suficientemente grande de todo el sistema metálico enterrado en la construcción, que constituye de hecho una puesta a tierra de las masas. Cuando las construcciones son metálicas, o abundan en ellas los elementos metálicos, las distancias necesarias entre la toma de tierra auxiliar y la construcción puede ser frecuentemente superior a 50 metros, por lo que, para solucionar esta dificultad, deberá recurrirse al aislamiento de las masas con relación a tierra.
- Los interruptores de protección responderán a las dos primeras condiciones del punto a) del apartado 2.7 y, además, su funcionamiento deberá poder ser siempre comprobado por medio de un dispositivo de control que podrá llevar o no incorporado.
Para la aplicación de este sistema de protección, se exige el ensayo satisfactorio de su funcionamiento antes de la puesta en servicio de la instalación. Este ensayo se realizará conectando la masa del aparato a proteger, a un conductor de fase por intermedio de una resistencia regulable apropiada. Con la ayuda de un voltímetro de R = 2.500 ohmios, se mide la tensión entre la masa del aparato y una toma de tierra, distante aproximadamente unos 15 metros. Se regula la resistencia de manera que la tensión sea sensiblemente igual a 24 ó 50 voltios, según corresponda. A partir de este momento, una reducción de la resistencia regulable, deberá hacer actuar inmediatamente el interruptor.
2.10 Puesta a neutro de las masas y dispositivos de corte por intensidad de defecto
Este sistema de protección consiste en unir las masas de la instalación al conductor neutro, de tal forma, que los defectos francos de aislamiento, se transformen en cortocircuitos entre fase u neutro, provocando el funcionamiento del dispositivo de corte automático, y en consecuencia, la desconexión de la instalación defectuosa. Requiere que se cumplan las condiciones siguientes:
- La red de alimentación cumplirá los requisitos señalados para la misma en la Instrucción MI BT 008.
- Los dispositivos de corte utilizados serán interruptores automáticos o cortacircuitos fusibles.
- La corriente producida por un solo defecto franco, debe hacer actuar el dispositivo de corte en un tiempo no superior a 5 segundos.
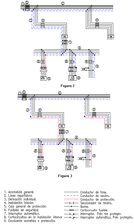
- Todas las masas de una instalación deben estar unidas al conductor neutro a través de un conductor de protección. La unión de este conductor con el conductor neutro se realizará en un solo punto situado inmediatamente antes del dispositivo general de protección de la instalación o antes de la caja general de protección (Instrucción MI BT 012). Las figuras 2 y 3 representan esquemas de estas conexiones.
- Las secciones del conductor neutro y del conductor de protección, serán iguales entre sí y, como mínimo, las indicadas en la Tabla VI de la Instrucción MI BT 017 para estas últimas.
- El conductor neutro de la instalación deberá estar alojado e instalado en la misma canalización que los conductores de fase.
- El conductor de protección estará aislado, y cuando vaya junto a los conductores activos, su aislamiento y montaje tendrán las mismas características que el conductor neutro.
- El conductor neutro estará unido eficazmente a tierra, en forma tal que la resistencia global resultante de las puestas a tierra sea igual o inferior a 2 ohmios. La puesta a tierra del conductor neutro deberá efectuarse en la instalación, uniéndolo igualmente a las posibles buenas tomas de tierra próximas, tales como red metálica de conducción de agua, envoltura de plomo de los cables subterráneos de baja tensión, etc. En el caso de que a pesar de las disposiciones adoptadas el potencial del conductor neutro con relación a tierra sea susceptible de exceder de 24 voltios en los locales o emplazamientos húmedos o mojados, y de 50 voltios en los demás casos, deberá asociarse este sistema de protección con el empleo simultáneo de interruptor de protección con bobina de tensión.
Se recomienda asociar el sistema de protección por puesta a neutro de las masas, con el empleo de interruptores diferenciales de alta sensibilidad, estableciendo la conexión del conductor neutro con el de protección detrás del interruptor diferencial.
La aplicación de la medida de protección por puesta a neutro de las instalaciones alimentadas por una red de distribución pública estará subordinada a la autorización de la Empresa distribuidora de la energía eléctrica, ya que la eficacia de esta medida de protección depende esencialmente de las condiciones de funcionamiento de la red de alimentación.
Este sistema de protección se realizará siguiendo los esquemas de principio que figuran a continuación.