|
MINISTERIO DE INDUSTRIA Y ENERGÍA |
INSTALACIONES DE ENLACE Esquemas - Acometidas |
INSTRUCCIÓN MIE BT-011 |
ÍNDICE
1. ESQUEMAS.
2. ACOMETIDAS.
2.1 Definición
2.2 Instalación
2.3 Tipos
2.4 Características de los conductores

1. ESQUEMAS
Las instalaciones de enlace entre la red de distribución pública y las instalaciones interiores, se ajustarán, en principio, a los siguientes esquemas, según la colocación de los contadores:
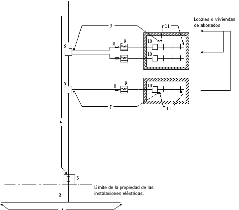
COLOCACIÓN DE CONTADORES EN FORMA INDIVIDUAL
COLOCACIÓN EN FORMA CONCENTRADA EN UN SOLO PUNTO
COLOCACIÓN DE CONTADORES EN FORMA CONCENTRADA POR PLANTAS
1.- Red de distribución.
2. ACOMETIDAS
2.1 Definición
Se denomina así a la parte de la instalación comprendida entre la red de distribución pública y la caja o cajas generales de protección
2.2 Instalación
En general se dispondrá una sola acometida por edificio; sin embargo, podrán establecerse acometidas independientes para suministros cuyas características especiales así lo aconsejen.
2.3 Tipos
Las acometidas podrán ser aéreas o subterráneas. Los materiales empleados y su instalación cumplirán con las prescripciones establecidas en las Instrucciones MI BT para las redes aéreas o subterráneas de distribución de energía eléctrica. Las acometidas, en todo caso, se realizarán de tal forma que lleguen con conductores aislados a la caja general de protección.
2.4 Características de los conductores
El tipo y naturaleza de los conductores a emplear serán los fijados por las Empresas distribuidoras en sus normas particulares. El número de conductores que forman la acometida será determinado, asimismo, por las citadas empresas en función de las características e importancia del suministro a efectuar.
En lo que se refiere a las secciones de los conductores se calcularán teniendo en cuenta:
-La demanda máxima prevista determinada de acuerdo con la Instrucción MIE BT 010.
-La tensión de suministro.
-Las densidades máximas de corriente admisibles para el tipo y condiciones de instalación de los conductores.
-La caída de tensión máxima admisible. Esta caída de tensión será la que la Empresa tenga establecida en su reparto de caídas de tensión en los elementos constitutivos de la red, para que la tensión en la caja o cajas generales de protección esté dentro de los límites establecidos por el vigente Reglamento de Verificaciones Eléctricas y Regularidad en el Suministro de la Energía.