NORMA 3

Acoplamiento de válvulas en botellas y botellones destinados a contener gases industriales, medicinales y sus mezclas.

1. OBJETO

   Esta norma tiene por objeto definir los materiales y los acoplamientos de las válvulas de las botellas y botellones destinados a contener gases industriales, medicinales y sus mezclas.

   

2. CAMPO DE APLICACIÓN

   Esta norma se aplicará a todas las válvulas de botellas y botellones destinadas a contener gases industriales, medicinales y sus mezclas, excepto las botellas de uso medicinal que vayan equipadas con válvulas con estribo de seguridad (pin-index), UNE 23.200.

   

3. MATERIALES

   Todos los componentes utilizados en la construcción de las válvulas deben ser compatibles con los gases contenidos en las botellas.

   

4. ACOPLAMIENTO PARA VÁLVULA A BOTELLA Y BOTELLÓN

   

   Podrán emplearse otros tipos de acoplamientos previa autorización del Centro Directivo del Ministerio de Industria y Energía, competente en materia de seguridad industrial.

   

Denominación usual

Rosca de la válvula

Rosca de la botella o botellón

Ø nominal d (m/m) +0,12-0

Ø nominal d1 (m/m) +0,12-0

Longitud l1 (m/m)

Ø nominal d2 (m/m) +0,12-0

Longitud l2 (m/m)

Conicidad

Hilos en pulgadas o paso en (m/m)

Perfil

DIN 477

19,8

17,4

21

19,2

17

6° 52'

14 h/"

W

DIN 477

28,8

25,8

26

27,8

22

6° 52'

14 h/"

W

DIN 477

31,3

28,3

26

30,3

22

6° 52'

14 h/"

W

DIN 2999

39,05

37,17

30

37,5

34

3° 35'

11 h/"

W

-----

37,1

34,35

26

36,1

22

6° 18'

2,0

-----

36,6

34

30

35,6

34

2,0

 

5. ACOPLAMIENTOS DE SALIDA PARA GASES INDUSTRIALES

   «Para determinados casos especiales podrán emplearse otros tipos de acoplamientos, previa autorización del Centro Directivo del Ministerio de Industria y Energía, competente en materia de Seguridad Industrial, siempre que no puedan producirse confusiones con los normalizados para otros usos.»

   5.1. Acoplamiento tipo A:

   Acoplamiento de estribo reservado exclusivamente al acetileno.

   5.2. Acoplamiento tipo B.

   Racor macho Ø 30 paso 1,75 métrico, a derechas.

   «Reservado solamente al aire comprimido, con exclusión de toda mezcla, salvo el aire sintético.»

   5.3. Acoplamiento tipo C.

- Racor macho Ø 21,7, paso 1,814 métrico, a derechas.

- Racor macho Ø 21,7, 14 hilos por pulgada Whitworth, a derechas.

- Racor macho Ø 21,8 14 hilos por pulgada Whitworth, a derechas.

 

   «Reservado para gases y mezclas de gases no inflamables, particularmente para los gases considerados como inertes (nitrógeno, gases raros del aire, anhídrido carbónico, etc.), incluidos los criogénicos, excepto el oxígeno e hidrógeno líquido.»

   5.4. Acoplamiento tipo E.

   Racor macho Ø 21,7 paso 1,814 métrico, a izquierdas.

   Racor macho Ø 21,7 14 hilos, en pulgadas Whitworth, a izquierdas.

   Reservado a todos los gases y mezclas inflamables, tales como el hidrógeno, butano y propano industrial y mezclas conteniendo metilacetileno estabilizado, incluido el hidrógeno líquido.

   5.5. Acoplamiento tipo F.

   Racor hembra, Ø 22,91, 14 hilos, en pulgada Whitworth, a derechas (R5/8").

   Reservado exclusivamente para el oxígeno y el oxígeno líquido. No puede ser utilizado para ninguna clase de mezclas, aunque se trata de p.p.m (nos referimos a la introducción voluntaria de otros gases y no a las impurezas que puedan existir en el propio oxígeno).

   5.6. Acoplamiento tipo G.

   Racor hembra, Ø, paso 1,5 métrico, a derechas.

   «Reservado a todos los gases y mezclas de gases que sean, por lo menos, igual de comburentes que el aire, excepto el protóxido de nitrógeno.»

   5.7. Acoplamiento tipo H.

   Racor hembra.

   Ø 22,91, 14 hilos en pulgada Whitworth, izquierdas (R5/8").

   Ø 26,44, 14 hilos en pulgada Whitworth, derechas (R 3/4").

   Reservado al acetileno disuelto y a mezclas estabilizadas de metilacetileno.

   5.8. Acoplamiento tipo J.

   Racor macho Ø 25,4, 8 hilos en pulgada Whitworth, a derechas (1" BSW).

   «Reservado a los gases corrosivos y tóxicos (tales como el bromuro de hidrógeno y el cloruro de carbonilo).»

   5.9. Acoplamiento tipo K.

   Racor macho Ø 26,1, 14 hilos en pulgadas Whitworth, izquierdas.

   Reservado al flúor y trifluoruro de cloro.

   5.10. Acoplamiento tipo M.

   Racor macho Ø 19, paso 1,5 métrico, a izquierdas.

   Reservado a mezclas técnicas o de calibración.

   5.11. Acoplamiento tipo S.

   Racor macho Ø 22,91, 14 hilos en pulgada Whitworth, derechas (R 5/8").

   Reservado al anhídrido sulfuroso.

   «5.12. Acoplamiento tipo T.

   Racor macho Ø 31,75, siete hilos por pulgada Whitworth, a derechas (1 1/4").

   Reservado para botellones de cloro.»

   «5.13. Acoplamiento tipo U.

   Racor macho Ø 16,66, 19 hilos por pulgada Whitworth, a derechas (R 3/8").

   Reservado al protóxido de nitrógeno.»

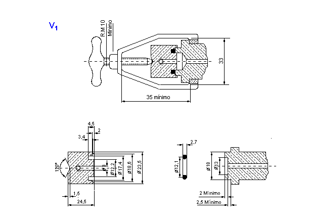
   «5.14. Acoplamientos tipo V1 y V2.

   V1 acoplamiento de estribo de Ø 18 milímetros.

   V2 racor hembra Ø 22,91, 14 hilos en pulgada Whitworth, a derechas (R 5/8").

   Reservado para el aire comprimido en aparatos de respiración en inmersión o protección industrial.»

   «5.15. Acoplamientos tipo X1 y X2.

   X1 racor macho Ø 31,75, 7 hilos por pulgada Whitworth, a derechas.

   X2 racor macho Ø 33,25, 11 hilos por pulgada Whitworth, a derechas.

   Reservado para los gases cloroflúor (bromo) carbonados inertes en botellones.»

   

6. ACOPLAMIENTOS DE SALIDA PARA MEZCLAS INDUSTRIALES DE GASES

   6.1. Tipos de mezclas.

   6.1.1. Mezclas neutras. A este tipo corresponden todas las mezclas formadas únicamente por gases inertes o pasivos.

   6.1.2. Mezclas conteniendo gases inflamables. Corresponden a este tipo cualquier mezcla que contenga un gas inflamable, en cualquier proporción, y no sea mezcla técnica o de calibración.

   «6.1.3. Mezclas conteniendo gases comburentes. Corresponden a este tipo todas las mezclas que contengan más del 23 por 100 de oxígeno u otro gas comburente en cualquier proporción y no sea mezcla técnica o de calibración.»

   6. 1.4. Mezclas conteniendo gases corrosivos. Corresponden a este tipo cualquier mezcla que contenga un gas corrosivo en cualquier proporción y no sea mezcla técnica o de calibración.

   6.1.5. Mezclas técnicas o de calibración. Pertenecen a este tipo todas las mezclas definidas en la norma 6, independientemente de las características de los gases que las componen.

   6.1.6. Mezclas tóxicas. Corresponden a este tipo todas las mezclas que contengan un gas tóxico en cualquier proporción y no sea mezcla técnica o de calibración.

   6.2. Acoplamientos.

   6.2.1. Para mezclas neutras. Se empleará el acoplamiento tipo C.

   6.2.2. Para mezclas conteniendo gases inflamables. Se empleará el acoplamiento tipo E.

   6.2.3. Para mezclas conteniendo gases comburentes. Se empleará el acoplamiento tipo G.

   6.2.4. Para mezclas conteniendo gases corrosivos. Se empleará el acoplamiento tipo J.

   6.2.5. Para mezclas técnicas o de calibración. Se empleará el acoplamiento tipo M.

   «6.2.6. Para mezclas conteniendo gases tóxicos. Se empleará el acoplamiento tipo J.»

   

ANEXO I

   «Las dimensiones indicadas en los dibujos son orientativas, a excepción de las que definen la rosca del acoplamiento, que son obligatorias.»

   Gases:

   Acetileno C2H2

   


   Gases:

   Aire natural

   Aires sintético

   


   Gases:

A) Amoníaco, NH3.
Argón. A.
Difluordiclorometano, CF2Cl2
Diflormonoclorometano, CHF2CI.
Dióxido de carbono, CO2.

H) Helio, He.
Hexafluoruro de azufre, F6S.

K) Kriptón, K.

M) Monofluortriclorometano, CF Cl3.
Monofluordiclorometano, CHF Cl2.

N) Nitrógeno, N2
Neón, Ne.

O) Perflúor propano, C3F8.

T) Tetrafluormetano, CF4.
Tetrafluordidoroetano, CF2 Cl-CF2Cl.
Trifluormonobromometano, CF3Br (*).
(*) Otros derivados del metano y etano fluorados y clorados.

   Trifluormonoclorometano, CF3Cl.

X) Xenón, Xe.


   Gases:

A) Arsina AsH3

B) Bromuro de Etilo C2H3Br
Butadieno 1,3 C4H6
Butano C4H10
Buteno 1 C4H8
Buteno 2 C4H8
Butino C4H6

C) Cianogeno C2N2
Cianuro de Hidrógeno CNH
1 Cloro 1,1 Difluoretano CH3-CCLF2
Cloro fluor etileno CCIF = CF2
Cloruro de Metilo CH3CL
Cloruro de Etilo C2H5CL
Cloruro de Vinilo C2H3CL
Ciclopropano C3H6

D) Deuterio D2
Diborano B2H6
Dimetilamina (CH3)2NH
Dimetil Propano C5H12
Dimetileter (CH3)20
1,1 Difluoretano CH3-CHF2
1,1 Difluoretileno CH2 = CF2

E) Etano C2H6
Etileno C2H4

F) Fluoruro de Metilo CH3F
Fluoruro de Vinilo FC2H3
Fosfina PH3

G) Germano GeH4
Gas Ciudad
Gas Natural

H) Heptano C7H16
Hidrógeno H2

I) Isobutano iC4H10
(Metilpropano 2)
Isobuteno iC4H8
(Metilbuteno 2)

M) Metano CH4
Metiletileter C2H50CH3
Metanotiol CH4S
Monoetilamina C2H5NH2
Monometilamina CH3NH2
N)Neopentano C5H12

O) Oxido de Carbono CO
Oxido de Etileno C2H40
Oxido de Metileno (CH3)20

P) Pentano C5H12
Propano C3H8
Propadieno (Aleno) C3H4
Propeno C3H6
Propino C3H4 (Metilaceno)

S) Seleniuro de Hidrógeno SeH2
Silano SiH4
Sulfuro de Carbonilo SCO
Sulfuro de Hidrógeno SH2

T) Trimetilamina (CH3)3N
Tetrafluor Etileno CF2-CF2

V) Vinilmetileter CH30CH = CH2

 


   Gases:

   Oxígeno O2

   


   Gases:

   Mezclas de gases comburentes

   


   Gases:

   Acetileno C2H2

   Nota: Acoplamiento alternativo W 26.44-14 Hilos/Puleada (R 314")

   


   Gases:

B) Bromuro de hidrógeno, BrH.
Bromuro de metilo CH3Br

C) Cloro CL2 (en botellas)
Cloruro de hidrógeno, CLH.
Cloruro de boro, Cl3B.
Cloruro de carbonilo, COCl2.

D) Diclorosilano, Si H2Cl2.
Dióxido de nitrógeno, NO2.

F) Fuoruro de carbonilo, F2CO.
Fluoruro de hidrógeno, FH.

H) Hexafluoruro de tungsteno, F6W.

I) Ioduro de hidrógeno, IH.

M) Monóxido de nitrógeno, NO.

P) Pentafluoruro de fósforo, F5P.

S) Sesquióxido de nitrógeno, N2O3.

T) Tetracloruro de silicio, Cl4Si.
Tetrafluoruro de silicio, F4Si.
Trifluoruro de cloro, CLF3


   Gases:

   Fluor

   Trifluoruro de Cloro

   


   Gases:

   Todas las mezclas, excepto las que comporten el Oxígeno superior a 21%

   


   Gases:

   Anhídrido Sulfuroso SO2

   


   


   Gases:

   P) Protóxido de nitrógeno N2O.

   


   


   


   Racor hembra Ø 22,91, 14 hilos en pulgada Whitworth, a derechas (R 5/8"). Se emplearán los acoplamientos V1 y V2 en aparatos de respiración en inmersión y protección industrial.

   


   Se emplearán los acoplamientos X1 y X2 en botellones que contengan compuestos cloroflúor (bromo) carbonados inertes.