|
|
PRESENTACIÓN
El Instituto Nacional de Seguridad e Higiene en el Trabajo, de acuerdo con lo dispuesto en el Artículo 5 del Real Decreto 39/1997, de 17 de enero, por el que se aprueba el Reglamento de los Servicios de Prevención, tiene entre sus cometidos el relativo a la elaboración de Guías destinadas a la evaluación y prevención de los riesgos laborales.
El Real Decreto 1215/1997, de 18 de julio, por el que se establecen las disposiciones mínimas de seguridad y salud para la utilización por los trabajadores de los equipos de trabajo, encomienda de manera específica, en su disposición final primera, al Instituto Nacional de Seguridad e Higiene en el Trabajo, la elaboración y el mantenimiento actualizado de una Guía Técnica, de carácter no vinculante, para la evaluación y prevención de los riesgos relativos a la utilización de los equipos de trabajo. Este documento constituye la primera parte de la Guía, que comprende el contenido jurídico y las disposiciones generales aplicables a los equipos de trabajo. La segunda, que se publicará posteriormente, cubrirá las disposiciones adicionales relativas a los equipos de trabajo móviles y de elevación de cargas.
La presente Guía* proporciona criterios y recomendaciones que pueden facilitar a los empresarios y a los responsables de prevención la interpretación y aplicación del citado Real Decreto especialmente en lo que se refiere a la evaluación de riesgos para la salud de los trabajadores involucrados y en lo concerniente a medidas preventivas aplicables.
Leodegario Fernández Sánchez |
* Esta Guía ha contado con la colaboración de Osalan - Gobierno Vasco para su elaboración, cuya participación agradecemos.
Preámbulo del Real Decreto 1215/1997
Artículo 3. Obligaciones generales del empresario
Artículo 4. Comprobación de los equipos de trabajo
Artículo 5. Obligaciones en materia de formación e información
Artículo 6. Consulta y participación de los trabajadores
Disposición transitoria única. Adaptación de equipos de trabajo
Disposición derogatoria única. Derogación normativa
Disposición final primera. Guía técnica
Disposición final segunda. Facultades de desarrollo
Disposición final tercera. Entrada en vigor
Anexo I. Disposiciones mínimas aplicables a los equipos de trabajo
Apartado 1. Disposiciones mínimas generales aplicables a los equipos de trabajo
Anexo II. Disposiciones relativas a la utilización de los equipos de trabajo
Apartado 1. Condiciones generales de utilización de los equipos de trabajo
Anexo A: Disposiciones aplicables a las máquinas
Anexo B: Otras disposiciones aplicables
Anexo E: Plan de Puesta en Conformidad
Anexo F: Alcance y significado de la observación preliminar del Anexo I
Anexo G: Bibliografía relativa a la evaluación de riesgos
Anexo J: Guía para la selección de resguardos y dispositivos de protección
Anexo K: Prevención y protección contra las emisiones de gases, vapores, líquidos y polvo
Anexo L: Prevención y protección contra incendios y/o explosiones
El Real Decreto 1215/1997, por el que se establecen las disposiciones mínimas de seguridad y salud para la utilización por los trabajadores de los equipos de trabajo, es un componente fundamental de la nueva normativa de seguridad y salud en el trabajo, encabezada por la Ley de Prevención de Riesgos Laborales. Su importancia se debe, esencialmente, a dos razones.
En primer lugar, por la amplitud de su campo de aplicación, dado el carácter genérico de la definición de equipo de trabajo. De hecho, este Real Decreto puede considerarse como una norma marco para la totalidad de los equipos de trabajo, aunque el tratamiento que se da a cada tipo de equipo no es homogéneo. Es preciso tener en cuenta que la Directiva 89/655/CEE y la Directiva 95/63/CEE, que modifica y amplía la anterior, transpuestas por este Real Decreto, se elaboraron tomando como referencia la Directiva 89/392/CEE (y sus dos primeras modificaciones), relativa a la aproximación de las legislaciones de los Estados miembros sobre máquinas, que se dirige a los fabricantes de maquinaria y componentes de seguridad y establece los requisitos esenciales de seguridad y salud con los que dichos productos deben ser conformes antes de su primera comercialización y puesta en servicio en la Unión Europea. Esto explica que las disposiciones del Anexo I de este Real Decreto, relativas a aspectos técnicos, se refieran prácticamente a máquinas fijas, máquinas móviles y máquinas o aparatos de elevación.
En segundo lugar, las disposiciones mínimas establecidas por este Real Decreto, relativas tanto a los requisitos generales que deben cumplir los equipos, como a las precauciones que deben adoptarse en su utilización, suponen un avance con respecto a la normativa anterior. Básicamente, este Real Decreto amplía y hace más explícitas las obligaciones del empresario en relación con la elección, utilización, mantenimiento y, en su caso, comprobación de los equipos de trabajo. La norma recoge asimismo las condiciones de seguridad mínimas exigibles a los equipos en uso y establece también que éstos deberán cumplir las condiciones impuestas por la normativa de comercialización que les sea aplicable; esta última suele ser, en general, más exigente, en particular en el caso de equipos nuevos a los que se aplica el marcado CE.
Por otra parte, cabe decir que las disposiciones mínimas de seguridad y salud para la utilización por los trabajadores de los equipos de trabajo, establecidas por este Real Decreto, no pueden considerarse aisladamente, sino conjuntamente con la propia Ley de Prevención de Riesgos Laborales y las demás normas reglamentarias que se derivan de ella.
Este Real Decreto se estructura en dos partes, una jurídica y otra técnica. La parte técnica, a su vez se desarrolla en los Anexos siguientes:
Anexo I
Anexo II
El hecho de que este Real Decreto transponga simultáneamente las Directivas 89/655/CEE y 95/63/CEE, ésta última seis años posterior, da lugar a un complejo periodo transitorio debido al retraso en la entrada en vigor de las disposiciones aplicables a los equipos de trabajo móviles y de elevación de cargas (apartado 2 del Anexo I y apartados 2 y 3 del Anexo II) que resultan de la transposición de la última directiva. Habida cuenta de la importancia del tema tratado y de la necesidad de disponer de las orientaciones pertinentes en el plazo más breve posible, se ha considerado preferible dividir la Guía en dos partes, en lugar de pretender hacerlo en una sola, que podría dilatar sobremanera su publicación, dada la amplitud del campo de aplicación cubierto por este Real Decreto. Así, la primera de ellas, que se presenta en este documento, comprende la parte jurídica y las disposiciones generales aplicables a los equipos de trabajo y a su utilización. La segunda parte de la Guía, que se publicará posteriormente, cubrirá las disposiciones adicionales para los equipos de trabajo móviles y de elevación de cargas y su utilización.
Para facilitar su consulta, la Guía se presenta transcribiendo íntegramente el Real Decreto e intercalando, en los puntos en los que se ha considerado necesario, las observaciones o aclaraciones pertinentes o, cuando éstas son numerosas o complejas, agrupándolas en un anexo específico al que se hace referencia en el apartado en cuestión.
NOTA: En los recuadros en color se incluye el texto del Real Decreto 1215/1997.
II. DESARROLLO Y COMENTARIOS AL Real Decreto 1215/1997, POR EL QUE SE ESTABLECEN LAS DISPOSICIONES MÍNIMAS DE SEGURIDAD Y SALUD PARA LA UTILIZACIÓN POR LOS TRABAJADORES DE LOS EQUIPOS DE TRABAJO
Con el fin de facilitar la utilización de la presente Guía se incluye el articulado del Real Decreto 1215/1997, seguido de los comentarios sobre aquellos aspectos más relevantes que no se consideran suficientemente autoexplicativos.
Los conceptos equipos de trabajo y utilización son los que concretan el objeto de este Real Decreto (véanse las definiciones dadas en el artículo 2).
|
En el capítulo II de dicho Reglamento (BOE 31.1.97) se detallan, entre otros aspectos, las obligaciones del empresario en relación con la evaluación de los riesgos y la planificación de la actividad preventiva. Obviamente, la evaluación de los riesgos de un puesto de trabajo implica e incluye la evaluación de los riesgos originados por los equipos de trabajo empleados en ese puesto. La evaluación de riesgos permitirá determinar si las características de los equipos de trabajo y los procedimientos empleados para su utilización, mantenimiento y comprobación se ajustan a lo dispuesto en este Real Decreto.
|
A efectos del presente Real Decreto se entenderá por:
|
El término equipo de trabajo es extremadamente amplio. Incluye, por ejemplo, las máquinas-herramienta, las máquinas para movimiento de tierras y otras máquinas móviles, las máquinas para la elevación de cargas, las máquinas para la elevación de personas, los equipos a presión, los aparatos a gas, los equipos de soldadura, los compresores, las herramientas portátiles, las fotocopiadoras, los retroproyectores, las herramientas manuales, las instalaciones de tratamiento superficial, las instalaciones de pintura, así como las instalaciones compuestas por una asociación de máquinas que funcionan interdependientemente, etc. Las instalaciones de servicio o de protección, tales como las instalaciones eléctricas, las de gas o las de protección contra incendios, anejas a los lugares de trabajo, se consideran como parte integrante de los mismos, de acuerdo con el artículo 2 del Real Decreto 486/1997, de 14 de abril, por el que se establecen las disposiciones mínimas de seguridad y salud en los lugares de trabajo (BOE de 23.4.97) y por ello deben cumplir tanto las disposiciones mínimas establecidas en el mencionado Real Decreto como las que se deriven de las reglamentaciones específicas de seguridad que resulten de aplicación según el artículo 6 de dicho Real Decreto.
En cualquier caso, el carácter genérico de la definición de equipo de trabajo da una gran amplitud al campo de aplicación de este Real Decreto, que puede considerarse como una norma marco para la totalidad de los equipos de trabajo; pero el tratamiento que se da a cada tipo de equipo no es homogéneo. Así, en lo que se refiere a las máquinas, el Real Decreto contiene un conjunto de requisitos sobre sus características y su utilización. Para los restantes tipos de equipos sólo se incluyen algunos requisitos de carácter general.
El término utilización es también amplio e incluye todas las actividades relativas a cualquiera de las fases de la vida de un equipo de trabajo. A título de ejemplo, en el propio texto reglamentario se indican algunas de ellas. También se deben considerar otras fases, como la instalación, el montaje y el desmontaje de equipos de trabajo. La seguridad debe estar garantizada en todas ellas.
|
Véanse los comentarios a la observación preliminar del Anexo I en relación con el proceso de evaluación de riesgos.
|
El concepto de trabajador expuesto no se refiere simplemente al operador de un equipo de trabajo sino a cualquier otro trabajador que pueda encontrarse en la zona peligrosa de dicho equipo de trabajo, tanto de manera permanente (por ejemplo, puesto de trabajo fijo, en las proximidades de un puesto de soldadura o de una grúa) o de manera ocasional (por ejemplo, operaciones de limpieza, de mantenimiento, etc., en las proximidades de un puesto de soldadura o de una grúa).
|
Véase la definición de utilización del punto b) anterior.
De acuerdo con esta disposición, sólo deben emplearse equipos que sean seguros para el uso previsto. Este principio se tendrá especialmente en consideración a la hora de la elección de equipos que van a ponerse por primera vez a disposición de los trabajadores, ya sean nuevos o usados. En este caso el empresario debe asegurarse de que, por diseño o por características constructivas, el equipo seleccionado es adecuado para el trabajo a realizar o el proceso a desarrollar. Además, debe poseer y tener a disposición de los trabajadores las instrucciones y especificaciones del fabricante o del suministrador del equipo (véanse los comentarios al apartado 2 del artículo 5). El empresario debe asegurarse asimismo de que el equipo se utiliza de acuerdo con dichas instrucciones y especificaciones.
Por otra parte, la aplicación de este principio a los equipos ya existentes supone, de hecho, la prohibición de los usos improvisados y no previstos o en situaciones o condiciones no previstas que puedan entrañar un riesgo como, por ejemplo: utilizar el destornillador como palanca; las tijeras como punzón o el alicate como llave de tuerca; cortar alambre con una muela abrasiva; utilizar una herramienta eléctrica convencional en atmósferas explosivas; utilizar una carretilla con motor de explosión en un local cerrado; utilizar una mezcladora de materias inertes para materias inflamables; utilizar aire comprimido para limpiarse la ropa de trabajo; alimentar una máquina mediante cables pelados en su extremo y enrollados en bornas desnudas tipo palomilla; utilizar una lámpara portátil a 220V, conectada directamente a la red, en ambientes húmedos o mojados, etc.
Si es preciso, el empresario deberá adaptar los equipos convenientemente. En cualquier caso, los equipos deberán satisfacer los requisitos indicados en los puntos a) y b) del tercer párrafo de este apartado, que se comentan más adelante. Sin embargo, hay que tener en cuenta que los equipos sujetos al marcado CE no deben ser modificados, salvo cuando sea imprescindible utilizarlos de manera no prevista por el fabricante y, en cualquier caso, ajustándose a lo dispuesto en el apartado 1.3 del Anexo II de este Real Decreto. Si se trata de una máquina sujeta al marcado CE, el empresario se convierte en fabricante si las modificaciones efectuadas cambian el uso previsto por el fabricante original de dicha máquina. En este caso deberá aplicar las disposiciones de los Reales Decretos 1435/1992 y 56/1995, sobre comercialización y puesta en servicio de máquinas.
Art. 3.1 (cont.) Cuando no sea posible garantizar de este modo totalmente la seguridad y salud de los trabajadores durante la utilización de los equipos de trabajo, el empresario tomará las medidas adecuadas para reducir tales riesgos al mínimo. |
Si, a pesar de las medidas adoptadas según el párrafo anterior, es preciso reducir aún más el riesgo, el empresario deberá adoptar medidas complementarias para reducirlo convenientemente, con el fin de garantizar que sus condiciones de utilización se ajustan a lo establecido en el resto de este Real Decreto. Dichas medidas pueden incidir sobre las condiciones de utilización del equipo (cambio de ubicación, uso restringido,...) o pueden estar basadas, por ejemplo, en la información o las instrucciones de utilización, la señalización, el adiestramiento, la supervisión del trabajo, un sistema de trabajo autorizado y supervisado (conocido como sistema de permiso de trabajo) y, si es preciso, la utilización de equipos de protección individual.
Art. 3.1 (cont.) En cualquier caso, el empresario deberá utilizar únicamente equipos que satisfagan:
|
En el caso de las máquinas, las disposiciones aplicables se presentan en el Anexo A de esta Guía, en función del tipo de máquina y de la fecha en que fue comercializada por primera vez.
En el caso de los otros equipos utilizados en el trabajo se presenta, en el Anexo B de esta Guía, un listado de los principales reglamentos aplicables (incluyendo, a título informativo, los correspondientes a las instalaciones generales mencionadas en las observaciones a la definición de equipos de trabajo).
|
Se trata de condiciones relativas a las características de los equipos, tanto de tipo general (parte 1 del Anexo I), como específicas para los equipos móviles y de elevación de cargas (parte 2 del Anexo I).
Los requisitos fijados en este anexo deben ser considerados como mínimos absolutos y, por tanto, aplicables siempre que los requisitos establecidos por las disposiciones referidas en el apartado a) anterior sean menos restrictivos (lo que puede ocurrir en el caso de equipos viejos a los que se les aplique, dada su fecha de primera comercialización, una antigua normativa de seguridad). Es decir, salvo en el caso de que este Real Decreto establezca requisitos nuevos o de que establezca un mayor nivel de exigencia para medidas preventivas relativas a peligros idénticos, se puede suponer, en principio, que los equipos de trabajo que ya cumplían una normativa de seguridad específica y que han sido mantenidos adecuadamente cumplen las condiciones mínimas de este anexo. En particular es el caso de las máquinas comercializadas y puestas en servicio conforme al Real Decreto 1495/1986, de 26 de mayo, por el que se aprobó el Reglamento de seguridad en las máquinas. Incluso podría ser el caso de máquinas fabricadas con anterioridad a dicho Reglamento, que se hubieran diseñado siguiendo los criterios de normas fundamentales en su época en relación con la seguridad, como la UNE 81600:85 Técnicas de seguridad aplicadas a las máquinas y la UNE 20416:81 Equipo eléctrico de las máquinas-herramienta, y para el caso particular de las prensas mecánicas, la norma UNE 81602:86. En cualquier caso deben realizarse las comprobaciones pertinentes.
Con más razón, debe suponerse que los equipos sujetos al marcado CE cumplen siempre las condiciones mínimas de este anexo. Sin embargo, se debe comprobar que el equipo va realmente provisto del marcado CE y de un manual de instrucciones adecuado (a este respecto, véanse los comentarios al apartado 2.a) del artículo 5 de este Real Decreto). Además, se comprobará que va acompañado de la declaración CE de conformidad, cuando así lo exija la reglamentación correspondiente, como actualmente sucede en el caso de las máquinas, para las que, tanto el manual de instrucciones como la declaración CE de conformidad, deben suministrarse en versión original en una de las lenguas comunitarias y traducidos al menos en castellano, si la máquina se ha fabricado en el extranjero.
|
No se trata solamente de que el equipo se adecue al tipo de trabajo a desarrollar, sino también a las condiciones específicas en las que éste se va a realizar, ya sean organizativas, ergonómicas, ambientales, etc. Así, por ejemplo, un equipo eléctrico que va a utilizarse en ambientes en los que pueda mojarse debe tener un grado de protección de la envolvente adecuado. En cualquier caso, el empresario debe examinar atentamente las instrucciones del fabricante para asegurarse de que no existen incompatibilidades con las condiciones previstas para el uso del equipo (en relación con las instrucciones de utilización, véase el apartado 2 a) del artículo 5).
|
Este requisito implica que el empresario también debe valorar las características y condiciones del lugar en el que se va a utilizar el equipo de trabajo y, en particular, del puesto de trabajo.
Asimismo se hace referencia al efecto perjudicial que supondría la utilización de ciertos equipos en determinados lugares de trabajo. Sería el caso, por ejemplo, de la utilización de un equipo de trabajo, de tipo convencional, alimentado por energía eléctrica, en una atmósfera potencialmente explosiva.
También se hace referencia a la influencia en el agravamiento de los riesgos debido a la presencia simultánea de varios equipos en un mismo lugar de trabajo. La problemática del ruido es una de las que mejor puede ilustrar la concurrencia de riesgos que se plantea en este apartado. En efecto, el ruido producido por una máquina (sobre el que debe informar el fabricante) puede ser aceptable y, sin embargo, añadido al ya existente en el puesto de trabajo (procedente del propio puesto o de otros), puede suponer un riesgo inadmisible que obligue a adoptar medidas compensatorias o, incluso, a rechazar la máquina. Otro tanto podría ocurrir con equipos que emitan determinados agentes nocivos para la salud que, en concurrencia con otras fuentes de emisión de sustancias nocivas, den lugar a que se sobrepasen los valores límite recomendados en el ambiente.
|
Se debería dedicar una atención especial a los trabajadores con alguna limitación sensorial que dificulte la percepción o la recepción de información, como, por ejemplo, una sordera que impida la percepción de una señal acústica. Igualmente se tendrá en cuenta que determinados sistemas de protección pueden no ser adecuados para personas con una limitación física o psíquica.
|
La introducción de los principios ergonómicos en la acción preventiva, de la forma en que se hace en este apartado, va esencialmente dirigida a evitar las molestias innecesarias (a menudo asociadas a accidentes), derivadas del incorrecto diseño del puesto de trabajo, que podrían evitarse mediante medidas que, generalmente, no se han adoptado antes por simple desconocimiento del problema.
Entre los factores más comunes a los que debería prestarse atención, cabe mencionar: el espacio de trabajo, la altura del plano de trabajo, el asiento, la posición del operador en relación con los órganos de mando del equipo, el ruido, las vibraciones, la temperatura y la iluminación de las zonas y puntos de trabajo (en relación con la iluminación, véanse los comentarios al apartado 9 del Anexo I).
En el momento de la elección conviene valorar también las posibilidades del equipo para adaptarse a la normal variación de las condiciones anatómicas y fisiológicas de los trabajadores (no discapacitados).
|
Se trata, en esencia, de las precauciones que deben adoptarse en la instalación, uso y mantenimiento de los equipos. En la parte 1 del Anexo II se establecen las precauciones de carácter general y en las partes 2 y 3, las específicas para los equipos móviles y de elevación de cargas, respectivamente.
Art. 3.4 (cont.) Cuando, a fin de evitar un riesgo específico para la seguridad y salud de los trabajadores, la utilización de un equipo de trabajo deba realizarse en condiciones o formas determinadas, que requieran un particular conocimiento por parte de aquéllos, el empresario adoptará las medidas necesarias para que la utilización de dicho equipo quede reservada a los trabajadores designados para ello. |
Es el caso, por ejemplo, del operador de una grúa torre, del conductor de un medio de transporte y de cualquier otro tipo de trabajo en el que, a pesar de las medidas preventivas adoptadas, existe un riesgo residual para cuyo control es necesario que el trabajador tenga conocimientos especializados. En algunos casos, la normativa específica aplicable al trabajo en cuestión determina las condiciones o certificados que debe tener el trabajador (véanse los comentarios al apartado 5 del artículo 4).
|
Observación:
El segundo párrafo del apartado 1 de este artículo no guarda relación con disposiciones relativas a los equipos. Debe entenderse que la referencia es al tercer párrafo, tal como se desprende del análisis de la propia Directiva.
Este apartado se refiere a la obligación de mantener los equipos de trabajo, no a la necesidad de que dicho mantenimiento se realice de manera segura. De ello se ocupa el Anexo II de este Real Decreto.
Mediante la aplicación a un equipo concreto de las condiciones a) y b) establecidas en el apartado 1 de este artículo, se determinan los requisitos específicos que el equipo debe cumplir en todo momento. Esto significa que, además de adoptar las medidas adecuadas para lograr la conformidad inicial del equipo, es necesario prever un mantenimiento que asegure que dicha conformidad perdura durante toda la vida del equipo. Para determinadas partes de los equipos, tales como resguardos, equipos de aspiración, sistemas de parada de emergencia o dispositivos de descarga de presión, resulta evidente la necesidad de realizar un mantenimiento adecuado para que realicen su función en cualquier momento en que ésta se requiera. Para otras partes, la necesidad de mantenimiento puede no ser tan clara; sin embargo, a título de ejemplo, no lubricar rodamientos o no sustituir filtros obstruidos puede conducir a agarrotamientos o sobrecalentamientos.
Es importante que los equipos de trabajo sean mantenidos de manera que sus características no se degraden hasta el punto de poner a las personas en situaciones peligrosas. La amplitud y complejidad del mantenimiento puede variar enormemente, desde la simple comprobación del estado de las herramientas manuales, hasta un programa integrado para un proceso de fabricación complejo.
Es necesario comprobar los equipos frecuentemente para garantizar que las funciones relativas a la seguridad se desempeñan correctamente. Un fallo que afecta a la producción normalmente se hace patente rápidamente. Sin embargo, un fallo en un sistema que desempeñe funciones de seguridad críticas (funciones cuyo disfuncionamiento elevaría inmediatamente el riesgo de lesión o daño para la salud) podría permanecer oculto a menos que los programas de mantenimiento prevean ensayos o inspecciones adecuadas. La frecuencia con la que se necesita verificar un equipo depende del propio equipo y de los riesgos inherentes al mismo; puede ser cada día, cada tres meses o incluso cada más tiempo.
Además, se tendrá en cuenta que otras reglamentaciones específicas pueden imponer requisitos mínimos para el mantenimiento, la inspección o los ensayos (véanse los comentarios al apartado 5 del artículo 4).
Art 3.5 (cont.) Dicho mantenimiento se realizará teniendo en cuenta las instrucciones del fabricante o, en su defecto, las características de estos equipos, sus condiciones de utilización y cualquier otra circunstancia normal o excepcional que pueda influir en su deterioro o desajuste. |
Incluso en el caso de equipos viejos, que no dispongan de su manual de instrucciones original, debería intentarse, en primera instancia, recurrir al fabricante (en particular si se prevé que el mantenimiento puede ser vital para la seguridad del equipo).
Art. 3.5 (cont.) Las operaciones de mantenimiento, reparación o transformación de los equipos de trabajo cuya realización suponga un riesgo específico para los trabajadores sólo podrán ser encomendadas al personal especialmente capacitado para ello. |
Este es un caso particular de la obligación genérica establecida en el segundo párrafo del apartado 4 de este artículo, que se refiere a las operaciones de transformación de un equipo de trabajo y a las operaciones complejas de reparación o de mantenimiento.
El personal que vaya a realizar dichas operaciones, con riesgos específicos, deberá disponer de la formación y el adiestramiento necesarios.
En general se pondrá especial atención en la información, las instrucciones y el adiestramiento apropiados para realizar trabajos de mantenimiento en condiciones adecuadas de seguridad, ya que gran número de los accidentes de trabajo se producen durante la realización de dichos trabajos.
Los ascensores, determinados tipos de grúas, las calderas y otros equipos a presión, los aparatos que utilizan gas como combustible, etc., son ejemplos de equipos cuya seguridad en la utilización depende en gran medida de las condiciones de instalación.
|
Las influencias susceptibles de causar deterioros son, esencialmente, de dos tipos: las tensiones que sufre un equipo como consecuencia de la naturaleza de las operaciones que efectúa, como, en el caso de las tuberías flexibles del sistema neumático o hidráulico de un equipo, la presión a la que están sometidas; o, en el caso de las grúas torre empleadas en las obras, las tensiones propias de la elevación de cargas; y la exposición a condiciones o agentes ambientales agresivos, como, en el caso de las grúas mencionadas anteriormente, la exposición a la intemperie (corrosión), o en el caso de los resguardos de material plástico transparente, el desgaste debido a las salpicaduras de fluidos, con la consiguiente pérdida de visibilidad.
Art. 4.2 (cont.)
|
La comprobación posterior a la transformación de un equipo de trabajo incluye la verificación de que no se han generado nuevos peligros o de que éstos se han tratado convenientemente, en particular si dicha transformación ha supuesto la incorporación de equipos auxiliares.
Las comprobaciones tras un periodo prolongado de desuso son especialmente útiles, no sólo para detectar los deterioros ocurridos en dicho periodo, sino también por ser frecuente el desconocimiento del estado del equipo en el momento en que dejó de utilizarse.
|
Con respecto a las comprobaciones impuestas por reglamentaciones específicas, véanse las observaciones al apartado 5 de este artículo. En otros casos, véanse los comentarios al párrafo tercero del apartado 5 del artículo 3. En esos casos, se deberán seguir las instrucciones establecidas por el fabricante del equipo o, si éstas no existen, será el empresario quien tendrá que definir qué requisitos debe reunir el personal competente.
|
Con respecto a las comprobaciones impuestas por reglamentaciones específicas, véanse las observaciones al apartado 5 de este artículo. En los demás casos, los registros impuestos por este apartado deberían seguir una estructura similar a la de los registros reglamentarios.
Art. 4.4 (cont.) Cuando los equipos de trabajo se empleen fuera de la empresa, deberán ir acompañados de una prueba material de la realización de la última comprobación. |
Basta un certificado o marca equivalente.
|
La reglamentación aplicable es muy extensa (véase el Anexo B de esta Guía). Quedan cubiertos, entre otros, los siguientes equipos:
Los Aparatos de Elevación y Manutención y, concretamente, los ascensores y determinados tipos de grúas.
Los Aparatos a Presión (incluidos, por ejemplo, las calderas y los extintores).
Los Aparatos de Gas.
Para cada equipo, la reglamentación concreta aplicable establece:
El tipo y condiciones de la comprobación.
Las ocasiones en que tiene que realizarse (tras la instalación, periódicamente y/o en determinadas circunstancias).
El personal competente para efectuarlas.
La obligación del empresario de garantizar una formación adecuada se refiere no sólo al personal que utilice directamente los equipos de trabajo, sino a los representantes de los trabajadores. El empresario debería valorar asimismo la necesidad de formación de supervisores y mandos, dado su peso específico en la cadena de seguridad. Para establecer la formación adecuada a cada destinatario, es preciso realizar un estudio de necesidades. En cada caso particular la formación requerida se podrá determinar evaluando la diferencia entre la competencia de la que disponen los trabajadores y la necesaria para utilizar, supervisar o controlar la utilización de los equipos de trabajo con respecto a la seguridad y la salud. Se deberían tener en cuenta las circunstancias en las que se encuentra el trabajador (por ejemplo: solo, bajo supervisión de una persona competente, como supervisor o como mando).
La formación se debería llevar a cabo mediante programas integrados en un plan de formación en la empresa. En aras de la máxima eficacia, se tendrá en cuenta que, además de la formación teórica, es imprescindible la formación a pie de equipo.
En cuanto a la obligación de informar, véanse los comentarios a los apartados 2 y 3 de este artículo.
|
La información puede darse por escrito, preferentemente, o mediante indicaciones verbales. Es el empresario el responsable de decidir, teniendo en cuenta las circunstancias particulares de cada caso, cuál es la forma apropiada. En cualquier caso, si se trata de información voluminosa, compleja o de uso poco frecuente, la información se debería dar por escrito. El empresario necesitará tener en cuenta aspectos tales como las aptitudes, la experiencia y la formación de los trabajadores implicados, el grado de supervisión y la complejidad y duración del trabajo concreto.
Para proporcionar información al trabajador, el empresario debe tener en cuenta en primer término la información escrita proporcionada por los fabricantes y suministradores. El manual de instrucciones de los equipos sujetos al marcado CE debe contener, a este respecto, una información suficiente, que permita realizar una instalación correcta, manejar el equipo y efectuar las operaciones de mantenimiento con seguridad. Dicha información podría utilizarse, incluso, como guía orientativa para establecer las indicaciones relativas al uso de equipos antiguos cuyo manual sea inadecuado o no esté disponible. Las referencias de la normativa aplicable a los distintos tipos de equipos sujetos al marcado CE (en la que se establece el contenido mínimo del manual de instrucciones) pueden consultarse en el Repertorio de Directivas sobre Seguridad en los Productos publicado por el INSHT (que se actualiza de forma periódica). Como ejemplo, en el Anexo C de esta Guía se recogen las prescripciones mínimas aplicables, con carácter general, al manual de instrucciones de cualquier máquina sujeta al marcado CE. El empresario debe comprobar que el manual de instrucciones acompaña al equipo y, si ha lugar, reclamarlo.
Conviene resaltar la necesidad de que la información suministrada al trabajador indique claramente tanto las condiciones y formas de uso correctas, como las contraindicadas, cubriendo todos los aspectos de seguridad y salud relativos a la utilización así como las dificultades que podrían surgir y la manera de resolverlas. No debe olvidarse que la utilización de útiles o herramientas a velocidades o con materiales inadecuados, el uso de recipientes no apropiados para contener determinados productos y otras prácticas similares contribuyen significativamente a la génesis de los accidentes.
|
Se trata de obtener un beneficio preventivo de los incidentes y observaciones que tienen lugar en la práctica habitual del trabajo.
|
La información debería ser lo más sencilla y breve posible, expresada en términos y unidades coherentes, aplicando el proceso de comunicación ver-pensar-utilizar, de acuerdo con la secuencia de operaciones a realizar. Si ha lugar, se debería dar una explicación clara de los términos técnicos inusuales.
El siguiente paso es poner la información en manos del personal que va a utilizar el equipo de trabajo. En particular, las instrucciones de mantenimiento deberían ser entregadas a las personas encargadas del mantenimiento del equipo de trabajo.
La información y las instrucciones escritas deberían estar también a disposición de supervisores y mandos, como responsables de su difusión y de la comprobación de su cumplimiento así como a la de los representantes de los trabajadores.
|
Véase la definición de trabajador expuesto, en el artículo 2.
|
Véanse las observaciones a los citados apartados.
Mediante este artículo se recuerda al empresario la obligación de consultar y permitir la participación de los trabajadores o sus representantes respecto a la elección de nuevos equipos, a la adaptación, en su caso, de los existentes y a sus condiciones y forma de utilización, en la medida en la que las decisiones que se tomen influyan significativamente sobre los riesgos para la seguridad y salud de los trabajadores.
Esta disposición se refiere no sólo a los equipos de trabajo que ya se estén utilizando, sino a todos aquellos que, en la fecha de entrada en vigor de este Real Decreto, se encuentren en la empresa o centro de trabajo, se hayan utilizado o no.
Véase el Anexo D de esta Guía.
|
Véase el Anexo E (Parte 1) de esta Guía.
|
Véase el Anexo E (Parte 2) de esta Guía.
|
Véase el Anexo D de esta Guía.
Véase el Anexo D de esta Guía.
Se trata de la presente Guía.
|
Disposiciones mínimas aplicables a los equipos de trabajo OBSERVACIÓN PRELIMINAR Las disposiciones que se indican a continuación sólo serán de aplicación si el equipo de trabajo da lugar al tipo de riesgo para el que se especifica la medida correspondiente. En el caso de los equipos de trabajo que ya estén en servicio en la fecha de entrada en vigor de este Real Decreto, la aplicación de las citadas disposiciones no requerirá necesariamente la adopción de las mismas medidas que las aplicadas a equipos nuevos. |
El empresario tiene que decidir si sus equipos de trabajo son conformes o no a las disposiciones de este anexo y, en caso de disconformidades, tiene que definir cuáles son las medidas preventivas que va a adoptar. Para ello debe realizar la evaluación de riesgos que exige la Ley de Prevención de Riesgos Laborales. Como regla general, para tomar decisiones, previamente se han de identificar los peligros que generan dichos equipos (es decir, cuáles son las fuentes con capacidad potencial de producir daños), las circunstancias en las que los trabajadores pueden estar expuestos a dichos peligros (situaciones peligrosas) y, en esas circunstancias, los sucesos que pueden dar lugar a que se produzca una lesión o un daño a la salud; finalmente, se estima la magnitud de los riesgos correspondientes.
En muchos casos (para equipos de poca complejidad), el usuario sabrá por experiencia qué medidas preventivas conviene adoptar para cumplir los requisitos reglamentarios. En otros casos deberá recurrir a la literatura técnica o buscar las soluciones empleadas en casos comparables. En último caso, si no se dispone de ninguna referencia, deberá realizar la evaluación de los riesgos de la forma más completa y detallada posible.
En algunos casos los requisitos establecidos en este anexo son poco precisos y su aplicación práctica depende del criterio que se utilice para determinar si un elemento o un modo de funcionamiento es seguro. Esta observación preliminar aclara que no se pretende aplicar a los equipos en servicio (usados) los mismos criterios de seguridad que a los equipos nuevos (sujetos al marcado CE). De todas formas, las medidas adoptadas en el caso de los equipos usados deberán garantizar un nivel de seguridad suficiente (a determinar en función de las circunstancias de cada caso particular), siendo proporcionales a la magnitud de los riesgos.
En el Anexo F de esta Guía se amplían los comentarios sobre el alcance y significado de esta observación preliminar. El Anexo G de esta Guía contiene una amplia bibliografía relativa a la evaluación de riesgos.
1. Disposiciones mínimas generales aplicables a los equipos de trabajo
|
Órganos de accionamiento
Los órganos de puesta en marcha, de parada y de parada de emergencia no son apropiados, en general, para equipos de trabajo sin partes móviles. Tampoco son apropiados cuando el riesgo de lesión es despreciable, por ejemplo, en el caso de relojes alimentados por pilas o de calculadoras alimentadas por energía solar.
Algunos equipos de trabajo son accionados directamente por la fuerza humana y, aunque su utilización implica un riesgo de lesión, sus características físicas y el hecho de que están bajo el control de la persona que los utiliza da lugar a que la aplicación de este punto no sea apropiada. Es el caso, por ejemplo, de las herramientas manuales, las guillotinas manuales, los taladros de mano, las segadoras de césped...
Otros tipos de equipos accionados directamente por la fuerza humana pueden no necesitar órganos de puesta en marcha, pero puede ser apropiado prever otros tipos de órganos de mando, en particular órganos de parada, si la acción del equipo de trabajo no se detiene necesariamente cuando cesa la aplicación de la fuerza humana, por ejemplo, un carrito para llevar equipajes.
Por el contrario, este apartado no sólo es aplicable a equipos de trabajo con partes móviles, sino a otros equipos que pueden generar un peligro, tales como hornos, generadores de rayos X y láseres. La decisión estará basada en la evaluación de riesgos.
Los órganos de accionamiento son todos aquellos elementos sobre los que actúa el operador para comunicar las órdenes a un equipo de trabajo, modificar sus parámetros de funcionamiento, seleccionar sus modos de funcionamiento y de mando o, eventualmente, para recibir informaciones. Se trata, en general, de pulsadores, palancas, pedales, selectores, volantes y, en el caso de algunos equipos de trabajo (por ejemplo máquinas), de teclados y pantallas interactivas (control numérico).
Uno de los objetivos de este apartado es establecer los requisitos que deben satisfacer los órganos de accionamiento con el fin de hacer posible una utilización sin riesgos de un equipo de trabajo, en particular cuando sea necesario readaptar total o parcialmente un pupitre de mando. Puesto que se trata de equipos de trabajo ya en servicio, no se pide la modificación total de dichos órganos en virtud del respeto a los principios de la ergonomía, sino solamente la de aquellos que, por su diseño o disposición, puedan dar lugar a accidentes o producir enfermedades relacionadas con el trabajo.
Los órganos de accionamiento deben estar claramente identificados y para ello se deberían utilizar colores y pictogramas normalizados (por ejemplo: 0/I, ). En su defecto, se puede poner una indicación clara de su función, por ejemplo: marcha/parada; manual/automático; lento/rápido; subir/bajar. A título indicativo los colores preferentes para las funciones principales de una máquina son los siguientes:
Puesta en marcha/puesta en tensión: BLANCO; en el caso de máquinas antiguas es aceptable el color VERDE.
Parada/puesta fuera de tensión: NEGRO; en el caso de máquinas antiguas es aceptable el color ROJO.
Parada de emergencia o iniciación de una función de emergencia: ROJO (sobre fondo AMARILLO, en el caso de un pulsador o de una manilla).
Supresión de condiciones anormales o restablecimiento de un ciclo automático interrumpido: AMARILLO.
Rearme: AZUL.
NOTA:
Para equipos de trabajo en uso, es aconsejable utilizar colores idénticos para funciones idénticas de los equipos de un mismo taller.
No es necesario identificar los órganos de accionamiento cuya función sea intuitiva; el volante o los pedales de un vehículo conforme al uso en carretera se encuentran, por ejemplo, en este caso.
Un órgano de accionamiento sólo debe ordenar una función y siempre la misma. Sin embargo, para ciertos mandos de las máquinas, por ejemplo teclados o botoneras portátiles, este requisito no es siempre realizable. En este caso se debe mostrar claramente la relación entre el órgano seleccionado y las diferentes funciones ordenadas.
Los órganos de accionamiento deberán estar situados fuera de las zonas peligrosas, salvo, si fuera necesario, en el caso de determinados órganos de accionamiento, y de forma que su manipulación no pueda ocasionar riesgos adicionales. |
Posicionamiento
Los órganos de accionamiento deberían estar reagrupados en la proximidad de los puestos de trabajo de manera que sean fácilmente accesibles para el operador. En la medida de lo posible deben estar situados fuera de las zonas peligrosas con el fin de que su maniobra no dé lugar a situaciones peligrosas.
En el caso de ciertos equipos de trabajo tales como máquinas de grandes dimensiones, instalaciones robotizadas, grandes máquinas transfer, etc., algunas operaciones, como las de reglaje, programación, aprendizaje, verificación u otras similares, se realizan desde el interior de un cierre perimetral y/o en la proximidad de los elementos peligrosos, estando anulado el sistema de protección previsto para el proceso de trabajo. Para ello se utiliza una botonera móvil que dispone de los órganos adecuados al tipo de operación a realizar, tales como dispositivo de validación, mando sensitivo, selector, órgano de puesta en marcha, órgano de parada y órgano de parada de emergencia.
No deberán acarrear riesgos como consecuencia de una manipulación involuntaria. |
Accionamiento involuntario
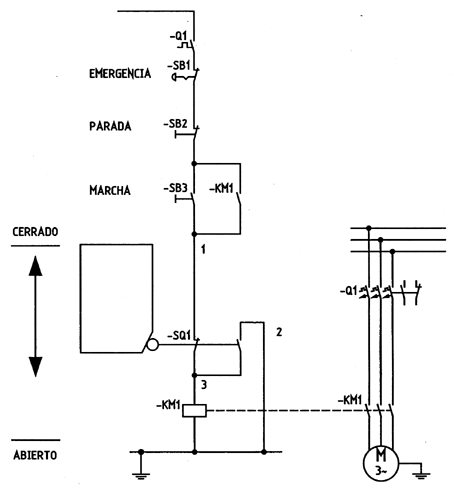
Con el fin de evitar funciones peligrosas intempestivas, estos órganos deben estar dispuestos y protegidos de manera que se impida un accionamiento involuntario por parte del propio operador o de otra persona, o debido a la caída de un objeto suficientemente pesado, al efecto de las vibraciones, al de las fuerzas de aceleración o a la rotura de un muelle. Soluciones tales como un pulsador encastrado, la aplicación de una separación suficiente, en el caso de mandos a dos manos, un pedal cubierto y cerrado lateralmente (teniendo en cuenta, si ha lugar, la necesidad de utilizar calzado de seguridad) y, si es preciso, dotado de un dispositivo de bloqueo, una simple barra fija delante de una palanca de mando, o un sistema que bloquee la palanca en la posición de parada, son ejemplos que permiten suprimir el riesgo (véase la figura 1).

Figura 1-Ejemplos de órganos de accionamiento protegidos contra un accionamiento involuntario
Si la puesta en marcha se realiza mediante un teclado o mediante un dispositivo multifunción, se debería requerir una señal de validación complementaria a la señal de inicio de dicha puesta en marcha.
Si fuera necesario, el operador del equipo deberá poder cerciorarse desde el puesto de mando principal de la ausencia de personas en las zonas peligrosas. Si esto no fuera posible, la puesta en marcha deberá ir siempre precedida automáticamente de un sistema de alerta, tal como una señal de advertencia acústica o visual. El trabajador expuesto deberá disponer del tiempo y de los medios suficientes para sustraerse rápidamente de los riesgos provocados por la puesta en marcha o la detención de los equipos de trabajo. |
Puesto de mando
Los equipos de trabajo de grandes dimensiones, tales como máquinas rotativas para periódicos, máquinas para fabricación de papel, trenes de laminación, grandes máquinas transfer, etc., en los que el operador no puede estar seguro de la ausencia de personas en todas las zonas peligrosas accesibles, deberán estar provistos de medios de control de acceso tales como resguardos móviles con dispositivos de enclavamiento o de enclavamiento y bloqueo y/o de dispositivos detectores de presencia que impidan la puesta en marcha de la máquina con operadores en zonas peligrosas y de un órgano de rearme que autorice o provoque una nueva puesta en marcha después de una intervención. En las zonas con alto riesgo (por ejemplo, zonas que requieren intervenciones regulares de mantenimiento, lo que implica abrir o anular resguardos y permanecer en dichas zonas) o en zonas del equipo que son atendidas por otras personas, se deben colocar dispositivos de autorización de puesta en marcha, para que sean accionados por el/los operador/operadores desde una posición segura junto con dispositivos sensibles, si es preciso. Si el riesgo es menor, se pueden utilizar dispositivos de parada fácilmente accesibles. Dichos dispositivos pueden ser los de parada de emergencia, siempre que la orden de parada no ordene una acción peligrosa (por ejemplo, cierre de una determinada zona para su aislamiento, inertización, etc.). Como medidas complementarias se pueden aplicar, si resultan útiles, espejos o incluso otros medios más sofisticados como cámaras de vídeo.
Cuando, por razones técnicas, no sea posible la aplicación de todos los medios apropiados (entrada o salida de productos, enrolladoras en las máquinas textiles, de imprimir o de fabricación de papel...), debe existir un dispositivo de advertencia acústica y/o visual que no dé lugar a ambigüedades, fácilmente perceptible y comprensible, que se active automáticamente antes de que se pongan en marcha los elementos peligrosos. En los casos en los que no se pueda garantizar que el sistema de advertencia sea percibido por todos los trabajadores expuestos, se deben elaborar y aplicar procedimientos de trabajo con el fin de eliminar o reducir la probabilidad de que cualquier trabajador esté sometido a riesgo como consecuencia de una puesta en marcha. Estos procedimientos se pueden basar, por ejemplo, en un código de señales y ademanes transmitidos por otros operarios (sistema similar al utilizado para guiar a los gruistas o a los conductores de cosechadoras).
Los sistemas de mando deberán ser seguros y elegirse teniendo en cuenta los posibles fallos, perturbaciones y los requerimientos previsibles, en las condiciones de uso previstas. |
Sistemas de mando
El sistema de mando de un equipo de trabajo juega un papel primordial en el comportamiento del mismo. A través de él se garantizan muchas de las funciones de seguridad del equipo. Entre éstas se pueden citar, por ejemplo: el enclavamiento entre un resguardo y la maniobra de puesta en marcha/parada del motor de accionamiento de un elemento peligroso; la parada en punto muerto superior de una prensa; un dispositivo de mando a dos manos y la maniobra asociada al mismo, etc.
Se considera que un sistema de mando cumple los requisitos establecidos si realiza la(s) función(es) de seguridad requerida(s), cada una de ellas tiene la resistencia a defectos (1) peligrosos adecuada al nivel de riesgo y es capaz de soportar los esfuerzos que requiere su funcionamiento y la acción de las influencias a que está sometido (por los materiales procesados, las vibraciones, etc.).
(1) En la práctica los términos "defecto" y "fallo" se utilizan frecuentemente como sinónimos. Por ello, en adelante se utilizan la expresión "resistencia a fallos", que está más extendida.
Los fallos en la alimentación de energía y los fallos en cualquiera de los elementos integrantes del sistema de mando pueden dar lugar a sucesos peligrosos, tales como una puesta en marcha intempestiva, la anulación de un dispositivo de protección, la imposibilidad de parar un equipo, la caída o proyección de elementos, etc. Se trata de conseguir, en primer lugar, que dichos fallos no se puedan producir; si esto no es posible, se tratará de que dichos fallos conduzcan a un estado de seguridad, o bien de que se puedan compensar por la acción de otro elemento que ejerce la misma función y que, en caso de defecto, sustituye al elemento defectuoso de forma automática. Finalmente, se trata de que su probabilidad de aparición sea lo más baja posible.
La resistencia a fallos peligrosos es un aspecto fundamental al diseñar o seleccionar las partes de los sistemas de mando con funciones de seguridad (incluyendo los dispositivos de protección asociados a ellas). Dicha resistencia a fallos peligrosos debe ser tanto mayor cuanto mayor sea la magnitud del riesgo que se pretende reducir.
En el Anexo H de esta Guía se proporciona información adicional sobre la aplicación de técnicas, principios y componentes para prevenir sucesos peligrosos y se diferencian distintas categorías de resistencia a fallos de las partes de los sistemas de mando relativas a la seguridad, que pueden ser aplicables a máquinas antiguas (que, por razones obvias, son las que suelen presentar mayores deficiencias).
Normas de interés:
UNE-EN 954-1
UNE-EN 1050
UNE-EN 982
UNE-EN 983
UNE-EN 60204-1
UNE-EN 201
UNE 81602
UNE-EN 692
|
Puesta en marcha
La puesta en marcha de un equipo de trabajo sólo será posible mediante uno o varios órganos de accionamiento. La actuación sobre el órgano no implica necesariamente la puesta en marcha del equipo, ya que puede ser necesario que se cumplan previamente ciertas condiciones relativas al funcionamiento o a los dispositivos de protección, antes de la puesta en marcha efectiva.
Exigir una acción voluntaria del operador para obtener la puesta en marcha de un equipo de trabajo es uno de los principios fundamentales de prevención. El objetivo es garantizar que ningún cambio en las condiciones o modos de funcionamiento del equipo coja de improviso al operador o a cualquier otro trabajador. Por ejemplo, en la industria del metal se utilizan algunas máquinas con varias funciones para punzonar y cizallar mediante diversas herramientas situadas en diferentes partes de la máquina; la seguridad en estas máquinas se obtiene mediante una combinación de procedimientos de trabajo seguros y de resguardos adecuados a las características de la pieza; es esencial que la función de la máquina (por ejemplo, punzonar o cizallar) se cambie mediante una acción consciente y positiva del operador y que las partes de la máquina que no se utilizan no puedan ponerse en marcha inesperadamente. Otro ejemplo lo constituyen las máquinas combinadas utilizadas para trabajar la madera.
La puesta en marcha después de una parada está sujeta a los mismos requisitos. La parada puede ser voluntaria o puede haber ocurrido, por ejemplo, por la activación de un dispositivo de protección (parada involuntaria). La puesta en marcha después de la parada del equipo no se debería producir de manera intempestiva si ello puede tener consecuencias sobre la seguridad y la salud de los operadores.
Por tanto, se debe impedir que un equipo de trabajo se pueda poner en marcha:
por el cierre de un resguardo con dispositivo de enclavamiento;
cuando una persona se retira de una zona cubierta por un dispositivo sensible, tal como una barrera inmaterial;
por la maniobra de un selector de modo de funcionamiento;
por el desbloqueo de un pulsador de parada de emergencia;
por el rearme de un dispositivo de protección térmica, salvo en ausencia de riesgo como es el caso, por ejemplo, de pequeños electrodomésticos.
Estas maniobras no deben tener otra misión que la de autorizar la puesta en marcha, que será generada posteriormente por una acción voluntaria sobre el órgano de accionamiento previsto para ello.
No obstante, en el caso de equipos de trabajo que cumplan requisitos muy especiales, se podría admitir que la orden de puesta en marcha se generara mediante el cierre de un resguardo (véase el apartado 2.2.2.3 del Anexo J de esta Guía).
De una manera similar, cualquier modificación inesperada en las condiciones de funcionamiento, tal como un aumento de velocidad, presión, temperatura o potencia, podrían sorprender al operario. Por tanto, sólo debería ser posible realizar dichas modificaciones utilizando un órgano previsto al efecto, salvo que las mismas no den lugar a un aumento del riesgo.
En el caso de máquinas automáticas, no es apropiado exigir órganos de accionamiento separados para cambiar las condiciones de funcionamiento, cuando dichas modificaciones forman parte del ciclo normal de trabajo. Sin embargo, cuando se realizan intervenciones fuera de la secuencia normal, tales como ajustes, limpieza, etc., deben existir órganos de puesta en marcha, conforme a lo expuesto anteriormente.
El órgano de puesta en marcha no tiene por qué ser siempre un órgano independiente. Puede estar combinado con otras funciones del equipo, como la función de parada, siempre que ésta no sea la parada de emergencia. Los órganos de mando sensitivos son un ejemplo de órganos que combinan la puesta en marcha y la parada; se deben diseñar de manera que la parada tenga prioridad sobre la puesta en marcha al soltar el órgano. Son de aplicación a herramientas portátiles a motor.
Normas de interés:
UNE-EN 292-1
UNE-EN 292-2
UNE-EN 60204-1
|
Observación:
En este apartado se utiliza varias veces el término órganos de accionamiento, aunque no siempre con el mismo significado. De acuerdo con la terminología técnica, los órganos de accionamiento son los elementos mediante los cuales se transmite una orden. Por tanto, al final del segundo párrafo debería decir accionadores, que son los mecanismos de potencia utilizados para producir los movimientos peligrosos del equipo de trabajo.
Parada general
Se trata de poner a disposición de los operadores los medios de obtener la parada de todo el equipo de trabajo en condiciones seguras, garantizando principalmente que la máquina no pueda volver a ponerse en marcha de manera intempestiva.
Este requisito, aunque sea de un nivel inferior al de la consignación (véase el apartado 1.12 de este anexo), implica la interrupción de la alimentación de energía de todos los accionadores, tal como se indica en la tercera frase del segundo párrafo.
El mando de parada general no está destinado a suprimir una situación peligrosa que se esté produciendo (salvo en casos particulares), sino que la parada debe realizarse en las condiciones más adecuadas, siguiendo una secuencia de parada si es preciso, de acuerdo con las necesidades del equipo o del proceso. Por ejemplo: no sería seguro ordenar la parada total de una máquina con su propio equipo hidráulico, si dicha parada puede provocar que se desplome; igualmente, la parada de la unidad de mezclado de un reactor durante ciertas reacciones químicas podría dar lugar a una reacción exotérmica peligrosa.
El órgano de accionamiento que permite obtener esta parada puede ser, por ejemplo:
un simple pulsador (caso más general) que actúe sobre uno o varios contactores de potencia o sobre el dispositivo de conexión de un grupo hidráulico o sobre una válvula general de corte de un sistema neumático;
un interruptor;
un pedal de parada.
Parada desde el puesto de trabajo
La primera frase del segundo párrafo es aplicable a los equipos de trabajo que presentan una cierta complejidad, con varios puestos de trabajo o de intervención. Se encuentran en este caso, por ejemplo, los conjuntos automáticos de fabricación o de almacenamiento, en los que están encadenadas automáticamente varias operaciones.
Esta función de parada está destinada a permitir que un operador pueda parar el equipo de trabajo cuando se está produciendo un incidente o bien obtener una parada cuando debe intervenir en una zona peligrosa para una operación puntual. Por tanto, los operadores deben disponer en cada puesto de trabajo de un órgano de accionamiento que permita obtener esta función de parada que, en general, estará limitada a las partes peligrosas controladas desde dicho puesto de trabajo. Así, por ejemplo, se puede permitir que un ventilador siga funcionando si dispone de la protección adecuada.
Como en el caso de la parada general, la actuación sobre el órgano de parada no tiene por qué suponer una acción inmediata; puede llevar el equipo al estado de parada según una secuencia determinada o al terminar un ciclo, si es preciso por razones de seguridad. Esto puede ser necesario en algunos procesos, por ejemplo, para evitar un incremento peligroso de la temperatura o de la presión o para permitir una deceleración controlada de elementos rotativos de gran tamaño con gran inercia.
La tercera frase del segundo párrafo exige la interrupción de la energía de los accionadores. Este requisito puede no ser respetado para la parada desde el puesto de trabajo:
cuando la presencia de energía es necesaria para mantener elementos en posición, como sucede en el caso de los robots;
cuando la parada se obtiene por desacoplamiento mecánico de los elementos móviles, como en el caso de las prensas provistas de embrague/freno.
El órgano de accionamiento es, en general, un simple pulsador o un interruptor de dos posiciones.
Prioridad de las órdenes de parada sobre las de puesta en marcha
La segunda frase del segundo párrafo exige la prioridad de las órdenes de parada sobre las órdenes de puesta en marcha y, en general, sobre cualquier otra orden. Este requisito se aplica igualmente a la función de parada general definida en el primer párrafo de este apartado.
Si es factible, sólo debería requerir una breve acción manual para activarla, aun en el caso de que la parada y la secuencia de desconexión iniciada puedan necesitar algún tiempo hasta completarse.
Parada de emergencia
El tercer párrafo de este apartado se refiere a la parada de emergencia. Un dispositivo de parada de emergencia debe permitir parar una máquina en las mejores condiciones posibles. En el caso de elementos móviles, la parada de emergencia se realizará mediante una deceleración óptima de dichos elementos, obtenida:
mediante la interrupción inmediata de la alimentación de energía de los accionadores;
mediante una parada controlada: los accionadores permanecen alimentados con el fin de que puedan llevar a la máquina a la parada y, cuando la parada ya está obtenida, se interrumpe la alimentación (esto se aplica fundamentalmente a los motores provistos de variadores).
NOTA:
Se puede encontrar información adicional sobre categorías de parada en la norma UNE-EN 60204-1.
El órgano de mando que permite obtener esta función de parada de emergencia (pulsador de seta, cable, barra, pedal...) debe ser de color rojo y preferentemente sobre un fondo amarillo.
Se debería prever una parada de emergencia siempre que las medidas de protección no sean adecuadas para evitar el riesgo, cuando se produce algún suceso peligroso. Sin embargo, una parada de emergencia no se puede considerar como sustitutivo de las medidas de protección necesarias. Por ejemplo, se precisará la parada de emergencia en situaciones en las que una persona esté expuesta a un peligro o en las que el fallo de una máquina da lugar a peligros adicionales (embalamiento, imposibilidad de parar, secuencia incontrolada de un sistema automático, rotura de conductos con fluidos a presión, etc.).
Sin embargo, si dicho suceso peligroso se puede producir rápidamente (por ejemplo, fallo del sistema de protección de una guillotina alimentada manualmente), es improbable que una parada de emergencia aporte alguna ventaja, ya que el operario no tendrá tiempo de reaccionar; en ese caso no sería apropiada una parada de emergencia.
En realidad, tratándose en particular de máquinas usadas, la aplicación de un dispositivo de parada de emergencia no tiene sentido más que si el tiempo de parada que se obtiene es netamente más corto que el obtenido mediante la parada normal.
Ahora bien, en el caso de elementos móviles, es frecuente que, por razones técnicas, sea difícil o incluso imposible adaptar en máquinas usadas un dispositivo de frenado. En esas condiciones no se aplica este apartado, aunque esto no significa que no se deban adoptar otras medidas alternativas. Puede ser el caso, por ejemplo, de ciertas máquinas para trabajar la madera o de una piedra de esmeril. Sin embargo, no puede excluirse de la obligación de un frenado eficaz a máquinas en las que el tiempo de parada está asociado a una situación de riesgo alto, como puede ser el caso, por ejemplo, de las mezcladoras de cilindros para caucho y plásticos.
Normas de interés:
UNE-EN 60204-1
UNE-EN 982
UNE-EN 983
UNE-EN 418
|
Proyecciones, caída de objetos
El objetivo que se pretende en este apartado es la protección contra los peligros mecánicos de caída o de proyección de objetos provenientes de un equipo de trabajo. Por tanto, se deben tener en cuenta:
Los objetos cuya caída o proyección está normalmente ligada a la explotación del equipo de trabajo (virutas, productos incandescentes de soldadura, fluidos de corte, partículas abrasivas...).
Los objetos que, previsiblemente, pueden salir proyectados o caer accidentalmente (fragmentos de herramientas, partes móviles de los mandrinos, contrapesos, elementos de equilibrado, tabla de un andamiaje,...).
Las medidas preventivas están destinadas a proteger no solamente a los operadores sino a cualquier otra persona que pueda estar expuesta a dichos peligros (hay que tener en cuenta que los objetos y partículas pueden salir proyectados a gran velocidad y a gran distancia).
Dichas medidas consisten esencialmente en:
Proveer a los equipos de trabajo de resguardos fijos o móviles que puedan retener dichos objetos o partículas y que molesten lo menos posible a la hora de realizar el trabajo (véase el apartado 1.8 de este anexo).
En la medida de lo posible, disponer los equipos de trabajo de manera que se evite que las personas se puedan encontrar permanentemente en la trayectoria de los objetos o partículas en movimiento.
Colocar obstáculos o cualquier otro medio para impedir que las personas puedan circular por las zonas en las que se pueden producir estos peligros.
|
Emisión de gases, vapores, líquidos o polvo
Este apartado se refiere fundamentalmente a máquinas y aparatos fijos que trabajan en proceso abierto, aunque es aplicable también a determinados equipos portátiles de uso extendido (pulidoras, amoladoras, etc.). El objetivo es impedir o, si esto no es posible, reducir la dispersión en el ambiente de sustancias peligrosas para la salud (que pueden presentarse en forma de gas, vapor, líquido o polvo).
Las máquinas o equipos nuevos, sujetos al marcado CE, que presenten este tipo de peligro (por emisión de gases, vapores, líquidos o polvo) ya deben estar provistas de campanas y/o conductos a los que se pueda acoplar fácilmente un sistema de extracción.
En el caso de equipos de trabajo ya en uso puede ser preciso evaluar el riesgo para decidir si es necesario tomar medidas preventivas y, en particular, medidas de ventilación localizada. El nivel de riesgo depende de las propiedades peligrosas de la sustancia, de la intensidad de la emisión y de las condiciones del trabajo (en particular, de las relativas al uso del equipo) que determinan la exposición del trabajador a dicha sustancia.
Si el resultado de la evaluación muestra la necesidad de tomar medidas preventivas, será preciso diseñar e implantar un sistema de captación y extracción. Puede ser necesario o conveniente, además, tomar otras medidas preventivas complementarias:
de ventilación
de organización del trabajo
y, en última instancia, de protección individual.
En el Anexo K de esta Guía se amplía la información sobre esta materia.
Normas de interés:
UNE-EN 626-1 y 2
|
Estabilidad
El objetivo de la primera frase de este apartado es evitar que un equipo de trabajo vuelque, bascule o se desplace intempestivamente por pérdida de estabilidad.
El análisis de la estabilidad de la máquina debe comprender no sólo la estabilidad estática sino también la estabilidad dinámica, teniendo en cuenta las fuerzas externas previsibles, tales como presión del viento, golpes, vibraciones,... y las fuerzas dinámicas internas, tales como fuerzas centrífugas, fuerzas de inercia, fuerzas electrodinámicas...
En el caso de equipos de trabajo en uso, su estabilidad estará garantizada, si es preciso, por fijación del mismo al suelo; según los casos se deberán aplicar otras medidas tales como limitar los movimientos de determinadas partes del equipo.
La mayoría de las máquinas fijas deberían estar ancladas al suelo o de lo contrario estar sujetas de manera que no se muevan ni puedan tener sacudidas durante la utilización. Está ampliamente reconocido que las máquinas para trabajar la madera y otros tipos de máquinas (excepto las diseñadas como máquinas transportables), deberían estar ancladas al suelo o estar aseguradas por medios similares, para evitar movimientos inesperados.
La sujeción se puede realizar mediante elementos de sujeción del equipo sobre una base o una estructura adecuada. Otros medios incluyen los amarres a una estructura o plataforma soporte.
Si la estabilidad de un equipo de trabajo no es inherente a su diseño y utilización, o si está montado en una posición en la que podría estar comprometida su estabilidad, por ejemplo, debido a condiciones climatológicas severas, se deberían tomar medidas adicionales para garantizarla. Los andamiajes son vulnerables a vientos fuertes y, por tanto, será necesario aplicar medidas como pantallas, amarres adicionales, disminución de la resistencia al viento de los medios de protección colectiva acoplados a ellos, etc.
También se debe tener en cuenta que para algunas máquinas portátiles, por ejemplo las sierras de calar, que entran en contacto con la pieza a trabajar a través de una plantilla, la estabilidad durante la utilización está condicionada a la forma y dimensiones de dicha plantilla.
Medios de acceso y permanencia
Si, además, la utilización del equipo de trabajo requiere la presencia de uno o varios operarios sobre el mismo y, en particular, en zonas con peligro de caída de altura de más de 2 metros, debe dedicarse una atención especial tanto a los medios de acceso como a la zona de permanencia, tal como se indica en las dos últimas frases de este apartado.
En estos casos se debe colocar una advertencia en el equipo de trabajo y establecer las instrucciones y/o procedimientos de trabajo adecuados.
Las características de los medios de acceso, plataformas y barandillas están reguladas por el Real Decreto 486/1997, sobre lugares de trabajo. Si es preciso sustituir alguno de ellos, puede resultar de interés consultar las normas de la serie EN ISO 14122.
|
Estallidos, roturas
Los elementos de un equipo de trabajo a los que se refiere este apartado son aquellos en los que no se dominan todas las características de diseño o de explotación y que, por ello, pueden presentar peligros de rotura o de estallido por efecto:
de los esfuerzos normales de explotación (fuerza centrífuga, presión...);
de los esfuerzos excepcionales normalmente previsibles (choque, golpe de ariete...);
del envejecimiento de los materiales.
No se incluye, por tanto, el peligro de explosión, que se trata en el apartado 1.15 de este anexo.
Están particularmente afectados por este apartado las muelas, determinadas herramientas rotativas, los órganos de trabajo con elementos añadidos (plaquetas de carburo, por ejemplo), las tuberías flexibles hidráulicas sometidas a fuertes solicitaciones...
En el caso particular de las muelas abrasivas, para minimizar el peligro de estallido, además de observar las reglas de manipulación y montaje de la muela (incluyendo la verificación y el almacenamiento), ésta debería girar siempre dentro de los límites de velocidad establecidos. Si su tamaño lo permite, dicha velocidad debe estar indicada sobre la propia muela; las muelas de menor tamaño deberían tener un letrero o etiqueta colocado en el lugar de trabajo con la velocidad máxima de rotación permisible.
La protección consiste en dotar a los equipos de trabajo de resguardos suficientemente resistentes para retener los fragmentos de la muela; sin embargo, ya que esta medida de protección tiene sus limitaciones, teniendo en cuenta principalmente las necesidades de explotación, es preciso ante todo:
Respetar las condiciones de utilización de dichos equipos especificadas por el fabricante.
Prestar una atención especial al mantenimiento, en particular cuando no es posible aplicar resguardos eficaces.
La protección debe cumplir además los requisitos del apartado 1.8 de este anexo.
Si se trata de equipos de trabajo con velocidad variable (esmeriladoras, sierras de disco, tupís...), se debe garantizar además la adecuación y el buen funcionamiento del sistema de regulación de velocidad. Dicho sistema se debe revisar periódicamente, de manera exhaustiva.
En el caso de proyecciones de alta energía (por ejemplo, fluidos a alta presión, superior a 15 MPa, en máquinas hidráulicas), las medidas preventivas comprenden:
instalar válvulas limitadoras de presión;
instalar resguardos fijos para la protección contra el peligro de latigazos de las tuberías flexibles o sujetar éstas mediante vainas amarradas y, si procede, sustituirlas, seleccionarlas adecuadamente, con un coeficiente de seguridad de 4 y fijar la fecha para una nueva sustitución;
aplicar las reglamentaciones específicas en el caso de recipientes y equipos a presión.
Documentos de interés: Prevención en la utilización de muelas abrasivas. Colección de informes técnicos nº 4. Gobierno Vasco. Departamento de Trabajo y Seguridad Social.
|
Elementos móviles y resguardos y dispositivos de protección
El objetivo de este apartado es suprimir o reducir los riesgos debidos a los peligros mecánicos (atrapamiento, aplastamiento, arrastre, cizallamiento, etc.) producidos por los elementos móviles de transmisión (ejes, árboles, poleas, rodillos, engranajes, etc.) o de trabajo (herramientas, muelas, matrices, etc.).
En general, no es necesario acceder a los elementos de transmisión cuando están en movimiento. Por tanto, la solución más sencilla para impedir que se puedan alcanzar consiste en colocar resguardos fijos. Si es preciso acceder a ellos con frecuencia, normalmente será necesario emplear resguardos móviles asociados a un dispositivo de enclavamiento o bien dispositivos sensibles. En la práctica las máquinas viejas están a menudo equipadas con resguardos móviles sin enclavamiento; en estos casos será necesario transformarlos en fijos, ponerles una cerradura con llave o asociarlos a un dispositivo que permita garantizar el enclavamiento entre dichos resguardos y los accionadores.
Siempre que sea posible, se debe impedir totalmente el acceso a los elementos móviles de trabajo; para conseguirlo se pueden emplear resguardos fijos (en las partes a las que no es preciso acceder normalmente), resguardos móviles asociados a un dispositivo de enclavamiento o de enclavamiento y bloqueo, o bien dispositivos de protección (barreras fotoeléctricas, mandos a dos manos, etc.), que garanticen la parada de los elementos móviles antes de que se pueda acceder a ellos. Cuando la naturaleza del trabajo hace necesario acceder a una parte del elemento móvil (por ejemplo, en el caso de las sierras circulares para cortar madera), es preciso colocar resguardos móviles fácilmente regulables en dicha parte y resguardos fijos en las partes restantes. Finalmente, si los elementos móviles deben ser accesibles, se pueden adoptar medidas técnicas para reducir las consecuencias de un accidente (por ejemplo, limitar velocidades, utilizar dispositivos de parada de emergencia adecuadamente dispuestos), así como otras medidas preventivas complementarias (formación, procedimientos de trabajo, protección individual, etc.).
En la selección de una medida de protección se deben tener en cuenta: el riesgo a tratar, las condiciones del equipo de trabajo y de su utilización y las tareas a realizar.
NOTA:
En ciertos casos el coste del equipo de protección y su repercusión en el proceso de trabajo puede hacer aconsejable la sustitución del equipo de trabajo.
Estas medidas no deben obstaculizar excesivamente las operaciones a realizar, porque esto induce a su retirada o neutralización. En general, es aconsejable recurrir a resguardos y dispositivos de protección (comercializados como componentes de seguridad, de acuerdo con los requisitos de la Directiva 89/392/CEE, modificada, transpuesta por el Real Decreto 1435/1992, modificado por el Real Decreto 56/1995), que dispongan de la declaración CE de conformidad. Si es preciso diseñar y construir los resguardos y dispositivos de protección, se deben cumplir una serie de requisitos, que también se deberán respetar al aplicar los apartados 1.4 y 1.7 de este anexo. Evidentemente estos requisitos sólo se aplican en la medida en que son pertinentes respecto al tipo de resguardo o de dispositivo de protección considerado.
En el Anexo J de esta Guía se amplía la información sobre esta materia.
Normas de interés y documentos útiles:
UNE-EN 953
UNE-EN 574
UNE-EN 1088
UNE-EN 294
UNE-EN 811
UNE-EN 1760-1
UNE-EN 61496-1
CEI 61496-2
Notas Técnicas de Prevención del INSHT (NTP) nos: 10; 11; 12; 13; 33; 67; 68; 69; 88; 89; 90; 91; 92; 96; 98; 121; 127; 129; 130; 131; 133; 149; 150; 152; 153; 154; 186; 187; 235; 256; 281;
|
Iluminación
El objetivo es asegurar en cada puesto de trabajo o de intervención (inspección, mantenimiento, reparación,...) un nivel de iluminación adecuado, teniendo en cuenta el tipo de trabajo a realizar y la naturaleza del puesto (en el Anexo IV del RD 486/1997, sobre los Lugares de trabajo -BOE 23.4.97- se establecen los niveles de iluminación requeridos en función de las exigencias visuales de las tareas desarrolladas). (La Guía Técnica para la evaluación y prevención de los riesgos relativos a la utilización de los lugares de trabajo, elaborada por el INSHT, ofrece información más amplia a este respecto).
Es evidente que el nivel de iluminación necesario será muy diferente según que se trate, por ejemplo, de un simple puesto de alimentación de la máquina o de un puesto de trabajo en micromecánica de alta precisión.
Para alcanzar este objetivo es posible:
utilizar la iluminación ambiente natural o artificial presente en el lugar de trabajo, siempre que ésta sea suficiente;
instalar, de manera permanente, un aparato adicional para iluminación localizada en el puesto de trabajo;
cuando se trata de zonas en las que las intervenciones son poco frecuentes, tales como las operaciones de mantenimiento, disponer una toma de corriente situada en la máquina o en su proximidad, que permita la conexión de una lámpara portátil. Los resultados de la evaluación de riesgos determinarán si las intervenciones son lo suficientemente regulares como para disponer de un aparato de iluminación permanente.
En cualquier caso es preciso:
evitar deslumbramientos del operador o de otros trabajadores situados en zonas adyacentes;
evitar sombras que dificulten la realización de la tarea;
garantizar la discriminación de colores de la tarea visual;
evitar el efecto estroboscópico, es decir: que un objeto que gira u oscila se vea como si estuviera en reposo;
lograr que el propio equipo de iluminación no cree nuevos peligros, por ejemplo, por rotura de una bombilla, por calor excesivo, por emisión de radiaciones, por contacto con la energía eléctrica...
En lo que se refiere a los equipos de iluminación integrados en las máquinas o a las lámparas portátiles, utilizadas por ejemplo, para operaciones de mantenimiento o reparación, se pondrá especial atención en la protección contra contactos directos e indirectos en ambientes húmedos o muy conductores (véase la norma UNE-EN 60204-1). En cualquier caso se deben cumplir los requisitos del Reglamento Electrotécnico para Baja Tensión.
Igualmente, se procurará evitar el empleo de un solo tubo fluorescente porque, a pesar de que este material ha mejorado mucho con los avances tecnológicos, puede dar lugar a efectos estroboscópicos peligrosos en máquinas con movimientos rotativos o alternativos.
Normas de interés:
UNE-EN 1837
|
Temperaturas elevadas, temperaturas muy bajas
El objetivo es suprimir o reducir los riesgos de quemaduras, escaldaduras, congelaciones y otras lesiones producidas por:
contacto con elementos de transmisión de energía calorífica como, por ejemplo, una plancha, las canalizaciones, bridas, uniones, válvulas, etc. para la conducción de fluidos, vapores o gases a temperatura elevada o contacto con llamas, en el caso de hogares, hornos, calderas...;
radiación de fuentes de calor;
contacto con superficies a temperaturas muy bajas como, por ejemplo, instalaciones frigoríficas...
NOTA:
Generalmente, las superficies muy frías, en contacto con la atmósfera, quedan recubiertas de hielo, por lo que las consecuencias por contacto con dichas superficies están muy limitadas.
El contacto con este tipo de elementos o superficies puede ser voluntario, por ejemplo, para accionar un órgano del equipo, o involuntario, cuando alguien está cerca de un equipo. Algunos equipos están necesariamente a temperaturas elevadas por exigencia del proceso y los trabajadores deben estar cerca del equipo para realizar su trabajo como, por ejemplo, en equipos de fundición, forja, moldeo, vulcanizado...
La temperatura superficial a considerar para evaluar el riesgo depende de la naturaleza del material (metal, material plástico...) y de la duración del contacto con la piel. A título indicativo, en el caso de una superficie metálica lisa, se admite generalmente que no existe riesgo de quemadura por contacto involuntario (máximo 2 a 3 segundos) si su temperatura no excede de 65ºC. Por debajo de esta temperatura no es necesario, por tanto, la aplicación de medidas preventivas.
En el caso de que exista riesgo de quemaduras, se pueden aplicar una o varias de las medidas siguientes, siempre que no interfieran en el proceso de trabajo:
colocación de un aislante térmico alrededor de los elementos peligrosos;
adaptación de resguardos para permitir la evacuación de calorías (rejillas, chapa perforada...);
supresión global de acceso a la zona peligrosa mediante barandillas o cualquier otro tipo de resguardo material;
aplicación de cortinas de aire o de agua.
En los casos en que las superficies deben estar calientes y accesibles, será necesario utilizar los equipos de protección individual apropiados. A este respecto debe aplicarse el Real Decreto 773/1997, de 30 de mayo, sobre utilización de equipos de protección individual.
Si es preciso se señalizarán e identificarán convenientemente las partes calientes o frías accesibles que no puedan reconocerse fácilmente y se proporcionarán la formación e información oportunas.
En otros casos es posible que estas medidas deban combinarse con la rotación de puestos de trabajo.
Normas de interés:
UNE-EN 563
y
|
Señalización
Este requisito forma parte de las medidas preventivas clasificadas como medidas de información, que en ningún caso podrán considerarse como medidas sustitutorias de las medidas técnicas y organizativas.
Cuando la variación de los parámetros de funcionamiento de un equipo de trabajo puede dar lugar a una situación peligrosa, es necesario dotar a dicho equipo de las medidas que permitan advertir eficazmente al operador o a cualquier otra persona afectada por el peligro generado.
Estas informaciones de seguridad están generalmente ligadas a la detección de umbrales de advertencia (presión, temperatura, velocidad, presencia de sustancias peligrosas...) y sólo son útiles para parámetros sobre los que el operador tiene la posibilidad de actuar. Deben poder ser percibidas claramente desde el puesto de mando o en una zona más amplia, si afectan a terceros que pueden estar expuestos o que tengan la posibilidad de intervenir.
Normalmente se presentan en forma de señales luminosas o sonoras pero también pueden presentarse en forma de mensajes en una pantalla de visualización. También se pueden utilizar marcas, números, pictogramas, palabras... Determinados aspectos de la señalización, relativos a colores de seguridad y características de las señales, que también se pueden aplicar a equipos de trabajo, están definidos en el Real Decreto 485/1997, de 14 de abril, sobre señalización de seguridad y salud en el trabajo.
Los equipos, que comprenden no sólo los propios dispositivos de señalización sino, sobre todo, los detectores de umbral (presostato, termostato...), deben ser instalados, mantenidos y verificados con la mayor atención.
A título indicativo los colores para los indicadores y señales luminosas recomendables son los siguientes:
Verde: Condición normal / Fin de alarma
Amarillo: Anomalía / Intervención
Rojo: Peligro / Acción urgente
Cuando el operador debe elegir entre diferentes modos de funcionamiento y de mando o cuando debe variar determinados parámetros en explotación normal, el equipo de trabajo debe disponer de todas las indicaciones necesarias para un funcionamiento seguro (órdenes de marcha y de parada, velocidad máxima de rotación de una muela abrasiva, velocidades de corte para una máquina-herramienta, presión de apriete de una pieza...). Estas informaciones pueden estar colocadas en el propio equipo de trabajo, que es la solución más eficaz, o en la proximidad del puesto de trabajo, con la condición de que la visualización esté fijada de manera permanente.
Para la aplicación de nuevas señales, véanse las normas UNE-EN 457; UNE-EN 842; UNE-EN 981y la serie UNE-EN 61310.
|
Consignación
El objetivo de este apartado es conseguir, siempre que se pueda, que las intervenciones que haya que realizar en un equipo de trabajo, en particular las operaciones de mantenimiento, reparación, limpieza..., no supongan ningún riesgo, gracias a una consignación.
La consignación de un equipo de trabajo comprende esencialmente las siguientes acciones:
separación del equipo de trabajo (o de elementos definidos del mismo) de todas las fuentes de energía (eléctrica, neumática, hidráulica, mecánica y térmica);
bloqueo (u otro medio para impedir el accionamiento) de todos los aparatos de separación (lo que implica que dichos dispositivos deberían disponer de los medios para poder ser bloqueados). En el caso de máquinas pequeñas, la evaluación del riesgo puede poner de manifiesto que se dan circunstancias favorables que hacen innecesario el bloqueo del aparato de separación, por ejemplo, cuando éste es accesible para la persona que realiza las operaciones;
disipación o retención (confinamiento) de cualquier energía acumulada que pueda dar lugar a un peligro;
NOTA:
La energía puede estar acumulada, por ejemplo, en:
elementos mecánicos que continúan moviéndose por inercia;
elementos mecánicos que pueden desplazarse por gravedad;
condensadores, baterías;
fluidos a presión, recipientes a presión, acumuladores;
muelles.
La solución ideal es que la disipación esté automáticamente asociada a la operación de separación. No obstante, en equipos ya en uso, esta operación se podrá realizar manualmente, siguiendo un procedimiento de trabajo escrito.
verificación, mediante un procedimiento de trabajo seguro, de que las acciones realizadas según los apartados a), b) y c) anteriores han producido el efecto deseado.
Energía eléctrica
En lo que respecta a la energía eléctrica, la separación se puede realizar mediante:
un seccionador;
un seccionador provisto de contacto auxiliar de desconexión de carga antes de que abran sus contactos principales;
un interruptor-seccionador;
un interruptor automático provisto de la función de seccionamiento;
una toma de corriente, para una corriente inferior o igual a 16 A y una potencia total inferior a 3 kW.
La utilización de un seccionador requiere una atención especial, ya que este aparato está previsto para funcionar en vacío y puede explotar si se acciona en carga como consecuencia de una maniobra errónea. Los seccionadores provistos de contacto auxiliar permiten librarse de este peligro siempre que su contacto auxiliar esté correctamente conectado.
Los dispositivos de separación deben, por su tecnología, ofrecer total garantía de que a cada una de las posiciones (abierto / cerrado) del órgano de accionamiento le corresponde, de manera inmutable, la misma posición (abierto / cerrado) de los contactos. Esto es particularmente importante cuando los aparatos no son de corte visible o de corte plenamente aparente.
Retirar el enchufe de una toma de corriente se puede considerar como una acción equivalente a una consignación para cualquier máquina pequeña en la que se tiene la certeza de que el enchufe no puede reinsertarse en su base sin que se entere la persona que interviene en la máquina.
Energías hidráulica y neumática
Para este tipo de energías, el dispositivo de separación puede ser una llave, una válvula o un distribuidor manual. En neumática se puede emplear una conexión rápida, de la misma manera que la toma de corriente en electricidad para las máquinas de poca potencia.
Disipación de energías
La disipación de energías acumuladas consiste principalmente en purgar los acumuladores hidráulicos, vaciar los recipientes de aire comprimido (llegado el caso, las canalizaciones), descargar los condensadores...
Asimismo hay que tener en cuenta:
el posible desplazamiento por gravedad de algunos elementos (energía potencial);
la emisión de chorros de fluido a presión durante las intervenciones en circuitos hidráulicos o neumáticos que han quedado cargados;
el contacto con partes en tensión, a pesar del corte de la alimentación de energía eléctrica (mantenimiento de determinados circuitos, como en el caso de sistemas electrónicos de mando, por ejemplo);
elementos con inercia (volantes de inercia, muelas abrasivas, etc.);
la dificultad en disipar o controlar determinados tipos de energía, por ejemplo, la energía térmica o fuentes de radiación.
En estos casos se darán indicaciones claras sobre el procedimiento a seguir.
Con el fin de evitar estos peligros es necesario poner a disposición de los trabajadores medios tales como:
puntales o topes mecánicos (dispositivos de retención), suficientemente resistentes y correctamente dimensionados, o bien asociados a un dispositivo de enclavamiento que garantice la desconexión de la alimentación de energía a los accionadores, para soportar la presión de la cámara de un cilindro hidráulico o para evitar, por ejemplo, la caída de la corredera de una prensa;
ganchos y eslingas para mantener cargas;
pantallas dispuestas localmente para la protección contra proyecciones de fluidos o para evitar contactos con partes en tensión.
Normas de interés:
UNE-EN 1037
y
|
Incendio y Explosión
Si se tiene en cuenta que la mayoría de los procesos se realizan en presencia de aire, se puede suponer que el oxígeno (comburente) está siempre presente, por lo que el peligro de incendio o, en su caso, de explosión, se presenta si coinciden en el espacio y en el tiempo el combustible y la energía de ignición necesarios. Además, se tendrá en cuenta que ciertas reacciones pueden, por sí mismas, dar lugar a incendios y/o explosiones (por ejemplo, combinaciones de cobre con acetileno, de metales pesados con peróxido de hidrógeno,...)
El riesgo de incendio o de explosión (a evaluar considerando conjuntamente la probabilidad de que se produzcan y sus eventuales consecuencias) depende básicamente de las características del combustible y de las posibles fuentes de ignición. Entre las características del combustible se deben tener particularmente en cuenta su inflamabilidad, su estado de disgregación (los más peligrosos son los gases y vapores y, en segundo lugar, los líquidos o sólidos finamente pulverizados) y su carga térmica. Por su parte, las fuentes de ignición pueden ser de muy diferentes tipos (chispas de origen eléctrico o mecánico, llamas, gases o superficies calientes, reacciones exotérmicas, etc.) y deben considerarse tanto las originadas por el propio equipo, como las que pueden producirse en su entorno.
Las medidas de seguridad a adoptar se dirigen fundamentalmente a la sustitución, confinamiento, captación-extracción o dilución del combustible y a la prevención de las fuentes de ignición. Dada la gran incidencia de las fuentes de origen eléctrico es sumamente importante que los equipos se ajusten a lo dispuesto en la Reglamentación Electrotécnica.
En el Anexo L de esta Guía se amplía la información sobre esta materia.
Normas y documentos de interés:
UNE-EN 1127-1
ISO 8421-1
Notas Técnicas de Prevención del INSHT(NTP) nos: 52; 225; 369; 374; 375; 378; 396; 402; 403; 427; 428;
Condiciones ambientales agresivas
Finalmente, el último punto del apartado 1.14 de este anexo trata de la protección frente a las condiciones ambientales agresivas. Se refiere, esencialmente, a los equipos que se utilizan a la intemperie y a las instalaciones que por las características del proceso generan tales condiciones. Es el caso, por ejemplo, de equipos para el movimiento de tierras, grúas a la intemperie, tractores, o de determinadas instalaciones en acerías, laminación, fundición, industria química, etc., que normalmente se controlan desde salas aisladas del proceso. De acuerdo con los resultados de la evaluación de riesgos, se deberá disponer de los sistemas de protección adecuados al caso.
|
Energía eléctrica, contactos directos e indirectos
El objetivo es evitar que se puedan producir contactos con partes activas, es decir, con partes que normalmente están en tensión (contacto directo) o con partes que se han puesto en tensión accidentalmente, en general debido a un fallo de aislamiento (contacto indirecto). En el caso de equipos de trabajo con partes a alta tensión, el contacto directo se puede producir simplemente por aproximación a dichas partes en tensión. En el Anexo B de esta Guía se indica la reglamentación electrotécnica aplicable.
Los principios generales a tener en cuenta son los siguientes:
En todas las partes en tensión debe existir protección contra contactos directos, mediante alejamiento, interposición de obstáculos y aislamiento. Una solución muy extendida contra contactos eléctricos directos en los equipos de trabajo es la protección mediante envolventes (armarios o cuadros eléctricos). Además, de las soluciones contempladas en la norma UNE-EN 60204-1, también se considera aceptable utilizar envolventes cuya apertura requiera el empleo de una llave o herramienta; sólo se permitirá el acceso al interior de dichas envolventes a personal autorizado, que deberá tener la formación y experiencia adecuadas. Como complemento a esta medida, se debe colocar una señalización en dicha envolvente, que indique el peligro eléctrico y que sólo se permite el acceso a personal autorizado.
En el caso de aplicaciones específicas con peligro de contacto directo pueden ser necesarias otras medidas complementarias apropiadas. Así, en el caso de soldadura eléctrica al arco se deben utilizar equipos de protección individual.
La protección contra contactos indirectos debe estar garantizada conforme a los sistemas de protección establecidos en la ITC 021 del Reglamento Electrotécnico de Baja Tensión (véase el Anexo B de esta Guía).
Los sistemas previstos para hacer que los contactos no sean peligrosos o para impedir los contactos simultáneos entre masas y elementos conductores, entre los cuales pueda aparecer una diferencia de potencial peligrosa (sistemas de la Clase A), son:
Separación de circuitos.
Empleo de pequeñas tensiones.
Separación entre las partes activas y las masas accesibles por medio de aislamientos de protección.
Inaccesibilidad simultánea de elementos conductores y masas.
Recubrimiento de las masas con aislamientos de protección.
Conexiones equipotenciales.
No obstante, la aplicación de los sistemas de la Clase A puede estar limitada a determinados equipos de trabajo.
Los sistemas basados en la desconexión automática de la alimentación de energía al producirse un fallo de aislamiento, cuyo objetivo es impedir que la tensión de contacto se mantenga durante un tiempo tal que represente un peligro (sistemas de la clase B), consisten en:
Puesta a tierra de las masas y dispositivos de corte por intensidad de defecto.
Puesta a tierra de las masas y dispositivos de corte por tensión de defecto.
Puesta a neutro de las masas y dispositivos de corte por intensidad de defecto.
La aplicación de los sistemas de la Clase B a equipos de trabajo precisan la coordinación entre el esquema del sistema de alimentación y las características de los dispositivos de protección para la desconexión automática.
La norma UNE-EN 60204-1:1995 (anteriormente UNE 20416) también trata de este aspecto en el capítulo 6, donde ofrece detalles complementarios para la ejecución de las medidas preventivas correspondientes.
En el caso de que se utilicen dispositivos diferenciales, como protección contra contactos indirectos, el valor de la puesta a tierra del lugar de trabajo debe ser compatible con el umbral de dichos dispositivos, lo cual deberá comprobarse periódicamente.
Normas de interés:
UNE-EN 60204-1 (anteriormente UNE 20416)
|
Se trata de actuar en la medida de lo posible sobre aquellos equipos de trabajo generadores de ruido, vibraciones o radiaciones con objeto de limitar sus efectos sobre las personas expuestas o, como en el caso del ruido, evitar posibles interferencias con la comunicación oral o con señales acústicas.
Ruido y vibraciones
La normativa aplicable a máquinas nuevas exige que el fabricante aplique las medidas adecuadas en el diseño, de manera que los riesgos que resulten de la emisión de ruido o de las vibraciones producidas se reduzcan al nivel más bajo posible. Además, debe indicar en el manual de instrucciones los niveles de emisión de ruido y, en el caso particular de las máquinas portátiles o guiadas a mano, las informaciones relativas a las vibraciones producidas. Es una práctica recomendable, al comprar una máquina, seleccionar la de menor emisión de ruido o, en su caso, la que produzca menos vibraciones. Además, se deben seguir las instrucciones del fabricante para la instalación y el mantenimiento.
En el caso de equipos de trabajo ya en servicio se tendrán en cuenta los siguientes principios (véase también el Real Decreto 1316/1989 sobre Medidas de protección de los trabajadores frente a los riesgos derivados de la exposición al ruido y, en particular, el artículo 10 del mismo):
Minimizar la transmisión del ruido y de las vibraciones a través de las estructuras para lo cual, siempre que sea posible, el equipo de trabajo se instalará sobre apoyos antivibratorios.
Utilizar los equipos de trabajo en condiciones óptimas de funcionamiento, para lo cual es fundamental realizar un buen mantenimiento de los mismos, en el que son aspectos a tener en cuenta la lubricación, los defectos de alineamiento, el equilibrado de masas, la fuerza de apriete entre partes componentes...
Otras medidas particulares son, por ejemplo:
Transmisión de movimiento por medio de correas trapezoidales en lugar de cadenas metálicas.
Amarres de tuberías elásticos en lugar de rígidos.
Se ha de tener en cuenta que, en general, estas medidas técnicas pueden tener limitaciones de aplicación en las partes de potencia de un equipo y que, en muchos equipos de trabajo, la fuente sonora principal es la parte de la misma donde se realiza el trabajo (golpes, mecanizado...). En estos casos se pueden aplicar medidas de control tales como:
cerramientos;
pantallas acústicas;
silenciadores (en los escapes de válvulas, por ejemplo).
También aquí hay que decir que el apantallamiento de los equipos de trabajo no es siempre factible.
En el caso de equipos de trabajo portátiles una medida específica para reducir las vibraciones es la adaptación de empuñaduras antivibratorias. La selección de las empuñaduras será resultado de un compromiso entre la eficacia del aislamiento y la repercusión en la manejabilidad y seguridad del equipo.
Las medidas de tipo técnico se podrán complementar con el uso de equipos de protección individual apropiados y mediante medidas de tipo organizativo, limitando el tiempo de exposición.
Radiaciones
Entre las posibles fuentes de radiación no ionizante cabe destacar por su extensión, o por su desarrollo en los últimos años, los equipos de soldadura y los equipos que incluyen dispositivos láser. Otro campo, quizá más restringido, es el de los equipos que utilizan o manipulan materiales o fuentes radioactivas (radiaciones ionizantes). Para ambos tipos de equipos, existen disposiciones reglamentarias y normas que fijan los límites de exposición a los mismos.
Con respecto a los láseres, los valores TLV, fijan unos valores límite que deben tomarse como guía en el control de las exposiciones y no como frontera entre lo seguro e inseguro. Además, la norma UNE-EN 60825:94 clasifica los dispositivos láser en clases según su grado de peligrosidad, considerándose, como criterio general, que los de clases 1 y 2 son de bajo nivel de riesgo, aunque ni siquiera en estos casos debe exponerse directamente el ojo desnudo a un haz láser. El resto de clases de láser se consideran peligrosos (véase lo comentado en el apartado 1.9 del Anexo II). Una información más detallada sobre radiaciones no ionizantes se encuentra en el libro Radiaciones no ionizantes - Prevención de Riesgos, publicado por el INSHT. Para equipos nuevos que produzcan radiaciones no ionizantes, distintas de la radiación láser, están en elaboración las normas de la serie EN 12198-1 Seguridad de las máquinas. Evaluación y reducción de los riesgos producidos por la radiación emitida por las máquinas.
Las radiaciones ionizantes tienen un tratamiento especial reglamentario (véanse las referencias 14, 15 y 16 del Anexo B de esta Guía). Aunque existen numerosas aplicaciones industriales en las que se utilizan equipos radioactivos, en el campo de seguridad de las máquinas no existe en la actualidad, en el ámbito europeo, una normativa específica.
Normas de interés:
UNE-EN 207:1994
UNE-EN 208: 1994
UNE-EN 1299
UNE-EN 12626:1998
UNE-EN 31252:1995
UNE-EN 60825-1:1996 y modificación
UNE-EN ISO 11688-1 y proyecto EN ISO 11688-2
UNE-EN ISO 11690-1 y 2
UNE-CR 1030-1:1997
Serie EN 12198
|
En la manipulación de líquidos corrosivos o en su almacenamiento se deben establecer medidas de tipo organizativo (obligación de uso de prendas de trabajo apropiadas y equipos de protección individual, véase el apartado 1.9 del Anexo II) y medidas de protección en los propios equipos de trabajo.
En particular hay que tener en cuenta los tanques de almacenamiento, las bombas de trasiego, los tanques de decantado o depuración, etc. Estos equipos deben estar instalados en locales bien ventilados y debidamente aislados, en los que se debe prever la recogida de fugas accidentales o deben existir medios de drenaje seguros, que permitan el vaciado y/o la carga sin derrames incontrolados. Dichos equipos han de ser compatibles en cuanto a sus características con los fluidos a almacenar o trasegar y estar diseñados de manera que sea fácil el acceso a las bocas de carga-descarga y a la lectura de los niveles. Deben estar provistos de bandejas colectoras en los puntos críticos y de las correspondientes válvulas de alivio, montadas de modo que sus descargas (normalmente en fase gaseosa) no incidan en la proximidad de los trabajadores expuestos.
En cuanto a alta temperatura, las paredes de hornos o cubilotes así como las tuberías o demás medios de trasiego deben estar adecuadamente refrigerados o apantallados, siempre que no se puedan alejar suficientemente de los puestos de trabajo. La norma UNE-EN 563:96 Seguridad de las máquinas Temperaturas de superficies accesibles Datos ergonómicos para establecer valores límite de temperatura para superficies calientes proporciona criterios sobre temperaturas límite que pueden generar peligros de quemaduras por contacto.
|
Los requisitos contenidos en este apartado se refieren a las herramientas que se utilizan generalmente de forma individual y que únicamente requieren la aplicación directa de la fuerza humana para realizar el trabajo, tales como un martillo, un destornillador, un serrucho, etc. No se aplican, por tanto, a otros muchos equipos de trabajo, que realizan una función a través de mecanismos o de elementos accionados directamente por la fuerza humana, como cizallas-guillotina, pequeñas prensas, gatos, etc., ni a las herramientas portátiles con fuente de energía distinta de la humana, que deben cumplir los requisitos contenidos en otros artículos de este Real Decreto, como por ejemplo los relativos a órganos de accionamiento, protección de elementos móviles de trabajo, etc. (merecen especial atención algunas herramientas portátiles por las características de los peligros inherentes que presentan como, por ejemplo, las pistolas clavadoras).
Lo comentado en este apartado debe complementarse con lo indicado en el apartado 1.17 del Anexo II puesto que en muchos casos los peligros generados por las herramientas manuales son debidos a un uso incorrecto (uso no previsto en su diseño), al sobrepasar los límites de resistencia o de adherencia entre materiales, para el que han sido diseñadas (uso previsto). También hay que tener en cuenta que existen en el mercado herramientas de baja calidad (y precio) que no cumplen los requisitos mínimos de las normas sobre herramientas manuales. No se debe olvidar tampoco la necesidad de mantener a lo largo del tiempo las características iniciales de dichos equipos de trabajo por sencillos que sean, en especial en lo referente a desajustes entre el mango y la parte útil de la herramienta, o a melladuras, torceduras, ausencia de filo, rebabas... Dicho mantenimiento debe realizarse por personal competente.
En el caso de herramientas manuales para trabajos en instalaciones eléctricas se requiere que, para evitar el peligro de contacto directo con partes eléctricas activas o de producir arcos o chispas por cortocircuitos que con ellas se pudiesen generar, estén apropiadamente aisladas en toda su superficie no necesaria para realizar el trabajo (mangos y cuerpo si es posible). Dicho aislamiento suele ser de varias capas de diferentes colores para detectar fácilmente deterioros que disminuirían progresivamente su resistencia de aislamiento.
No hay una reglamentación específica para estos productos en el momento presente, salvo el Real Decreto 44/1996 sobre seguridad general de los productos, que transpone la Directiva 92/59/CEE. El cumplimiento de este Real Decreto se apoya en normas nacionales o europeas, existiendo en la actualidad la norma UNE-EN 60900 Herramientas manuales para trabajos en tensión hasta 1.000V en c.a. y 1.500 en c.c. que puede ser utilizada como referencia para la adquisición de herramientas manuales aislantes seguras.
Los requisitos que, en general, deberían cumplir las herramientas manuales de nueva adquisición se hallan incluidos en numerosas normas, tanto nacionales (elaboradas por el Comité CTN16 de AENOR) como internacionales (ISO/TC255) y en publicaciones de organismos de reconocido prestigio en materia de prevención de riesgos laborales, tales como las Notas Técnicas de Prevención del INSHT (NTP nos 391, 392 y 393). En cuanto a las herramientas manuales en uso deben cumplir al menos los requisitos de este apartado. Para ello se deben revisar adecuadamente y/o reparar, si procede, o, en su caso, retirarlas de uso.
|
Disposiciones relativas a la utilización de los equipos de trabajo OBSERVACIÓN PRELIMINAR Las disposiciones del presente anexo se aplicarán cuando exista el riesgo correspondiente para el equipo de trabajo considerado. |
Véase el Anexo F
1. Condiciones generales de utilización de los equipos de trabajo
|
En su montaje se tendrá en cuenta la necesidad de suficiente espacio libre entre los elementos móviles de los equipos de trabajo y los elementos fijos o móviles de su entorno y de que puedan suministrarse o retirarse de manera segura las energías y sustancias utilizadas o producidas por el equipo.
Para el montaje, instalación, disposición y utilización de equipos de trabajo nuevos se deben seguir las instrucciones del fabricante. Es preciso recordar que dichas instrucciones están encaminadas a reducir al mínimo posible los riesgos residuales. La eficacia de esta reducción depende, por tanto, de su grado de aplicación.
En el caso de desplazamiento o cambio de ubicación de un equipo se deben seguir los códigos de manejo de cargas, utilizando, si es preciso, eslingas u otros medios auxiliares para el izado, acordes con la masa del equipo.
En el montaje o instalación de equipos de trabajo con elementos móviles, tales como bancadas o mesas desplazables motorizadas, es preciso respetar los espacios libres indicados por el fabricante con el fin de evitar peligros de atrapamiento entre estos elementos y partes fijas u otros elementos tales como cestones para piezas o para material de desecho requeridos para el servicio del equipo, o bien para evitar que dichos elementos invadan pasillos o zonas de tránsito.
En el caso de equipos de segunda mano o de cambio de ubicación de equipos en uso, que no dispongan de instrucciones al respecto, se pueden utilizar los criterios sobre espacios mínimos libres necesarios para evitar aplastamientos o atrapamientos, contenidos en la norma UNE-EN 349:94 Distancias mínimas para impedir el aplastamiento de partes del cuerpo humano y seguir los requisitos de los Reales Decretos 485/1997 Señalización y 486/1997 Lugares de trabajo en cuanto a espacios libres de trabajo y su delimitación.
En cuanto al suministro o retirada segura de las energías, véanse los comentarios al apartado 1.12 del Anexo I. Para equipos en uso, sobre todo si se trata de equipos pequeños instalados en batería sobre bancos de trabajo (pequeñas prensas neumáticas, máquinas de la industria textil, etc.), es aconsejable suplir la ausencia de dispositivos de corte o de seccionamiento individuales mediante la instalación de elementos generales de conexión/desconexión por grupos, que sean de fácil acceso, que permitan un corte y/o disipación de energía seguros y que estén claramente señalizados para evitar maniobras erróneas.
Además, se ha de procurar que los productos utilizados o producidos por el equipo no afecten a terceros (véase la definición de trabajador expuesto dada en el artículo 2 d), especialmente si son generadores de chispas, radiaciones, humos, ruido, vibraciones, etc. Merecen una atención particular los equipos de trabajo portátiles o movibles con estas características (véanse también los comentarios realizados a los apartados 1.5 y 1.17 del Anexo I). Se debe tener también en cuenta que algunos equipos de trabajo no presentan peligros si se utilizan en zonas bien ventiladas pero pueden generarlos si se utilizan en locales cerrados (grupo electrógeno introducido en un local cerrado, por ejemplo).
En el caso de que el usuario haya modificado el proceso de carga/descarga original del equipo de trabajo, incorporando nuevos equipos auxiliares, deberá tener en cuenta que no se generen nuevos peligros, como en el caso de automatización mediante robots, alimentadores, etc. (véase el artículo 4).
Finalmente, hay equipos de trabajo sencillos, cuya seguridad está directamente ligada a la manera en la que se montan y/o utilizan, a los que por su provisionalidad no se presta la atención que merecen (véase el artículo 4).
|
Este apartado se aplica a aquellos equipos de trabajo que disponen de elementos a distinto nivel a los que es preciso acceder con cierta periodicidad pero, o bien sus características no permiten integrar por diseño una plataforma y/o los correspondientes medios de acceso, o bien la evaluación de riesgos realizada por el fabricante del equipo, teniendo en cuenta la diferencia de alturas, el número de veces que es necesario el acceso, por semana, mes, año,... y, en su caso, el tiempo de permanencia, ha determinado que no se justifican tales medios permanentes.
En aquellos equipos de trabajo en uso que no dispongan de dichas plataformas y medios de acceso incorporados permanentemente y en los que el peligro de caída de altura sea superior a 2m (véase el apartado 1.6 del Anexo I), por razones de limpieza o mantenimiento, el usuario deberá poner a disposición de los trabajadores andamios, escaleras, plataformas u otros equipos para elevación de personas o, en casos excepcionales, utilizar otros equipos, en las condiciones reguladas por el apartado 3.1.b) de este anexo.
|
Sobre el primer párrafo de este apartado considérese lo ya comentado con relación al uso previsto y a las contraindicaciones de uso, en el artículo 3 de este Real Decreto.
Tal como se establece en dicho párrafo, ningún equipo de trabajo se debe utilizar de forma o en operaciones contraindicadas por el fabricante, ya que esto lleva consigo la aparición de peligros no previstos y de los riesgos que de ellos se derivan. En cuanto a la autorización indicada en el segundo párrafo, debe entenderse que se refiere a casos excepcionales (por ejemplo, elevar a un trabajador con un equipo no previsto para la elevación de personas), a casos en los que el usuario va más allá de una adaptación del equipo de trabajo y decide mejorar o modificar ciertas prestaciones del equipo o, simplemente, a casos en los que la operación a realizar, normalmente esporádica, es similar a las que se realizan dentro del uso previsto (por ejemplo, cortar cartón con una cizalla para metal, utilizar una prensa hidráulica para metal para prensar tableros de contrachapeado...). En estos casos es preceptiva la correspondiente evaluación de riesgos y la selección y adopción de las medidas preventivas pertinentes. En general, dichas medidas afectarán al equipo y a las instrucciones de utilización que deberá elaborar el empresario (téngase en cuenta asimismo lo comentado en el apartado 1 del artículo 3 respecto a la modificación de equipos sujetos al marcado CE).
Lo establecido en este apartado debe tenerse especialmente en cuenta en el caso de la incorporación de equipos auxiliares a un equipo de trabajo (en algunos casos, equipos intercambiables).
|
Este requisito del primer párrafo ya ha sido ampliamente comentado en el artículo 4 y en el apartado 1.2 del Anexo I. Igualmente se recuerda la definición de trabajador expuesto del artículo 2 d).
En el caso de equipos de trabajo nuevos, el tipo y la frecuencia de las comprobaciones vendrá fijado en su correspondiente manual de instrucciones. Si se trata de equipos de trabajo en uso, éste será uno de los aspectos a tener en cuenta cuando el empresario deba elaborar instrucciones para la utilización.
En cualquier caso, se debe recordar que, antes de la puesta en marcha por primera vez de un equipo de trabajo o después de una parada prolongada, personal competente debe realizar una revisión minuciosa de las protecciones, condiciones de instalación, estado de las herramientas o en el caso de equipos portátiles, del estado de enchufes y cables de alimentación, etc.
Si se trata de instalaciones complejas, con un alto índice de utilización, se deberían establecer procedimientos escritos de comprobación de los elementos críticos en los cambios de turno o en paradas programadas.
En cuanto al segundo párrafo, la expresión que comprometan la seguridad de su funcionamiento debe entenderse en el sentido de garantizar un funcionamiento sin generar peligros incontrolados y recordar que los artículos 20 y 21 de la Ley 31/1995, de Prevención de Riesgos Laborales, establecen las pautas de actuación en situaciones de emergencia y de riesgo grave e inminente.
En cualquier caso, el operador de un equipo de trabajo debería advertir al supervisor de cualquier anomalía del equipo (ruidos extraños, calentamiento excesivo, paradas no deseadas o retardadas, movimientos imprevistos...) o de sus sistemas de protección. En caso de riesgo grave e inminente se procederá de acuerdo con lo dispuesto en el artículo 21 de la Ley 31/1995, de Prevención de Riesgos Laborales.
|
Este apartado guarda relación con el principio de que el empresario debe aplicar las medidas complementarias de seguridad que le corresponden, con el fin de reducir al mínimo posible el riesgo residual que no ha podido ser reducido suficientemente por medidas de diseño inherentemente seguro o por incorporación de protecciones al equipo. Es el caso, por ejemplo, de ciertas máquinas para trabajar la madera, pequeños taladros de mesa, mezcladoras de cilindros, ciertas máquinas para trabajos del metal en caliente, etc. en los que, por el tipo de máquina o por el tipo de trabajo a realizar, no es posible evitar totalmente el acceso a los elementos peligrosos en funcionamiento. En estos casos se deben seleccionar y aplicar adecuadamente elementos auxiliares que contribuyen a la protección, tales como empujadores, plantillas, pinzas, etc., que proporcionen protección por alejamiento, por guiado de la pieza, etc.; protecciones individuales y el tipo de ropa de trabajo. Es, por ejemplo, desaconsejable el uso de guantes o de prendas con mangas holgadas en la proximidad de brocas o, en general, en presencia de elementos giratorios, llevar el pelo suelto o cinturones o ropa holgada, o trabajar con anillos, pulseras, cadenas, etc. Especial atención merecen las ropas de trabajo en situaciones en las que se puedan producir salpicaduras de metal fundido o chispas de soldadura. Todos estos temas están ampliamente descritos en la literatura sobre Prevención de Riesgos Laborales.
Si es necesario, se adoptarán también medidas de organización del trabajo (permisos de trabajo, supervisión, procedimientos escritos...).
|
Siempre que sea posible, la limpieza o la retirada de residuos se realizará con los elementos peligrosos parados. Determinados equipos de trabajo, como prensas o inyectoras cuyas partes móviles pueden caer por gravedad, pueden requerir incluso el bloqueo de dichos elementos.
Si, por razones del proceso de trabajo, no es posible aplicar el principio anterior o, si las operaciones son esporádicas y de corta duración, se pondrán a disposición de los trabajadores útiles o herramientas que garanticen la protección por alejamiento. Este es el caso, por ejemplo, de operaciones de retirada de escoria de hornos, retirada de virutas en procesos de mecanizado, limpieza con aire comprimido, etc., para las que se han de utilizar arrastradores, empujadores, ganchos, tenazas, lanzas de aire, con empuñaduras apropiadas y de dimensiones suficientes.
|
En lo que se refiere al montaje e instalación, este apartado concreta un aspecto particular de lo ya establecido en el apartado 1.1 de este anexo. Véanse además los comentarios al apartado 1.6 del Anexo I.
Para el montaje y utilización de equipos de trabajo en los que no se hayan podido eliminar estos peligros mediante un diseño inherentemente seguro, se deben seguir las indicaciones dadas por el fabricante en el manual de instrucciones. En el caso de equipos usados que no dispongan del manual original se deberán prever medidas adicionales para las situaciones en las que se puedan presentar estos peligros (uso de sujeciones suplementarias, inmovilización de ruedas, colocación de avisos de seguridad...).
Este apartado se aplica también a equipos de trabajo móviles y de elevación de cargas, para los que se han previsto medidas específicas en el apartado 2 del Anexo I y en los apartados 2 y 3 del Anexo II.
|
Los equipos de trabajo se deben utilizar siempre dentro de los valores nominales de funcionamiento. Los correspondientes dispositivos de control (de presión, de fuerza, de velocidad...) se deben mantener en buen estado de funcionamiento durante toda la vida útil del equipo, comprobando además que no se han neutralizado, para garantizar así que no se sobrepasan los parámetros máximos a los que el equipo puede trabajar.
En los equipos en uso, y más aún en equipos antiguos, posiblemente debilitados por un uso prolongado, puede ser necesario reducir las prestaciones solicitadas al equipo. Los equipos sometidos a esfuerzos y/o condiciones ambientales agresivas, en los que un accidente por desgaste o fatiga puede tener consecuencias catastróficas (caída de una grúa, reventón de un calderín, etc.), se deberán revisar según los reglamentos que les afectan y retirar de servicio si no es posible garantizar la seguridad en la utilización.
En el caso de modificaciones de equipos, no es admisible variar determinados parámetros para los que el equipo no estaba inicialmente calculado y que constituyen una clara contraindicación de uso, como por ejemplo, aumentar la potencia de la bomba en una máquina hidráulica, aumentar el tamaño de la mesa y de la corredera en una prensa, aumentar la velocidad de rotación de una muela abrasiva,...
|
En relación con este requisito, véanse los comentarios a los apartados 1.4, 1.7 y 1.17 del Anexo I.
En general, es conveniente, en la medida de lo posible, separar o aislar ciertos equipos como los de soldadura, esmerilado, granallado, etc., que pueden dar lugar a proyecciones o radiaciones peligrosas. En determinadas aplicaciones, el uso de mamparas o de pantallas movibles puede proporcionar la protección adecuada. Dependiendo del tipo de peligro, será preciso utilizar el/los equipo/s de protección individual (gafas, pantallas...) y la ropa de trabajo adecuados. Si es preciso se adoptarán las medidas adecuadas de tipo organizativo.
En el caso particular de equipos de trabajo que contengan dispositivos láser, se deben seguir las medidas preventivas indicadas en etiquetas fijadas de forma permanente, en un lugar visible del equipo. Dichas medidas dependen básicamente de las características propias de cada sistema (clase de láser). La norma UNE-EN 60825:94 Seguridad de radiación de productos láser, clasificación de equipos, requisitos y guía del usuario, contiene información detallada al respecto (otras fuentes de información son la NTP 261:1991 del INSHT CNCT-Barcelona y el libro Algunas cuestiones sobre seguridad láser, publicado por el INSHT).
En el caso de equipos de trabajo que contengan o manipulen fuentes radioactivas, el operador deberá recibir el adiestramiento específico sobre los riesgos derivados del peligro de radiaciones ionizantes y se aplicará lo establecido en el Real Decreto 53/1992, en el que se regulan las medidas específicas de protección para los trabajadores profesionalmente expuestos (véanse además las NTP 303:1993 y 304:1993 del INSHT).
|
Este requisito se refiere fundamentalmente a las transpaletas, carretillas, vagonetas y demás medios de manutención, incluyendo las grúas guiadas desde mandos suspendidos. Durante su manejo, se debe respetar la correspondiente distancia de seguridad respecto de otros trabajadores o de partes de estructuras o de otros equipos de trabajo con los que la carga, o el propio equipo, podría chocar (véanse los códigos de manipulación de cargas). En su caso, no se debe pasar por encima de los puestos de trabajo con las cargas suspendidas. Además, se debe tener en cuenta el tipo de carga y sus dimensiones, de manera que permita una visibilidad y un control adecuados. Si es preciso, las operaciones se realizarán por personal adiestrado, según procedimientos establecidos, con ayuda de supervisor o guía de la maniobra (véase la NTP 319:1993 del INSHT CNCT -. Barcelona). En relación con las vías de circulación, véase también lo dispuesto en el artículo 5 del Anexo I del Real Decreto 486/1997 (BOE de 23.04.97), sobre la seguridad y salud en los lugares de trabajo.
|
Esta instrucción es clara por sí sola. Prohíbe la utilización de equipos de uso general en condiciones ambientales peligrosas para las que no están diseñados. En relación con el equipo eléctrico, véase el Reglamento Electrotécnico para Baja Tensión y en particular las Instrucciones Técnicas Complementarias 026 sobre instalaciones en locales con peligro de incendio o explosión y 027 sobre instalaciones en locales de características especiales y el Real Decreto 400/1996, que traspone la Directiva 94/9/CE relativa a aparatos y sistemas de protección para uso en atmósferas potencialmente explosivas, así como otras publicaciones técnicas que describen los requisitos a cumplir en ambientes especiales.
A este respecto se recuerdan las obligaciones del empresario establecidas en el artículo 3 y, en particular, la de adoptar las medidas necesarias para que los equipos de trabajo que se pongan a disposición de los trabajadores sean adecuados al trabajo que deba realizarse y convenientemente adaptados al mismo, de forma que garanticen la seguridad y salud de los trabajadores al utilizar dichos equipos de trabajo. Estas medidas deben complementarse, si es preciso, con instrucciones de utilización y una adecuada señalización, indicando la prohibición de utilizar equipos no apropiados.
Si en algún trabajo de reparación o mantenimiento es necesario utilizar equipos potencialmente peligrosos, tales como equipos de soldadura, esmeriladoras, etc., en reparaciones de tanques que han contenido derivados del petróleo, se deben establecer procedimientos de trabajo especiales que contemplen la renovación del aire, la idoneidad de los equipos para dicha renovación, el control permanente del ambiente de trabajo, la delimitación de zonas peligrosas, los medios para la evacuación del personal en situaciones de emergencia, etc. y, si es necesario, el trabajo se realizará con el concurso de personal especializado (bomberos) y bajo la supervisión permanente del proceso.
|
Al igual que con el requisito anterior, la única instrucción de utilización que se puede dar, en el caso de trabajos con peligro por descargas atmosféricas (trabajos a la intemperie y especialmente en proximidad de líneas eléctricas o trabajos en los que se manipulan o fabrican sustancias explosivas que pueden autoexplosionar por simpatía), es la de suspender inmediatamente los trabajos en el caso de proximidad de tormentas.
Las medidas apropiadas para proteger los equipos contra el rayo se deben buscar en la literatura técnica específica (NFPA- Manual de Protección contra Incendios- Editorial Mapfre.- 1978).
|
Una vez más se insiste en la necesidad de disponer de instrucciones específicas para todas las fases de la vida de un equipo de trabajo, que incluyen el montaje y el desmontaje. En el caso de equipos de trabajo nuevos ésta es una responsabilidad del fabricante, que las debe incluir en el manual de instrucciones.
Para equipos de trabajo en uso, antes de proceder a su desmontaje es recomendable contactar previamente con el fabricante del equipo, si es posible, y si no, elaborar instrucciones antes de proceder a desmontar el equipo que contemplen, por ejemplo, cuál es la secuencia a seguir, cómo se desmonta cada parte, qué medios auxiliares se requieren (andamiajes, medios de manipulación de cargas, herramientas...), peligros que pueden aparecer (fuentes radioactivas, fluidos, tanques con residuos, elementos a presión, muelles cargados, acumuladores eléctricos...), etc.
|
Este requisito complementa lo exigido en el apartado 1.12 del Anexo I y es suficientemente claro por sí mismo, ya que aplica el principio de eliminar los peligros en su origen, siguiendo en lo posible los pasos de la consignación. No obstante, para realizar determinadas operaciones de ajuste o de comprobación, no siempre es factible desconectar las fuentes de energía. Es en estos casos en los que habrá que adoptar medidas preventivas alternativas. En principio, si es posible, se deben utilizar los mismos sistemas de protección que se utilizan para realizar el trabajo normal. Si éstos no se pueden utilizar, entonces se deben utilizar modos de funcionamiento y de mando con los que el riesgo esté minimizado (baja velocidad, baja presión, recorridos limitados y con mandos sensitivos...).
La posibilidad de realizar estas operaciones fuera de zonas peligrosas podría facilitar la adopción de medidas preventivas. No obstante, hay que tener en cuenta que en muchas de estas operaciones es normal que el operario deba introducirse en las zonas peligrosas. Se debe entender, sin embargo, que si al realizar estas operaciones es necesario poner en movimiento elementos del equipo y existe peligro de atrapamiento, golpe, corte, etc., antes de ordenar la puesta en marcha el operario debe cerciorarse de que no hay ninguna persona dentro de la zona peligrosa. En su caso, será necesario colocar avisos de seguridad.
En el caso de equipos de trabajo nuevos, todo ello ya debe estar previsto por el fabricante. En el caso de equipos en uso, en los que no sea viable introducir las modificaciones necesarias, se aplicarán medidas compensatorias. De acuerdo con los resultados de la evaluación de riesgos será preciso, en su caso, establecer procedimientos de trabajo adecuados (instrucciones, permisos de trabajo, vigilancia o supervisión, etc.), para minimizar la posibilidad de un accidente y que las operaciones sean realizadas por personal especializado. Se procederá de igual manera para permitir el acceso a instalaciones en las que exista peligro de electrocución, intoxicación, quemaduras, etc.
|
A este respecto véanse los comentarios al punto 4 del artículo 4.
Independientemente de que el diario de mantenimiento sea una exigencia impuesta por normativas específicas, es una buena práctica prevencionista llevar un registro, puesto al día, de las intervenciones de mantenimiento, en particular para equipos de trabajo en los que la evaluación de riesgos determine la existencia de riesgos altos (por ejemplo, máquinas del Anexo IV del Real Decreto 1435/1992, modificado por el Real Decreto 56/1995, o equipos de trabajo en los que un fallo podría dar lugar a consecuencias catastróficas) o para componentes de seguridad (véase el Anexo IV del Real Decreto 1435/1992 citado anteriormente). Un libro de mantenimiento proporcionaría información para una futura planificación e informaría al personal de mantenimiento y a otras personas sobre las acciones previas realizadas. Además, puede ser una herramienta valiosa para cumplir con lo exigido en el artículo 5.
|
Este requisito quiere decir que mientras un equipo exista físicamente es un equipo que está a disposición de los trabajadores, aunque esté retirado, apartado o puesto fuera de servicio. En ese caso sólo caben, por tanto, dos opciones: mantenerlo listo para funcionar, en las condiciones exigidas por este Real Decreto y, por tanto, con todas sus protecciones; o tomar las medidas oportunas para que dicho equipo no pueda ponerse en funcionamiento, lo cual implica eliminar partes vitales del equipo, como el sistema de mando, los accionadores, etc. o, si es preciso, desmantelar el equipo. En el caso de cesión a terceros para su uso posterior, sólo cabe la primera opción.
|
Gran parte de los accidentes provocados por las herramientas manuales se derivan de un uso indebido que, aun siendo razonablemente previsible, no puede ser evitado por diseño. Así, golpear con el mango de una llave, apalancar con un destornillador, cortar con un cincel, perforar o taladrar con cualquier herramienta afilada o punzante, etc. forman parte de los malos hábitos adquiridos que son causa de numerosos accidentes, a veces importantes.
Otra causa de accidentes es la de aplicar la herramienta de una manera inapropiada (aplicar el destornillador sujetando la pieza con la mano) o tratar de conseguir una mayor capacidad de trabajo golpeando el mango con un martillo o aplicando mangos improvisados suplementarios o incluso cargando el peso de todo el cuerpo, lo que es origen de numerosos cortes, golpes, sobreesfuerzos, etc.
Un tercer grupo de accidentes producidos por un uso indebido son las lesiones por rebabas o esquirlas de la propia herramienta o de la pieza a trabajar causados por el uso de herramientas en mal estado de conservación o por no adoptar precauciones elementales como trabajar procurando que las partículas no incidan directamente sobre el propio operario u otro cercano y/o no usar los equipos de protección individual apropiados.
Igualmente, las características y el tamaño son dos factores a considerar para evitar golpes, por ejemplo con un martillo inadecuado. Incluso estos factores pueden ser la causa indirecta de accidentes, tales como resbalones, caídas o golpes con otras partes, debidos, por ejemplo, a la utilización de una llave fija o ajustable inapropiada (son preferibles las llaves fijas de estrella) o mellada que se sale repentinamente de la tuerca correspondiente.
No se deben ignorar tampoco los accidentes, causados por las herramientas olvidadas en pasillos, escaleras o lugares elevados o en un elemento rotativo o sobre la mesa de una prensa vertical; o por las herramientas que, para ahorrar tiempo, se lanzan de un operario a otro; o por las herramientas que se transportan en la mano o en los bolsillos de la ropa de trabajo. Algunos de estos accidentes pueden tener consecuencias fatales. Muchos de estos accidentes pueden evitarse mediante una correcta organización del trabajo, dotando a cada operario de una bolsa, funda o caja portaherramientas; estableciendo un control periódico de las herramientas y adiestrando en la correcta utilización y conservación (incluida limpieza) de las herramientas asignadas.
Un último aspecto a considerar, en la utilización de herramientas manuales, es el relativo a su uso en ambientes inflamables o explosivos. Una inocente herramienta manual puede ser origen de chispas con suficiente energía para iniciar una deflagración de consecuencias catastróficas. Existen códigos específicos para estos casos que se deberían respetar rigurosamente.
Para mayor información sobre utilización de herramientas manuales, véanse las NTP referenciadas en el apartado 1.19 del Anexo I.
DISPOSICIONES APLICABLES A LAS MÁQUINAS
En la figura anexa se indican las referencias (1 a 7) de las distintas disposiciones (listadas a continuación) aplicables a las máquinas, en función del tipo de máquina de que se trate y de la fecha en que se comercializó por primera vez en España o en la Unión Europea, según el caso (debe tenerse en cuenta que una máquina comercializada en España o en la U.E. por primera vez no tiene que ser necesariamente una máquina nueva; puede ser una máquina de segunda mano de importación).

Puede observarse que en determinados periodos existe la opción de acogerse a una u otra normativa.
La zona con la referencia 7 corresponde a periodos para los que no existe una normativa específica aplicable. Los requisitos que deben cumplir las máquinas comercializadas en esas fechas son los establecidos en el Anexo I del RD 1215/1997, objeto de esta Guía, o en (los Capítulos VIII, IX, X, XI y XII del Título II de) la Ordenanza General de Seguridad e Higiene en el Trabajo, según el caso (véase el Anexo D de esta Guía). Estos requisitos, por su carácter de mínimos absolutos, también se aplican siempre que los establecidos en la normativa específica correspondiente sean menos restrictivos.
Real Decreto 1435/1992, de 27.11 (BOE 11.12.92), por el que se dictan las disposiciones de aplicación de la Directiva del Consejo 89/392/CEE, relativa a la aproximación de las legislaciones de los Estados miembros sobre máquinas, modificado por el Real Decreto 56/1995, de 20.1 (BOE 8.2.95).
Orden Ministerial de 26.5.89 (BOE 9.6.89), por la que se aprueba la Instrucción Técnica Complementaria (ITC MIE AEM-3) del Reglamento de Aparatos de Elevación y Manutención, referente a Carretillas Automotoras de Manutención.
Real Decreto 1513/1991, de 11.10 (BOE 22.10.91), por el que se establecen las exigencias sobre los certificados y las marcas de los cables, cadenas y ganchos.
Real Decreto 71/1992, de 31.1 (BOE 6.2.92), por el que se amplía el ámbito de aplicación del Real Decreto 245/1989, de 27.2, y se establecen nuevas especificaciones técnicas de determinados materiales y maquinaria de obra.
Orden Ministerial de 28.6.88 (BOE 7.7.88 y 5.10.88), por la que se aprueba la Instrucción Técnica Complementaria (ITC MIE AEM-2) del Reglamento de Aparatos de Elevación y Manutención, referente a Grúas Torre Desmontables para Obras y Real Decreto 2370/1996, de 18.11 (BOE 24.12.96), por el que se aprueba la Instrucción Técnica Complementaria MIE-AEM 4 del Reglamento de Aparatos de Elevación y Manutención referente a Grúas móviles autopropulsadas usadas.
Real Decreto 1495/1986, de 26.5 (BOE 21.7.86) por el que se aprueba el Reglamento de Seguridad en las Máquinas, modificado por los Reales Decretos 590/1989, de 19.5 (BOE 3.6.89) y 830/1991, de 24.5 (BOE 31.5.91), complementado por la Orden de 8.4.91 (BOE 11.4.91), por la que se aprueba la Instrucción Técnica Complementaria (MSG-SM-1) del Reglamento de Seguridad en las Máquinas, referente a máquinas, elementos de máquinas o sistemas de protección, usados.
Real Decreto 1215/1997, de 18.7 (BOE 7.8.97) por el que se establecen las disposiciones mínimas de seguridad y salud para la utilización por los trabajadores de los equipos de trabajo.
Orden Ministerial de 9.3.71 (BOE 16 y 17.3.71 y 6.4.71) por la que se aprueba la Ordenanza General de Seguridad e Higiene en el Trabajo.
OTRAS DISPOSICIONES APLICABLES
A continuación se proporciona una relación no exhaustiva de los Reglamentos aplicables a equipos (aparatos o instalaciones) diversos, no considerados específicamente como máquinas; en cada caso se indica el número (pero no las referencias, por su extensión y complejidad) de las Instrucciones Técnicas Complementarias (ITC) del Reglamento en cuestión.
Real Decreto 1244/1979, de 4.4 (BOE 29.5.79), por el que se aprueba el Reglamento de Aparatos a Presión, modificado por los Reales Decretos 507/1982, de 15.1 (BOE 12.3.82), 473/1988, de 30.3 (BOE 20.5.88) y 1504/1990, de 23.11 (BOE 28.11.90). Complementado con 17 ITC.
Real Decreto 769/1999, de 7.5 (BOE 31.5.99), por el que se dictan las disposiciones de aplicación de la Directiva del Parlamento Europeo y del Consejo 97/23/CE, relativa a los equipos de presión y se modifica el Real Decreto 1244/1979, de 4.4, que aprobó el Reglamento de aparatos a presión.
Real Decreto 1495/1991, de 11.10 (BOE 15.10.91), por el que se dictan las disposiciones de aplicación de la Directiva del Consejo de las Comunidades Europeas 87/404 CEE, sobre Recipientes a Presión Simples, modificado por Real Decreto 2486/1994, de 23.12 (BOE 24.1.95).
Real Decreto 1428/1992, de 27.11 (BOE 5.12.92), por el que se dictan las disposiciones de aplicación de la Directiva del Consejo de las Comunidades Europeas 90/396/CEE sobre Aparatos de Gas, modificado por el Real Decreto 276/1995, de 24.2 (BOE 27.3.95), y Real Decreto 494/1988, de 20.5 (BOE 25.5.88), por el que se aprueba el Reglamento de Aparatos que utilizan Gas como Combustible. Complementado con 20 ITC.
Real Decreto 1853/1993, de 22.10 (BOE 24.11.93), por el que se aprueba el Reglamento de Instalaciones de Gas en Locales destinados a Usos Domésticos, Colectivos o Comerciales. Complementado mediante 14 ITC.
Orden Ministerial de 30.10.70 (BOE 9.11.70), por la que se aprueba el Reglamento sobre Centros de Almacenamiento y Distribución de Gases Licuados del Petróleo Envasados, modificada por Órdenes Ministeriales de 17.3.81 (BOE 31.3.81) y 15.6.94 (BOE 5.7.94); y Orden Ministerial de 29.1.86 (BOE 22.2.86), por la que se aprueba el Reglamento sobre Instalaciones de Almacenamiento de Gases Licuados del Petróleo en Depósitos Fijos.
Real Decreto 2085/1994, de 20.10 (BOE 27.1.95), por el que se aprueba el Reglamento de Instalaciones Petrolíferas. Complementado mediante 3 ITC.
Real Decreto 668/1980, de 8.2 (BOE 14.4.80), por el que se aprueba el Reglamento de Almacenamiento de Productos Químicos, modificado por Real Decreto 3485/1983, de 14.12 (BOE 21.2.84). Complementado mediante 6 ITC.
Real Decreto 1618/1980, de 4.7 (BOE 6.8.80), por el que se aprueba el Reglamento de Instalaciones de Calefacción, Climatización y Agua Caliente Sanitaria, modificado por el Real Decreto 2946/82, de 1.10 (BOE 12.11.82). Complementado mediante 26 ITC.
Real Decreto 3099/1977, de 8.9 (BOE 6.12.77), por el que se aprueba el Reglamento de Seguridad para Plantas e Instalaciones Frigoríficas. Complementado mediante 17 ITC.
Real Decreto 1942/1993, de 5.10 (BOE 14.12.93), por el que se aprueba el Reglamento de Instalaciones de Protección contra Incendios.
Real Decreto 1314/1997, de 1.7 (BOE 30.9.97), por el que se dictan las disposiciones de aplicación de la Directiva del Parlamento Europeo y del Consejo sobre Ascensores, e ITC 1 del Reglamento de Aparatos de Elevación y Manutención, sobre Ascensores movidos eléctrica, hidráulica u oleoeléctricamente, aprobada por Orden Ministerial de 23.9.87 (BOE 6.10.87) y modificada por Orden Ministerial de 12.9.91 (BOE 17.9.91).
Decreto 2413/1973, de 20.9 (BOE 9.10.73), por el que se aprueba el Reglamento Electrotécnico para Baja Tensión, modificado por el Real Decreto 2295/1985, de 9.10 (BOE 12.12.85). Complementado mediante 44 ITC.
Decreto 3151/1968, de 28.11 (BOE 8.3.69), por el que se aprueba el Reglamento de Líneas Aéreas de Alta Tensión; y Real Decreto 3275/1982, de 12.11 (BOE 1.12.82), sobre Condiciones Técnicas y Garantías de Seguridad en Centrales eléctricas, Subestaciones y Centros de transformación. Complementado mediante 18 ITC.
Real Decreto 53/1992, de 24.1 (BOE 12.2.92), por el que se aprueba el Reglamento sobre Protección Sanitaria contra Radiaciones Ionizantes, complementado por el Real Decreto 413/1997, de 21.1 (BOE 16.4.97), sobre la protección operacional de los trabajadores externos con riesgo de exposición a radiaciones ionizantes por intervención en zona controlada.
Real Decreto 2869/1972, de 21.7 (BOE 24.10.72), por el que se aprueba el Reglamento sobre Instalaciones nucleares y radioactivas.
Real Decreto 1891/1991, de 30.12 (BOE de 3.1.92), por el que se regula la Instalación y utilización de aparatos de rayos X con fines de diagnóstico médico.
Real Decreto 1316/1989, de 27.10 (BOE de 2.11.89), sobre Medidas de protección de los trabajadores frente a los riesgos de exposición al ruido.
Real Decreto 400/1996, de 1.3 (BOE de 8.4.96), por el que se dictan las disposiciones de aplicación de la Directiva del Parlamento Europeo y del Consejo 94/9/CE, relativa a los Aparatos y sistemas de protección para uso en atmósferas potencialmente explosivas.
REQUISITOS GENERALES QUE DEBE CUMPLIR EL MANUAL DE INSTRUCCIONES DE UNA MÁQUINA SUJETA AL MARCADO CE
En el apartado 1.7.4 del Anexo I del Real Decreto 1435/1992, modificado por el Real Decreto 56/1995 (a los que se hace referencia en el Anexo A de esta Guía) se establecen los requisitos generales que deben cumplir los manuales de instrucciones de las máquinas (sin perjuicio de los requisitos adicionales aplicables a los manuales de determinadas máquinas específicas), tal como se reproducen a continuación:
a) Cada máquina llevará un manual de instrucciones en el que se indique, como mínimo, lo siguiente:
el recordatorio de las indicaciones establecidas para el marcado, con excepción del número de serie, complementadas, en su caso, por las indicaciones que permitan facilitar el mantenimiento (por ejemplo, dirección del importador, de los reparadores, etc.),
las condiciones previstas de utilización;
el o los puestos de trabajo que puedan ocupar los operadores;
las instrucciones para que puedan efectuarse sin riesgo:
la puesta en servicio,
la utilización,
la manutención, con la indicación de la masa de la máquina y sus diversos elementos cuando, de forma regular, deban transportarse por separado,
la instalación,
el montaje, el desmontaje,
el reglaje,
el mantenimiento (conservación y reparación);
en su caso, las instrucciones de aprendizaje;
si fuera necesario, las características básicas de las herramientas que puedan acoplarse a la máquina.
Si fuere necesario, en el manual se advertirán las contraindicaciones de uso.
b) El fabricante o su representante establecido en la Comunidad Europea elaborará el Manual de instrucciones, que estará redactado en una de las lenguas comunitarias. En el momento de su entrada en servicio, toda máquina deberá ir acompañada de una traducción del manual al menos en castellano y del manual original. Esta traducción la realizará, ya sea el fabricante o su representante establecido en la Unión Europea, ya sea quien introduzca la máquina en la zona lingüística de que se trate. No obstante, el manual de mantenimiento destinado al personal especializado que dependa del fabricante o de su representante establecido en la Comunidad Europea podrá redactarse en una sola de las lenguas comunitarias que comprenda dicho personal.
c) El manual de instrucciones incluirá los planos esquemas necesarios para poner en servicio, conservar, inspeccionar, comprobar el buen funcionamiento y, si fuera necesario, reparar la máquina y cualquier otra instrucción pertinente, en particular, en materia de seguridad.
d) Cualquier tipo de documentación que sirva de presentación de la máquina deberá no estar en contradicción con el manual de instrucciones en lo que respecta a los aspectos de seguridad. La documentación técnica que describa la máquina proporcionará datos relativos a la emisión de ruido aéreo a que hace referencia el párrafo f) y, para las máquinas portátiles o guiadas a mano, las informaciones siguientes relativas a las vibraciones:
El valor cuadrático medio ponderado en frecuencia de la aceleración a la que se vean expuestos los miembros superiores, cuando exceda de 2,5 m/s2, definida por las normas de prueba adecuadas. Cuando la aceleración no exceda de 2,5 m/s2, se deberá mencionar este particular.
A falta de normas de prueba aplicables, el fabricante indicará los métodos de medición utilizados y en qué condiciones se realizaron las mediciones.
e) En el manual de instrucciones se ofrecerán, si fuera necesario, las prescripciones relativas a la instalación y al montaje dirigidas a reducir el ruido y las vibraciones producidas (por ejemplo, utilización de amortiguadores, tipo y masa de la fundación, etc.).
f) En el manual de instrucciones se darán las siguientes indicaciones sobre el ruido aéreo emitido por la máquina (valor real o valor calculado partiendo de la medición efectuada en una máquina idéntica):
El nivel de presión acústica continuo equivalente ponderado A en los puestos de trabajo, cuando supere los 70 dB(A); si este nivel fuera inferior o igual a 70 dB(A), deberá mencionarse.
El valor máximo de la presión acústica instantánea ponderada C, cuando supere los 63 Pa (130 dB con relación a 20 µPa).
El nivel de potencia acústica emitido por la máquina, si el nivel de presión acústica continuo equivalente ponderado A supera, en los puestos de trabajo, los 85 dB(A).
Cuando la máquina sea de muy grandes dimensiones la indicación del nivel de potencia acústica podrá sustituirse por la indicación de los niveles de presión acústica continuos equivalentes en lugares especificados en torno a la máquina.
Cuando no se apliquen las normas armonizadas, los datos acústicos se medirán utilizando el código de medición más apropiado, adaptado a la máquina.
El fabricante indicará las condiciones de funcionamiento de la máquina durante la medición, así como qué métodos se han utilizado para ésta.
Cuando el o los puestos de trabajo no estén definidos o no puedan definirse, la medición del nivel de presión acústica se efectuará a 1 metro de la superficie de la máquina y a una altura de 1,60 metros por encima del suelo o de la plataforma de acceso. Se indicarán la posición y el valor de la presión acústica máxima.
g) Si el fabricante ha proyectado la utilización de la máquina en atmósfera explosiva en el manual de instrucciones se proporcionarán todas las indicaciones necesarias.
h) En el caso de las máquinas que también puedan destinarse a su utilización por parte de usuarios no profesionales, la redacción y la presentación del manual de instrucciones, además de cumplir las demás exigencias básicas antes mencionadas, tendrán en cuenta el nivel de formación general y la perspicacia que, dentro de lo razonable, pueda esperarse de dichos usuarios.
PERIODO TRANSITORIO
Entre el 27.8.97 y el 5.12.02, la Ordenanza General de Seguridad e Higiene en el Trabajo (Capítulos VIII, IX, X, XI y XII en el Título II) y este Real Decreto coexisten, aplicándose una u otro, en función de la fecha y del tipo de requisito de que se trate (sobre las características, o sobre la forma de uso del equipo, de carácter general, o de carácter específico en el caso de los equipos móviles o de elevación). La figura adjunta permite decidir rápidamente cuál de las dos disposiciones se aplica en cada circunstancia. Puede observarse que, en muchos casos, para un mismo equipo y fecha, las dos disposiciones pueden ser de aplicación (una para un tipo de requisito y la otra, para otros).

PLAN DE PUESTA EN CONFORMIDAD
1. Elaboración y presentación del Plan
Diversas organizaciones empresariales sectoriales han elaborado y presentado Planes de Puesta en Conformidad que han sido autorizados por la autoridad laboral competente, a los que podrán acogerse las empresas del sector correspondiente (véase el apartado siguiente de este Anexo). Los empresarios que deseen hacerlo deberán tener en cuenta que en dichos Planes:
Sólo se hace referencia a equipos que no cumplen alguno de los requisitos establecidos en el apartado 1 del Anexo I.
Sólo se incluyen equipos para los que la aplicación de los citados requisitos supone un endurecimiento de la normativa de seguridad que anteriormente les era de aplicación. A este respecto debe señalarse, de acuerdo con los comentarios al apartado 1 del artículo 3, que es de suponer que los equipos que ya cumplían una normativa específica y que han sido mantenidos adecuadamente, cumplen las disposiciones mínimas establecidas en el apartado 1 del Anexo I. En particular es el caso de las máquinas comercializadas y puestas en servicio conforme a las disposiciones del Real Decreto 1495/1986 (el antiguo Reglamento de Seguridad en las Máquinas). Con más razón es de suponer que los equipos sujetos al marcado CE cumplen siempre dichas disposiciones mínimas.
Sólo se incluyen equipos que no hayan podido ser adaptados a la nueva normativa (por razones técnicas y económicas específicas) antes del 27.8.98.
2. Aplicación del Plan a las empresas afectadas
La información anexa a la solicitud que deben realizar las empresas para acogerse a un Plan (previamente autorizado) podría organizarse indicando, para cada máquina (o grupo de máquinas con problemas similares):
Las no conformidades, haciendo referencia a las disposiciones del Anexo I que se infringen.
Las medidas preventivas que deberán adoptarse para cumplir dichas disposiciones.
La problemática técnica y económica que conlleva la adopción de esas medidas.
Las medidas preventivas alternativas que se aplicarán mientras persista la no-conformidad, para garantizar la seguridad de los trabajadores afectados.
El orden de prioridades para la puesta en conformidad, valorando conjuntamente la gravedad de la no-conformidad, la dificultad para corregirla y la eficacia de las medidas alternativas adoptadas.
El calendario de implantación de las medidas de corrección.
ALCANCE Y SIGNIFICADO DE LA OBSERVACIÓN PRELIMINAR DEL ANEXO I
La observación preliminar del Anexo I establece los criterios fundamentales que deben guiar la aplicación de las disposiciones mínimas establecidas en el mismo.
La primera frase de la observación preliminar recuerda al empresario su obligación de seguir el proceso de la evaluación de riesgos, ya impuesta por la propia Ley de Prevención de Riesgos Laborales (capítulo III) y posteriormente reforzada por el Reglamento de los Servicios de Prevención (capítulos I y II), como único medio sistemático y coherente para cumplir con el objetivo de determinar cuáles son los requisitos aplicables a un equipo de trabajo y disponer de la información necesaria para seleccionar las medidas preventivas adecuadas para garantizar un nivel de seguridad acorde con los requisitos de este Real Decreto.
Básicamente el proceso de evaluación de riesgos supone que, teniendo en cuenta las condiciones de trabajo existentes, es decir, las características de los equipos de trabajo, las características del trabajo, incluyendo la organización del proceso productivo y los métodos de trabajo, y las aptitudes, cualificación y experiencia de los operadores, el empresario debe:
Identificar los peligros (¿Cuáles son las fuentes con capacidad potencial de producir lesiones o daños a la salud?).
Identificar todas las situaciones peligrosas que pueden presentarse (¿Por qué, cuándo, de qué forma los trabajadores están expuestos a los peligros identificados?).
Identificar los sucesos que pueden dar lugar a que se produzca una lesión o un daño a la salud (¿Qué hecho(s)/causa(s)/factor(es) debe(n) ocurrir para que se pueda producir una lesión o un daño a la salud?).
Estimar el riesgo existente.
Tomar decisiones sobre la necesidad o no de reducir el riesgo.
NOTA 1:
Normalmente existe un cierto confusionismo entre los términos peligro y riesgo. El siguiente ejemplo trata de aclarar dichos conceptos:
En una máquina existen elementos móviles accesibles con la energía suficiente para producir una lesión. Los elementos móviles son generadores de peligros (peligro de atrapamiento, de aplastamiento, de corte, etc.): cualquiera podría entrar en contacto con ellos y sufrir una lesión. Si alguien se aproxima a los elementos móviles (zona peligrosa), se expone a dicho peligro, es decir, se encuentra en una situación peligrosa: la posibilidad de lesión pasa a ser real. En esa situación, existe una cierta probabilidad de que se produzca un daño, con unas determinadas consecuencias. Por tanto, existe un riesgo.
NOTA 2:
Si se toma la decisión de que es necesario reducir el riesgo, habrá que aplicar las adecuadas medidas preventivas que, por orden de preferencia, son:
medidas de prevención intrínseca (de aplicación limitada para equipos ya en uso);
medidas de protección (resguardos y/o dispositivos de protección) y otras medidas de protección complementarias a incorporar en el equipo de trabajo;
medidas de información, formación y de organización del trabajo, así como la utilización de equipos de protección individual, si es preciso.
Al seguir estos procesos de evaluación y reducción de riesgos, se debe comprobar si se han generado peligros adicionales. En caso afirmativo, se añadirán a la lista de peligros identificados a los que hay que aplicar los mismos procesos.
Para realizar la evaluación de riesgos y adoptar, si es necesario, las adecuadas medidas preventivas, se debe aplicar el sentido común. Lo más importante es decidir si un determinado equipo de trabajo cumple o no los requisitos aplicables de este Real Decreto y, si no se cumplen, definir cuáles son las medidas preventivas a adoptar.
Para muchos equipos de trabajo, en particular los equipos de poca complejidad, el usuario sabrá por experiencia cuáles son las medidas necesarias. En general dichas medidas garantizarán la conformidad con los requisitos de este Real Decreto. Si este no es el caso, normalmente hay un método sencillo para determinar las medidas necesarias, ya que o bien existe literatura suficiente para ello, o bien existen equipos de trabajo similares, en condiciones de utilización semejantes, con peligros y riesgos comparables, para los que las soluciones están muy difundidas y su eficacia es conocida. No obstante, el empresario deberá decidir si los datos de referencia son apropiados.
Si no existen referencias o si estas no son apropiadas, será necesario seguir el proceso de evaluación de riesgos indicado más arriba, seguido, si es preciso, del proceso de reducción de riesgos. Conviene recordar que la severidad del posible daño y la probabilidad de que se produzca dicho daño son los elementos para estimar el riesgo (calificar el nivel de riesgo). A su vez la probabilidad de que se produzca un daño depende: de la frecuencia y duración de la exposición al peligro; de la probabilidad de que ocurra un suceso que pueda dar lugar a dicho daño (suceso peligroso); y de la posibilidad técnica o humana de evitar o limitar el daño. En el caso de que sea necesario reducir el riesgo, es posible que haya que aplicar estos procesos de forma repetitiva, hasta tener la garantía de que la(s) medida(s) preventiva(s) seleccionada(s) es(son) la(s) más adecuada(s). En cualquier caso, el empresario debe verificar, por ejemplo, mediante una lista de comprobación, que se han tenido en cuenta todos los requisitos aplicables al equipo de trabajo.
Esta forma de proceder es la que permite también elegir los equipos mejor adaptados a las condiciones específicas de cada empresa, así como instalar dichos equipos y organizar el trabajo en torno a ellos, de manera que se garantice el mejor nivel de seguridad posible.
Los usuarios de las máquinas no deben nunca dudar en hacer una observación, una sugerencia. Con la experiencia del día a día, saben mejor que nadie cuáles son los gestos peligrosos que una máquina insegura obliga a hacer, qué incidentes se producen en determinadas condiciones, etc. En cualquier caso el empresario siempre puede recurrir a entidades públicas o privadas con experiencia en la materia o a personal experto.
La norma UNE-EN 1050:97, elaborada en el marco del programa de normalización desarrollado en apoyo de la Directiva 89/392/CEE modificada, relativa a la aproximación de las legislaciones de los Estados miembros sobre máquinas (transpuesta por el Real Decreto 1435/1992, de 27 de noviembre, modificado por el Real Decreto 56/1995, de 20 de enero), establece los principios para la evaluación del riesgo. Aunque se trata de una norma orientada al diseño de máquinas, puede constituir una referencia interesante, desde un punto de vista conceptual y metodológico. En cuanto a la estimación del riesgo, no existe un método universal. Será preciso utilizar el(los) método(s) más adecuado(s) al sistema a analizar y a los objetivos pretendidos.
La segunda frase de la observación preliminar no es menos interesante. Establece que no se puede pretender aplicar a los equipos en servicio (usados) los mismos criterios de seguridad que a los equipos nuevos, comercializados y puestos en servicio de conformidad con las Directivas que exigen el marcado CE. Es decir, no se trata de que todos los equipos de trabajo en servicio alcancen un nivel de seguridad idéntico al de los equipos nuevos en los que la seguridad se ha integrado desde el origen. Esto llevaría a negar el principio fundamental de la integración de la seguridad en el diseño universalmente reconocido. De hecho se trata, esencialmente, de evitar los riesgos y, si esto no es posible, de reducirlos convenientemente, aplicando medidas de protección añadidas y efectuando modificaciones limitadas en el sistema de mando. Al aplicar las medidas preventivas será preciso tener en cuenta el estado actual de la técnica.
NOTA 3:
En el caso particular de las máquinas, las normas elaboradas en apoyo de la Directiva 89/392/CEE, modificada, no son, por tanto, directamente aplicables a las máquinas usadas. A este respecto conviene recordar que son normas de aplicación voluntaria, elaboradas para las máquinas a diseñar después de la fecha de entrada en vigor de la norma. Sin embargo, dada la carencia de referencias técnicas para máquinas usadas, las normas para máquinas nuevas pueden ser útiles en la medida en la que contengan conceptos, principios y requisitos fácilmente aplicables a máquinas usadas. Es el caso de muchas de las normas que tratan de principios fundamentales (normas de tipo A), de aspectos de seguridad y de dispositivos de protección (normas de tipo B) y de los requisitos relativos a las medidas de protección y de información y, en algún caso particular, a las medidas de prevención intrínseca contenidos en las normas específicas para máquinas (normas de tipo C). (Véase la Ficha de Divulgación Normativa FDN- sobre Comercialización de máquinas, publicada por el INSHT).
El objetivo a alcanzar es la justa seguridad, teniendo en cuenta que a la hora de seleccionar las medidas preventivas se presentan dos alternativas:
sobrevalorar la necesidad de seguridad, lo que influirá en los costes de ejecución, las dificultades técnicas y posiblemente comprometerá su realización;
ajustar dicha necesidad para facilitar su realización y bajar el coste, lo que influirá en la degradación del nivel de seguridad por debajo del umbral admisible para impedir un accidente.
La justa seguridad será generalmente un compromiso entre estas dos alternativas, teniendo en cuenta principalmente:
las posibilidades técnicas;
las limitaciones para realizar el trabajo generadas por la aplicación de medidas preventivas;
el coste de la puesta en conformidad con relación a la reducción del riesgo esperada.
En conclusión esto significa, por ejemplo, que, aunque se precise una inversión fuerte, es preciso poner en conformidad una prensa mecánica en cuanto al acceso a la zona de trabajo, si la carga y/o descarga de las piezas se realiza manualmente, mientras que no sería necesario asociar el resguardo móvil que da acceso a las poleas de la transmisión de un taladro de mesa a un dispositivo de enclavamiento, ya que se trata de una máquina sencilla, de dimensiones reducidas, en la que el peligro es fácilmente perceptible por el operador, por lo que, en principio, bastaría con disponer de un órgano de parada próximo y de un resguardo que impida el acceso involuntario a las poleas.
Por la misma razón, no se exige reemplazar sistemáticamente todos los órganos de mando o de señalización de una máquina bajo el pretexto de que no corresponden a los componentes normalizados o de que su disposición no responde a los principios de la ergonomía, sino solamente aquellos que por su diseño o su disposición puedan dar lugar a accidentes o producir enfermedades relacionadas con el trabajo.
BIBLIOGRAFÍA RELATIVA A LA EVALUACIÓN DE RIESGOS
AENOR. UNE-EN 292-1: 1993 Seguridad de las máquinas. Conceptos básicos. Principios generales para el diseño. Parte 1: Terminología básica, metodología.
AENOR. UNE-EN 1050: 1997 Seguridad de las máquinas. Principios para la evaluación del riesgo.
Barbet, J.F. et Guyonnet, J.F. Les méthodes danalyse de la sécurité des systèmes. R.G.S. Janvier 1984, nº 30, p. 42-50
Jeannette, J.P. et Limmios, N. Méthodes actuelles danalyse de la sureté des systèmes. R.G.S. Avril 1985, nº 43, p. 46-52
Monteau, M. et Favaro, M. Bilan des méthodes danalyse a priori des risques. 1. Des controles à lergonomie des systèmes. Cahiers de notes documentaires, 1990, nº 138, p. 91-121
Favaro, M. et Monteau, M. Bilan des méthodes danalyse a priori des risques. 2. Principales méthodes de la sécurité des systèmes. Cahiers de Notes Documentaires, 1990, nº 139, p. 363-389
Wells, G., Wardan, M. and Whetton, C. Preliminary safety analysis. Journal Loss Prevention Process Ind., 1993, Vol 6, Nº 1, p. 47-60
Carlin, D. and Planek, T. W. Risk evaluation in industry: Methods and practice. Part I. Professional Safety, March 1980, p. 46-50
Carlin, D. and Planek, T. W. Risk evaluation in industry: Methods and practice. Part II. Professional Safety, April 1980, p. 29-35
Kazer, B. M. Risk assessment. A practical guide. Institution of Occupational Safety and Health. The Safety and Health Practitioner. May 1993
Kazer, B. M. Risk assessment in 1996. The Safety and Health Practitioner, June 1996, p. 30-33
Steel. C Risk estimation. The Safety and Health Practitioner, June 1990, p. 20-21
Fine, W. T. Mathematical evaluations for
controlling hazards. Journal of Safety Research, 1971, 3(4), p. 157-166
(Traducido por: Emilio Turmo en: Documento D-4-75. Plan Nacional de Higiene y Seguridad en
el Trabajo, I.T. Barcelona)
Bestratén, M. y Pareja F. Sistema simplificado de evaluación de riesgos de accidente. Instituto Nacional de Seguridad e Higiene en el Trabajo, C.N.C.T.-Barcelona, 1993, NTP 330
Kinney, G. F. Méthode danalyse graphique des risques. Promosafe, Janvier 1981, p. 19-22
van Ekelenburg, H.P, Hoogerkamp, P. Hopmans, L.J. Part 3: The Machinery Directive: Related topics. En: A practical Guide to the Machinery Directive. Mechanical Engineering Publications Ltd., London, 1995, ISBN 0 85298 973 3
Graham, K. J. and Kinney G F. A practical safety analysis system for hazards control. Journal of Safety Research, Spring 1980, Volume 12, Number 1, p.13-20
Comisión Europea. Dirección General V de Empleo, Relaciones laborales y Asuntos sociales. Directrices para la evaluación de riesgos en el lugar de trabajo. Oficina de Publicaciones Oficiales de las Comunidades Europeas, 1996, ISBN 92-827-4274-1
Gómez-Cano, M. González, E. López, G. Rodríguez de Prada, A. Evaluación de riesgos laborales. Instituto Nacional de Seguridad e Higiene en el Trabajo, 1996, ISBN 84-7425-441-8
Raafat, H.M.N. Risk assessment and Machinery Safety. Journal of Occupational Accidents, 11 (1989), p 37-50, Elsevier Science Publishers, Amsterdam
Jean-Paul Lacore y cols. Concevoir une machine sûre. INRS, París, 1994, 59 p.
Raafat, H.M.N. Comparative strategy for
the safety of horizontal injection moulding machines. Safety Science, 16 (1993), p. 67-88
Elsevier
Blanch, P. y cols. Método para analizar los riesgos a diversos tipos de máquinas de rodillos. Bulletin AISS, Sección Protección de Máquinas, 1984,
Freixa, L. Perales, M.J. y cols. Industria textil. Estudio tecnológico y análisis de riesgos, Serie: Sectores de actividad 43.00. Departamento de Seguridad del Instituto Territorial de Barcelona, Servicio Social de Seguridad e Higiene en el Trabajo, 1979, 217 p. ISBN 84-7425-084-6
Abribat, J.C. y cols. Introduction à lanalyse du risque technologique dans les procédés chimiques. Cahiers de notes documentaires, 1988, nº 131, p. 265-276
Health and Safety Data File D:6. Machinery Safety. Assessing the Risks. Martello Publishers Ltd., Guilford, Surrey, U.K., 1997, 5 p.
Health and Safety Data File D:7. Machinery Safeguards and Safety Devices. Martello Publishers Ltd., Guildford, Surrey, U.K., 1997, 5 p.
Piqué, T. Cuestionario de chequeo para el control del riesgo de atrapamiento en máquinas. Instituto Nacional de Seguridad e Higiene en el Trabajo, C.N.C.T. Barcelona, 1993, NTP 325
AENOR. UNE-EN 954-1:1997 Seguridad de las máquinas. Partes de los sistemas de mando relativas a la seguridad. Parte 1: Principios generales para el diseño
DIN. DIN V 19250:1994 Control technology; fundamental safety aspects to be considered for measurement and control equipment
Bell, R. and Reinert, D. Risk and system integrity concepts for safety-related control systems. Safety Science, 15 (1992), p. 283-308
IEC. CEI 61508-5 Functional safety of electrical/electronic/programmable electronic safety-related systems. Part5: Examples of methods for the determination of safety integrity levels
BRITISH STANDARD INSTITUTION. BS 5304:1988 British Standard Code of practise for Safety of machinery. Section four. Risk assessment and reliability
Vogrig, R. Morel, G. Dei-Svaldi, D. Vautrin, J.P. Contribution à lanalyse de la sécurité dun système automatisé par SADT. Cahiers de notes documentaires, 1986, nº 123, p. 175-192
AENOR. UNE-EN 626-1:1995 Seguridad de las máquinas. Reducción del riesgo para la salud debido a sustancias peligrosas emitidas por las máquinas. Parte 1: Principios y especificaciones para los fabricantes de maquinaria.
AENOR. UNE-EN 1127-1:1998 Seguridad de las máquinas. Prevención y protección contra explosiones. Parte 1: Conceptos básicos y metodología.
CEN. EN 12198-1 (proyecto) Seguridad de las máquinas. Evaluación y reducción de los riesgos producidos por la radiación emitida por las máquinas. Parte 1: Principios generales
HO, M. M.-T. Réflexions sur lanalyse de la sécurité des systèmes, ses méthodes et ses problèmes, INRS, 1976, Note nº 1037-85-76
AENOR. UNE 20812:1995 Técnicas de análisis de la fiabilidad de los sistemas. Procedimiento de análisis de los modos de fallo y de sus efectos (AMFE). (Versión oficial en español del Documento de Armonización HD 485 S1:1987, que a su vez adopta íntegramente la Norma Internacional CEI 60812:1985)
CEI. CEI 61025: 1990 Fault tree analysis (FTA)
Schreiber, A.M. Using event trees and fault trees. Chemical Engineering. October 4, 1982, p. 115-120
Piqué, T. y Cejalvo, A. Análisis probabilístico de riesgos: metodología del árbol de fallos y errores. Instituto Nacional de Seguridad e Higiene en el Trabajo, C.N.C.T. Barcelona, 1994, NTP 333
Bestratén, M. Análisis de riesgos mediante el árbol de sucesos. Instituto Nacional de Seguridad e Higiene en el Trabajo, C.N.C.T. Barcelona, 1993, NTP 328
CEI. CEI 61882 (proyecto). Hazard and operability (HAZOP) studies. Guide word approach
Bessis, J. La probabilité et levaluation des risques. Masson, París, 1984, ISBN 2-225-80182-7
Villemeur, A. Sûreté de fonctionnement des systèmes industriels. Fiabilité. Facteurs humains. Informatisation. Editions Eyrolles, París, 1988, ISSN 0399-4198
AENOR UNE-EN 61078:1996 Técnicas de análisis de la confiabilidad. Método del diagrama de bloque de fiabilidad
de Arquer, M. I. y Nogareda, C. Fiabilidad humana: conceptos básicos. Instituto Nacional de Seguridad e Higiene en el Trabajo, C.N.C.T. Barcelona, 1994, NTP 360
de Arquer, M. I. Fiabilidad humana: métodos. Instituto Nacional de Seguridad e Higiene en el Trabajo, C.N.C.T. Barcelona, 1995, NTP 377
NOTA:
Las normas UNE (y otras normas) se pueden adquirir en la Asociación Española de Normalización y Certificación (AENOR), C/ Génova, 6, 28004 MADRID, Tel 914326000, Fax 913104976, E-mail: aenor.normalizacion@mad.servicom.es y las Notas Técnicas de Prevención (NTP) y otras publicaciones del INSHT, en el Servicio de Publicaciones del INSHT, C/Torrelaguna, 73, 28027 MADRID.
TÉCNICAS, PRINCIPIOS Y COMPONENTES DE EFICACIA PROBADA PARA PREVENIR LOS SUCESOS PELIGROSOS ORIGINADOS POR LOS FALLOS MÁS FRECUENTES EN LOS SISTEMAS DE MANDO Y CATEGORÍAS DE LOS SISTEMAS DE MANDO
El sistema de mando de un equipo de trabajo juega un papel primordial en el comportamiento del mismo. A través de él se garantizan muchas de las funciones de seguridad de un equipo de trabajo y, por tanto, por muy sencillo que sea, es de una importancia fundamental para la seguridad de las personas. Ahora bien, se debe tener en cuenta que la integración en el sistema de mando de las funciones de seguridad adecuadas para un determinado equipo es una de las clásicas medidas preventivas denominadas de prevención intrínseca, en las que la seguridad se obtiene mediante un diseño inherentemente seguro. Es este, por tanto, uno de los aspectos en los que cobra toda su importancia la observación preliminar del Anexo I.
El sistema de mando de un equipo de trabajo es una asociación de elementos que responde a unas señales de entrada generando unas señales de salida que dan lugar a que el equipo de trabajo bajo control funcione de una manera determinada. En la configuración de un sistema de mando se pueden utilizar, solas o combinadas, tecnologías tales como la mecánica, la hidráulica, la neumática o la eléctrica, incluyendo la electrónica.
NOTA 1:
Las señales de entrada pueden ser generadas por el operador de forma manual, por un sistema o dispositivo de protección (dispositivos de enclavamiento, limitadores de presión, de velocidad, barreras fotoeléctricas), o por los sensores del propio equipo de trabajo. También se pueden incluir informaciones generadas por el propio equipo de trabajo, por ejemplo, sobre su estado y sus respuestas (posición, velocidad, recorridos...).
Los sistemas de mando comprenden los sistemas, subsistemas o partes de un sistema de mando que desempeñan funciones de seguridad como, por ejemplo: el enclavamiento entre un resguardo y la maniobra de puesta en marcha/parada del motor de accionamiento de un elemento peligroso; la parada en punto muerto superior de una prensa; un dispositivo de mando a dos manos y la maniobra asociada al mismo, etc. Se considera que un sistema de mando cumple los requisitos establecidos en el último párrafo del apartado 1.1 del Anexo I cuando realiza la(s) función(es) de seguridad requerida(s) y cada una de ellas tiene la resistencia a fallos peligrosos adecuada al nivel de riesgo (de acuerdo con los resultados de la evaluación de riesgos), y es capaz de soportar las solicitaciones de funcionamiento previstas, la influencia de los materiales procesados y otras influencias externas (vibraciones, campos electromagnéticos, perturbaciones en la alimentación de energía, etc.).
NOTA 2:
Se entiende por defecto o avería el estado de una unidad caracterizado por su incapacidad para desempeñar una función requerida. Sin embargo, un fallo es el cese de la aptitud de una unidad para cumplir una función requerida. Después de que una unidad falla (suceso), tiene un defecto (estado). En la práctica, es habitual utilizar indistintamente los términos defecto y fallo como sinónimos.
La mayoría de los elementos, componentes y dispositivos que integran un sistema de mando con funciones de seguridad pueden fallar. Dichos fallos pueden conducir a condiciones que no afectan a la seguridad o dar lugar, directamente o por acumulación de fallos, a sucesos peligrosos, tales como:
la puesta en marcha intempestiva de un equipo de trabajo o de sus elementos peligrosos;
la pérdida de las funciones de seguridad, como, por ejemplo:
la ineficacia de los dispositivos de protección,
la imposibilidad de parar el equipo de trabajo o sus elementos peligrosos;
la caída o proyección de cualquier elemento móvil del equipo o de cualquier pieza sujetada por el mismo.
Los fallos que pueden conducir a sucesos peligrosos incluyen, por ejemplo:
los fallos en la alimentación de energía, tales como:
la pérdida de la energía de mando,
la variación de energía, en cualquier sentido,
el restablecimiento de la energía después de haberse interrumpido;
los fallos de cualquier elemento, componente o dispositivo que forme parte del sistema de mando, tales como:
fallos de aislamiento, puentes entre partes conductoras, atasco de contactores, de relés, de válvulas direccionales, estado de conducción permanente en un dispositivo de conmutación de estado sólido, rotura de conductos especialmente los flexibles, rotura de muelles, rotura de topes mecánicos, fallo de software,...
Desde el punto de vista de la seguridad el objetivo inicial es conseguir, en la medida de lo posible, que dichos fallos no se puedan producir. Si no es posible evitar los fallos, se trata en segundo lugar de que dichos fallos conduzcan a un estado de seguridad, o bien de que se puedan compensar por la acción de otro elemento que ejerce la misma función y que, en caso de defecto, sustituye al elemento defectuoso de forma automática. Finalmente, se trata de que su probabilidad de aparición sea lo más baja posible. La experiencia demuestra que muchos de estos objetivos se pueden alcanzar utilizando técnicas, principios y componentes que han demostrado su eficacia a lo largo del tiempo en aplicaciones de la técnica de la seguridad (de eficacia probada). A continuación se describen algunos de ellos y más adelante se diferencian distintas categorías de resistencia a fallos de las partes de los sistemas de mando relativas a la seguridad:
A. Técnicas, principios y componentes de eficacia probada
A1. Prevención de sucesos peligrosos debidos a los fallos en la alimentación de energía
Para conseguir, en la mayoría de los casos, que dichos fallos no den lugar a sucesos peligrosos, se deben seguir los principios generales siguientes:
Las funciones peligrosas del equipo de trabajo se obtienen por establecimiento o elevación de energía (por ejemplo, energía eléctrica, hidráulica o neumática) y las funciones o condiciones de seguridad se obtienen por anulación o reducción de energía. Por ejemplo: la orden de puesta en marcha de los elementos peligrosos (arranque de un motor), o la iniciación de un ciclo peligroso se genera aportando tensión a la bobina del contactor del motor, o aportando presión de pilotaje a una válvula direccional que manda un cilindro hidráulico, o pasando del estado lógico 0 al estado 1 en la señal de entrada a un PLC; en cambio la orden de parada se genera quitando energía (tensión, presión), o pasando del estado lógico 1 al estado lógico 0.
El incremento de parámetros peligrosos, tales como la velocidad o la presión, se realiza aportando energía y la reducción de los mismos, a niveles más seguros, se obtiene quitando o disminuyendo energía. Así, cuando un cilindro hidráulico tiene dos velocidades, una de aproximación y otra de trabajo, la velocidad lenta o de trabajo se debe conseguir anulando la alimentación de la bobina de la válvula que permite las dos velocidades; cuando un CNC o un PLC controla la velocidad de un servomotor o la variación de presión o de caudal por medio de servoválvulas o de válvulas proporcionales con salidas analógicas, el aumento de velocidad en el servomotor o el aumento de presión o de caudal en un circuito deben corresponder a salidas analógicas de mayor tensión o de mayor intensidad y el descenso de velocidad o de presión o de caudal, incluyendo la parada, por disminución o anulación de energía.
Las variaciones de energía en los circuitos de mando, en cualquier sentido, también pueden dar lugar a sucesos peligrosos y se deben tener en cuenta. Así, las sobreintensidades, las sobretensiones o las caídas de tensión en los circuitos eléctricos, las sobrepresiones o las caídas de presión en los circuitos hidráulicos y/o neumáticos, pueden dar lugar a sucesos peligrosos, como:
rotura de tuberías o de conductos flexibles, debidas a sobrepresiones o a puntas de presión;
calentamientos, soldadura de contactos, pérdida de aislamiento, debidas a sobrecargas o a cortocircuitos;
fallos de aislamiento, fallos en la conmutación de dispositivos de estado sólido, debidos a sobretensiones.
En consecuencia, los circuitos de mando deben estar protegidos o ser elegidos de manera que estos efectos sean minimizados o tolerados, por ejemplo:
Mediante protección de los circuitos eléctricos contra cortocircuitos y, en caso necesario, contra sobrecargas.
Mediante protección de los circuitos neumáticos e hidráulicos contra sobrepresiones y, en caso necesario, controlando el funcionamiento del equipo de trabajo dentro de unos determinados límites de presión (límites nominales de funcionamiento). El método de protección contra presiones excesivas en los circuitos de mando hidráulicos y/o neumáticos consiste generalmente en instalar válvulas limitadoras de presión en los puntos apropiados del sistema o presostatos, estableciendo así los límites de presión para el funcionamiento del equipo de trabajo.
Mediante filtros o dispositivos apropiados para limitar las sobretensiones, en el caso de equipos electrónicos.
Para evitar que se produzcan sucesos peligrosos, por ejemplo un arranque intempestivo, al restablecerse la alimentación de energía de un circuito de mando, después de que aquélla se haya interrumpido o haya variado, se deben cumplir ciertos requisitos que dependen de la tecnología utilizada. Así:
Un circuito eléctrico debe disponer de un dispositivo auxiliar de mando, con retorno a la posición de puesta fuera de tensión, que puede estar asociado:
a un contactor autoalimentado (véase la figura H1(2));
a un relé o a un dispositivo electrónico que asegure la función de autoalimentación;
a un interruptor con enclavamiento mecánico que necesite un rearme después de un corte de alimentación de energía.
Por tanto, para poner en marcha y parar un equipo de trabajo, no es aceptable utilizar un interruptor de accionamiento manual de dos posiciones fijas marcha/parada, salvo que la evaluación del riesgo determine que no existe un nivel de riesgo apreciable en el caso de una puesta en marcha intempestiva, por ejemplo, en una pequeña esmeriladora fija.
En el caso de circuitos neumáticos o hidráulicos la puesta en presión se debe realizar con válvulas monoestables, de retorno a la posición de cierre por muelle, o bien con válvulas que adoptan su posición de seguridad de forma mecánica, por ejemplo, debido al arrastre mecánico del fluido sobre el sistema de cierre, como es el caso de las válvulas antirretorno pilotadas de accionamiento directo.
Cualquier accionador que, en caso de fallo del sistema de mando, deba mantener su posición o adoptar una posición específica por razones de seguridad, debe estar mandado por una válvula mantenida en posición de seguridad mediante muelles o por bloqueo mecánico. También es posible utilizar un órgano de mando sensitivo mediante el que la puesta en marcha se realiza por la acción mantenida por el operador y la parada al soltar el mando, en la medida en que mantener dicha acción no sea excesivamente molesta. Esta solución se aplica, por ejemplo, a las herramientas portátiles a motor.
NOTA:
En ciertos circuitos neumáticos mandados por válvulas de dos posiciones, la puesta en presión del circuito de mando puede dar lugar a movimientos incontrolados y peligrosos; en estos casos puede ser aceptable, como solución alternativa, dotar al circuito de válvula(s) de arranque progresivo, que limita(n) el riesgo.
(2) Los esquemas representados en esta figura y las que siguen, tratan de representar principios de funcionamiento. Es posible que en la práctica estos esquemas deban ser completados o puedan ser mejorables.

La figura H1a) muestra un motor que se conecta/desconecta mediante un interruptor Q de dos posiciones; si desaparece la tensión de alimentación, el motor se para y, al retornar la tensión, el motor arranca de nuevo de manera intempestiva. En la figura H1b) se puede observar que, al desaparecer la tensión de alimentación, cae la tensión en la bobina del contactor KM1 que conecta/desconecta el motor y, por lo tanto, éste se queda sin alimentación; si retorna la tensión, el motor no se alimenta automáticamente, sino que es necesario accionar el órgano de puesta en marcha SB2 para que pueda arrancar de nuevo.
Como ya se ha indicado anteriormente, los fallos en la alimentación de energía pueden dar lugar a caídas de partes del equipo o a la proyección de piezas por pérdida de sujeción. Por ejemplo:
caída del plato móvil de una prensa por pérdida de la presión de pilotaje, de la presión de bomba o por fallo en la tensión de mando de las válvulas direccionales;
pérdida de sujeción de una pieza a mecanizar sujeta por un mandrino de accionamiento hidráulico o por un plato magnético en una máquina-herramienta;
pérdida de sujeción de una pieza manipulada por un robot.
Todos estos sucesos peligrosos se pueden evitar utilizando una energía disponible en el sistema para obtener la condición segura cuando la energía de mando falla, por ejemplo: energía potencial, energía elástica almacenada en muelles o en acumuladores de presión, energía magnética remanente,...
Así, en el primer caso:
Se podría utilizar una válvula antirretorno pilotada, colocada, a poder ser, directamente sobre el cilindro que se abre; esta válvula permite el descenso del cilindro cuando recibe la presión de pilotaje; cuando la presión de pilotaje falla, la válvula cierra automáticamente, accionada por el propio fluido, impidiendo el descenso del plato móvil.
Otra solución consiste en utilizar una válvula direccional, con posición de centro cerrado obtenida por muelles; cuando falla la tensión de mando de las bobinas y/o la presión de pilotaje, cierra automáticamente (véase la figura H2).
Una tercera solución consiste en utilizar dispositivos de retención mecánicos, que se colocan automáticamente en posición de seguridad por muelles; el descenso del elemento peligroso se realiza aplicando la energía precisa para comprimir los muelles.
En los otros dos casos, se puede lograr la sujeción mediante la energía acumulada en muelles (mandrino de sujeción, mano del robot), en acumuladores hidráulicos junto con otros sistemas (mandrinos de máquinas-herramienta con sujeción hidráulica), o mediante la propia energía magnética que contiene el plato de sujeción de piezas. En todos los casos se utiliza energía para obtener la pérdida de sujeción (hidráulica, neumática o electromagnética para comprimir muelles, o eléctrica para desmagnetizar el plato), que es la condición peligrosa, y la ausencia de dicha energía de mando para sujetar la pieza, que es la condición segura.

Figura H2- Ejemplo de circuito hidráulico para evitar la pérdida de sujeción de una pieza en un torno
a) Descripción del circuito:
El esquema consta del circuito de potencia y mando hidráulico y del circuito de mando eléctrico. El circuito de potencia y mando hidráulico se compone de grupo motobomba, presostato SB1, válvula de seguridad, válvula antirretorno, válvula direccional de 4 vías y tres posiciones con retorno a centro cerrado por muelles YV, acumulador de presión con presostato SB2 y cilindro hidráulico, que permite la apertura/cierre del mecanismo de sujeción de la pieza a mecanizar. El circuito de mando eléctrico se compone de las partes siguientes:
puesta en marcha/parada de la bomba y del motor de accionamiento del husillo KA1 y KA2;
puesta en marcha/parada del embrague entre el motor de accionamiento y el husillo KT1;
sujeción de la pieza KT2;
liberación de la pieza KA3;
mando de las bobinas YVS e YVL de la electroválvula.
b) Descripción del funcionamiento:
La puesta en marcha/parada del motor del husillo del torno y del sistema hidráulico se efectúa por una maniobra clásica de arranque de motores, con los pulsadores SB4 (puesta en marcha) y SB3 (parada); así, se ponen en marcha el motor de la bomba hidráulica (KA1) y el motor del husillo (KA2). Una vez alcanzada la presión de trabajo, el circuito de mando eléctrico queda alimentado por los contactos auxiliares de KA1, KA2 y del presostato SB1. En primer lugar se debe sujetar la pieza a trabajar; para ello, mediante el pulsador SB8, se acciona KT2 que manda a la bobina YVS de la electroválvula, la cual permite cerrar el mecanismo y meter presión en el acumulador. Cuando la pieza está sujeta con suficiente presión, el contacto del presostato SB2 se cierra. Esto permite efectuar la maniobra de embrague (rama de alimentación de KT1); para ello, una vez sujeta la pieza, y después de soltar SB8 y pulsar SB7, cae el relé KT2 y se alimenta la bobina del relé KA3. Al caer el relé KT2, la válvula direccional vuelve a la posición de centro cerrado. La presión de sujeción se mantiene por la energía del acumulador. Es entonces cuando se puede ordenar el embrague por medio del pulsador SB6, con lo que empieza a girar el plato de sujeción del husillo, permitiendo así la mecanización de la pieza. Una vez mecanizada ésta, se ordena la parada del embrague mediante SB5, con lo cual deja de girar el plato y se puede liberar la pieza, accionando el pulsador SB7, ordenando así la apertura del cilindro hidráulico. Para evitar posibles situaciones de peligro se han previsto varios enclavamientos. Por ejemplo:
Si no hay presión en el circuito hidráulico, el contacto de SB1 está abierto, la bomba hidráulica y/o el motor del husillo no están en marcha y no se puede efectuar ninguna maniobra de amarre o desamarre de pieza.
Si por cualquier circunstancia la bomba no da presión o se para, el contacto de SB1 abre y el plato se detiene.
Si la presión que permite la sujeción cae, el contacto de SB2 ordena la parada, desembragando.
Se impide que el cilindro pueda liberar la pieza con el plato girando (KT1 metido).
Se impide el arranque (embrague ) cuando se está desamarrando la pieza,...
A.2 Prevención de los sucesos peligrosos debidos a los fallos a masa
La puesta a masa accidental de uno o varios puntos de un circuito de mando no debe dar lugar a sucesos peligrosos.
Si se produce en el circuito de mando un fallo de aislamiento susceptible de dar lugar a un suceso peligroso, dicho fallo debe provocar la parada del equipo o el corte de su alimentación de energía eléctrica. Si el corte automático o la parada implican por sí mismos un peligro para los trabajadores o si no se pueden realizar por razones imperiosas de explotación, se deben tomar las medidas adecuadas para detectar dicho fallo de aislamiento y eliminarlo al final de la fase operativa (véase la figura H3).

Figura H3 - Protección contra fallos a masa
NOTA 1:
En general la protección se consigue alimentando la maniobra a través de un transformador de separación de circuitos, conectando uno de los conductores del secundario al circuito de protección equipotencial y uniendo un borne (que tenga preferentemente siempre el mismo marcado) de la bobina de cada dispositivo de mando electromagnético (relés, contactores, electroválvulas...), o un terminal de cualquier otro dispositivo directamente a ese conductor. Toda función de conexión o de corte (por ejemplo, contactos) de los dispositivos de mando que actúan sobre la bobina o el dispositivo debe estar situada entre el otro borne de la bobina o del dispositivo y el otro conductor del circuito de mando (es decir, el que no está conectado al circuito de protección equipotencial).
NOTA 2:
En el caso de máquinas pequeñas, el circuito de mando puede estar conectado entre fase y neutro, si éste está conectado directamente a tierra.
NOTA 3:
Si es preciso mantener la alimentación de energía, por razones de explotación, o cuando la parada inmediata del equipo de trabajo o la desconexión de su fuente de alimentación eléctrica puede dar lugar a peligros para los operadores de los equipos de trabajo, se pueden adoptar otras medidas como, por ejemplo, la alimentación a través de un transformador de separación de circuitos acompañado de un sistema de control de aislamiento que señalice el primer fallo, asociado a dispositivos de corte bipolar de las bobinas de mando de los elementos peligrosos. Un segundo fallo que pueda dar lugar a condiciones peligrosas, debe originar una orden de parada del equipo de trabajo o su desconexión.
NOTA 4:
En el caso de circuitos electrónicos, se pueden tomar las medidas indicadas en la NOTA 1 u otras de eficacia equivalente.
NOTA 5:
Las normas UNE 20416:1981 Partes 1 y 2, UNE 20416:1989, UNE-EN 60204-1:1995 o UNE-EN 60204-1:1999 constituyen buenas referencias para cumplir estos requisitos.
Sobre un circuito de mando sin puesta a tierra, dos fallos a masa pueden puentear el contactor de mando. Esto puede ocasionar la puesta en marcha intempestiva del equipo de trabajo y la imposibilidad de pararlo.
Sobre un circuito con puesta a tierra en un punto medio del transformador, un fallo a masa puede dejar la bobina del contactor alimentado con el 50% de la tensión. Esta puede ser una tensión suficiente para mantener el contactor activado, imposibilitando la parada del equipo.
Seguridad positiva: Los fallos a masa en la línea A del contactor provocan la fusión del fusible y el circuito queda cortado. Como la línea B está deliberadamente conectada a tierra, los fallos a masa en esta línea no tienen ningún efecto.
A.3 Prevención de los sucesos peligrosos debidos a puentes entre conductores
En los equipos de trabajo pueden existir ciertos puntos críticos en los que es muy probable que se produzcan puentes entre conductores, ya sea a través de masa o bien directamente entre ellos, pudiendo dar lugar a sucesos peligrosos.
Uno de los ejemplos más claros es el de los puentes que se pueden producir en los circuitos de los órganos de mando que no están fijados directamente sobre el bastidor del equipo de trabajo, tales como los pedales (por ejemplo, el pedal de una plegadora), o los pupitres de mando desplazables (por ejemplo, el pupitre móvil de un mando a dos manos). Las causas pueden ser, por ejemplo, el aplastamiento o retorcimiento del cable en el que están los conductores, o el corte de los conductores producido por la caída de una pieza metálica. En estos casos dichos circuitos se deben concebir y construir de manera que la puesta a masa de los conductores o un cortocircuito entre los conductores o el corte de los conductores, no pueda dar lugar a un arranque intempestivo, ni imposibilite la parada del equipo (véase la figura H4).
Figura H4 a |
Figura H4 b |
|
|
Existen otros casos en los que esta posibilidad también se debe tener en cuenta. Por ejemplo, en el trayecto entre los detectores de posición y el armario de mando; si los conductores van por el exterior de la máquina, un aplastamiento del cable donde van los conductores o el desgaste del aislamiento debido a las vibraciones puede anular la función del detector de posición. En estos casos una protección mecánica del cable y/o una correcta sujeción del mismo pueden evitar dicho fallo. En el caso de las cajas de conexiones, la suciedad o el polvo, si es conductor, pueden originar puentes en los bornes; la solución es mantener el grado de protección IP adecuado.
En general dentro de un armario eléctrico no es necesario tener en cuenta los puentes entre conductores, siempre que éstos tengan la sección adecuada, mantengan un nivel de aislamiento aceptable y estén protegidos contra cortocircuitos y, si es necesario, contra sobrecargas.
La figura H4a) es un ejemplo de cableado incorrecto de un pedal de mando. La maniobra de mando está alimentada a través de un transformador de separación de circuitos, sin ninguna conexión al circuito de protección equipotencial. Dos fallos a masa (1 y 2) en dos partes del circuito, tales como las indicadas en la figura, anulan la función de seguridad asignada al resguardo.
La figura H4b) es un ejemplo de cableado incorrecto de un pedal de mando. La maniobra de mando está alimentada a través de un transformador de separación de circuitos, con uno de los conductores del secundario conectado al circuito de protección equipotencial, pero debido a la disposición de la bobina del relé KA1, un solo fallo a masa (1), tal como el indicado en la figura, da lugar a una puesta en marcha intempestiva, anulando, por tanto, la función de seguridad asignada al resguardo.
La figura H4c) es un ejemplo de cableado correcto de un pedal de mando. La maniobra de mando está alimentada a través de un transformador de separación de circuitos, con uno de los conductores del secundario conectado al circuito de protección equipotencial. Además, uno de los bornes de la bobina de cada uno de los relés KA1 y KA2 y de la electroválvula YV está conectado a dicho conductor. Un fallo en cualquier parte del circuito que no esté conectada al circuito de protección equipotencial dará lugar a un cortocircuito que provoca la fusión del fusible y, por tanto, la parada del equipo de trabajo.
La figura H4d) es un ejemplo de cableado incorrecto de un pedal de mando. La maniobra de mando está alimentada a través de un transformador de separación de circuitos, con uno de los conductores del secundario conectado al circuito de protección equipotencial. Además, uno de los bornes de la bobina del relé KA1 y de la electroválvula YV está conectado a dicho conductor, pero en este caso es el pedal SB1 el que da directamente la orden de puesta en marcha de los elementos peligrosos, ya que no existe ninguna condición previa, tal como la del cierre de un resguardo. Un puente entre los conductores 1 y 2 que van al pedal, sin pasar por masa, da lugar a una puesta en marcha intempestiva.
Figura H4 c: correcto |
Figura H4 d: incorrecto |
|
|
La figura H4e) es un ejemplo de cableado correcto de un pedal de mando. La maniobra de mando está alimentada a través de un transformador de separación de circuitos, con uno de los conductores del secundario conectado al circuito de protección equipotencial. Además, uno de los bornes de la bobina del relé KA1 y de la electroválvula YV está conectado a dicho conductor. En este caso la aplicación de un contacto normalmente cerrado del pedal SB1, en paralelo con la bobina del relé KA1, da lugar a que un puente entre los conductores 1 y 2 que van al contacto normalmente abierto del pedal provoque un cortocircuito que hace fundir el fusible, quedando el equipo de trabajo parado.

Figura H4 e: Ejemplo de cableado correcto de un pedal de mando
La figura H4f) es un ejemplo de cableado correcto de un pedal de mando. La maniobra de mando está alimentada a través de un transformador de separación de circuitos, con uno de los conductores del secundario conectado al circuito de protección equipotencial. Uno de los bornes de la bobina del relé KA1 y de la electroválvula YV está conectado a dicho conductor. En este caso se utiliza el principio de la redundancia (relés duplicados, KA1 y KA2), con las bobinas de los relés en montaje cruzado. Con esta disposición un solo fallo, sin pasar por masa, no puede dar lugar a una puesta en marcha intempestiva. Así, el puente entre 1 y 4 da lugar a un cortocircuito; el puente entre 2 y 3 deja las bobinas a la mitad de tensión, por lo que, después de una parada, no podrán activarse dichas bobinas; un puente entre los conductores que van a los contactos del pedal (1-3 o 2-4) activa la bobina correspondiente. Este último fallo no es detectado por la maniobra, por lo que una acumulación de fallos podría dar lugar a una puesta en marcha intempestiva. Para evitarlo es preciso controlar la posición de los contactos de los relés KA1 y KA2, tal como se muestra en la figura H4g), que es una variante de la anterior.
Figura H4 f |
Figura H4 g |
|
|
A.4 Prevención de los sucesos peligrosos originados por fallos en los sistemas electrónicos
Cuando se utilizan sistemas electrónicos programables en funciones relativas a la seguridad, es preciso tener en cuenta que el hecho de que sean reprogramables permite modificar, o anular incluso, las funciones de seguridad iniciales del equipo de trabajo, en general de una manera más fácil que con la técnica electromecánica. Además, pueden tener una serie de fallos en ciertos casos aún no muy bien conocidos. Finalmente pueden ser muy influenciados por otros fenómenos a los que los componentes electromecánicos son insensibles como, por ejemplo: campos magnéticos, descargas electrostáticas, calor, puntas de tensión en la red, microcortes de tensión, etc.
Por lo tanto, los equipos electrónicos programables no se deben utilizar para las funciones de parada de emergencia de categoría 0 (parada por supresión inmediata de la alimentación de energía en los accionadores de la máquina). Aunque, en principio, dichos equipos se pueden utilizar para las funciones de parada de emergencia de categoría 1 (parada con utilización de la energía en los accionadores y posterior supresión de la energía a los mismos una vez obtenida la parada) y para cualquier otra función de parada relacionada con la seguridad, es preferible utilizar componentes electromecánicos cableados (es decir que la función de parada no dependa exclusivamente del funcionamiento del equipo electrónico programable). Esto no excluye la utilización de equipos electrónicos programables para controlar, comprobar o reforzar dichas funciones. No obstante, dichos equipos no deben impedir el funcionamiento correcto de las funciones de seguridad.
NOTA 1:
En situaciones en las que se puede producir un accidente importante debido al mal funcionamiento del sistema de mando, se acepta actualmente que es difícil determinar con cierto grado de certeza, hasta qué punto se puede confiar en el correcto funcionamiento de un equipo electrónico programable de un solo canal.
Mientras esta situación perdure, no es prudente confiar exclusivamente en el funcionamiento correcto de dichos dispositivos de un solo canal (para mayor información véase la norma UNE-EN 60204-1).
NOTA 2:
Si se utiliza un equipo electrónico programable para desempeñar funciones de seguridad, en situaciones en las que se puede producir un accidente importante (lesiones graves, muy graves o incluso la muerte), se deben cumplir requisitos muy especiales (utilización de sistemas redundantes, utilización de la diversidad, autocontrol, etc.). Para ciertas aplicaciones de riesgo elevado como, por ejemplo, para mando de prensas, quemadores, etc., normalmente este tipo de equipos se someten a ensayo en Laboratorios u Organismos reconocidos para tal fin, que emiten el correspondiente certificado. Además, se deben respetar los requisitos específicos de montaje, instalación, programación, etc., que sólo pueden ser realizados por personal especializado.
Por estos y otros motivos esta situación es ampliable al mando de los sistemas hidráulicos y neumáticos (cuando se utilizan en los mismos con funciones de seguridad como, por ejemplo, la parada de un accionador), a las válvulas proporcionales y/o a las servoválvulas. Por tanto, cuando los accionadores están controlados por servoválvulas o por válvulas proporcionales y un fallo en el sistema de mando puede dar lugar a un accidente importante, por ejemplo, por el movimiento inesperado del accionador, se deben prever los medios necesarios para mantener o situar el accionador en posición segura. En general este requisito se puede conseguir con otra válvula que, colocada en serie con la servoválvula o con la válvula proporcional, garantice una parada segura del accionador.
A.5 Enclavamientos de protección entre diferentes operaciones y movimientos contrarios
Cuando la ejecución errónea de una secuencia de ciertos elementos o de ciertas funciones del equipo de trabajo pueda dar lugar a sucesos peligrosos se deben prever los enclavamientos precisos para garantizar que dichos elementos o funciones se realizan de manera coordinada.
NOTA:
Son ejemplos de dicha coordinación: evitar la entrada simultánea de contactores en estrella y en triángulo para el arranque de un motor o de relés que ordenan movimientos contrarios, etc.
A.6 Selección de las diversas formas de funcionamiento o de mando de un equipo de trabajo
Cuando un equipo de trabajo puede funcionar según diversas formas de mando o de funcionamiento y el cambio a una u otra forma de mando o de funcionamiento puede dar lugar a peligros o a situaciones peligrosas de diferente nivel de riesgo, es preciso dotarlo de un dispositivo que permita seleccionar las diferentes formas de mando o de funcionamiento y que se pueda bloquear en cada posición mediante una llave. Dicho dispositivo se puede sustituir por otros medios de eficacia similar (por ejemplo, códigos de acceso).
NOTA:
Este puede ser el caso de un robot en el que la protección en funcionamiento automático consiste en un resguardo perimetral con una puerta de acceso enclavada; al pasar a la forma de funcionamiento reglaje con mando por botonera portátil el operador está sometido a un nivel de riesgo superior, ya que el enclavamiento de la puerta de acceso está anulado y el operario se encuentra cerca del robot con otras medidas preventivas alternativas como, por ejemplo, mando sensitivo, control de la velocidad, dispositivo de validación de dos posiciones y parada de emergencia. En este caso el selector debe ser bloqueable en cada posición de modo de funcionamiento (automático, reglaje...).
Cada forma de mando o de funcionamiento irá asociada a las medidas preventivas pertinentes; en lo posible la selección del modo de funcionamiento o de mando implicará automáticamente la entrada de las medidas preventivas apropiadas.
NOTA:
Esto quiere decir, por ejemplo, que:
si la protección asociada a un equipo de trabajo en funcionamiento automático es un resguardo móvil con enclavamiento y la protección asociada en funcionamiento reglaje, con el resguardo abierto, es un mando sensitivo y velocidad reducida, el equipo de trabajo sólo podrá trabajar en automático con el resguardo cerrado y el selector puesto en posición de automático y, al seleccionar reglaje, los elementos peligrosos sólo se podrán gobernar desde el puesto de mando seleccionado, en las condiciones previstas;
si una prensa está prevista para funcionamiento en marcha continua y golpe a golpe, al seleccionar la marcha continua debe activarse de forma automática, si es posible, el sistema de protección apropiado (por ejemplo, una barrera fotoeléctrica), o al menos la prensa no debe funcionar hasta que el sistema de protección correspondiente esté en posición de seguridad (por ejemplo, un resguardo con enclavamiento que proteja la zona de operación); al seleccionar la forma de funcionamiento golpe a golpe, deberá entrar automáticamente el sistema de protección apropiado para esta forma de funcionamiento (por ejemplo, un dispositivo de mando a dos manos, o bien la misma barrera fotoeléctrica junto con un mando a pedal).
En la posición seleccionada estarán anuladas todas las demás formas de mando o de funcionamiento.
NOTA:
Esto quiere decir, por ejemplo, que al seleccionar el modo de funcionamiento reglaje:
el equipo de trabajo no podrá funcionar en automático,
ni recibir órdenes de un puesto de mando de mayor nivel (por ejemplo, el mando central, en el caso de que el equipo de trabajo forme parte de un conjunto de equipos),
ni ser mandado desde un puesto de mando no seleccionado (es decir que el equipo no pueda mandarse simultáneamente desde la botonera portátil del robot y desde otro puesto, por ejemplo).
A.7 Prevención de los peligros generados al sobrepasar ciertos límites
En ciertos equipos de trabajo sobrepasar ciertos límites establecidos puede originar peligros para las personas. Son ejemplos de estos límites:
el límite de presión en un recipiente sometido a presión;
el límite de temperatura en un reactor;
el límite de velocidad en una rectificadora o en un esmeril fijo;
el límite de recorrido o de final de ciclo en una máquina (parada en punto muerto superior de una prensa excéntrica en funcionamiento golpe a golpe, cuando se alimenta o se extrae manualmente la pieza).
En estos casos se deben tomar las medidas preventivas apropiadas para garantizar que no se sobrepasan esos límites; estas medidas deben ser adecuadas al nivel de riesgo que presenta la situación peligrosa considerada.
A.8 Acción mecánica positiva
Cuando un componente mecánico, al desplazarse, arrastra inevitablemente a otro componente, bien por contacto directo o por medio de elementos rígidos, se dice que estos componentes están unidos de modo positivo (o positivamente). Igualmente se aplica a un componente que se opone, por su presencia, a cualquier movimiento de otro componente.
Por el contrario, cuando un componente mecánico, al desplazarse, permite que otro se desplace libremente (por gravedad o por la fuerza de un muelle, etc.), no hay acción mecánica positiva del primero sobre el segundo.
Este principio se utiliza para evitar en lo posible los fallos que pueden derivarse de la actuación defectuosa de un elemento sobre otro. Son ejemplos de este principio la actuación directa de una leva sobre un detector de posición y la actuación directa del órgano de accionamiento del propio interruptor de posición sobre los contactos normalmente cerrados (contactos de apertura).
A.9 Fiabilidad de los componentes
El principio de aumentar la fiabilidad de los componentes pretende evitar la probabilidad de fallo en unas condiciones de funcionamiento determinadas, durante la vida prevista de utilización. En general se consigue eligiendo componentes que soporten ampliamente las perturbaciones y esfuerzos a los que van a estar sometidos en las condiciones de uso previsto, tales como las influencias ambientales, es decir, choques, vibraciones, frío, calor, humedad, polvo, sustancias agresivas, electricidad estática y campos eléctricos y magnéticos.
B. Categorías de las partes de los sistemas de mando relativas a la seguridad
Cuando sea preciso diseñar o elegir una parte del sistema de mando o un dispositivo de protección se debe tener en cuenta la probabilidad de fallos y obrar en consecuencia. Desde el punto de vista de seguridad y de justificación económica, la resistencia a fallos de las partes de los sistemas de mando con funciones de seguridad (incluyendo los dispositivos de protección asociados a ellas) debe ser proporcional al nivel de riesgo deducido de la evaluación de riesgos. En cuanto a los dispositivos de protección, se tendrá en cuenta asimismo que debe existir una correspondencia entre la resistencia a fallos de los dispositivos de protección y la parte del sistema de mando del equipo de trabajo que garantiza la función de seguridad.
A continuación se proponen varios niveles de resistencia a fallos de las partes o dispositivos de los sistemas de mando relativos a la seguridad, que pueden ser aplicables a máquinas usadas (3). Dichos niveles se expresan en forma de categorías. Estas categorías coinciden básicamente con la clasificación establecida en la norma UNE-EN 954-1, debido a que dicha clasificación es razonablemente clara, algunos de sus conceptos son conocidos desde hace tiempo y, además, es la que se utiliza actualmente para la oferta de dispositivos o sistemas de protección y, por tanto, se debe tener en cuenta en el caso de que haya que implantar dichos dispositivos o sistemas en máquinas usadas.
Por otra parte es absolutamente necesario que, en ambos casos (máquinas nuevas sujetas al marcado CE y máquinas usadas), se manejen los mismos conceptos, aunque otra cuestión muy diferente es alcanzar en las máquinas antiguas los mismos niveles de resistencia a fallos que en las máquinas modernas.
Estas categorías se definen de forma cualitativa y sólo son comparables cuando los sistemas están diseñados y construidos con componentes de la misma tecnología. Así, si se utiliza la tecnología mecánica, se pueden obtener niveles altos de resistencia a fallos con un solo elemento, sin aplicar sistemas redundantes (que algunas veces no es posible aplicar), siempre y cuando dicho elemento resista todos los esfuerzos y las condiciones ambientales sin deterioro que pueda anular su función. Por ejemplo: un eje o un sistema de enclavamiento de llave cautiva o de llave atrapada (para mayor información sobre sistemas de enclavamiento véase la norma UNE-EN1088) puede dar el más alto nivel de resistencia a fallos. Sin embargo, cuando se quiere comparar la resistencia a fallos en tecnología electromecánica (mediante relés), se obtiene una mayor resistencia aplicando un sistema redundante que un sistema realizado con un solo elemento, siempre y cuando los elementos tengan aproximadamente la misma fiabilidad y la redundancia no sea anulada por un único fallo.
Cuando se emplean las tecnologías electromecánica, neumática, hidráulica o incluso electrónica, la resistencia a fallos se basa en la fiabilidad de sus componentes y en la estructura del sistema.
B.1 Requisitos generales para todas las categorías
Las diferentes partes de los sistemas de mando relativas a la seguridad o de los componentes de los sistemas de protección deben, en lo posible, ser adecuadas al uso previsto y ser capaces de resistir las solicitaciones internas o externas a que puedan estar sometidas, de acuerdo con dicho uso. Esto quiere decir, por ejemplo, que los componentes serán adecuados para uso industrial, si esa es la aplicación. En particular, serán adecuados para la tensión o la presión de servicio, la intensidad que deban soportar, las vibraciones, los ambientes inflamables o explosivos, o tener un grado de protección de la envolvente (IP) adecuado a la presencia de líquidos, polvos, etc.
Durante su montaje e instalación deben utilizarse, en lo posible, principios y componentes de eficacia probada para aplicaciones de seguridad que, generalmente, están expresados en las normas que les atañen. Por ejemplo:
protección de los circuitos contra las consecuencias de los fallos a masa;
protección contra sobreintensidades y en caso necesario contra sobrecargas;
utilización del principio de acción mecánica positiva en el montaje de detectores de posición, selectores, etc.
B.2 Categoría 1, con mantenimiento preventivo (Categoría 1 + MP)
La categoría 1 supone que el fallo o la avería de un componente puede dar lugar a la pérdida de la función de seguridad. Este es el menor nivel de seguridad aceptable (véanse los ejemplos de las figuras H5 y H6).
NOTA 1:
En general, cuantos menos componentes tenga el sistema, más fiable será este. Así, por ejemplo, un resguardo que actúa directamente, y según el modo positivo, sobre el elemento de potencia (válvula de paso del fluido al accionador (cilindro)) es mejor y más fiable que si actúa sobre una válvula de pilotaje de la válvula de corte.
(3) Las categorías de los sistemas de mando son aplicables normalmente a las máquinas, aunque pueden existir aplicaciones en otros equipos de trabajo en las que sea necesario, para la seguridad de dichos equipos, controlar diversos parámetros tales como temperatura, niveles, caudales, presiones, etc. En esos casos también se deberían aplicar dichas categorías.
Además de cumplir los requisitos de la categoría 1, se requiere un mantenimiento preventivo, periódico y efectuado por personal competente de las partes del sistema de mando relativas a la seguridad, incluyendo los dispositivos de protección, para evitar y/o detectar los fallos que el sistema de mando no detecta y que en caso de acumularse sin ser detectados pueden desencadenar un suceso peligroso.
El mantenimiento se efectuará siguiendo las instrucciones del fabricante del equipo o de la máquina (si existen). En el caso de que no existan dichas instrucciones, los resultados de la evaluación del riesgo permitirán determinar y establecer por escrito:
los elementos a verificar y la manera de verificarlos;
la periodicidad de las verificaciones;
quién debe realizar las verificaciones (cualificación).
Para dejar constancia de las revisiones efectuadas éstas se registrarán en un libro de mantenimiento, indicando la revisión efectuada y, en particular, los elementos que han sido revisados, los elementos que han sido sustituidos, las pruebas efectuadas, etc., con la fecha y la firma de las personas que han efectuado dicho mantenimiento y el visto bueno de los delegados de prevención.
NOTA 2:
En general, para máquinas antiguas sólo es factible alcanzar la categoría 1+MP para situaciones de riesgo tales como las descritas en las figuras H5 y H6, o para niveles de riesgo equivalentes.
Ejemplos de categoría 1
a) La figura H5 muestra un ejemplo de maniobra de categoría 1 para el enclavamiento entre un resguardo móvil y el motor de accionamiento de un elemento peligroso y parada de emergencia.

Figura H5: Ejemplo de maniobra de categoría 1 para el enclavamiento entre un resguardo móvil y el motor de accionamiento de un elemento peligroso, con parada de emergencia maniobra parcial).
- Descripción del funcionamiento
Cuando el resguardo está cerrado y el órgano de accionamiento de la parada de emergencia está desbloqueado, es posible poner en marcha el motor mediante una maniobra de marcha/parada clásica; con la máquina en marcha, al abrir el resguardo, éste pisa el detector de posición SQ1, que deja sin alimentación a la bobina del contactor KM1, ordenando la parada del motor. Lo mismo ocurre si se actúa sobre el pulsador de parada de emergencia SB1 que, además de quedar bloqueado en posición de abierto, separa inmediatamente el motor de sus fuentes de energía.
- Ejemplos de técnicas y componentes de eficacia probada aplicados
Protección de la maniobra contra sobreintensidades; protección del motor (y del contactor) contra sobrecargas y cortocircuitos lo más ajustada posible.
Protección contra los sucesos peligrosos derivados de la puesta a masa del circuito de mando (alimentación del circuito de mando a través de transformador de separación de circuitos, conexión de las masas al circuito de protección equipotencial y conexión del común de las bobinas alimentadas por el transformador a dicho circuito).
La caída y posterior restablecimiento de la energía no da lugar a un arranque intempestivo del motor ya que cae el contactor KM1 y es necesaria una acción voluntaria para volver a poner en marcha el motor. Sucede lo mismo si se abre el resguardo con la máquina en marcha. En general no debe ser posible la puesta en marcha del motor por el mero hecho de cerrar el resguardo (salvo en casos muy concretos).
Protección contra puentes entre conductores (puente 1-3) que podrían anular la acción del detector de posición (si se produce dicho puente, al abrir el interruptor mediante el resguardo, se provoca un cortocircuito a través de su contacto normalmente abierto unido a tierra, tirando toda la maniobra).
Arranque del motor (condición peligrosa) conseguido por aporte de energía al contactor.
El resguardo móvil actúa según el modo positivo sobre el detector de posición (acción mecánica positiva).
Detector de posición y pulsador de parada de emergencia de maniobra positiva de apertura (la apertura de sus contactos es mecánica directa).
Montaje del resguardo y del detector de manera que su accionamiento recíproco sea lo más fiable posible (para mayor información sobre los requisitos de montaje, véase la norma UNE-EN 1088).
Montaje del resguardo respetando las distancias de seguridad para impedir el acceso a la zona peligrosa cuando está cerrado.
- Ejemplos de fallos que pueden anular el enclavamiento
Fallos en el guiado u holguras en el resguardo que impiden que el contacto cerrado del detector de posición se abra.
Pérdida de sujeción, o rotura, de la leva del detector.
Contactor pegado o atascado.
- Utilización recomendada
En zonas peligrosas, a las que se accede esporádicamente (por ejemplo, algunas/pocas veces a la semana), con posibilidad de lesiones graves, en las que el peligro y el riesgo consecuente son fácilmente perceptibles (por ejemplo, si al abrir un resguardo falla el enclavamiento, los mecanismos móviles son fácilmente perceptibles y/o las consecuencias de su movimiento son evidentes, o su velocidad es suficientemente baja para que sea fácil evitar el accidente...).
b) La figura H6 muestra un ejemplo de maniobra de categoría 1 para el enclavamiento entre un resguardo móvil y un accionador hidráulico.

Figura H6 - Ejemplo de maniobra de categoría 1 para el enclavamiento entre un resguardo móvil y un accionador hidráulico.
- Descripción del funcionamiento
El resguardo móvil actúa sobre una válvula de tres vías y dos posiciones. Esta válvula manda la presión de pilotaje a la válvula antirretorno pilotada. Cuando el resguardo está cerrado, la válvula de tres vías y dos posiciones está accionada por el muelle de recuperación, dejando pasar la presión de pilotaje a la válvula antirretorno pilotada, por lo que ésta se abre y permite el paso del aceite a presión al circuito del accionador; al abrir el resguardo, la válvula de tres vías cierra la entrada del aceite a presión para el pilotaje de la válvula antirretorno y pone a tanque la presión existente en la tubería de pilotaje; entonces la válvula antirretorno se cierra, impidiendo así el paso del aceite a presión al circuito del accionador.
- Ejemplos de técnicas y componentes de eficacia probada aplicados
Utilización de un filtro en el circuito hidráulico que evita, en lo posible, atascos y desgastes en las válvulas debidos a la suciedad, con indicador de su colmatado.
Accionamiento positivo de la válvula antirretorno, ya que la posición peligrosa de la válvula (apertura ) se obtiene aportando energía.
Válvula de tres vías y dos posiciones de accionamiento positivo.
El resguardo móvil actúa según el modo positivo sobre la válvula de tres vías y dos posiciones (acción mecánica positiva).
Montaje del resguardo y de la válvula de manera que su accionamiento recíproco sea lo más fiable posible (véase la norma UNE-EN 1088).
Montaje del resguardo respetando las distancias de seguridad para impedir el acceso a la zona peligrosa cuando está cerrado.
- Ejemplos de fallos que pueden anular el enclavamiento
Atascos en la válvula antirretorno en posición de apertura.
Fallos en el guiado u holguras en el resguardo que impiden el accionamiento de la válvula de tres vías y dos posiciones.
Pérdida de sujeción, o rotura, de la leva de accionamiento de la válvula de tres vías y dos posiciones...
- Utilización recomendada
En zonas peligrosas, a las que se accede esporádicamente (por ejemplo, algunas/pocas veces a la semana), con posibilidad de lesiones graves, en las que el peligro y el riesgo consecuente son fácilmente perceptibles (por ejemplo, si al abrir un resguardo falla el enclavamiento, los mecanismos móviles son fácilmente perceptibles y/o las consecuencias de su movimiento son evidentes, o su velocidad es suficientemente baja para que sea fácil evitar el accidente).
B.3 Categoría 2
Además de cumplir los requisitos de la categoría 1, en la categoría 2 se utiliza un sistema automático para detectar el buen funcionamiento de las partes del sistema de mando con funciones de seguridad, incluyendo las partes relacionadas con los dispositivos de protección, a intervalos regulares y como mínimo una vez por turno (8 horas) al poner en marcha la máquina. En el caso de que se detecte un fallo, éste se señaliza o se impide la nueva puesta en marcha del equipo de trabajo hasta que el fallo sea reparado (véanse los ejemplos de las figuras H7 y H8).
NOTA:
En general este sistema sólo se ha utilizado parcialmente en máquinas antiguas, por ejemplo, para detectar algunos fallos como condiciones previas al arranque de la máquina.
Ejemplos de categoría 2
a) La figura H7 muestra un ejemplo de maniobra de categoría 2 para el enclavamiento entre un resguardo y el motor de accionamiento del elemento peligroso.
Figura H7- Ejemplo de maniobra de categoría 2 para el enclavamiento entre un resguardo y el motor de accionamiento del elemento peligroso.
- Descripción del funcionamiento
Este esquema permite la puesta en tensión general de la maniobra de mando de la máquina y por otra parte permite el arranque y la parada del motor del elemento peligroso.
Para poner en tensión la maniobra de la máquina se deben cumplir las siguientes condiciones:
Debe estar cerrado el interruptor magnetotérmico Q1 de protección del motor; así, uno de sus contactos auxiliares permite la alimentación de la maniobra.
Debe estar desbloqueado el pulsador de parada de emergencia SB1.
El resguardo debe estar abierto para que, mediante el contacto normalmente abierto del detector de posición SQ1, se alimente la bobina del relé auxiliar KA3 y mediante el contacto normalmente cerrado del detector de posición se desconecte la bobina del relé auxiliar KA2.
En estas condiciones se puede dar tensión al resto de la maniobra mediante el pulsador SB3, alimentando así la bobina del contactor KA1.
El arranque del motor M sólo será posible si se cierra el resguardo y se acciona el pulsador de puesta en marcha del motor SB5. Al cerrar el resguardo se alimenta la bobina del relé auxiliar KA2 y se desconecta la bobina del relé auxiliar KA3, lo que permite la puesta en marcha del motor. Mientras no se realice una parada general de la máquina al cambiar de turno de trabajo, mediante el pulsador SB2, el resguardo se puede abrir y cerrar varias veces sin necesidad de rearmar toda la maniobra.
Al arrancar de nuevo la máquina hay que repetir el proceso descrito, lo que obliga a efectuar la apertura y el cierre del resguardo, verificando así el dispositivo de enclavamiento.
- Ejemplos de técnicas y componentes de eficacia probada aplicados
Además de aplicar prácticamente los mismos que en el ejemplo similar de la figura H5 (categoría 1), en este esquema se han aplicado los siguientes:
Los posibles puentes entre los conductores que van del detector de posición a los relés KA2 y KA3, se detectan por la alimentación cruzada de los relés, evitando que dichos puentes puedan anular la función del detector de posición. Así:
un puente entre 1 y 2 o entre 3 y 4 origina un cortocircuito entre 1 y 4 al abrir el resguardo, tirando toda la maniobra;
un puente entre 1 y 4 da lugar a un cortocircuito;
un puente entre 1 y 3 o entre 2 y 4 da lugar a una activación permanente del relé KA2 o del relé KA3; estos estados fijos son detectados por la maniobra (por ejemplo, si se queda activado permanentemente KA3, el motor no se podrá poner en marcha y si se queda activado permanentemente KA2, no se podrá poner en marcha la maniobra general de la máquina);
un puente entre 2 y 3 no activa simultáneamente los relés KA2 o KA3, ya que los relés se activan aproximadamente al 85% de la tensión de alimentación y debido a dicho puente la tensión en las bobinas es del 50%; por tanto, no se podrá poner en marcha el motor o no se podrá alimentar KM1 y, además, al abrir el resguardo se producirá un cortocircuito, que fundirá el fusible.
Los puentes o los fallos a masa dan lugar a cortocircuitos (1 ó 3) o a estados permanentes de accionamiento (por ejemplo, alimentación permanente de KA3 que es detectada por la maniobra).
Los contactos de los relés auxiliares mediante los que se detectan los fallos son (deben ser) de maniobra positiva de apertura, de manera que, si el contacto normalmente cerrado se queda pegado, no sea posible cerrar el contacto normalmente abierto y viceversa, garantizando además, en las condiciones más desfavorables, una distancia mínima de 0,5 mm entre contactos de un elemento de contacto. De acuerdo con la maniobra, el relé tiene que pasar necesariamente por las dos posiciones (activado/desactivado) y, por tanto, si el relé se queda en una de ellas, no se podrá efectuar la secuencia en la que interviene la otra posición del relé.
- Utilización recomendada
En zonas peligrosas a las que se accede regularmente (por ejemplo, algunas/pocas veces por turno para efectuar operaciones de limpieza, desatasco de piezas, etc.), con posibilidad de lesiones graves, en las que el peligro es fácilmente perceptible (por ejemplo, si al abrir un resguardo falla el enclavamiento, los elementos móviles son fácilmente perceptibles).
b) La figura H8 muestra un ejemplo de maniobra de categoría 2 para el enclavamiento entre un dispositivo de protección optoelectrónico (AOPD) y el motor de accionamiento de una bobinadora.

Figura H8 - Ejemplo de maniobra de categoría 2 para el enclavamiento entre un dispositivo de protección optoelectrónico (AOPD) y el motor de accionamiento de una bobinadora.
- Descripción del funcionamiento
El sistema consiste en uno o varios haces fotoeléctricos independientes formados por un emisor y un receptor, que forman una barrera inmaterial y sirve para detectar el paso de una persona a la zona peligrosa (en principio no se debe colocar un solo haz sino varios haces, para evitar que se puedan burlar fácilmente, colocados a la distancia de seguridad apropiada). Consta de un autómata programable (PLC) que, además de estar implicado en la maniobra de mando de la máquina, se va a utilizar para verificar periódicamente el sistema del enclavamiento.
Para permitir la puesta en marcha del sistema, el PLC verifica la condición inicial de que los contactos de los relés auxiliares KA3 (relé auxiliar para arranque del motor), KA2 y KA2 (relés auxiliares de salida de los haces optoelectrónicos) están cerrados (las bobinas correspondientes no están alimentadas). Cumplida esta condición, para poner en marcha el sistema hay que accionar el órgano de puesta en marcha SB1; así se alimenta KA1 y a su vez se transmite la señal al PLC.
Si se cumplen todas las condiciones iniciales, la salida S 1.0 del PLC autoalimenta al relé auxiliar KA1 y éste a su vez permite la alimentación de los emisores de los haces fotoeléctricos E1 y E2, a través de la salida S 1.2 del PLC. Cuando los receptores R1 y R2 reciben la señal, activan los relés auxiliares KA2 y KA2 y envían esta señal a las entradas del autómata E 1.1 y E 1.1; esta condición permite cortar la alimentación de KA1 de la salida del autómata y cortar la otra vía de alimentación del KA1 a través del contacto de KA2, que se ha abierto al entrar el relé. Una vez que ha caído el relé KA1, su contacto normalmente cerrado permite la alimentación del relé auxiliar KA3, que es el que permite la marcha del motor de accionamiento de la bobinadora.
Si con el motor en marcha se cortan los haces, cae el relé KA2 y KA2, dando la señal correspondiente al autómata que cortará la salida S 1.1 haciendo caer al relé KA3, que ordenará la parada del motor (corte por un canal); la alimentación de KA3 se corta también directamente mediante cualquiera de los contactos de los relés KA2 y/o KA2 (corte por otro canal). La orden de parada SB2 cortaría también, por dos canales, la alimentación de la salida S 1.2 y, por lo tanto, la alimentación de los emisores E1 y E2, provocando el corte de las salidas de los receptores R1 y R2 y estos, a su vez, de los relés KA2 y KA2, que cortan las señales a las entradas E 1.1 y E 1.1 del PLC.
La maniobra verifica en la puesta en marcha los relés auxiliares KA1, KA2, KA2 y KA3; además, verifica el funcionamiento de los emisores y receptores E1, E2, R1 y R2. Los fallos de KA3, R1 y R2 entre controles anularían total o parcialmente la función de seguridad.
- Ejemplos de técnicas y componentes de eficacia probada aplicados
Protección de la maniobra contra sobreintensidades.
Protección contra los sucesos peligrosos derivados de la puesta a masa del circuito de mando (alimentación del circuito de mando a través de transformador de separación de circuitos, conexión de las masas al circuito de protección equipotencial y conexión del común de los receptores/emisores y de las bobinas alimentadas por el transformador a dicho circuito). También deben estar puestas a tierra las entradas y las salidas del autómata.
Los relés auxiliares mediante los que se detectan los fallos son (deben ser) de maniobra positiva de apertura, con contactos unidos.
Existen los enclavamientos adecuados para cumplir la función de seguridad correctamente.
Las partes de la maniobra de mando con funciones de seguridad no dependen exclusivamente del autómata. Así, por ejemplo, la parada corta directamente la alimentación de la salida S1.2 y, por lo tanto, la alimentación de los emisores, lo que provoca la caída de los relés KA2 y KA2; además, al cortar la salida S1.2, el autómata corta la salida S1.1, lo que hace caer al relé KA3; al pasar por los haces, la salida al relé KA3 se corta por dos canales independientes, uno a través del autómata al desactivar la salida S1.1 y otro al caer los relés KA2 y KA2.
NOTA 1:
Los haces optoelectrónicos deben ser conformes al Tipo 2, según la norma EN 61496-1y prEN 61496-2.
NOTA 2:
La maniobra requiere un dispositivo de rearme, que debe estar colocado en un lugar seguro y de manera que no se pueda accionar desde el interior de la zona peligrosa.
- Utilización recomendada
En zonas peligrosas a las que se accede regularmente (por ejemplo, algunas/pocas veces por turno para efectuar operaciones de limpieza, desatasco de piezas, alimentación, etc.), con posibilidad de lesiones graves, en las que el peligro es fácilmente perceptible (por ejemplo, aplicación como sistema de protección a la zona de bobinado o desbobinado de una cortadora longitudinal de fleje que gira a poca velocidad ya que en caso de fallo del sistema de enclavamiento, los elementos móviles bobinadora girando - son fácilmente perceptibles).
B.4 Categoría 3 + MP
Con la categoría 3 se debe cumplir que un solo fallo o avería de un componente no da lugar a la pérdida de la función de seguridad. Esto implica generalmente el empleo de sistemas redundantes (véanse los ejemplos de las figuras H9 a H12).
Algunos fallos se detectan por la propia maniobra de mando, pero no todos. En consecuencia, una acumulación de fallos no detectados puede dar lugar a la pérdida de la función de seguridad.
Es imprescindible que un solo fallo no anule la redundancia (los dos canales simultáneamente).
El mantenimiento preventivo (MP) requiere que, además de cumplir los requisitos de la categoría 3, se realice un mantenimiento preventivo para evitar y/o detectar los fallos que el sistema no detecta (véase el apartado B.2).
NOTA 1:
En general, en máquinas antiguas, esta es la categoría mínima aceptable cuando el riesgo es elevado, ya que es razonablemente alcanzable y económicamente justificable. Es el caso, por ejemplo, de:
las prensas mecánicas (excéntricas o de husillo) utilizadas para el trabajo de materiales en frío, con alimentación y/o extracción manual de la pieza;
las prensas hidráulicas para el trabajo de materiales en frío, como las prensas para metales;
las prensas para trabajar caucho o plástico por compresión, con alimentación y/o extracción manual de la pieza;
las inyectoras para caucho, plástico o metal inyectado.
NOTA 2:
Se considera trabajo en frío aquel en el que el operador puede colocar o retirar el material a procesar o procesado, con las manos desnudas, sin peligro de sufrir quemaduras.
Ejemplos de categoría 3
a) La figura H9 muestra un ejemplo de maniobra de categoría 3 para el enclavamiento entre un resguardo y el motor de accionamiento de un elemento peligroso.

Figura H9 - Ejemplo de maniobra de categoría 3 para el enclavamiento entre un resguardo y el motor de accionamiento de un elemento peligroso.
- Descripción del funcionamiento
En este caso el elemento peligroso está accionado por el motor M. Se trata de una maniobra sencilla de puesta en marcha/parada del motor, asociada al enclavamiento entre el resguardo y el arranque/parada del motor. Consta de un contacto Q1, asociado al interruptor magnetotérmico de protección del motor, que impide la puesta en tensión de la maniobra si el interruptor no está conectado a la línea del motor y que desconecta toda la maniobra cuando actúa el relé térmico del interruptor. La maniobra está además provista de un pulsador de parada de emergencia SB1 con su correspondiente bloqueo, un pulsador de parada SB2 y otro de puesta en marcha SB3 y dos interruptores de posición SQ1y SQ2, uno de maniobra positiva de apertura accionado según el modo positivo y el otro según el modo no positivo, que cortan o permiten la alimentación de las bobinas de los dos contactores KM1 y KM2, que a su vez cortan en serie la alimentación del motor M.
Para poner en marcha el motor M, previamente hay que cerrar el resguardo, lo que permite la alimentación a las bobinas de los contactores KM1 y KM2; posteriormente, al ordenar la puesta en marcha, se alimentan las bobinas de KM1 y KM2 y el motor se pone en marcha con el resguardo cerrado. Si por cualquier circunstancia se abre el resguardo, los detectores de posición cortan la alimentación de las bobinas de los contactores y el motor se detiene. El motor también se puede parar sin abrir el resguardo, mediante la maniobra de puesta en marcha/parada del motor.
- Ejemplos de técnicas y componentes de eficacia probada aplicados
Protección de la maniobra contra sobreintensidades; protección del motor, contra sobrecargas y cortocircuitos lo más ajustada posible (evitar en lo posible el pegado simultáneo de ambos contactores).
Protección contra los sucesos peligrosos derivados de la puesta a masa del circuito de mando (alimentación del circuito de mando a través de transformador de separación de circuitos, conexión de las masas al circuito de protección equipotencial y conexión del común de las bobinas alimentadas por el transformador a dicho circuito).
El resguardo actúa sobre dos detectores de posición, uno accionado según el modo positivo y el otro según el modo no positivo.
Un detector de posición y el pulsador de parada de emergencia son de maniobra positiva de apertura.
Montaje del resguardo, detectores de posición, etc., según las Normas UNE-EN 1088 y UNE-EN 294
- Ejemplos de fallos que no detecta la maniobra
Fallos en KM1 y/o KM2 (por ejemplo, si se quedan cerrados).
Fallos en los detectores de posición.
Puentes entre los conductores de los detectores de posición, sin pasar por tierra.
- Utilización recomendada
En zonas peligrosas a las que se accede frecuentemente (por ejemplo, varias o muchas veces al día), con posibilidad de lesiones graves, muy graves o incluso mortales.
b) La figura H10 muestra un ejemplo de maniobra de categoría 3 para mando de un cilindro hidráulico.
Figura H10 - Ejemplo de maniobra de categoría 3 para mando de un cilindro hidráulico.
- Descripción del funcionamiento
El cilindro hidráulico está mandado por dos válvulas direccionales de manera independiente, por ejemplo, con un resguardo móvil con dispositivo de enclavamiento (no representado), cuyas salidas permiten alimentar a YV1 e YV2, obteniendo así el cierre del cilindro. La apertura del cilindro, a final de ciclo, se efectúa por la maniobra de mando, con el resguardo cerrado.
La apertura del resguardo, durante el movimiento de cierre del cilindro, ordena la parada de éste mediante las dos válvulas direccionales.
Si la inercia de cierre del cilindro es importante, puede ser necesario dotar al sistema de válvulas limitadoras de presión, de características especiales, en los conductos que alimentan al cilindro.
- Ejemplos de técnicas y componentes de eficacia probada aplicados
El circuito está protegido contra sobrepresiones (válvula VLP) y está dotado de sistemas de filtrado que evitan, en principio, que se puedan atascar ambas válvulas por una causa común (suciedad en el fluido).
Las válvulas direccionales adoptan la posición de cierre por muelle al cesar la tensión de mando y/o la presión de pilotaje en dichas válvulas.
- Ejemplos de fallos que pueden anular el sistema
Atasco de la válvula de cuatro vías y dos posiciones, en la posición de alimentación al cilindro.
El fallo de la válvula de cuatro vías y dos posiciones en cualquiera de sus posiciones, ya sea por atasco, por la rotura del muelle de recuperación o por otras causas, impedirá probablemente que se inicie un nuevo ciclo. Es decir, si la válvula se atasca en la posición de subir, en principio no se podrá realizar el ciclo de bajar (salvo en casos muy concretos en los que la posición de la válvula permita el paso de aceite al distribuidor).
- Ejemplos de fallos que no detecta la maniobra
Especialmente fallos en YV1 (válvula direccional en posición permanente de paso de aceite al cilindro), aunque, incluso en este caso, la válvula limitadora de presión estaría continuamente trabajando y, de alguna forma, se podría detectar el fallo.
- Utilización recomendada
En zonas peligrosas a las que se accede frecuentemente (por ejemplo, varias o muchas veces al día), con posibilidad de lesiones graves, muy graves o incluso mortales.
c) La figura H11 muestra un ejemplo de maniobra de categoría 3 para el movimiento de cierre de una prensa, mediante válvula proporcional.

Figura H11 - Ejemplo de maniobra de categoría 3 para el movimiento de cierre de una prensa, mediante válvula proporcional.
- Descripción del funcionamiento
El primer sistema de cierre de la alimentación de presión al cilindro consta de una servoválvula YV1 que está gobernada por el sistema de mando una vez que el resguardo está cerrado. La alimentación de las bobinas de mando de la servoválvula se efectúa a través de dos detectores de posición, uno accionado según el modo positivo SQ2 y el otro según el modo no positivo SQ3. Al abrir el resguardo la servoválvula se coloca en la posición de cierre de la alimentación de presión al cilindro hidráulico de la prensa, mediante muelles.
El segundo sistema de cierre es una válvula lógica YV3, que está gobernada por una electroválvula de cuatro vías y dos posiciones, cuya bobina se alimenta a través del detector de posición SQ1. Al cerrar el resguardo, se alimenta la bobina de la electroválvula YV2, con lo que ésta pone a descarga la presión de mando de la válvula lógica YV3; entonces la presión del sistema abre la válvula lógica permitiendo la alimentación de presión a la servoválvula. Si se abre el resguardo, cae la alimentación de la electroválvula YV2 y entonces la presión de pilotaje actúa sobre una válvula lógica YV3, ordenando el cierre de la alimentación de presión.
- Ejemplos de técnicas y componentes de eficacia probada aplicados
La servoválvula y la válvula direccional adoptan la posición de cierre por muelle, al caer la tensión de mando en dichas válvulas.
Utilización de dos detectores de posición para la alimentación de las bobinas de la servoválvula, accionados uno según el modo positivo y otro según el modo no positivo.
Detector de posición accionado según el modo positivo para el mando de la válvula que pilota la válvula lógica.
Corte de la alimentación de las bobinas por un circuito externo al de la maniobra de mando de la servoválvula (tarjeta de mando, autómata).
La maniobra de cierre del cilindro no está confiada exclusivamente a la maniobra de la servoválvula.
La función de seguridad de cierre de la válvula lógica se obtiene principalmente por la presión del circuito; si cae la presión en el circuito hidráulico, no habrá presión en el cilindro y, por tanto, tampoco se producirán movimientos peligrosos.
- Ejemplos de fallos que pueden anular el sistema
Fallo de la válvula lógica en posición de apertura (que no detecta el sistema) por diversas causas como el fallo en la presión de pilotaje, el atasco de la válvula de pilotaje en descarga, el fallo del detector de posición que gobierna la válvula de pilotaje,...
Fallos que afectan al funcionamiento de la servoválvula, por ejemplo:
los detectores de posición que gobiernan la servoválvula no cortan la alimentación de energía de sus bobinas;
fallos de estanqueidad en la servoválvula;
fallos en los detectores de posición que cortan la alimentación de la servoválvula.
- Utilización recomendada
En zonas peligrosas a las que se accede frecuentemente (por ejemplo, varias o muchas veces al día), con posibilidad de lesiones graves, muy graves o incluso mortales.
d) La figura H12 muestra un ejemplo de maniobra de categoría 3 para el enclavamiento entre un resguardo y la alimentación de presión de mando de un circuito neumático.
Figura H12 - Ejemplo de maniobra de categoría 3 para el enclavamiento entre un resguardo y la alimentación de presión de mando de un circuito neumático.
- Descripción del funcionamiento
El sistema consiste en un resguardo móvil con dos detectores de posición, que son dos válvulas de tres vías y dos posiciones YV1 e YV2, una de ellas accionada según el modo positivo y la otra según el modo no positivo; cada una de ellas gobierna una válvula de tres vías y dos posiciones YV3 e YV4, que están colocadas en serie.
Cuando el resguardo se abre, las válvulas detectoras de la posición del resguardo ponen a escape la presión de mando de las válvulas que alimentan el circuito neumático, descargando la presión existente en el mismo e impidiendo la alimentación del circuito.
- Ejemplos de técnicas y componentes de eficacia probada aplicados
Válvulas detectoras de la posición del resguardo accionadas una según el modo positivo y la otra según el modo no positivo.
Paso a posición de seguridad de todas las válvulas por muelle y a posición peligrosa por aportación de energía (presión de pilotaje).
- Ejemplos de fallos que pueden anular el sistema
Fallo en posición de paso de la(s) válvula(s) que alimenta(n) el circuito debido a causas diversas como, por ejemplo:
atascos de las válvulas en posición de paso;
presión de pilotaje permanentemente aplicada por fallos en las válvulas de posición del resguardo.
- Utilización recomendada
En zonas peligrosas a las que se accede frecuentemente (por ejemplo, varias o muchas veces al día), con posibilidad de lesiones graves, muy graves o incluso mortales.
B.5 Categoría 4
Con la categoría 4 se debe cumplir que el fallo o la avería de un componente no da lugar a la pérdida de la función de seguridad, lo que implica generalmente el empleo de sistemas redundantes autocontrolados (véanse los ejemplos de las figuras H13 a H15).
El sistema de mando está diseñado de manera que detecte todos los fallos antes de que la función de seguridad sea solicitada de nuevo, dando lugar a una parada inmediata o a la imposibilidad de continuar con el nuevo ciclo si no se repara la avería.
NOTA:
En la mayoría de los casos y si es factible, es más seguro y posiblemente más económico aplicar la categoría 4 que la categoría 3+MP.
Ejemplos de categoría 4
a) La figura H13 muestra un ejemplo de maniobra de categoría 4 para mando a dos manos.
Figura H13 - Ejemplo de maniobra de categoría 4 para mando a dos manos.
- Descripción del funcionamiento
Las condiciones iniciales son las siguientes:
Los pulsadores del mando a dos manos están sin accionar.
El relé temporizador KT6 (temporizado a 0,5 s) está caído.
Los relés KA3 y KA4 entran al no estar alimentados los relés KA1 y KA2.
Al entrar KA3 y KA4, entra el relé KA5 y a continuación el relé KT6.
Al entrar KT6, se pueden alimentar KA1 y KA2 por las ramas que están en paralelo.
En estas condiciones, al accionar ambos pulsadores SB1 y SB2 (función de simultaneidad), éstos cortan la alimentación de KA3 y KA4, que caen inmediatamente y, a partir de ese instante, el relé temporizado KT6 tarda 0,5 s en caer.
Por otra parte, los pulsadores SB1 y SB2 alimentan los relés KA1 y KA2, siempre que se accionen en un tiempo igual o inferior a 0,5 s (función de sincronismo); en caso contrario, no se podrían alimentar KA1 o KA2, ya que la caída de KT6 lo impediría.
Una vez que entran KA1 y KA2, se autoalimentan mientras se mantengan pulsados SB1 y SB2. Además, al entrar KA1 y KA2 cortan la alimentación de KA5, quedando así validada por dos canales la condición para que se realice la función peligrosa (relés KA1 y KA2 metidos y relé KA5 caído).
Si no se cumple la función de sincronismo es necesario soltar ambos pulsadores y volverlos a pulsar (función de rearme) con un desfase igual o inferior a 0,5 s.
- Ejemplos de técnicas y componentes de eficacia probada aplicados
Protección contra los sucesos peligrosos derivados de la puesta a masa del circuito de mando (alimentación del circuito de mando a través de transformador de separación de circuitos, conexión de las masas al circuito de protección equipotencial y conexión del común de las bobinas alimentadas por el transformador a dicho circuito).
Utilización de relés de maniobra positiva de apertura, con contactos unidos.
Alimentación cruzada de los relés KA1 y KA2 para evitar arranques intempestivos por puentes entre conductores.
Las funciones de seguridad se obtienen por corte de tensión.
Detección automática, por la propia maniobra, de todos los fallos de los relés.
- Utilización recomendada
Mando a dos manos para prensas para el trabajo de materiales en frío, cizallas para el corte de materiales, troqueladoras, etc., con acceso al punto de operación a cada ciclo, o muy frecuentemente
b) La figura H14 muestra un ejemplo de maniobra de categoría 4 para el enclavamiento entre un resguardo móvil y un motor de accionamiento de un elemento peligroso.

Figura H14 - Ejemplo de maniobra de categoría 4 para el enclavamiento entre un resguardo móvil y un motor de accionamiento de un elemento peligroso.
- Descripción del funcionamiento
Un resguardo móvil con enclavamiento permite la puesta en marcha de un motor cuando el resguardo está cerrado. El resguardo actúa sobre dos detectores de posición SQ1 y SQ2, uno accionado según el modo positivo y el otro según el modo no positivo.
Las condiciones iniciales son las siguientes:
Los contactores KM1 y KM2 están caídos (sus contactos auxiliares normalmente cerrados señalizan esta condición).
Los relés auxiliares KA1 y KA2, para control de los interruptores que detectan la posición del resguardo, están caídos.
Con el resguardo cerrado, al dar la orden de puesta en marcha mediante el pulsador SB3, entra el relé KA3 que hace entrar a KA1 y KA2. Al entrar todos ellos, entra KA4 que hace que caiga KA3 y con ello se cumplen las condiciones para la alimentación de KM1 y KM2 y el motor arranca.
Si se abre el resguardo, caen KA1 y KA2 y, por tanto, los contactores KM1 y KM2 y el motor se detiene. Para una nueva puesta en marcha hay que volver a las condiciones iniciales.
- Ejemplos de técnicas y componentes de eficacia probada aplicados
Protección de la maniobra contra sobreintensidades; protección del motor (y del contactor) contra sobrecargas y cortocircuitos lo más ajustada posible.
Protección contra los sucesos peligrosos derivados de la puesta a masa del circuito de mando (alimentación del circuito de mando a través de transformador de separación de circuitos, conexión de las masas al circuito de protección equipotencial y conexión del común de las bobinas alimentadas por el transformador a dicho circuito).
El resguardo móvil actúa sobre dos detectores de posición; uno de ellos está accionado según el modo positivo y el otro según el modo no positivo.
Los relés auxiliares son de maniobra positiva de apertura, con contactos unidos.
Alimentación cruzada de las bobinas de los relés KA1 y KA2 para evitar que se anule la función de seguridad por puentes entre los conductores que van desde el armario hasta los detectores de posición.
Los elementos que intervienen en la maniobra de mando se controlan a cada ciclo.
c) La figura H15 muestra un ejemplo de maniobra de categoría 4 para el mando hidráulico de una prensa hidráulica de cierre descendente, para el trabajo de los materiales en frío y acceso al punto de operación a cada ciclo de trabajo.
Figura H15 - Ejemplo de maniobra de categoría 4 para el mando hidráulico de una prensa hidráulica de cierre descendente, para el trabajo de los materiales en frío y acceso al punto de operación a cada ciclo de trabajo.
- Descripción del funcionamiento
El movimiento de descenso está controlado por dos válvulas de cierre:
la válvula YV2, de dos vías y dos posiciones, con retorno a posición de cierre por muelle y control de posición de la corredera;
la válvula YV3, de cuatro vías y tres posiciones, con retorno a la posición central de cierre por muelle y con control de posición de la corredera.
En el caso de que la válvula de cuatro vías y tres posiciones quedara bloqueada en posición de descenso del plato móvil de la prensa y se cerrara YV2 (por ejemplo, al soltar un pulsador del mando a dos manos), la válvula YV1, de dos vías y dos posiciones, se encarga de controlar la presión en el circuito, descargando la presión a tanque. Si no existiera esta válvula, se produciría una multiplicación de presión, ya que el aceite seguiría fluyendo a presión en la parte superior del cilindro (mayor sección del émbolo), pudiendo dar lugar a una rotura (en el cilindro, en una tubería, etc.), lo que provocaría la caída del plato móvil.
Además, para reforzar esta función y para otras funciones, como amortiguar las puntas de presión en las paradas, se ha dotado al circuito de una válvula limitadora de presión de características especiales y tarada a una presión superior a la presión de trabajo.
La seguridad contra un descenso intempestivo se garantiza por la utilización de dos válvulas YV2 e YV3 conectadas en serie (redundancia), con control de posición de las correderas de ambas válvulas a cada ciclo de trabajo (autocontrol).
El descenso por entrada de aceite a la parte superior del cilindro en caso de fallo de la válvula YV3, y la consiguiente multiplicación de presión, se evita también por la utilización de dos válvulas, YV3 e YV1 (redundancia) y control de posición de las correderas de ambas válvulas (autocontrol).
Además, se deben cumplir otras condiciones, especialmente en la unión entre el cilindro y el conjunto formado por la válvula limitadora de presión y la válvula YV2, que es una zona crítica en la que se deben tomar todas la medidas necesarias para evitar roturas. Dichas medidas consisten, por ejemplo, en colocar dicho conjunto adosado directamente al cilindro y, si esto no es posible, garantizar que el conducto de unión al cilindro no se pueda romper (no utilizar tuberías flexibles, no utilizar elementos de conexión que dañen el conducto,...).
- Ejemplos de técnicas y componentes de eficacia probada aplicados
Todas las partes del circuito están protegidas contra sobrepresiones.
Las válvulas van a la posición de seguridad al retirar la energía de mando (retorno por muelle).
Los componentes de la maniobra que afectan a la seguridad se controlan cíclicamente.
Guía para la selección de resguardos y dispositivos de protección
1. INTRODUCCIÓN
Los elementos móviles son el origen de los peligros mecánicos (atrapamiento, aplastamiento, arrastre, cizallamiento, etc.). Los elementos móviles se pueden clasificar en:
elementos móviles de transmisión, es decir, los elementos móviles que no ejercen una acción directa sobre el material a trabajar y cuya función no es otra que la de transmitir o transformar el movimiento, tales como:
ejes, árboles de transmisión...
poleas, rodillos, engranajes...
correas, cadenas, cables...
bielas, palancas...
elementos móviles que intervienen en el trabajo, es decir, los que ejercen directamente una acción sobre el material a trabajar (herramientas, muelas, matrices, cilindros de laminación, de mezclado o de impresión, brazo de amasado...). Por extensión, también elementos tales como el mandrino de un torno o el portabrocas de un taladro se pueden considerar como elementos de trabajo.
1.1 Elementos móviles de transmisión
En general, no es necesario acceder a estos órganos cuando están en movimiento. Por tanto, es preciso impedir que se puedan alcanzar (se consideran inaccesibles si se encuentran como mínimo a 2,5 m. del nivel de servicio). La solución más sencilla y más eficaz consiste en colocar resguardos fijos que pueden aislar totalmente los elementos peligrosos o bien suprimir localmente el riesgo.
Si es necesario acceder frecuentemente a determinados órganos de transmisión (por ejemplo para cambiar la velocidad de un eje de una máquina por desplazamiento de una correa), la evaluación de riesgos puede justificar que se deban emplear resguardos móviles asociados a un dispositivo de enclavamiento o bien dispositivos sensibles.
En la práctica las máquinas viejas están a menudo equipadas con resguardos móviles sin enclavamiento, permitiendo así el acceso a los órganos de transmisión del movimiento; este caso es particularmente frecuente en numerosas máquinas-herramienta en servicio. Por tanto, dependiendo de los resultados de la evaluación de riesgos, cabe una de las soluciones siguientes:
transformar dicho resguardo móvil en un resguardo fijo mediante pernos o tornillos, si la frecuencia de acceso en baja;
dotar a dicho resguardo de una cerradura con llave, lo que, en sentido reglamentario, viene a ser lo mismo que transformarlo en un resguardo fijo (se precisa del uso de una llave para abrir el resguardo);
asociar dicho resguardo a un detector de posición o a un dispositivo similar que permita garantizar el enclavamiento entre dichos resguardos y los accionadores.
1.2 Elementos móviles de trabajo
En la medida en que sea técnicamente posible, se debe impedir totalmente el acceso a los elementos móviles de trabajo. Este principio se aplica, por ejemplo, a las máquinas que funcionan en ciclo automático, es decir, máquinas en las que los diversos movimientos se provocan y encadenan sin intervención humana, salvo la de iniciar la puesta en marcha del sistema mediante una acción voluntaria momentánea.
En realidad, para algunas máquinas, es imposible respetar al pie de la letra este principio como, por ejemplo, las máquinas para trabajar la madera, ciertas máquinas-herramienta y muchas máquinas del sector agroalimentario.
Se admite entonces que no se impida totalmente el acceso a la zona de trabajo, sino que, mediante resguardos o dispositivos de protección, se limite el acceso a la parte estrictamente necesaria para realizar el trabajo.
Por último, cuando estos principios no pueden aplicarse porque son incompatibles con las características funcionales de un equipo de trabajo, habrá que recurrir a otro tipo de medidas técnicas que permitan reducir el riesgo al mínimo, tales como la limitación de velocidad, el mando sensitivo, etc., junto con medidas preventivas complementarias.
Por tanto, desde el punto de vista de las medidas de protección a aplicar, se pueden considerar tres casos:
a) Inaccesibilidad total a los elementos móviles de trabajo
Para alcanzar este objetivo, la solución que se aplica normalmente consiste en colocar en la máquina:
resguardos fijos, en las partes en las que sólo es necesario acceder excepcionalmente o con muy poca frecuencia;
resguardos móviles, para permitir principalmente la carga y descarga manual de piezas; estos resguardos móviles deben ir asociados a un dispositivo de enclavamiento o de enclavamiento y bloqueo si los riesgos lo justifican.
Igualmente, es posible utilizar dispositivos de protección tales como barreras inmateriales (barreras fotoeléctricas) o mandos a dos manos siempre que el corte de la barrera o la desactivación de uno o de los dos pulsadores del dispositivo de mando a dos manos suponga la parada de los elementos móviles antes de que se pueda acceder a ellos.
En la práctica, se tendrá que recurrir normalmente a una combinación de resguardos fijos o móviles y dispositivos de protección.
b) Accesibilidad parcial a los elementos móviles de trabajo
Cuando no es posible prohibir totalmente el acceso a los elementos móviles de trabajo, es preciso, como en el caso anterior, instalar resguardos fijos en las partes de la zona de trabajo o de la herramienta a las que no es necesario acceder y colocar resguardos móviles, fácilmente regulables, en la parte activa del elemento de trabajo.
La sierra circular para cortar madera es un buen ejemplo de aplicación de este caso:
la parte inferior del disco se hace totalmente inaccesible mediante un resguardo, que puede ser fijo;
la parte activa del disco está provista de un resguardo regulable manualmente (denominado capota), que permite dejar accesible solamente la parte realmente necesaria de la herramienta.
c) Accesibilidad inevitable a los elementos móviles de trabajo
En este caso, las medidas que se pueden adoptar para reducir las consecuencias de un accidente son, por ejemplo:
la limitación de velocidades;
la utilización de dispositivos de parada de emergencia dispuestos, de manera juiciosa, al alcance del operador.
Las mezcladoras de cilindros para el caucho son un buen ejemplo de aplicación de este caso, en la medida en que es imposible, en estas máquinas, hacer inaccesible la zona de convergencia de los cilindros.
Por otra parte, será preciso recurrir a medidas preventivas complementarias, que consisten esencialmente en:
poner a disposición de los trabajadores equipos de protección individual, adaptados a sus características;
definir y aplicar procedimientos de trabajo o de intervención que permitan minimizar los riesgos;
formar, de manera adecuada, a los operadores.
Asimismo, las máquinas con alimentación manual o con avance manual de las piezas deben equiparse con herramientas y accesorios apropiados con el fin de evitar el peligro de rechazo o de limitar la gravedad de las lesiones en caso de atrapamiento.
1.3 Resguardos y dispositivos de protección
Los medios más utilizados para garantizar la protección contra los peligros que presentan las máquinas son los resguardos y los dispositivos de protección.
Los resguardos son elementos de una máquina, o en general de un equipo de protección, que se utilizan específicamente para garantizar la protección mediante una barrera material. Los dispositivos de protección son elementos, distintos de los resguardos, que reducen el riesgo, solos o asociados a un resguardo.
Los resguardos se pueden clasificar en:
resguardos fijos;
resguardos móviles;
resguardos regulables y autorregulables.
En cuanto a los dispositivos de protección se distinguen los siguientes:
dispositivo de enclavamiento;
dispositivo sensible;
dispositivo de mando a dos manos;
dispositivo de mando sensitivo;
dispositivo de mando a impulsos;
dispositivo de validación;
dispositivo de retención mecánica;
dispositivo limitador.
Salvo en el caso de aplicaciones muy específicas, es aconsejable acudir a productos comercializados como componentes de seguridad, de acuerdo con los requisitos de la Directiva 89/392/CEE modificada (transpuesta por el Real Decreto 1435/1992, de 27 de noviembre, modificado por el Real Decreto 56/1995, de 20 de enero). El objetivo de dicha directiva al acoger en su campo de aplicación a los componentes de seguridad fue, esencialmente, garantizar la seguridad de los usuarios de máquinas ya en uso al aplicar este tipo de productos. Dichos componentes deben ir acompañados de una declaración CE de conformidad y del manual de instrucciones (que comprende, en particular, las instrucciones de montaje y de utilización).
Sobre todo es importante que estas medidas de protección, manteniendo su eficacia, no obstaculicen excesivamente las operaciones a realizar, porque esto conduciría, tarde o temprano, a desmontarlas o a neutralizarlas.
2. RESGUARDOS
2.1 Resguardos fijos
Un resguardo fijo es el que se mantiene en su posición de protección (cerrado):
de manera permanente (por ejemplo, por soldadura o remaches), o
mediante elementos de fijación (por ejemplo, con tornillos, tuercas), que impiden que se pueda desplazar el resguardo (retirar o abrir), sin la utilización de una herramienta.
NOTA:
La utilización de una cerradura con llave, para cerrar un resguardo, equivale a un elemento de fijación.
2.1.1 Requisitos de tipo general que deben cumplir los resguardos fijos
Los resguardos fijos:
Deben impedir o minimizar la posibilidad de acceso a los puntos de peligro, en especial cuando a través de ellos se carga o se descarga material, por ejemplo, para la alimentación de las piezas a los elementos móviles de trabajo.
NOTA:
Actualmente existen dos normas sobre distancias de seguridad, elaboradas en apoyo de la Directiva 89/392/CEE, modificada. Son la UNE-EN 294, sobre distancias para impedir que se alcancen zonas peligrosas con los miembros superiores, y la UNE-EN 811, sobre distancias para impedir que se alcancen zonas peligrosas con los miembros inferiores. En algunos casos, la norma UNE-EN 294 presenta limitaciones de aplicación, ya que las distancias a respetar impedirían realizar el trabajo para el que está diseñada la máquina. Es el caso, por ejemplo, de la zona de alimentación de las cizallas o de determinadas máquinas para trabajar la madera. Para este aspecto concreto, la NTP-10:1982, elaborada en base a otras normas anteriores, tales como la BS 5304:1975, la DIN 31001:1976 o la NF E09-10:1981, ofrece una solución alternativa.
Deben estar diseñados para permitir realizar operaciones tales como ajustes, lubricación o mantenimiento de rutina, sin necesidad de desmontarlos.
Pueden ser utilizados para proteger de otros peligros, por ejemplo: para retener piezas, herramientas o fragmentos de ellas, en el caso de que salgan proyectadas; para retener emisiones de sustancias peligrosas (refrigerantes, vapores, gases, nieblas, polvo, etc.); para reducir la emisión de ruido; para retener o disipar la energía generada por una explosión, etc. En ese caso, en el diseño del resguardo es fundamental tener en cuenta aspectos tales como el tipo de material, la forma, la posición, los medios de fijación al equipo de trabajo o las juntas de unión a dicho equipo. Un ejemplo típico es el de los resguardos de las esmeriladoras; su forma y su resistencia son fundamentales para proteger a los operadores de los fragmentos que podrían salir proyectados en caso de rotura de la muela.
2.1.2 Tipos de resguardos fijos
Los resguardos fijos se pueden presentar de tres formas:
Como protección local (véanse las figuras J1a y J1b).

Figura J1 a y J1 b - Resguardo fijo como protección local
Encerrando y, por tanto, aislando, una zona peligrosa (véase la figura J2).

Figura J2 - Resguardo aislando una zona peligrosa. Fuente Norma BS 5304: 1988 British Standard Code of practice for safety of machinery
Como resguardo distanciador, impidiendo o reduciendo la posibilidad de acceso, en virtud de sus dimensiones y de su situación (alejamiento) con relación a la zona peligrosa (véanse las figuras J3 a y J3 b). Este tipo de resguardo no encierra totalmente la zona peligrosa y en determinadas aplicaciones puede combinarse con resguardos móviles.
Figura J3 a - Resguardo fijo distanciador empleado como protección perimétrica |
Figura J3 b - Resguardo fijo distanciador tipo túnel |
Este tipo de resguardo colocado lo más cerca posible del peligro permite suprimir o reducir, de manera sencilla, los riesgos ligados a los ángulos entrantes de los órganos de transmisión de energía o de movimiento y de los órganos de trabajo.
La solución más corrientemente utilizada para hacer inaccesibles un conjunto de elementos peligrosos consiste en encerrarlos dentro de un resguardo fijo o móvil. Este resguardo puede tener partes transparentes o rejillas que permiten, si es necesario, la visibilidad de la zona peligrosa o su ventilación.
La protección perimétrica global se aplica, en general, cuando existen varios peligros en un mismo lugar y las intervenciones humanas son poco frecuentes. Los medios de acceso que permiten realizar las operaciones de ajuste y de mantenimiento son, en general, puertas (resguardos móviles), provistas de un dispositivo de enclavamiento o de enclavamiento y bloqueo.
2.2 Resguardos móviles
Son resguardos que están unidos al bastidor de la máquina o a un elemento fijo próximo, por ejemplo, mediante bisagras o guías de deslizamiento, y que se pueden abrir sin necesidad de utilizar ninguna herramienta.
2.2.1 Requisitos generales
Los resguardos móviles:
deben impedir o limitar al máximo posible el acceso a las zonas de peligro cuando están en posición de cerrados;
deben garantizar las distancias de seguridad;
pueden ser utilizados para proteger de otros peligros, por ejemplo: para retener piezas, herramientas o fragmentos de ellas, en el caso de que salgan proyectadas; para retener emisiones de sustancias peligrosas (refrigerantes, vapores, gases, nieblas, polvo, etc.); para reducir la emisión de ruido; para retener o disipar la energía generada por una explosión, etc.
2.2.2 Requisitos específicos en función de los tipos de resguardos
2.2.2.1 Resguardo móvil con dispositivo de enclavamiento (véase la figura J4)

Figura J4 - Resguardo móvil con dispositivo de enclavamiento
Las funciones peligrosas del equipo de trabajo cubiertas por el resguardo no se pueden desempeñar hasta que el resguardo esté en posición de seguridad (cerrado).
Si se abre el resguardo, el dispositivo de enclavamiento ordena la parada de dichas funciones peligrosas.
El resguardo móvil está enclavado con el motor que acciona los rodillos; si se abre el resguardo se para el motor y, cuando se cierra, autoriza la puesta en marcha, pero ésta no se inicia. Es preciso dar la orden mediante un órgano de puesta en marcha. Cuando el resguardo está cerrado impide el acceso a la zona peligrosa. El detector de posición está montado en seguridad positiva (modo de accionamiento positivo).
Cuando el resguardo está cerrado, se pueden desempeñar las funciones peligrosas cubiertas por el resguardo, pero el cierre del resguardo no provoca por sí mismo la puesta en marcha de dichas funciones.
2.2.2.2 Resguardo móvil con dispositivo de enclavamiento y bloqueo (véase la figura J5)

Figura J5 -
Resguardo móvil con dispositivo de enclavamiento y bloqueo.
Fuente: Norma BS 5304: 1988 British Standard Code of practice fro safety of machinery
Las funciones peligrosas del equipo de trabajo cubiertas por el resguardo no se pueden desempeñar hasta que el resguardo esté en posición de seguridad (cerrado) y bloqueado.
El resguardo no se puede abrir hasta que el riesgo haya desaparecido.
Cuando el resguardo está cerrado y bloqueado, se pueden desempeñar las funciones peligrosas cubiertas por el resguardo, pero el cierre y el bloqueo del resguardo no provoca por sí mismo la puesta en marcha de dichas funciones.
La lengüeta que actúa sobre el detector de posición va sujeta al resguardo móvil; cuando éste se cierra, la lengüeta queda bloqueada por la acción de un muelle, autorizando así la puesta en marcha de la máquina. La posibilidad de apertura del resguardo móvil está condicionada, por ejemplo, a la detección de la parada del motor que mueve los elementos peligrosos; cuando esta condición se verifica, se alimenta una bobina que desbloquea la lengüeta, lo que permite la apertura del resguardo. Al abrir el resguardo la lengüeta actúa en modo positivo sobre el detector de posición, forzando la apertura de los contactos y cortando así la alimentación de la bobina del contactor que alimenta el motor.
Para evitar en lo posible la neutralización de este dispositivo, la lengüeta y, en caso necesario, el detector de posición que contiene los mecanismos deben sujetarse mediante remaches, soldadura u otro sistema de eficacia equivalente.
2.2.2.3 Resguardo asociado al mando
Es un resguardo móvil, con las características siguientes:
Las funciones peligrosas del equipo de trabajo cubiertas por el resguardo no se pueden desempeñar hasta que el resguardo esté en posición de seguridad (cerrado).
El resguardo puede estar asociado a un dispositivo de enclavamiento o a un dispositivo de enclavamiento y bloqueo. En el primer caso, al abrir el resguardo, se detienen las funciones peligrosas. En el segundo caso, el resguardo no se puede abrir hasta que el riesgo haya desaparecido.
El cierre del resguardo provoca la puesta en marcha de las funciones peligrosas.
NOTA :
Este tipo de resguardos sólo es admisible en equipos de trabajo que cumplan requisitos muy especiales como, por ejemplo, máquinas de pequeñas dimensiones en las que se cumplan los requisitos siguientes:
Las dimensiones o la forma del equipo no permiten que una persona, o parte de su cuerpo, permanezca en la zona peligrosa o entre dicha zona y el resguardo, cuando éste está cerrado, lo cual limita el tamaño del equipo en el que pueda estar o ser instalado.
Cualquier otro resguardo complementario que impida el acceso a la zona peligrosa debe estar enclavado con el sistema de mando del equipo de manera que sus funciones peligrosas no se puedan desempeñar hasta que todos los resguardos estén en posición de seguridad.
Si las lesiones que se pueden producir en caso de fallo implican una cierta gravedad, las partes de los sistemas de mando asociadas a este tipo de resguardos deben ofrecer el más alto nivel de resistencia a fallos que puedan afectar a las funciones de seguridad.
2.2.2.4 Resguardo motorizado
Es un resguardo móvil con dispositivo de enclavamiento o con dispositivo de enclavamiento y bloqueo, que se mueve por medios mecánicos (por ejemplo, por medio de motores o de cilindros neumáticos) y no por la fuerza humana o por efecto de la gravedad. Con este tipo de resguardo, además de cumplir las condiciones generales y/o particulares de los diferentes tipos de resguardos con enclavamiento (véanse 2.2.2.1 y 2.2.2.2), se debe garantizar que el resguardo no da lugar a nuevos peligros, debidos, por ejemplo, a la presión de cierre (aplastamiento), a la fuerza ejercida (aplastamiento), a la velocidad (golpe) o a las aristas vivas (corte).
Para evitar lesiones por aplastamiento y por golpes, se debe limitar la fuerza ejercida por el resguardo y su energía cinética a 75 N y 4 J, respectivamente. Si el resguardo va asociado a un dispositivo sensible, al encontrar un obstáculo, dicho dispositivo ordena automáticamente la parada y/o la inversión del sentido de movimiento del resguardo. En este caso, los valores indicados pueden ser de 150 N y 10 J, respectivamente (véase el apartado 3.2 y las figuras J12 y J14).
2.2.3 Resguardos regulables y autorregulables
2.2.3.1 Resguardo regulable
Es un resguardo fijo o móvil que se puede regular en su totalidad o que tiene partes regulables. Normalmente están destinados a limitar el acceso a los órganos móviles de trabajo o a la herramienta, cuando éstos no pueden hacerse totalmente inaccesibles. La regulación permanece fija mientras se realiza la operación (véase la figura J6).
Figura J6 -
Reguardo regulable para la protección en la broca de un taladro
Fuente: Norma BS 5304-1988 British Standard Code of practice for safety of machinery
El resguardo es telescópico para proporcionar un ajuste rápido a la superficie de la pieza que se trabaja y está fijado a una barra de anclaje vertical para permitir el acceso a las mordazas para el cambio de broca.
2.2.3.2 Resguardo autorregulable
Es un resguardo móvil, accionado por una parte del equipo de trabajo (por ejemplo, una mesa móvil) o por la pieza a trabajar o incluso por una plantilla, que permite el paso de la pieza (y, si ha lugar, de la plantilla) y después retorna automáticamente (por gravedad, por efecto de un muelle o de cualquier otra energía externa, etc.) a la posición de cierre tan pronto como la pieza trabajada ha liberado la abertura. El resguardo se abre lo mínimo imprescindible para permitir el paso de la pieza (véanse las figuras J7a y J7b).
|
|
Figura J7 a - Resguardo autoregulable en una cepilladora |
|

Figura J7 b -
Resguardo autoregulable (1) para una tronzadora pendular
Fuente: Norma BS 5304-1988 British Standard Code of practice for safety of machinery
Durante la operación de canteado, el resguardo es separado de la guía por la pieza y vuelve automáticamente a cubrir toda la longitud del eje portaherramientas, una vez que ha pasado la pieza. Durante el cepillado, el resguardo es elevado automáticamente por la pieza y desciende automáticamente hasta cubrir el eje portaherramientas, una vez que ha pasado la pieza.
La madera a cortar levanta el resguardo a medida que baja la sierra y éste queda apoyado sobre la parte superior de la pieza mientras se efectúa el corte. Después retorna a la posición inicial de reposo.
2.3 Criterios de selección de resguardos
La selección precisa de un resguardo para un equipo de trabajo determinado debe estar basada en la evaluación de riesgos correspondiente a dicho equipo de trabajo. En el caso de su aplicación a los elementos móviles de un equipo de trabajo, la selección se realizará aplicando los criterios siguientes:
A) Para los elementos móviles de transmisión de energía y movimiento:
Si no es necesario un acceso regular: resguardo fijo.
Si es necesario un acceso regular: resguardo móvil con dispositivo de enclavamiento o con dispositivo de enclavamiento y bloqueo.
Para los elementos móviles de trabajo o elementos que intervienen en el mismo:
Si se pueden hacer inaccesibles mientras ejecutan el trabajo: resguardos fijos o resguardos móviles con dispositivo de enclavamiento o con dispositivo de enclavamiento y bloqueo.
Si no se pueden hacer totalmente inaccesibles: resguardos fijos combinados con resguardos regulables o autorregulables.
2.4 Documentos de interés
UNE 81600: 85
UNE-EN 292 Partes 1 y 2
UNE-EN 953
NTP-10: 1982
UNE-EN 201
UNE-EN 1080
3. DISPOSITIVOS DE PROTECCIÓN
3.1 Dispositivos de enclavamiento
Son dispositivos de protección destinados a impedir el funcionamiento de ciertos elementos de una máquina bajo determinadas condiciones. Este tipo de dispositivos puede tener diversas aplicaciones como la de evitar que se desarrolle una secuencia automática hasta que se cumplan determinadas condiciones de posicionamiento de ciertos elementos, o la de impedir que se produzcan sucesos incompatibles entre sí, por ejemplo, que no puedan entrar simultáneamente los contactores que conectan un motor en estrella o en triángulo. Sin embargo, uno de los usos más extendidos en la técnica de seguridad es su utilización asociada a un resguardo; en este caso, el dispositivo generalmente impide las funciones o los movimientos peligrosos en tanto el resguardo no este en posición de seguridad (cerrado) (véanse las figuras J4 y J5).
Los enclavamientos se pueden realizar con componentes de diferentes tecnologías. Así, para un determinado dispositivo la tecnología puede ser mecánica, eléctrica, hidráulica, neumática, o una mezcla de diferentes tecnologías.
Si la evaluación de riesgos justifica la utilización de un dispositivo de enclavamiento o de enclavamiento y bloqueo asociado a un resguardo móvil (véase la nota), dicho dispositivo debe impedir que una persona pueda acceder a los elementos peligrosos cubiertos por el resguardo, mientras exista peligro. La selección de uno u otro dispositivo depende principalmente de la inercia de los elementos peligrosos. El dispositivo de enclavamiento con bloqueo es adecuado cuando existe una inercia importante de los elementos peligrosos. En otros casos puede ser también adecuado asociar a un dispositivo de enclavamiento otro de bloqueo, por ejemplo, cuando una apertura involuntaria o inadecuada del resguardo puede dar lugar a daños a la máquina, al producto a trabajar o a las herramientas, como en el caso de máquinas herramienta mandadas por CN.
NOTA:
En las máquinas que ya están en servicio, si de la evaluación del riesgo se desprende que el nivel de riesgo es despreciable debido a que las lesiones son, en el peor de los casos, siempre de carácter leve o insignificantes o a que la posibilidad de una puesta en marcha intempestiva o involuntaria de los elementos peligrosos, cuando el resguardo está abierto, es muy improbable, se puede prescindir de dicho enclavamiento, siempre y cuando el peligro esté claramente señalizado en el resguardo, mediante carteles apropiados o pictogramas.
Este es el caso si se cumple, por ejemplo, que:
El acceso es esporádico para efectuar operaciones tales como cambiar las correas o la posición de las mismas en un taladro, cambiar la relación de engranajes en un torno, cambiar la hoja de sierra en una sierra de cinta, operaciones de limpieza, lubricación, etc.
Los peligros son evidentes y fácilmente detectables.
Desde cualquier punto de la máquina se observan con facilidad y totalmente todos los elementos de la máquina especialmente los elementos peligrosos que están protegidos por el resguardo.
Existe un dispositivo en la máquina fácilmente accesible que permite cortar la alimentación de los motores, o un dispositivo similar para la energía neumática o hidráulica.
Los resguardos con enclavamiento no sirven para la protección contra los peligros generados por los elementos móviles de trabajo.
Los órganos de mando están adecuadamente protegidos contra accionamientos inadvertidos que puedan dar lugar a arranques intempestivos.
No es posible la puesta en marcha intempestiva de la máquina por restablecimiento de la energía después de su desaparición, o como consecuencia de un ciclo automático, si dicha puesta en marcha da lugar a peligro.
Son ejemplos de máquinas que pueden cumplir estos requisitos los taladros de mesa o las máquinas-herramienta para el trabajo de la madera y de los metales tales como sierras de cinta, tornos, fresadoras, etc., de pequeño tamaño.
3.1.1 Criterios de selección de dispositivos de enclavamiento
Los dispositivos de enclavamiento deben ser adecuados para resistir los esfuerzos y las influencias externas propias de las condiciones previstas de utilización.
Los dispositivos de enclavamiento se deben elegir, construir y montar de manera que no se puedan neutralizar fácilmente.
NOTA 1: Cuando se utiliza un solo detector de posición, se debe montar de manera que sea accionado por el resguardo según el modo positivo de apertura, principalmente porque este modo de accionamiento impide que el detector sea neutralizado fácilmente (véanse las figuras J8a y J8b).

Figura J8 - Modos
de accionamiento de los detectores de posición
Principios de montaje de un detector de posición según el modo positivo de apertura
a) para un resguardo o un dispositivo de parada giratorio (barra sensible)
b) para un resguardo corredizo
Los dispositivos de enclavamiento se deberán elegir de acuerdo con los resultados de la evaluación del riesgo. El riesgo a evaluar es el que aparecería si la función de seguridad asignada al dispositivo de enclavamiento no se realizara. El nivel de riesgo obtenido proporciona la información para determinar la categoría del dispositivo de enclavamiento, es decir, su resistencia a fallos y, en consecuencia, su comportamiento en el caso de que se produzca un defecto (véase el apartado sobre resistencia a fallos de las partes de los sistemas de mando con funciones de seguridad).
Esto quiere decir que, para un nivel de riesgo bajo, el sistema de enclavamiento será más sencillo que para el caso de un nivel de riesgo elevado. A título de ejemplo, el tipo de enclavamiento considerado como mínimo aceptable para garantizar la protección en una zona peligrosa a la que es necesario acceder con cierta periodicidad por razones de mantenimiento, limpieza, cambio de herramientas u operaciones similares, en la que las lesiones previsibles en caso de accidente pueden ser significativas o incluso de cierta gravedad, consiste en un resguardo asociado a un solo detector de posición de maniobra positiva de apertura y accionado según el modo positivo, por una leva, por el propio resguardo o por un dispositivo similar, el cual actuará a través de la maniobra correspondiente sobre el dispositivo de alimentación de energía del accionador, ordenando su parada y bloqueando su alimentación de energía (véase la figura J9).

Figura J9 - Ejemplo de sistema de enclavamiento para nivel de riesgo bajo
NOTA 2:
Se obtiene una mayor resistencia a fallos si la leva o el dispositivo de accionamiento adecuado actúa directa y positivamente sobre el sistema que corta y bloquea el suministro de energía al accionador (véase la figura J10).
Figura J10 -
Ejemplo de enclavamiento mecánico directo entre un resguardo y el órgano de
marcha/parada, asociado al circuito de potencia.
Fuente: Norma BS 5304-1988 British Standard Code of practice for safety of machinery
Mientras el resguardo está abierto, su borde inferior mantiene la palanca de la válvula de mando en la posición de seguridad, interrumpiendo positivamente la alimentación del accionador. Cuando el resguardo se ha cerrado, es necesario levantar la palanca para poner en marcha la máquina. Esto impide que se pueda abrir el resguardo.
Cuando el nivel de riesgo es elevado no se puede aceptar un solo detector de posición, sino que será preciso un sistema en el que las funciones de seguridad se controlen cíclicamente y de forma automática (autocontrol), si no totalmente, sí al menos de forma parcial. En el caso de máquinas en servicio, con nivel de riesgo elevado como, por ejemplo, el existente en la zona de extracción manual de piezas de las prensas de inyección de caucho o de plásticos, donde el acceso es o puede ser a cada ciclo de la máquina y donde las lesiones en caso de fallo del sistema de enclavamiento pueden ser desde graves a mortales, deben existir como mínimo dos sistemas de enclavamiento que actúen de forma independiente sobre dos dispositivos que corten la alimentación de energía al accionador o accionadores. Esta medida irá acompañada de un mantenimiento periódico exhaustivo de todos los componentes del enclavamiento. La periodicidad deberá deducirse de los resultados de la evaluación del riesgo.
NOTA 3:
En el caso indicado, el doble sistema de enclavamiento (véase la figura J11) podría consistir en:
Un sistema de enclavamiento constituido por dos detectores de posición eléctricos, uno montado para accionamiento en modo positivo y otro montado para accionamiento en modo no positivo, ambos accionados por el resguardo móvil que, una vez cerrado, permite la alimentación de las bobinas de la electroválvula direccional que gobierna al cilindro de cierre. El corte de energía eléctrica a la electroválvula provoca que ésta se sitúe en la posición central, en la que interrumpe la alimentación del cilindro.
Otro sistema de enclavamiento constituido por una válvula direccional accionada positivamente por el resguardo móvil que, una vez cerrado, permite la alimentación directa de energía hidráulica a la electroválvula. La apertura del resguardo provoca el corte de la alimentación de energía al cilindro.

Figura J11 - Ejemplo de doble sistema de enclavamiento independiente
NOTA 4:
Hay que valorar la rentabilidad de un sistema de este tipo, teniendo en cuenta el menor nivel de protección que ofrece (dos sistemas de enclavamiento independientes), con relación a otro que disponga de autocontrol y el coste económico que representa la verificación regular (no automática) de los elementos del sistema de enclavamiento y su interrelación con la parte de la maniobra de mando que desempeña las funciones de seguridad.
NOTA 5:
Cuando el nivel de riesgo es elevado, por ejemplo, en el caso de trabajos que requieren entrar con cierta periodicidad al interior de filtros electrostáticos alimentados a altas tensiones o de grandes molinos, en los que el accidente puede ser mortal, por lo que es necesario impedir con seguridad la puesta en marcha intempestiva o no deseada, un sistema de enclavamiento por llaves cautivas ofrece una resistencia a fallos adecuada a dicho nivel de riesgo.
3.1.2 Documentos de interés
UNE-EN 1088
UNE 81600: 85
BS 5304
UNE-EN 954 -1
3.2 Dispositivos sensibles
Son dispositivos que provocan la parada y/o inhiben la puesta en marcha del equipo de trabajo, de sus elementos peligrosos o de una función peligrosa, cuando una persona o parte de su cuerpo rebasa un límite de seguridad o acciona voluntaria o involuntariamente el dispositivo sensible.
Dichos dispositivos pueden efectuar una o varias de las funciones siguientes:
a) Ordenar la parada, generalmente de forma rápida, de los elementos peligrosos, por ejemplo:
al accionar la barra sensible de protección de los cilindros mezcladores de caucho (en este caso puede ir acompañada de la inversión del sentido de giro);
al accionar el cable de parada de emergencia de una cinta transportadora;
al atravesar el control de acceso a una zona peligrosa, por medio de una barrera de haces fotoeléctricos.
b) Ordenar la parada y detectar la presencia, impidiendo en este caso la nueva puesta en marcha de la máquina hasta que el operador salga de la zona de detección y se rearme el sistema, por ejemplo:
protección por una barrera de haces fotoeléctricos colocada en una máquina para la protección en la zona de operación.
c) Actuar como dispositivo detector de presencia, impidiendo en este caso cualquier puesta en marcha de los elementos peligrosos o el desarrollo de funciones peligrosas, cuando el dispositivo detecta la presencia del operador en la zona peligrosa, por ejemplo:
suelo sensible colocado en el suelo, entre los platos de una inyectora de plástico que por su tamaño permite la estancia de una persona en dicha zona.
d) Actuar como sistema de protección y mando (generalmente una barrera o cortina fotoeléctrica), ordenando en este caso el movimiento peligroso solamente cuando los elementos peligrosos están en una posición determinada y, dependiendo del sistema de trabajo, se ha detectado un corte seguido de una liberación de los haces (una interrupción), o dos maniobras corte/liberación seguidas de los haces (dos interrupciones). Además, en cualquier punto de la fase peligrosa del ciclo de trabajo, el sistema ordena la parada de los elementos peligrosos, si la barrera detecta la intrusión de cualquier parte del cuerpo del operador o, en general, de un obstáculo.
NOTA:
Esta utilización es excepcional y sólo se permite en máquinas que cumplen unas condiciones muy estrictas y con unos sistemas de protección (barreras fotoeléctricas, incluyendo la parte del sistema de mando correspondiente), que ofrezcan la más alta resistencia a fallos (por ejemplo, la norma UNE-EN 692 establece requisitos específicos para esta aplicación en prensas mecánicas).
En el caso de máquinas usadas, la aplicación de una barrera asociada al mando debe estar condicionada a la revisión, y adecuación en su caso, de todos los elementos que intervienen en la función peligrosa (sistema de mando, detectores de posición de toda la cadena cinemática, sistema de embrague-freno, detectores de posición de todas las vías de acceso a la zona peligrosa...).
3.2.1 Clasificación de los dispositivos sensibles
Los dispositivos sensibles pueden ser:
a) De detección mecánica. Están constituidos por dispositivos de diferentes formas, tales como placas, barras, cables, antenas, bordes, suelos o alfombras, que son accionados mecánicamente por el operador o por una parte de su cuerpo y que actúan sobre uno o varios detectores de posición, los cuales actúan sobre los circuitos que ordenan una parada normal, una parada de seguridad o una parada de emergencia (véanse las figuras J12, J13, J14 y J15).

Figura J12 - Barra sensible

Figura J13 - Cable de parada
Figura J14 - Borde sensible |
Figura J15 -
Alfombra sensible |
La barra sensible es un dispositivo de seguridad que se puede utilizar en numerosos casos y en particular:
para evitar un peligro de aplastamiento por un elemento móvil (véase el apartado 2.2.2.4): en este caso está fijado sobre dicho elemento;
para accionar un dispositivo de parada de emergencia de manera voluntaria o involuntaria, cuando no se pueden utilizar otras medidas de protección (caso de las máquinas de cilindros, por ejemplo).
Este dispositivo está constituido generalmente por una barra articulada que actúa sobre uno o dos detectores de posición.
El montaje de un cable de parada (de emergencia), tal como se presenta aquí, garantiza un funcionamiento seguro del dispositivo cualquiera que sea la dirección en la que se ejerce la acción sobre el cable. Además, este montaje permite detectar la rotura o el aflojamiento del cable.
El borde sensible se utiliza, lo mismo que una barra sensible, para evitar un peligro de aplastamiento (véase el apartado 2.2.2.4) o para obtener, voluntariamente o no, la parada de los elementos peligrosos. Este dispositivo presenta la ventaja de estar constituido de un material flexible favorable a la reducción del riesgo. En contrapartida, es preciso garantizar que es de seguridad positiva, es decir, que sus fallos no vayan en perjuicio de la seguridad.
Las alfombras sensibles se utilizan principalmente para detectar la presencia de una persona en una zona peligrosa, ya sea durante las operaciones de carga o descarga de una máquina o bien durante las intervenciones de reglaje.
b) De detección no mecánica. En estos dispositivos la detección se efectúa de forma no mecánica detectando la presencia del operador o de parte de su cuerpo por medio de diferentes sistemas, tales como la ocultación de los haces fotoeléctricos de dispositivos optoelectrónicos o de la interrupción de haces únicos o múltiples efectuados con rayos láser. También se pueden citar otros dispositivos, tales como detectores de infrarrojos, ultrasonidos o capacitivos, pero estos dispositivos apenas se utilizan en la actualidad ya que su fiabilidad y su resistencia a fallos es aleatoria (véanse las figuras J16 y J17).
Figura J16 Control de acceso |
Figura J17 - Barrera inmaterial |
Disposición recomendada para el montaje de dos o tres células fotoeléctricas con el fin de asegurar el control de acceso a una zona peligrosa.
Ejemplo de utilización de una barrera inmaterial para controlar el acceso a la zona de trabajo de una máquina. Este dispositivo permite garantizar la seguridad del operador con un mínimo de limitaciones y sin aumentar el tiempo de carga/descarga de la máquina. Este dispositivo debe ser completado con resguardos fijos o móviles si existen otras posibilidades de acceso a la zona peligrosa.
3.2.2 Condiciones generales de aplicación
Dependiendo del tipo de dispositivo y de la función que desempeña, puede ser necesario garantizar una parada rápida y segura o condiciones equivalentes, antes de que una persona pueda acceder a la zona peligrosa. Por tanto, estos dispositivos sólo pueden instalarse en equipos de trabajo cuyos elementos peligrosos se puedan parar en cualquier punto de la fase peligrosa de trabajo y con la celeridad necesaria. En consecuencia, estos dispositivos no podrán instalarse como sistemas de protección, por ejemplo, en prensas de revolución total, ya que en este tipo de máquinas, la corredera (elemento peligroso) no se puede parar en cualquier punto del recorrido de descenso (fase peligrosa), ni en máquinas de fabricación de papel en las que la inercia de sus elementos móviles es muy grande. Tampoco son dispositivos adecuados cuando, por las propias características de la máquina, del proceso productivo o por otras causas, no se pueda parar total o parcialmente la máquina.
Con el fin de garantizar una parada segura y fiable, pueden ser necesarios dispositivos complementarios en el equipo de trabajo o en los accionadores que mueven los elementos peligrosos, por ejemplo:
Sistemas de embrague/freno de discos a fricción juntos o separados.
Sistemas de frenado complementarios.
Válvulas hidráulicas o neumáticas de características determinadas.
NOTA:
Las exigencias constructivas para mejorar la resistencia a fallos y su fiabilidad se deben determinar sobre la base de los resultados de la evaluación del riesgo. Por ejemplo: un sistema de freno de cinta no se considera un sistema fiable ni seguro, porque es muy probable la rotura de la cinta y, por lo tanto, la anulación de la función de frenado.
Cuando la única función de estos dispositivos es evitar una puesta en marcha intempestiva o involuntaria, mientras se detecte la presencia de una persona o de una parte de su cuerpo, actuando como sistema de protección complementario del principal, no es necesario que garanticen la parada, sino la imposibilidad de una puesta en marcha del equipo de trabajo.
3.2.3 Requisitos generales para el montaje
Todos los dispositivos deberán montarse siguiendo las instrucciones del fabricante y por personal competente e instruido. Además, en función del tipo de dispositivos se deberán seguir como mínimo las indicaciones que siguen a continuación.
3.2.3.1 Dispositivos sensibles de detección mecánica
a) Bordes, barras, cables, topes, etc. sensibles:
Se deben instalar de manera que no sea posible el acceso a la zona peligrosa sin activar el dispositivo. En caso necesario y con el fin de garantizar este requisito se tendrán que aplicar medidas complementarias que eviten que se pueda burlar, por ejemplo: resguardos fijos.
En el caso de barras sensibles, el movimiento libre de la barra debe ser suficiente para evitar el atrapamiento entre la propia barra y partes fijas del equipo de trabajo, debido al sobrerrecorrido del resguardo después de haber ordenado la parada. Asimismo, se deben instalar de manera que no se cree una zona de atrapamiento en el hueco entre el borde del resguardo y la propia barra.
En caso necesario se debe tener en cuenta la distancia mínima a la que debe colocarse con relación a la zona peligrosa, teniendo en cuenta la inercia de los elementos peligrosos y en su caso la velocidad de aproximación de las personas.
En el caso de que pueda necesitarse o pueda preverse un accionamiento voluntario deberán ser fácilmente accesibles.
b) Alfombras o suelos sensibles:
Se deben instalar de manera que no sea posible el acceso a la zona peligrosa sin activar el dispositivo. En caso necesario y con el fin de garantizar este requisito se tendrán que aplicar medidas de protección complementarias que eviten que se pueda burlar, por ejemplo: resguardos fijos.
El dispositivo debe estar colocado a la distancia de seguridad apropiada teniendo en cuenta el tiempo total de parada de los elementos peligrosos y la velocidad de aproximación a la zona peligrosa.
Se debe impedir, por medios apropiados y si es necesario con medidas de protección complementarias, que una persona se encuentre en la zona peligrosa sin que el dispositivo detecte su presencia.
3.2.3.2 Dispositivos sensibles de detección no mecánica
Los haces fotoeléctricos y, en su caso, los haces láser se pueden montar de diversas maneras, bien juntos, en uno o en dos bastidores, o bien por haces individuales. Los del primer tipo se utilizan, en general, para detectar el acceso de dedos, manos o brazos a la zona peligrosa y los del segundo tipo se utilizan como control de acceso a una zona peligrosa detectando el cuerpo de la persona o parte del mismo.
Los haces láser se pueden montar también como un único haz bien de forma fija o barriendo continuamente una zona (escáner) o con varios haces montados en dos bastidores; en ese caso podrían también ser adecuados para detectar el acceso a una zona peligrosa o para detectar partes del cuerpo.
Los requisitos para su montaje son los siguientes:
Sólo se podrá acceder a la zona peligrosa a través del sistema de detección utilizando, en caso necesario, medidas de protección complementarias, tales como resguardos fijos o resguardos móviles con dispositivo de enclavamiento.
Deben estar colocados a la distancia de seguridad apropiada, de manera que, teniendo en cuenta la velocidad de aproximación del cuerpo del operador o de una parte del mismo, no sea posible alcanzar la zona peligrosa antes de que el peligro haya desaparecido.
Cuando se utiliza como sistema de protección de la zona de trabajo no debe ser posible que una persona o parte de su cuerpo pueda estar entre el campo de detección y la zona peligrosa sin que el sistema detecte su presencia. En caso necesario se deben utilizar otros dispositivos u otras medidas preventivas complementarias, de manera que se garantice este requisito.
La fijación de tales dispositivos debe ser segura y difícilmente manipulable, de manera que su montaje necesite la utilización de una llave o herramienta.
NOTA:
Cuando se utilizan las alfombras o los suelos sensibles y las barreras fotoeléctricas la norma EN 999 ofrece las fórmulas aplicables en función del tipo de dispositivo y de su sistema de montaje. Es aconsejable inspirarse en ella.
3.2.4 Requisitos generales de los sistemas de mando asociados a los dispositivos sensibles
La parte del sistema de mando del equipo de trabajo asociada al dispositivo sensible, incluyendo los dispositivos que garantizan la parada de los elementos peligrosos y el corte y bloqueo de su alimentación de energía, debe ser adecuada (en cuanto a la resistencia a fallos) al nivel de riesgo que presenta el equipo de trabajo para la situación peligrosa considerada, obtenido de la evaluación de riesgos.
NOTA:
Esto quiere decir que debe existir una correspondencia entre la resistencia a fallos del dispositivo y la parte del sistema de mando del equipo que garantiza la función de seguridad.
El sistema de mando del equipo debe diseñarse de manera que, si se activa el dispositivo de protección durante la fase peligrosa del ciclo de trabajo, se desempeñará la función de seguridad correctamente y se impedirá una nueva puesta en marcha. Para que ésta sea posible, será necesario efectuar previamente una maniobra manual sobre un dispositivo apropiado para autorizar una nueva puesta en marcha (rearme).
Cuando una fase del ciclo de trabajo no presenta peligro, se admite que, sólo durante dicha fase, quede anulada la función de seguridad; ésta se activará automáticamente una vez finalizada la fase no peligrosa (inhibición automática de la función de protección). Así, por ejemplo, en un filtro prensa accionado por fuerza motriz puede anularse la función de protección si la apertura del filtro no presenta peligro y debe activarse automáticamente al ordenar el cierre del filtro.
3.2.5 Criterios de selección de los dispositivos sensibles
Los dispositivos sensibles deben ser apropiados para el uso previsto y los peligros correspondientes que presenta el equipo de trabajo. Así, por ejemplo, una barrera fotoeléctrica no evita los peligros de proyección de partículas u objetos, que además pueden dar lugar a accionamientos inadvertidos, con los consiguientes problemas de producción; otro tanto se puede decir de los procesos que generan o utilizan sustancias que puedan ensuciar los emisores o los receptores, dando lugar a múltiples paradas.
Deben poder resistir los esfuerzos derivados de su uso y las influencias ambientales previstas.
Deben ofrecer una resistencia a fallos apropiada al nivel de riesgo de la aplicación para la que debe proporcionar protección, obtenido mediante la evaluación del riesgo. Es decir, se exige un alto nivel de resistencia a fallos cuando el nivel de riesgo en una determinada situación peligrosa es alto, como es el caso de una barrera fotoeléctrica utilizada como sistema de protección en la zona de trabajo de una prensa hidráulica con carga/descarga manual de la pieza a cada ciclo de la máquina, en el que el fallo de la barrera fotoeléctrica puede anular inmediatamente la función de seguridad, siendo prácticamente imposible que el operador evite el accidente. En este caso, la barrera fotoeléctrica debería responder a los principios de redundancia y autocontrol. Por el contrario, se debería exigir una menor resistencia a fallos cuando el nivel de riesgo es menor, como puede ser el caso de una desenrolladora de bobina de chapa en una línea de corte de bobina, en la que se detecta el acceso a la zona por medio de haces fotoeléctricos colocados de forma separada; en este caso, aunque falle el dispositivo sensible (no detectar el paso de una persona), el peligro es evidente (la desenrolladora se mueve) y se necesita un segundo fallo (un error humano) para desencadenar el accidente.
NOTA:
Si la barrera fotoeléctrica es de nueva instalación, debe venir acompañada de la correspondiente declaración CE de conformidad. En el primer caso, la barrera apropiada es la de tipo 4 y en el segundo, si se opta por una barrera, la de tipo 2, conforme a la norma UNE-EN 61496-1. En el marcado de la barrera debe estar indicado el tipo.
3.2.6 Documentos de interés
Puede obtenerse información complementaria en las normas y documentos siguientes:
UNE-EN 61496-1 y prEN 61496-2
HSE GUIDELINE PM 41
UNE-EN 999
UNE 81600: 85
BS 5403
UNE-EN 1760-1 y prEN 1760-2
3.3 Dispositivo de mando a dos manos
Es un dispositivo de protección que requiere como mínimo una maniobra simultánea (accionamiento de los dos órganos de mando), mediante ambas manos, para iniciar y mantener, mientras exista una situación peligrosa, el funcionamiento de los elementos del equipo de trabajo, proporcionando así protección sólo para la persona que lo acciona (véase la figura J18).

Figura J18 - Dispositivo de mando a dos manos
NOTA:
En algunas instalaciones los dispositivos de validación y/o los mandos sensitivos pueden responder a la definición de dispositivo de mando a dos manos, por ejemplo: las botoneras de aprendizaje para los robots.
En algunas máquinas resulta imposible la utilización de un resguardo y son necesarios otros medios de protección del operador. La utilización de un dispositivo de mando a dos manos en una prensa obliga a que el operador tenga ambas manos en posición de seguridad mientras el útil desciende. Los órganos de accionamiento (pulsadores) deben estar resguardados para evitar un accionamiento involuntario.
Las tecnologías generalmente utilizadas en el diseño y construcción de un dispositivo de mando a dos manos son la eléctrica y la neumática, combinadas con la mecánica.
3.3.1 Requisitos básicos de un dispositivo de mando a dos manos
Será necesario tener que utilizar ambas manos, manteniendo una mano sobre cada órgano de accionamiento, durante el mismo periodo de tiempo, para generar una señal de salida del dispositivo.
En general (salvo que la evaluación del riesgo permita lo contrario) la señal de salida sólo se generan cuando se actúa sobre ambos órganos de accionamiento con un retardo inferior o igual a 0,5 s (sincronismo).
NOTA:
Cuando se utilizan varios dispositivos de mando a dos manos para proteger a los operadores de una máquina, suele ser necesario exigir el sincronismo a cada uno de ellos y la simultaneidad al conjunto de los dispositivos de mando a dos manos.
Si se libera uno de los órganos de accionamiento durante la fase peligrosa de trabajo, se interrumpe la señal de salida, lo que debe provocar la parada de los elementos peligrosos. Para poder obtener una nueva señal de salida se deben liberar previamente ambos órganos.
Los órganos de accionamiento deben estar protegidos contra accionamientos involuntarios.
Los órganos de accionamiento deben estar diseñados para que sólo se puedan accionar con ambas manos.
Deben poder resistir los esfuerzos a que están sometidos y las influencias ambientales.
Si el dispositivo de mando a dos manos es desplazable, se debe garantizar su estabilidad .
3.3.2 Requisitos básicos para el montaje
Los dispositivos de mando a dos manos sólo se pueden montar en equipos de trabajo en los que los elementos peligrosos, de los que se pretende proteger al operador, se pueden parar en cualquier parte de la fase peligrosa del ciclo de trabajo.
NOTA 1:
Esto quiere decir, por ejemplo, que (además de por otros motivos) no es un sistema de protección adecuado en prensas mecánicas excéntricas con embrague de revolución total.
Los dispositivos de mando a dos manos deben estar colocados a una distancia de seguridad apropiada con relación a la zona peligrosa, teniendo en cuenta el tiempo total de parada de los elementos peligrosos y la velocidad de aproximación de las manos del operador (la norma EN 999 da indicaciones sobre las distancias de seguridad que se deben tener en cuenta para la ubicación correcta de este dispositivo. Es aconsejable inspirarse en ella).
NOTA 2:
Esta condición también se debe respetar con los dispositivos de mando a dos manos desplazables.
Los dispositivos de mando a dos manos estarán colocados de manera que, desde el puesto de accionamiento, se pueda observar perfectamente la zona peligrosa.
En el caso de que en una determinada situación peligrosa intervenga más de un operador y la protección para todos ellos se obtenga mediante dispositivos de mando a dos manos, se debe cumplir, además, lo siguiente:
Serán precisos tantos dispositivos de mando a dos manos como operadores intervengan en la situación peligrosa.
Cada dispositivo de mando a dos manos deberá cumplir la condición de sincronismo y el conjunto de dispositivos de mando a dos manos deberá cumplir la condición de simultaneidad.
Deberá existir un dispositivo de selección que permita anular los dispositivos de mando a dos manos que, en función del trabajo a realizar y de acuerdo con la evaluación de riesgos, no sean necesarios.
3.3.3 Requisitos generales de los sistemas de mando asociados a los dispositivos de mando a dos manos
La parte del sistema de mando del equipo de trabajo asociada al dispositivo de mando a dos manos, incluyendo los dispositivos que garantizan la parada de los elementos peligrosos y el corte y bloqueo de su alimentación de energía, debe ser adecuada (en cuanto a la resistencia a fallos) al nivel de riesgo que presenta el equipo de trabajo para la situación peligrosa considerada, obtenido de la evaluación de riesgos.
NOTA:
Esto quiere decir que debe existir una correspondencia entre la resistencia a fallos del dispositivo y la parte del sistema de mando del equipo que garantiza la función de seguridad.
3.3.4 Criterios de selección de dispositivos de mando a dos manos
El dispositivo de mando a dos manos debe ofrecer una resistencia a fallos apropiada al nivel de riesgo de la aplicación para la que debe proporcionar protección, obtenido mediante la evaluación del riesgo.
Si el dispositivo de mando a dos manos es de nueva instalación, debe venir acompañado de la correspondiente declaración CE de conformidad. En el marcado del dispositivo debe estar indicado el tipo y la referencia de la norma europea EN 574.
3.3.5 Documentos de interés
UNE-EN 574
UNE 81600: 85
UNE 81602: 86
UNE-EN 954-1
UNE-EN 999
UNE-EN 692
3.4 Dispositivos de validación
Un dispositivo de validación es un órgano suplementario de mando, accionado manualmente, que se utiliza conjuntamente con un órgano de puesta en marcha (generalmente un mando sensitivo) y que, mientras se mantiene accionado, autoriza el funcionamiento del equipo de trabajo.
Debe responder a las características siguientes:
estar asociado a una orden de parada de manera que al soltar el dispositivo se desconectan los accionadores por medios electromecánicos (parada de categoría 0),
o bien
estar asociado a una orden de parada de manera que se utilice la energía eléctrica para detener el movimiento peligroso y que, una vez conseguida la parada, se realice la desconexión por medios electromecánicos, como en el caso de una parada de categoría 0 (parada de categoría 1).
Dado que, normalmente, este dispositivo se encuentra en un mando portátil (por ejemplo, una botonera portátil para mando de un robot), debe estar diseñado con criterios ergonómicos.
3.4.1 Tipos de dispositivos de validación
Hay dos tipos de dispositivos de validación:
de dos posiciones
de tres posiciones.
El dispositivo de dos posiciones:
en la posición 1 (órgano de mando en reposo), el interruptor está abierto;
en la posición 2 (órgano de mando accionado), el interruptor se cierra y autoriza la función.
El dispositivo de tres posiciones:
en la posición 1 (órgano de mando en reposo), el interruptor está abierto;
en la posición 2 (órgano de mando accionado en posición central), el interruptor se cierra y autoriza la función;
en la posición 3 (órgano de mando accionado más allá de la posición central), el interruptor está abierto.
El retorno de la posición 3 a la posición 2 no autoriza la puesta en marcha.
3.4.2 Condiciones de utilización
Este dispositivo debe ir acompañado de un dispositivo de selección que permita seleccionar esta modalidad de mando, invalidando cualquier orden generada desde cualquier otro mando.
Este dispositivo se utiliza en trabajos de reglaje, búsqueda de averías, etc., en los que el operador necesita estar cerca, o incluso dentro, de la zona peligrosa para efectuar correctamente el trabajo. Esta situación se puede dar tanto en equipos de trabajo pequeños como en equipos grandes; por ejemplo, en trabajos de observación, movimientos controlados etc.
En el mismo mando portátil se pueden encontrar otros dispositivos de mando, en función de las necesidades de mando y protección, como, por ejemplo: un dispositivo de parada de emergencia y un dispositivo de selección que permita escoger el equipo de trabajo o la parte del equipo que se puede poner en marcha (en este caso debe existir una indicación clara entre lo que se manda y lo seleccionado), un mando sensitivo, un volante electrónico, mandos de puesta en marcha y parada, etc.
3.4.3 Criterios de selección de dispositivos de validación
El dispositivo se elegirá en función de los resultados de la evaluación del riesgo y su resistencia a fallos será conforme al nivel de riesgo obtenido para la situación peligrosa concreta. Teniendo en cuenta el tipo de situaciones para las que se aplica, su resistencia a fallos debe ser, en general, alta.
3.5 Mando sensitivo
Es un dispositivo de mando que pone y mantiene en marcha los elementos peligrosos mientras el órgano de accionamiento se mantiene accionado. Cuando se suelta el órgano de accionamiento, éste retorna automáticamente a la posición correspondiente a la parada. El órgano de accionamiento suele ser un pulsador o un pedal.
3.5.1 Condiciones de utilización
Aparte de su utilización para la puesta en marcha y parada de ciertos tipos de máquinas, tales como las máquinas portátiles, este dispositivo de mando se suele utilizar conjuntamente con otras medidas preventivas, tales como la velocidad o el esfuerzo reducido, aunque también puede ir acompañado de otros dispositivos de protección, tales como las barras sensibles. En general, en estas condiciones, se necesita un dispositivo de selección para anular el sistema de protección previsto para el proceso de trabajo y permitir este modo de mando y funcionamiento.
Se utiliza para operaciones de reglaje, limpieza, etc., cuando, en ciertos tipos de equipos de trabajo, es necesario anular el sistema de protección utilizado durante la producción normal del equipo. En estos casos el equipo de trabajo debe disponer del correspondiente sistema de selección de modo de funcionamiento y de mando. Una vez seleccionada dicha forma de mando, el movimiento sólo podrá efectuarse desde el órgano correspondiente a la posición seleccionada.
En cierto tipo de equipos de trabajo, tales como plegadoras o ciertas punzonadoras, se puede utilizar en producción, si además está asociado a una velocidad de trabajo reducida (velocidad inferior o igual a 2 m/min).
NOTA:
En el caso de ciertos equipos de trabajo, como, por ejemplo, equipos neumáticos e hidráulicos en los que el peligro fundamental es el de atrapamiento en la zona de trabajo, las características de determinados elementos que limitan la velocidad de los elementos móviles de trabajo puede afectar sensiblemente los resultados de la evaluación de riesgos y permitir que se pueda seleccionar la categoría 1 + MP. Se trata, concretamente, de garantizar en este caso, mediante estrangulamientos permanentes, que la velocidad de cierre de los elementos peligrosos es reducida (para máquinas antiguas, una velocidad igual o inferior a 2 m/min podría ser un valor aceptable), combinando esta medida con un mando sensitivo, o con un dispositivo de protección de eficacia equivalente.
Si el peligro fundamental fuera de choque o de impacto, como en el caso de la mesa de una fresadora o el brazo de un robot, o incluso por necesidades del proceso, como en la operación de paso de punta en bobinadoras de chapa o de papel, el límite de velocidad reducida podría incrementarse (a velocidades de 10 m/min a 15 m/min), combinando, si es posible, esta medida con un mando sensitivo y/o con una parada de emergencia o un dispositivo de eficacia equivalente.
La norma EN 999 da indicaciones sobre las distancias de seguridad que se deben tener en cuenta para la ubicación correcta de este dispositivo. No obstante, la evaluación de riesgos indicará si esta distancia necesita o no ser mantenida. Por ejemplo, en el caso de que se utilice junto con otra medida preventiva, como la velocidad reducida, no suele ser necesario colocarlo a la distancia de seguridad, máxime si se necesita observar el elemento que se manda.
3.6 Mando de marcha a impulsos
Es un dispositivo de mando cuyo accionamiento permite solamente un desplazamiento limitado de un elemento de un equipo de trabajo, reduciendo así el riesgo lo más posible, quedando excluido cualquier otro movimiento hasta que el órgano de accionamiento se suelte y sea accionado de nuevo.
3.6.1 Condiciones de utilización
Se utiliza, al igual que el mando sensitivo, para operaciones de ajuste, reglaje o limpieza por lo que para acceder a esta forma de mando es preciso seleccionarla previamente.
Los recorridos que se suelen permitir son, en general, pequeños (del orden de algunos milímetros).
3.7 Dispositivo de retención mecánica
Es un dispositivo cuya función es insertar, en un mecanismo, un obstáculo mecánico (cuña, pasador, bloque, calce) que, por su resistencia mecánica, es capaz de oponerse a cualquier movimiento peligroso como, por ejemplo, evitar el descenso del plato móvil de una prensa hidráulica.
Puede estar o no integrado en el equipo de trabajo. Ahora bien, en el caso de equipos de trabajo ya en servicio, para los que la evaluación de riesgos determina que es necesaria su utilización, no se puede pretender que el dispositivo esté integrado en el equipo de trabajo.
En el caso de que el dispositivo no pueda soportar la fuerza que podría ejercer el equipo de trabajo, si se produce un fallo que provoque una orden de puesta en marcha, este dispositivo deberá ir acompañado de un dispositivo de enclavamiento que impida la puesta en marcha del equipo de trabajo. El conjunto estará dispuesto de tal manera que, para colocar el dispositivo de retención mecánica en el equipo de trabajo, será preciso actuar previamente sobre el dispositivo de enclavamiento (véase la figura J19).

Figura J19 - Dispositivo de retención mecánica
3.8 Dispositivos limitadores de parámetros peligrosos
Son dispositivos que impiden que se sobrepase un límite establecido.
Entre los parámetros para los que puede ser necesario no sobrepasar ciertos límites se pueden encontrar, entre otros, los siguientes:
Presión
Nivel
Caudal
Temperatura
Recorridos
Velocidades
Esfuerzos
Estos dispositivos pueden estar incluidos o no en la maniobra de mando. Por ejemplo, una válvula limitadora de presión no está incluida en el sistema de mando; sin embargo, un presostato sí lo está.
3.8.1 Criterios de selección de dispositivos limitadores
Los parámetros a controlar y la selección del dispositivo apropiado dependen de los resultados de la evaluación del riesgo.
El nivel de resistencia a fallos estará de acuerdo con el nivel de riesgo estimado en el caso de que se sobrepasen dichos parámetros.
PREVENCIÓN Y PROTECCIÓN CONTRA LAS EMISIONES DE GASES, VAPORES, LÍQUIDOS Y POLVO
La producción o emisión de gases, vapores, líquidos o polvo es un proceso bastante generalizado en máquinas y aparatos fijos que trabajan en proceso abierto, pero también tiene lugar en determinados equipos portátiles de uso extendido (pulidoras, amoladoras, etc.). El objetivo que se pretende es el de impedir o, si esto no es posible, reducir la dispersión en el ambiente de sustancias peligrosas para la salud y, en definitiva, evitar que entren en contacto con el trabajador.
Estas sustancias o agentes pueden ser productos utilizados o procesados en los equipos de trabajo, o almacenados en ellos. En general, la emisión de la sustancia supone su posterior dispersión o difusión en el aire y, finalmente, su inhalación por el trabajador. La emisión puede provenir de diferentes operaciones o fuentes, tales como:
mecanizado, por ejemplo: serrado, amolado, pulido, fresado, granallado;
evaporación o convección térmica, por ejemplo: cubas abiertas, crisoles, etc.
trabajos con metales en caliente, por ejemplo: soldadura oxiacetilénica, soldadura eléctrica, corte de perfiles, fundición;
manutención de materiales, por ejemplo: carga por tolva, transporte neumático, llenado de sacos;
pulverización, por ejemplo: pintura, limpieza a presión;
fugas, por ejemplo: en juntas de bombas, en bridas, en conductos de aspiración;
subproductos y residuos, por ejemplo humos de vulcanización de caucho;
mantenimiento, por ejemplo: limpieza de filtros de polvo;
desmontajes, por ejemplo: rotura de baterías, retirada de revestimientos aislantes de amianto;
combustión de carburante, por ejemplo: escape de un motor de combustión interna;
mezcladoras; etc.
La naturaleza de la sustancia condiciona su peligrosidad. Sus efectos sobre el organismo pueden ser muy diversos, pudiéndose distinguir, entre otros:
los irritantes del aparato respiratorio, por ejemplo: dióxido de azufre, cloro, etc.;
los sensibilizantes, por ejemplo: isocianatos;
los polvos fibrogénicos, por ejemplo: sílice cristalina;
los asfixiantes (químicos o simples), tales como el monóxido de carbono, el dióxido de carbono o los gases inertes;
los tóxicos que afectan a sistemas u órganos concretos, por ejemplo: mercurio (sistema nervioso, riñones) o plomo (sistema nervioso, sangre);
los carcinógenos (por ejemplo: amianto, benceno, cloruro de vinilo monómero), los mutágenos y los tóxicos para la reproducción;
los agentes infecciosos, etc.
Las máquinas o equipos nuevos, sujetos al marcado CE, que presenten este tipo de peligro (por emisión de gases, vapores, líquidos o polvo) ya deben estar provistos de campanas y/o conductos a los que se pueda acoplar fácilmente un sistema de extracción, siguiendo las instrucciones del fabricante que, si ha lugar, debe indicar además cuáles son los riesgos residuales y las medidas complementarias que permiten reducir la exposición.
En el caso de equipos de trabajo ya en uso (en el supuesto de que no sea posible dejar de utilizar una determinada sustancia, sustituirla por otra menos peligrosa, o efectuar cambios en el propio proceso de trabajo de manera que se reduzcan suficientemente las emisiones), puede ser preciso evaluar el riesgo para decidir si es necesario tomar medidas preventivas y, en particular, medidas de ventilación localizada.
Para evaluar los riesgos será necesario:
a) Obtener información sobre las propiedades peligrosas de las sustancias y cualquier otra información necesaria para realizar dicha evaluación que, en su caso, deba facilitar el proveedor, o que pueda recabarse de éste o de cualquier otra fuente de información de fácil acceso. Esta información tendría que incluir:
La ficha de datos de seguridad (cuando se trate de sustancias comercializadas) que exige la normativa sobre clasificación, envasado y etiquetado de sustancias y preparados peligrosos.
Los Límites de Exposición Profesional aplicables a la sustancia en cuestión: los legalmente establecidos y, si se carece de ellos, los propuestos por el INSHT (en el Documento sobre Límites de Exposición Profesional para Agentes Químicos en España) cuya aplicación es recomendada por la Comisión Nacional de Seguridad y Salud en el Trabajo o, en su defecto, los TLV de la ACGIH (Conferencia Americana de Higienistas Industriales Gubernamentales) u otros recomendados por una institución de reconocido prestigio en ese campo.
b) Determinar la magnitud de la exposición del trabajador efectuando, si es necesario, una medición de las concentraciones de la sustancia en la zona de respiración del trabajador para su posterior comparación con el Límite de Exposición. El procedimiento de medición debe ajustarse a la normativa específica que sea de aplicación o, en ausencia de ésta, a lo dispuesto en el artículo 5.3 del Reglamento de Servicios de Prevención.
Si el resultado de la evaluación muestra la necesidad de tomar medidas preventivas, será preciso diseñar e implantar un sistema de captación y extracción. Para el diseño y cálculo de estos sistemas merece destacarse, entre otras publicaciones, el manual de la ACGIH sobre Ventilación Industrial (editado en español por la Generalitat Valenciana). En el caso de que la extracción localizada no sea totalmente eficaz y dependiendo del nivel de riesgo puede ser conveniente adoptar otras medidas de ventilación, tales como:
cortinas de aire;
ventilación general para dilución, por ejemplo, mediante extracción con aportación de aire renovado, en aplicaciones como los trabajos en locales cerrados en los que sea imprescindible utilizar motores de combustión interna;
ventilación proporcionada por el propio diseño del edificio, por ejemplo: procesos en caliente en edificios de gran altura.
Puede ser necesario también adoptar otras medidas preventivas complementarias de organización del trabajo, tales como:
prohibir accesos no esenciales, por ejemplo, a espacios confinados o a operaciones peligrosas o a zonas de alto riesgo;
separar las operaciones peligrosas de las operaciones no peligrosas, por ejemplo, mediante envolventes parciales, particiones o edificios separados (zona de pintura, zona de soldadura...);
controlar el proceso desde salas de mando y limitar el acceso a la zona contaminada a lo estrictamente necesario;
reducir el número de operadores expuestos o el tiempo de exposición;
y, en última instancia, usar equipos de protección individual.
No debe olvidarse, además, el peligro de que, en determinados casos, la sustancia entre directamente en contacto con la piel (o los ojos) del trabajador y cause un daño local, por su carácter corrosivo (por ejemplo, ácido sulfúrico) o irritante (por ejemplo, cemento) o, simplemente, entre al organismo a través de dicha vía. Esto puede ocurrir en muy diferentes circunstancias, tales como:
migraciones de fuentes abiertas, por ejemplo: salpicaduras y evaporación/ condensación;
apertura de máquinas, por ejemplo para el mantenimiento;
entrada en las máquinas, por ejemplo para el control;
manutención de materiales, por ejemplo: carga, toma de muestras, evacuación;
manutención de piezas constitutivas de las máquinas, por ejemplo: desmontaje;
procedimiento incorrecto, por ejemplo: llenado excesivo;
Finalmente, debe tenerse en cuenta que, en función de la naturaleza y características de las emisiones puede ser preciso, además, aplicar las reglamentaciones correspondientes en materia de medio ambiente y de tratamiento de residuos.
PREVENCIÓN Y PROTECCIÓN CONTRA INCENDIOS Y/O EXPLOSIONES
1) El peligro de incendio se presenta si los materiales combustibles, el comburente (oxígeno o compuestos oxidantes) y la energía de ignición suficiente coinciden en el espacio y en el tiempo.
Los materiales combustibles son aquellas sustancias, sólidas, líquidas o gaseosas, susceptibles de combinarse con el oxígeno y quemarse con o sin llama. La facilidad de combustión de las sustancias depende de su tamaño, forma y grado de dispersión. Los gases y vapores de líquidos combustibles son los más peligrosos y se pueden esperar deflagraciones y detonaciones en la ignición de tales mezclas. Los líquidos y sólidos queman a su vez en fase de vapor; la velocidad de propagación depende de la facilidad con la que emiten o destilan vapores. En el caso de los sólidos la facilidad de combustión depende en gran manera del grado de disgregación; así, cuanto mayor sea la disgregación, menor es la energía de ignición necesaria para que se inicie el proceso de incendio.
El comburente es toda mezcla de gases en la cual el oxígeno está en proporción suficiente para que se desarrolle la combustión. El comburente normal es el aire que contiene aproximadamente el 21% de oxígeno. Pero existen otros comburentes que desprenden oxígeno en determinadas condiciones, como el nitrato potásico (KNO3), el permanganato potásico (KMnO4), el ácido perclórico (HClO4), el peróxido de hidrógeno (H2O2) o el óxido nitroso (N2O).
Pueden ser fuentes de ignición: la energía calorífica, la energía eléctrica, la energía mecánica o la energía química, que se materializan en forma de superficies calientes, arcos o chispas, reacciones exotérmicas... (véase la relación más exhaustiva que se hace al comentar, más adelante, el peligro de explosión).
Si se tiene en cuenta que la mayoría de los procesos se realizan en presencia de aire, se puede suponer que el oxígeno está siempre presente, por lo que el peligro de incendio se presenta si coinciden en espacio y tiempo el material combustible y la energía de ignición suficiente.
Algunos ejemplos de procesos y/o equipos de trabajo significativos por presentar peligro de incendio son:
Procesos de acabado y limpieza, tales como:
Recubrimiento con polvos combustibles (plásticos o similar), en los que el riesgo depende de la composición química de los materiales y de su grado de disgregación. Especial atención merecen los procesos donde se genere electricidad estática.
Equipos de trabajo de limpieza de superficies con llama abierta, tales como lanzas de oxígeno, candilejas, etc.
Recubrimientos con peróxidos orgánicos y dobles componentes que dan lugar a reacciones exotérmicas.
Procesos de mecanizado, realizados en inmersión en baño de aceite, tales como rectificado fino o electroerosión.
Procesos con equipos de trabajo que generen polvos combustibles (corte, lijado, pulido...), que, salvo que sean captados en el origen, al depositarse libremente pueden entrar en contacto con superficies calientes o chispas (carpinterías, serrerías, etc.).
Equipos de trabajo donde se realice la vulcanización o polimerización de plásticos o caucho.
Equipos mezcladores y de molienda, especialmente si se utilizan los no apropiados para materiales combustibles.
Equipos extractores y/o soplantes de polvos, grasas, aceites...combustibles y los recipientes o silos donde se depositan dichas sustancias.
Operaciones de corte o de soldadura, con soldadura eléctrica, soldadura oxiacetilénica sopletes de oxicorte, etc.
1. a) Riesgos debidos al peligro de incendio en equipos de trabajo
Dado que las posibles consecuencias (daños) pueden ser importantes, es necesario realizar la evaluación de los riesgos que se derivan del peligro de incendio en todas las actividades en las que se dé la conjunción de los tres elementos antes citados en cantidades significativas, teniendo en cuenta no sólo el/los equipo/s de trabajo origen del peligro sino la situación del local (lugares de trabajo) y sus condiciones (características de los materiales, vías de evacuación...).
Para determinar la probabilidad de que se produzca un incendio se debería contar con los siguientes elementos:
Lista de materiales combustibles involucrados en el equipo y en el proceso.
Estimación de la inflamabilidad o combustibilidad de dichos materiales y del efecto de mantenimiento del fuego.
Determinación de la carga térmica (suma de las energías caloríficas liberadas en la combustión completa de los materiales involucrados en el equipo y en el proceso).
Lista de las posibles fuentes de ignición.
Estimación de los escenarios del fuego, teniendo en cuenta las cargas térmicas y las fuentes de ignición (probabilidad del incendio).
Para estimar el riesgo en caso de incendio se tendrán en cuenta la probabilidad del incendio y el daño esperado.
NOTA:
La información sobre las propiedades de los materiales o componentes utilizados en los equipos de trabajo se encuentra habitualmente en la literatura específica.
Si, valorado el riesgo, se deduce que la máquina o equipo de trabajo no es suficientemente seguro, se han de tomar medidas para reducir el riesgo. Desde un punto de vista general la reducción del riesgo comprende la aplicación de medidas sobre la propia máquina o equipo de trabajo y de otras medidas de tipo estructural (de estas últimas no se tratará en esta Guía).
1. b) Las medidas preventivas a adoptar comprenden:
Medidas relativas al diseño, tales como:
sustitución de materiales combustibles por otros no combustibles o retardadores de la llama empleados en el equipo (por ejemplo: uso de mezclas aceite-agua como fluido hidráulico en máquinas para trabajar en ambientes muy calurosos, acerías o similar; aceites especiales para transformadores,...);
eliminación o disminución de sobrecalentamientos (sobredimensionado; protección contra sobreintensidades en equipos eléctricos acompañada de un adecuado programa de verificación y sustitución, si ha lugar, de los dispositivos de protección; refrigeración forzada,...);
selección de materiales utilizados por el equipo para evitar interacciones no deseables con los materiales producidos por la máquina (taladrinas-virutas);
captación de los materiales combustibles en el origen (aspiración en vía seca o húmeda) y su envío a recipientes de almacenamiento situados a poder ser fuera de los lugares de trabajo.
si no se puede eliminar la posibilidad de incendio, se deben limitar sus efectos (llamas, calor, humos), por ejemplo apantallando o cerrando el equipo de trabajo, para minimizar los daños sobre personas o bienes.
Integración de sistemas de detección-alarma y extinción.
Si, como resultado de la evaluación, el riesgo es elevado, se debe garantizar al menos la detección y extinción precoz del incendio que se pueda producir con el fin de limitarlo, en la medida de lo posible, a la zona en la que se produce.
En función del nivel de riesgo, las funciones de detectores, presostatos, etc. se deberían considerar como funciones críticas de seguridad y ser tratadas como tales en su interconexión con el sistema de mando del equipo de trabajo.
Medidas adicionales:
información complementaria para el operador (el/los operador/operadores debería/n estar adiestrado/s e informado/s convenientemente sobre cómo tratar este peligro si se materializa);
si es necesario, por razones de carga térmica, combustibilidad, etc., aislamiento de equipos de trabajo y/o de materias primas y productos no esenciales, en áreas fuera de los locales de trabajo.
2) El peligro de explosión se puede manifestar no solamente con productos considerados como inflamables sino también con productos aparentemente sin peligro tales como la harina de cereales, por ejemplo. Cuando existe este peligro, se pueden aplicar diferentes medidas preventivas, en función del producto y del tipo de instalación considerada.
Se debe comparar la capacidad de la fuente de ignición para provocar una inflamación, con las características de ignición de la sustancia inflamable. La posibilidad de generar fuentes de ignición debe estimarse teniendo en cuenta no sólo las fuentes propias del equipo de trabajo, sino otras que se puedan crear, por ejemplo, en las operaciones de mantenimiento y de limpieza. Si no se puede estimar la probabilidad de que se produzca una fuente de ignición, se debe suponer que la fuente de ignición está presente permanentemente.
En primer lugar, el principal factor que aparece como origen de las explosiones es la electricidad (apertura o cierre de circuitos eléctricos, conexiones flojas...); por tanto, es importante respetar fielmente la normativa sobre instalaciones y equipos eléctricos, en lo que respecta a la protección contra las sobreintensidades y a la temperatura superficial máxima permitida y, en zonas con peligro de explosión, emplear equipos eléctricos específicos para su utilización en atmósferas explosivas.
También hay que prestar atención a otras posibles fuentes de ignición, tales como:
superficies calientes (radiadores, estufas, serpentines calefactores, piezas mecanizadas, embragues a fricción, frenos mecánicos de vehículos y centrifugadoras, partes móviles de los rodamientos, pasos de ejes, prensaestopas...);
llamas y gases calientes (incluyendo las partículas calientes, tales como las desprendidas en operaciones de soldadura o de oxicorte);
chispas de origen mecánico (operaciones de fricción, de choque y de abrasión, tales como el amolado; fricción por frotamiento entre metales férreos análogos o entre determinados materiales cerámicos; choques implicando herrumbre y metales ligeros, como el aluminio y el magnesio, y sus aleaciones; choque o fricción de metales ligeros, como el ticirconio, el circonio, contra cualquier material suficientemente duro...);
corrientes eléctricas vagabundas, protección contra la corrosión catódica (corrientes de retorno en instalaciones generadoras de potencia, corrientes en circuitos de puesta a tierra, inducción magnética, protección catódica por contracorriente con ánodos de aluminio o de magnesio...);
electricidad estática (carga de partes conductoras aisladas; carga de materiales no conductores en procesos rápidos de separación, como películas en movimiento sobre rodillos, cintas transportadoras; conos de descarga de productos almacenados a granel...);
reacciones exotérmicas, incluyendo la autoinflamación de polvos (reacciones de sustancias pirofosfóricas con el aire, de metales alcalinos con el agua, de autoinflamación de polvos combustibles, de autocalentamiento de productos alimenticios debido a procesos biológicos, de descomposición de peróxidos orgánicos o de polimerización; atmósfera hidrógeno/aire en presencia de platino; determinadas combinaciones de materiales de construcción con productos químicos, como la del cobre con el acetileno o la de los metales pesados con el peróxido de hidrógeno...);
otras fuentes (rayo, ondas electromagnéticas, radiaciones ionizantes, ultrasonidos, compresión adiabática y ondas de choque...).
Los principios fundamentales de prevención y protección son:
a) Prevención:
Evitar las atmósferas explosivas. Este objetivo se puede alcanzar, principalmente, cambiando la concentración de la sustancia inflamable para darle un valor fuera del dominio de explosividad, o bien la concentración en oxígeno, para darle un valor por debajo de la concentración límite de oxígeno;
Evitar cualquier posible fuente de inflamación activa.
b) Protección:
Limitar los efectos de las explosiones a un nivel aceptable mediante medidas de protección de tipo constructivo.
NOTA:
La información sobre las propiedades peligrosas de determinadas atmósferas explosivas, derivadas de ciertos equipos de trabajo, y sobre las medidas de prevención y protección prescritas para eliminar o reducir el riesgo, se encuentran en la normativa específica (véase el Anexo B) o en determinados documentos técnicos sobre la materia (por ejemplo, las publicaciones de la National Fire Protection Association NFPA).
Para definir las medidas preventivas a adoptar es preciso tener en cuenta el funcionamiento normal así como los disfuncionamientos de tipo técnico y el mal uso previsible. La aplicación de dichas medidas requiere un conocimiento profundo de las situaciones industriales y una experiencia suficiente. Por ello es recomendable acudir al asesoramiento de expertos.
Además, de las medidas indicadas para los equipos e instalaciones eléctricas, se tendrán en cuenta las siguientes:
evacuar los productos peligrosos, aspirándolos en el origen (en vía húmeda, si se trata de polvos explosivos);
confinar dichos productos en un espacio cerrado, en el que no exista la posibilidad de elevación de la temperatura o de producción de chispas (se debe prestar especial atención al tipo de recipientes para trasiego y manutención. Deben ser herméticos, metálicos, diseñados de manera que impidan los derrames durante la carga/descarga y susceptibles de ser conectados a tierra);
utilizar técnicas de inertización que consisten en modificar la composición de la atmósfera en la que se encuentra el producto, para impedir que se inflame;
instalar dispositivos de control que permitan mantener automáticamente la concentración de la sustancia inflamable en el aire (atmósfera explosiva) fuera del dominio de la inflamabilidad.
Cuando no se puedan aplicar estas medidas o se compruebe que no son suficientemente eficaces, se puede recurrir a dispositivos de emergencia automáticos mediante extintores o por introducción masiva de un material inerte. A título de ejemplo, en un centro de mecanizado de grandes dimensiones trabajando aleaciones metálicas inflamables (magnesio), una buena solución consiste en evacuar regularmente las virutas para evitar su acumulación y colocar, alrededor de la zona de trabajo, extintores automáticos específicos.
Un caso especial de peligro de explosión se presenta en los cubilotes u hornos para manipular u obtener acero, cuando se produce una fuga o una rotura en el sistema de refrigeración y entran en contacto el agua y el acero fundido o en equipos de trabajo tales como determinados tipos de calderas. Este tipo de explosiones sólo se pueden evitar mediante un correcto mantenimiento de los equipos.
Para cualquier observación o sugerencia en relación con esta Guía puede dirigirse al Instituto Nacional de Seguridad e Higiene en el Trabajo Centro Nacional de Verificación de Maquinaría Correo electrónico cnvminsht@mtas.es |